Wednesday, December 22nd, 2010 AT 1:48 AM
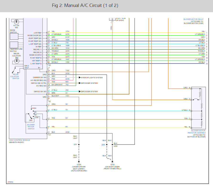
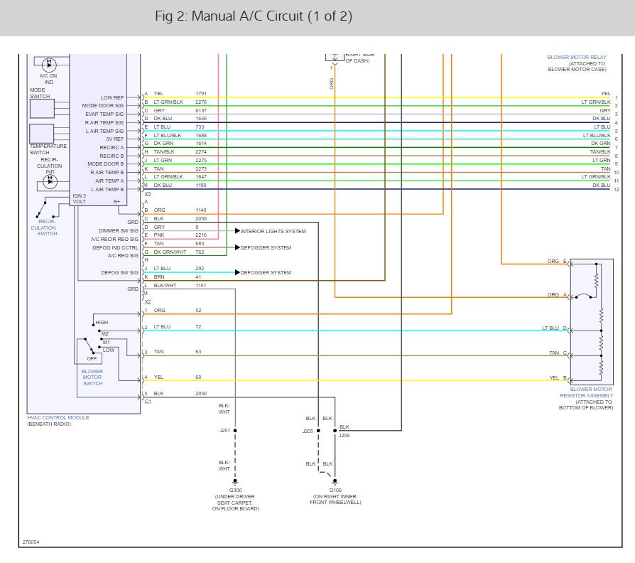
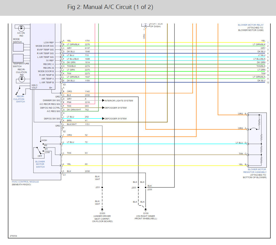
I have a 2008 Hummer H3 and the fan switch will not come on any speed ( 1-4 ). A friend told me it might me a resistor, but I don't know where it is located. Any other ideas or how to check what the problem might be. Thanks tom



















