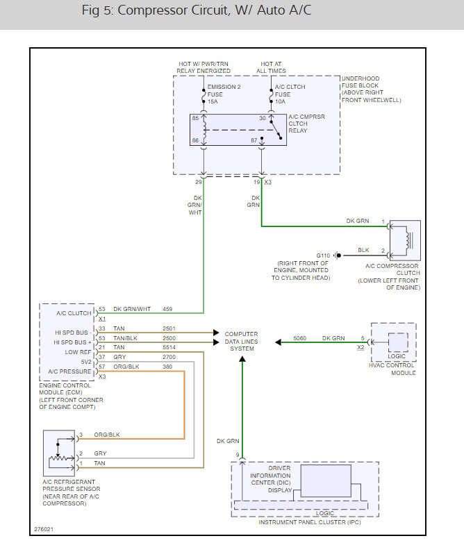
Monday, June 20th, 2011 AT 6:56 PM
The blower wont come on on our vehicle even though it shows the bars lit up as if it is on. The fuses are all good and I can't seem to find a relay any where for the fan.















