The reverse light fuse was blown?

Tiny
DJ101
  • MEMBER
  • 2008 FORD FALCON
  • 6 CYL
  • 2WD
  • 50,000 MILES
The fuse (N0:4 Reverse light, sonar, Him, Navigation)was blown every night. Where is the possible place the electronic leaking? Air blower fan and air-conditioner do not work.
Saturday, April 23rd, 2011 AT 1:02 AM

1 Reply

Tiny
KASEKENNY
  • MECHANIC
  • 18,907 POSTS
More than likely you have a bulb that is shorted and when you put it in reverse, there is just a straight path to ground and the fuse blows. So, we need to remove both bulbs and check to make sure they are intact.

https://www.2carpros.com/articles/how-to-check-wiring

https://www.2carpros.com/articles/how-to-check-a-car-fuse

https://www.2carpros.com/articles/how-to-use-a-test-light-circuit-tester

If they are then we need to start checking wiring for shorts to ground.

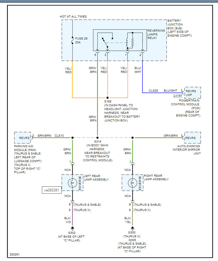
I am attaching the wiring diagram so that you can run through this info. Basically, we need to put your meter lead on battery positive and touch the other side to each of these terminals to see if there is a path to ground.

Please let us know what questions you have, and we can go from there. Thanks
Was this
answer
helpful?
Yes
No
Monday, October 11th, 2021 AT 7:00 AM

Please login or register to post a reply.