Headlights not working - low beams?

Tiny
SHELBYGT205
  • MEMBER
  • 1 POST
  • 2006 CHEVROLET TRAILBLAZER
  • 95,000 MILES
I have a 2006 Chevy Trailblazer and last night both headlights went out at the same time. The bulbs are brand new so that shouldn't be the problem. I checked the fuses and can't see a problem with them. Also switched relay #45 with #46 and nothing happened so that doesn't appear to be the problem either. PLEASE HELP
Was this
answer
helpful?
Yes
No
Thursday, January 7th, 2021 AT 12:12 PM (Merged)
Tiny
JDL
  • MECHANIC
  • 16,098 POSTS
Did you check for voltage anywhere? Did you check for voltage at the fuse circuit? Neither high or low beam will work? Our database info says bcm controls ground side of headlamp relays, so check for applicable trouble codes. There are headlamp control codes. I believe those are B type codes. Some of the national brand autostores will check codes for free. Let us know.
Was this
answer
helpful?
Yes
No
+1
Thursday, January 7th, 2021 AT 12:12 PM (Merged)
Tiny
MARK BOUDREAUX
  • MEMBER
  • 1 POST
  • 2006 CHEVROLET TRAILBLAZER
  • 2.4L
  • V6
  • 2WD
  • AUTOMATIC
  • 200,000 MILES
Changed out the light relay and it didn't work. If you move relay back and forth the headlights go on and off. I think the female plug in that the relay fits in are worn out. What can I do to fix this problem?
Was this
answer
helpful?
Yes
No
Thursday, January 7th, 2021 AT 12:12 PM (Merged)
Tiny
KASEKENNY
  • MECHANIC
  • 18,907 POSTS
You are probably correct that the terminal is the issue. You will need to either de-pin the connector and tighten the terminal or you will need to replace the connector if it is loose and allowing the terminal to move around.

We don't have any videos on how to tighten a terminal but there are a ton of DIY videos on the internet that will give you the idea on what needs to be done.

The other solution is to replace the fuse box. I attached the instructions below on how to do this for the fuse box with the park relay. Let me know what questions you have.
Was this
answer
helpful?
Yes
No
Thursday, January 7th, 2021 AT 12:12 PM (Merged)
Tiny
CHOFER
  • MEMBER
  • 6 POSTS
  • 2006 CHEVROLET TRAILBLAZER
  • 43,000 MILES
06 trailblazer low beam headlights went out at same time tried another bulb no luck high beam are fine
Was this
answer
helpful?
Yes
No
Thursday, January 7th, 2021 AT 12:12 PM (Merged)
Tiny
SATURNTECH9
  • MECHANIC
  • 30,869 POSTS
Have you checked to see if you have power to both sides of the low beam fuse?
Was this
answer
helpful?
Yes
No
Thursday, January 7th, 2021 AT 12:12 PM (Merged)
Tiny
JONATHANJOHNSON
  • MEMBER
  • 1 POST
I have a 2004 the problem is in the fuse box under the hood it is called an hdm relay its a square black one autozone has them for 35 bucks.
Was this
answer
helpful?
Yes
No
+3
Thursday, January 7th, 2021 AT 12:12 PM (Merged)
Tiny
CADIEMAN
  • MECHANIC
  • 3,544 POSTS
The headlights go from the headlight switch to the dimmer switch then to the bulbs. The switch is on the l/side lower steering column when u dim the lights u will see the linkage rod will move as you move the dimmer lever. Check the voltage their.
Was this
answer
helpful?
Yes
No
-1
Thursday, January 7th, 2021 AT 12:12 PM (Merged)
Tiny
GUYONTHECOUCH
  • MEMBER
  • 1 POST
  • 2006 CHEVROLET TRAILBLAZER
  • 0.5L
  • 6 CYL
  • 4WD
  • AUTOMATIC
  • 118,000 MILES
After having a buddy do collision repair on driver side fender and headlight low beam and turn signal don't work on driver side only. High beams are okay. My question is, if it's not the bulb or fuse what could it be?
Was this
answer
helpful?
Yes
No
Thursday, January 7th, 2021 AT 12:12 PM (Merged)
Tiny
JACOBANDNICKOLAS
  • MECHANIC
  • 110,194 POSTS
Hi,

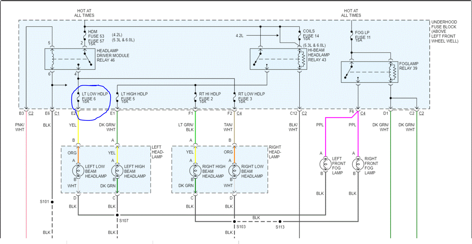
If the fuse in pic 1 is good, then I suspect it is a ground issue. If you look at pics 2 and 3, you will see "S107" and then "G107". The S means there are several wires spliced together. Since the high beam still works, the the ground (G107) is likely still good and the ground wire to the high beam is still attached. However, both the low beam and the signal light for the driver's side splice together with the same ground. I suspect that is where the problem is located.

Here is a simple test I need you to do: Note that the ground wire for both lights is black in color. Simply run a jumper wire from the black wire to the battery ground and see if the light works. If it does, then we know the splice is likely the issue. You don't have to run it all the way to the battery, but you need to provide a known good ground location on the vehicle to confirm.

Let me know if you have other questions and what you find.

Take care,
Joe
Was this
answer
helpful?
Yes
No
+1
Thursday, January 7th, 2021 AT 12:12 PM (Merged)

Please login or register to post a reply.