Rear window defroster

Tiny
DJCHIN
  • MEMBER
  • 2008 CHEVROLET IMPALA
  • 6 CYL
  • FWD
  • AUTOMATIC
  • 98,060 MILES
My rear window defroster is not working when I push the button the light comes on but nothing happens any ideas on the problem? Where is the connection plug in at the window, in the car or inside the window?
Monday, December 27th, 2010 AT 11:17 AM

46 Replies

Tiny
RIVERMIKERAT
  • MECHANIC
  • 6,110 POSTS
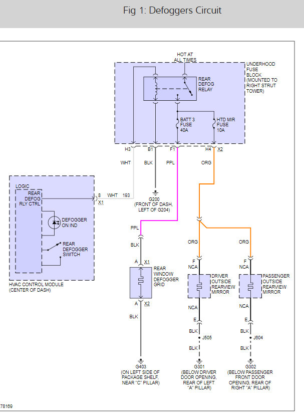
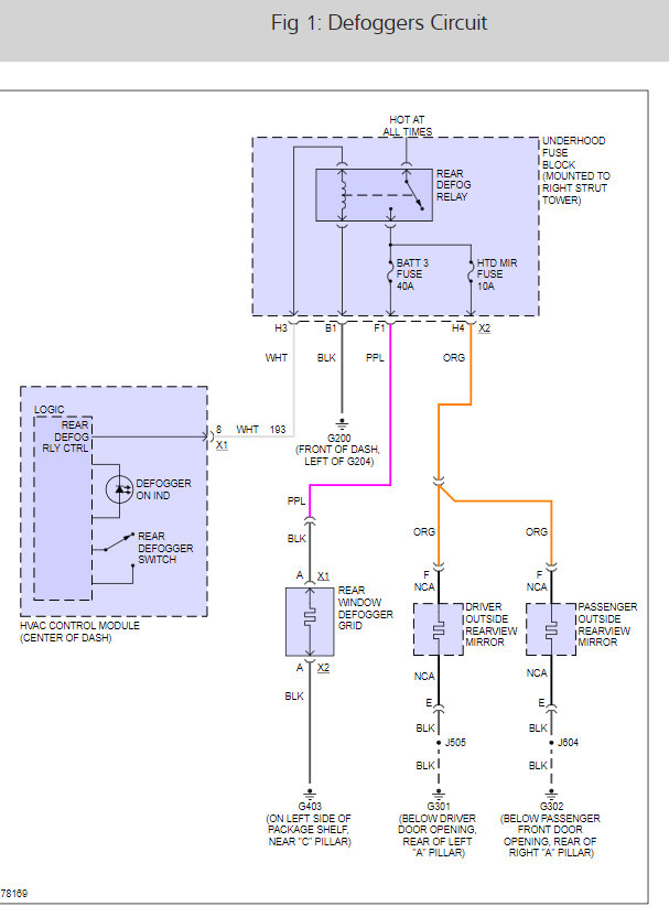
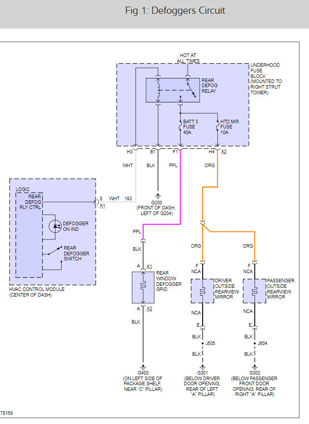
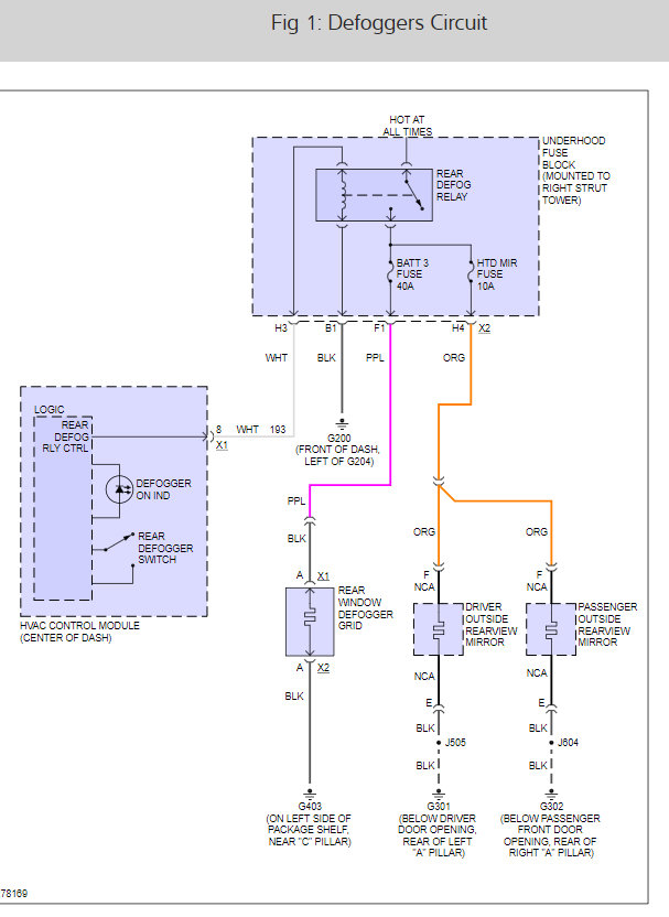
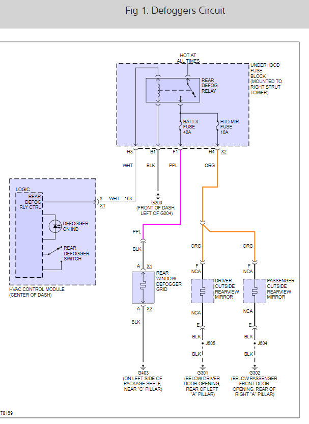
There is a defogger relay that sounds like it is not working. Here is a wiring diagrams and a guide to confirm the issue.

https://www.2carpros.com/articles/how-to-check-an-electrical-relay-and-wiring-control-circuit

The connectors for rear window defrosters are traditionally either at the bottom of the grid on both sides, top of the grid, or on the driver's side of the grid, visible just by looking at the rear window from inside the vehicle.

Oh, and make sure there is power on both sides of the switch when the switch is enabled. The switch could be defective internally, allowing the light to turn on, but not passing power out of the switch.

Check out the diagrams (Below)

Please let us know what you find. We are interested to see what it is.

Cheers
Was this
answer
helpful?
Yes
No
-1
Thursday, September 29th, 2011 AT 8:52 PM
Tiny
WOODNSOLDIER
  • MEMBER
  • 1 POST
Remove the passenger front kick plate, remove wiring harness, pull harness apart and usually the (2) purple wires you will find burnt, just run a jumper wire across from one side of harness to the other side, problem should be solved. Good luck
Was this
answer
helpful?
Yes
No
Tuesday, August 25th, 2015 AT 5:48 PM
Tiny
KEN L
  • MASTER CERTIFIED MECHANIC
  • 54,378 POSTS
Hey,

Great addition to this thread! Please feel free to help out on the site whenever it can add information that will help.

Best, Ken
Was this
answer
helpful?
Yes
No
-1
Friday, March 17th, 2017 AT 1:11 PM
Tiny
JOEBROUTHERS
  • MEMBER
  • 1 POST
  • 2008 CHEVROLET IMPALA
  • 5.9L
  • 6 CYL
  • FWD
  • AUTOMATIC
  • 150,000 MILES
When you push the switch the switch lights up but the rear window defroster does not work, bur if the car is started with the remote start the defroster does work until you turn the key on, then the defroster quits working
Was this
answer
helpful?
Yes
No
+1
Friday, March 17th, 2017 AT 1:12 PM (Merged)
Tiny
HMAC300
  • MECHANIC
  • 48,601 POSTS
Check items in pic if both are good and I'm assuming fuse will be have scanned for codes it may be control head causing problem.
Was this
answer
helpful?
Yes
No
Friday, March 17th, 2017 AT 1:12 PM (Merged)
Tiny
JASONR358
  • MEMBER
  • 1 POST
  • 2007 CHEVROLET IMPALA
Electrical problem
2007 Chevy Impala 6 cyl Front Wheel Drive Automatic

The rear window defogger has stopped working, the indicator light comes on but the window never defrosts. I have checked the connections at the window and they appear intact. The window stopped working at the exact same time I had a rear break light and blinker light go dead. I replaced the lights and they work fine so I guess it was just a coincidence. Looking for any other suggestions. Is this possibly a bad fuse or poor connection somewhere? Thanks for any help you may be in advance.
Was this
answer
helpful?
Yes
No
-1
Friday, March 17th, 2017 AT 1:12 PM (Merged)
Tiny
MHPAUTOS
  • MECHANIC
  • 31,937 POSTS
Hi there,

Carefully undo the wires at the gird, place a test light between the wires if it lights up the grid will be faulty, these can be repaired if not to bad, check this out first.

Mark (mhpautos)
Was this
answer
helpful?
Yes
No
+1
Friday, March 17th, 2017 AT 1:12 PM (Merged)
Tiny
BOBBY5153
  • MEMBER
  • 1 POST
  • 2007 CHEVROLET IMPALA
  • 3.5L
  • V6
  • FWD
  • AUTOMATIC
  • 117,000 MILES
Window element registers 12 on200k ohm scale and measures 4.6 volts at wire leads when disconnected from element. But won't defog
Was this
answer
helpful?
Yes
No
Friday, March 17th, 2017 AT 1:12 PM (Merged)
Tiny
MLDANIELS2000
  • MECHANIC
  • 227 POSTS
Voltage to defog needs to be around 12.6 volts. Check for pinched or cut wire.
Was this
answer
helpful?
Yes
No
Friday, March 17th, 2017 AT 1:12 PM (Merged)
Tiny
DBARSTOW
  • MEMBER
  • 1 POST
  • 2005 CHEVROLET IMPALA
  • 140,000 MILES
I have tested everything from the fuses to the rear window. It all came down to the relay once replaced the defogger works great.
Was this
answer
helpful?
Yes
No
Friday, March 17th, 2017 AT 1:12 PM (Merged)
Tiny
HMAC300
  • MECHANIC
  • 48,601 POSTS
Here is apic enclosed, it's the right ip junction block.
Was this
answer
helpful?
Yes
No
Friday, March 17th, 2017 AT 1:12 PM (Merged)
Tiny
PJSPOOHBR
  • MEMBER
  • 3 POSTS
  • 2011 CHEVROLET IMPALA
  • 6 CYL
  • 2WD
  • AUTOMATIC
  • 85,000 MILES
For past month my blower motor will just cut out. May last a day, may last a minute, then it will randomly come back on. In conjunction with this I have lost my rear defrosters. Any ideas?
Was this
answer
helpful?
Yes
No
Friday, March 17th, 2017 AT 2:08 PM (Merged)
Tiny
JOHNNYT73
  • MECHANIC
  • 924 POSTS
Do you still have the stock radio installed in the car?
Was this
answer
helpful?
Yes
No
-1
Friday, March 17th, 2017 AT 2:08 PM (Merged)
Tiny
PJSPOOHBR
  • MEMBER
  • 3 POSTS
Yes. It's stock radio

I haven't had the recall on the ignition switch fixed yet either.
Was this
answer
helpful?
Yes
No
Friday, March 17th, 2017 AT 2:08 PM (Merged)
Tiny
PJSPOOHBR
  • MEMBER
  • 3 POSTS
Are u going to help answer my question or did I waste 5bucks
Was this
answer
helpful?
Yes
No
Friday, March 17th, 2017 AT 2:08 PM (Merged)
Tiny
JOHNNYT73
  • MECHANIC
  • 924 POSTS
Hello, sorry for the late reply. Sometimes my email notifications go to my spam folder. Thank you also for you donation.

Is the blower motor control and the defrost button on the same control head?
Was this
answer
helpful?
Yes
No
Friday, March 17th, 2017 AT 2:08 PM (Merged)
Tiny
JOHNNYT73
  • MECHANIC
  • 924 POSTS
If you remove the passenger side kick panel where the inside fuse box is, you will see a white connector below the fuse box. Disconnect the white connector. If your defroster isnt working and you dont have 12V at the rear window, your problem is most likely that this white connector burned out.
Was this
answer
helpful?
Yes
No
Friday, March 17th, 2017 AT 2:08 PM (Merged)
Tiny
STRIMPEL17
  • MEMBER
  • 1 POST
  • 2004 CHEVROLET IMPALA
  • 6 CYL
  • FWD
  • AUTOMATIC
  • 33,000 MILES
Electrical problem
2004 Chevy Impala 6 cyl Front Wheel Drive Automatic 33000 miles

can I sodder the rear defrost tab back to the window, were the plug connects to the window, the sodder broke and now the defrost does'nt work
Was this
answer
helpful?
Yes
No
Friday, March 17th, 2017 AT 2:09 PM (Merged)
Tiny
RENAUDTN
  • MECHANIC
  • 636 POSTS
You can glue it back with special conducive epoxy type of glue.
Google 'rear defrost repair'; you'll find plenty of website telling you what to do.
Was this
answer
helpful?
Yes
No
Friday, March 17th, 2017 AT 2:09 PM (Merged)
Tiny
TONY MASC
  • MEMBER
  • 1 POST
  • 2004 CHEVROLET IMPALA
  • 3.4L
  • 6 CYL
  • 2WD
  • AUTOMATIC
  • 215,000 MILES
Rear defrost does not turn on
Was this
answer
helpful?
Yes
No
+1
Friday, March 17th, 2017 AT 2:09 PM (Merged)

Please login or register to post a reply.