Liftgate

Tiny
CANDYBABY
  • MEMBER
  • 2008 CHEVROLET HHR
  • 4 CYL
  • FWD
  • MANUAL
  • 55,000 MILES
2008 chevy HHR liftgate won't unlock
Friday, March 18th, 2011 AT 12:45 PM

1 Reply

Tiny
KEN L
  • MASTER CERTIFIED MECHANIC
  • 54,144 POSTS
Hello,

I would start by checking the fuses here is a guide to help you.

https://www.2carpros.com/articles/how-to-check-a-car-fuse

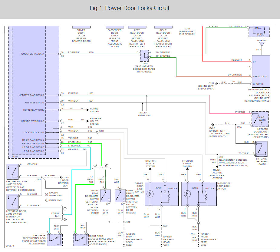
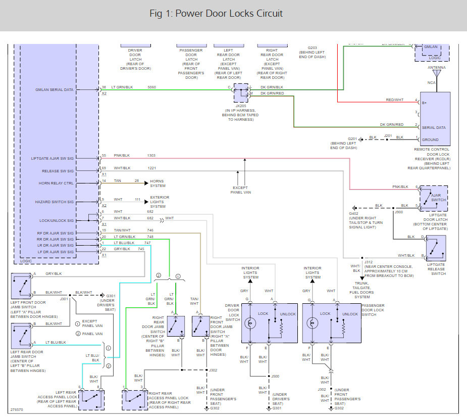
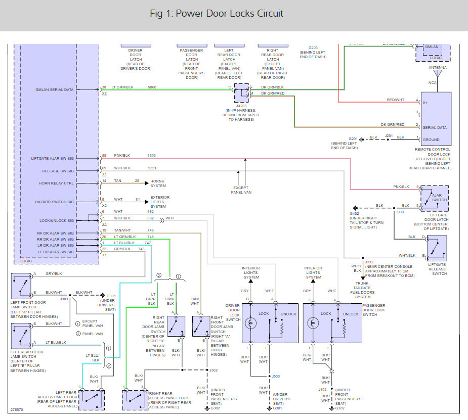
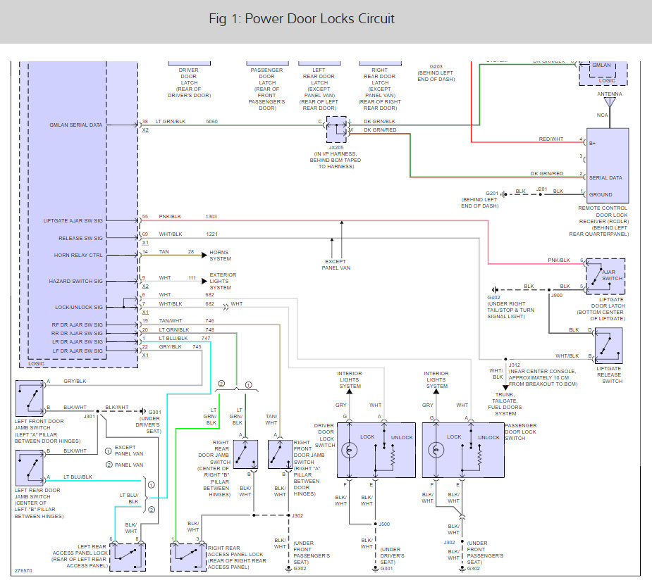
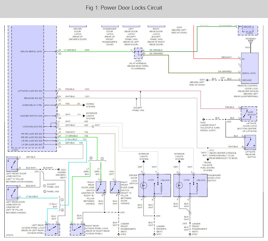
There is a manual release as well so once you get the liftgate open we can check out the latch etc. There are a few relays that work the liftgate as well

https://www.2carpros.com/articles/how-to-check-an-electrical-relay-and-wiring-control-circuit

Here are the fuse and relay location so you can test to see which one has failed or what is not getting power.

Check out the diagrams (Below)

Please let us know what you find. We are interested to see what it is.

Cheers, Ken
Was this
answer
helpful?
Yes
No
-1
Tuesday, January 2nd, 2018 AT 11:59 AM

Please login or register to post a reply.