Fuel pump relay keeps going bad?

Tiny
CORMACSHOME
  • MEMBER
  • 2008 BUICK LUCERNE
  • 90,000 MILES
My car has blowns three fuel pump relays in the past week. Car runs ok for a short while (with restarts) then try to start, and it won't. First replacement lasted about 3-4 restarts. Second replacement lasted 8-10 restarts.
Wednesday, June 5th, 2013 AT 8:09 AM

11 Replies

Tiny
DOCFIXIT
  • MECHANIC
  • 18,828 POSTS
It sounds like the fuel pump is going out drawing too many amps. Here is the fuel pump and engine wiring diagrams so you can see how the system is wired. Also check for heated and melted connections at the relay socket. Here is a guide that can help

https://www.2carpros.com/articles/how-to-check-an-electrical-relay-and-wiring-control-circuit

Check out the diagrams (Below). Please let us know what you find.
Was this
answer
helpful?
Yes
No
+1
Sunday, October 7th, 2018 AT 8:10 AM
Tiny
CORMACSHOME
  • MEMBER
  • 3 POSTS
Thanks for the guides I checked everything over and cannot see what the problem is everything looks fine?
Was this
answer
helpful?
Yes
No
-1
Sunday, October 7th, 2018 AT 8:10 AM
Tiny
DOCFIXIT
  • MECHANIC
  • 18,828 POSTS
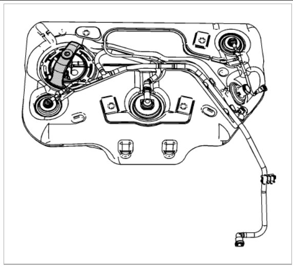
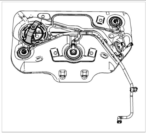
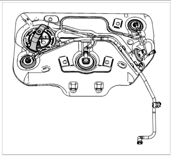
This would tell me the fuel pump is the problem I would proceed to replace it it here is a guide that will give you an idea of what you are in for and diagram below to show you how it is on your car.

https://www.2carpros.com/articles/how-to-replace-an-electric-fuel-pump

You can get a new pump from Amazon for 227.00. Check out the diagrams (Below). Please let us know what happens.
Was this
answer
helpful?
Yes
No
Sunday, October 7th, 2018 AT 8:10 AM
Tiny
CORMACSHOME
  • MEMBER
  • 3 POSTS
Yep you were right I dropped the tank and replaced the pump which looked fine but I did it anyway now the pump relay has been fine. Lets hope it stays good. I will let you know if I have any more problems I love this site BTW.
Was this
answer
helpful?
Yes
No
+1
Sunday, October 7th, 2018 AT 8:10 AM
Tiny
DOCFIXIT
  • MECHANIC
  • 18,828 POSTS
Use 2CarPros anytime, we are here to help. Please tell a friend.

Cheers
Was this
answer
helpful?
Yes
No
-1
Sunday, October 7th, 2018 AT 8:10 AM
Tiny
JOHNCANADA
  • MEMBER
  • 1 POST
  • 2008 BUICK LUCERNE
  • 3.8L
  • V6
  • FWD
  • AUTOMATIC
  • 180,000 MILES
Fuel pump relay keeps burning out
Was this
answer
helpful?
Yes
No
-1
Friday, May 21st, 2021 AT 4:15 PM (Merged)
Tiny
CARADIODOC
  • MECHANIC
  • 34,454 POSTS
You didn't provide any details, clues, observations, or history as to what kind of problem you're having, so I can only suggest that relay coils operate on 12 volts and you aren't going to exceed that by much unless you have a charging system problem. If that is the case, you're going to have a lot of other problems but not a burned out relay. The relay's contacts can handle considerably more current than the fuel pump draws. Before you get close that maximum current, a fuse will blow.

To verify this, install the relay you think has failed in a different spot, then see if that system works properly. If you really do have a failed relay, you need to determine which part of it failed before we can guess on a cause.

Check out the guide below on relay testing.. it may help you determine what is causing the issue

https://www.2carpros.com/articles/how-to-check-an-electrical-relay-and-wiring-control-circuit

The wiring diagram is attached below to help you figure this one out

USER NOTES: Relay is turning plastic on relay closet to driver seat brown two pins took thing a part once put it back together it ran fine now has quit again it's getting to hot on one side of relay.
Was this
answer
helpful?
Yes
No
+1
Friday, May 21st, 2021 AT 4:15 PM (Merged)
Tiny
TAYGEEZY
  • MEMBER
  • 1 POST
Many of these people reporting problems are dealing with the infamous Lucerne/DTS fuel pump relay problem, allegedly caused by a seat bracket contacting the rear fuse box. Spouting off wiring diagrams and loads is helpful, but vehicle-specific knowledge and research is an equally important part of the diagnosing process.
Was this
answer
helpful?
Yes
No
+8
Friday, May 21st, 2021 AT 4:15 PM (Merged)
Tiny
KASEKENNY
  • MECHANIC
  • 18,907 POSTS
Thanks for the addition. We appreciate you visiting the site and adding info to help spread the word on what you found. I am sure someone will benefit from that.

Please let us know if you ever have a specific issue that we can assist with. Thanks

https://www.2carpros.com/questions/new
Was this
answer
helpful?
Yes
No
Friday, May 21st, 2021 AT 4:15 PM (Merged)
Tiny
BEYONDBEAUTIFUL
  • MEMBER
  • 1 POST
  • 2008 BUICK LUCERNE
I tried to crank my car but it wouldnt start it would turn over but wouldnt start a friend check the fuel fuses under the hood but all wrre in tact. He check the one under the back seat & pulled out the fuel pump relay switch & it was burnt out even the socket it was in was melted if I replace the relay switch will I need 2 replace the fuse box to what do u think is the cause of the burnt out relay swith?
Was this
answer
helpful?
Yes
No
Friday, May 21st, 2021 AT 4:16 PM (Merged)
Tiny
WRENCHTECH
  • MECHANIC
  • 20,761 POSTS
If the contacts are burnt, then yes the fuse box should be replaced.
Was this
answer
helpful?
Yes
No
+4
Friday, May 21st, 2021 AT 4:16 PM (Merged)

Please login or register to post a reply.

Related Fuel System Fuel Pump Relay Content

Replace Your Fuel Pump Relay - Easy Steps
VIDEO