Rewire drivers side window?

Tiny
JDUBZ2021
  • MEMBER
  • 2007 CHEVROLET SILVERADO
  • 245,000 MILES
How do I rewire the wires in my driver side window.
Sunday, April 25th, 2021 AT 4:58 PM

1 Reply

Tiny
JACOBANDNICKOLAS
  • MECHANIC
  • 110,192 POSTS
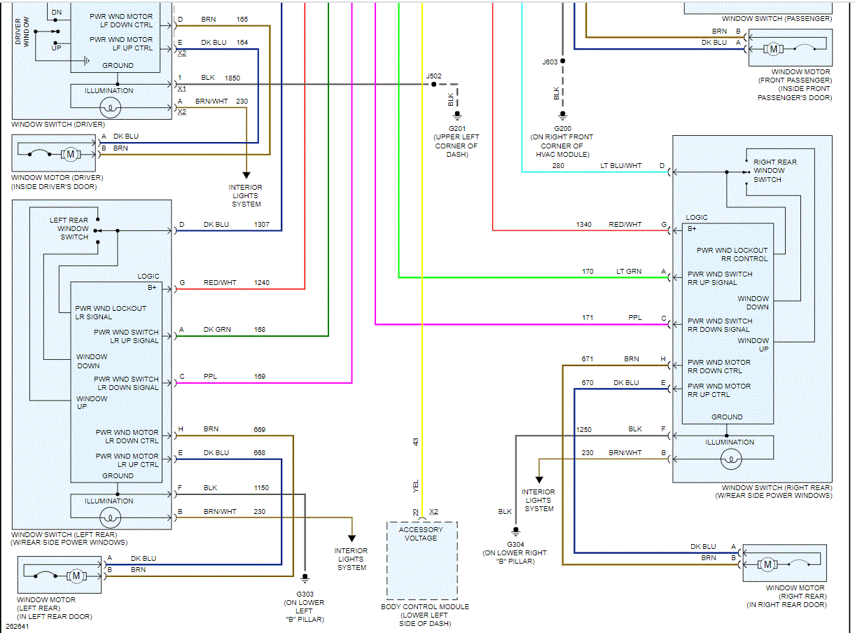
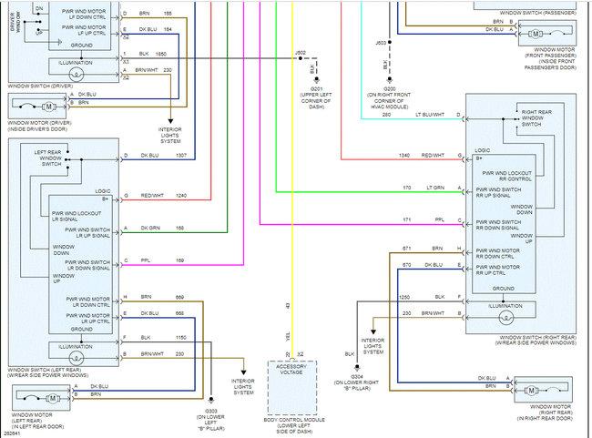
Hi,

I'm not sure exactly what needs to be rewired, so I included the entire wiring schematic for the power windows on this vehicle. I had to cut the pic in half to make it readable, but I overlapped them so you could follow them from one to the next.

Here is a link you may find helpful when doing this:

https://www.2carpros.com/articles/how-to-check-wiring

If there is a specific problem you are experiencing, let me know. Maybe we can fix something rather than rewiring everything.

Let me know if this helps or if you have other questions.

Take care,

Joe

See pics below.
Was this
answer
helpful?
Yes
No
Sunday, April 25th, 2021 AT 9:12 PM

Please login or register to post a reply.