Monday, December 17th, 2012 AT 7:27 PM
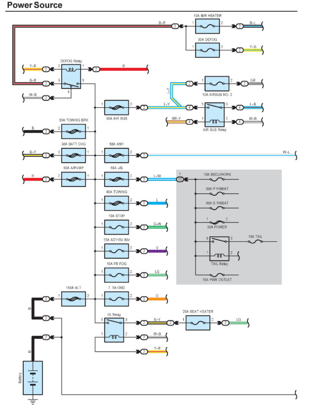
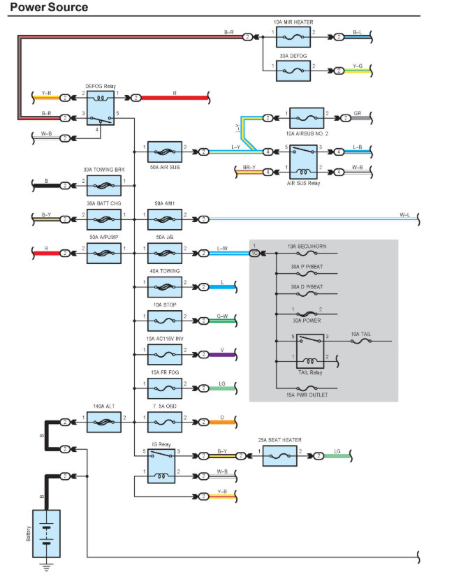
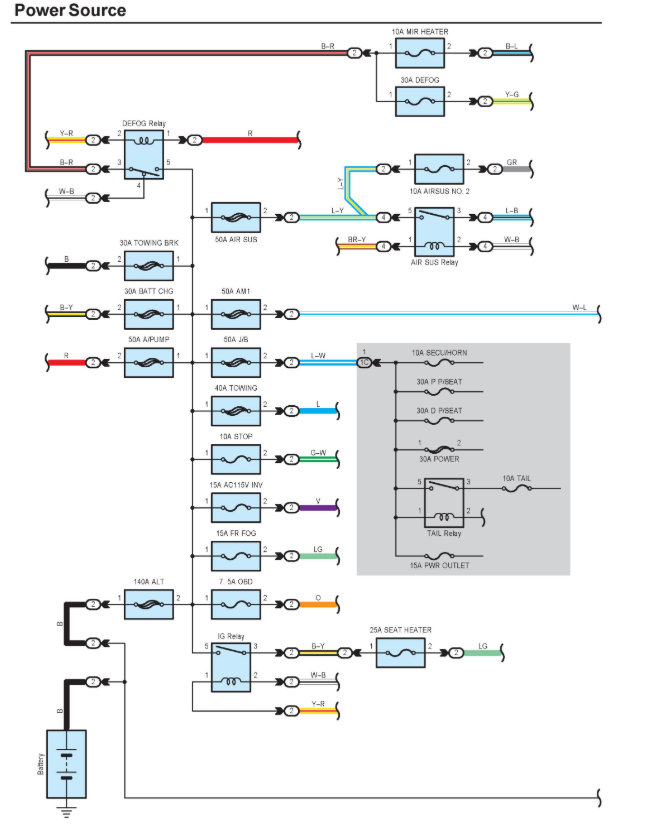
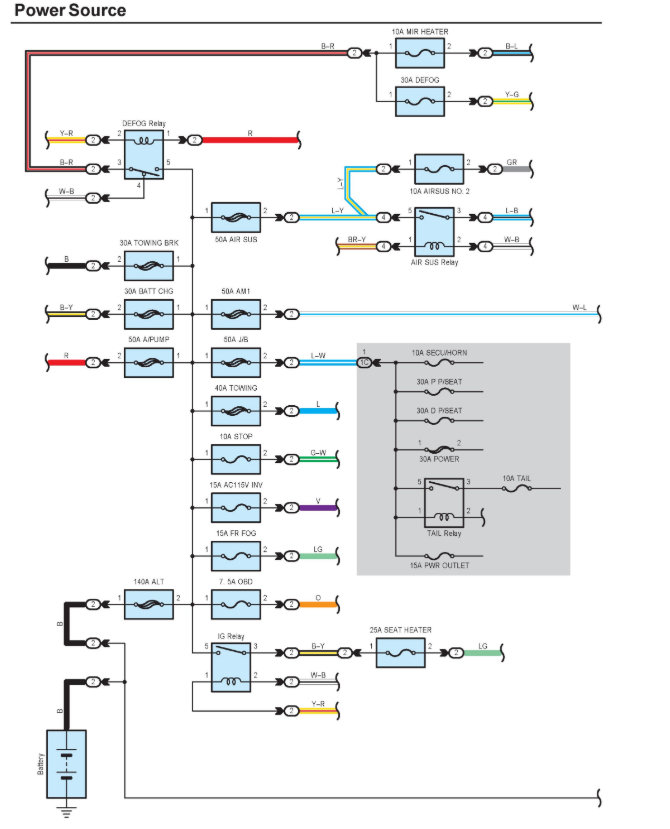
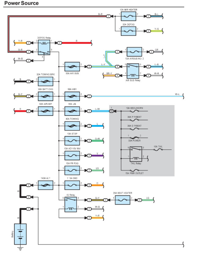
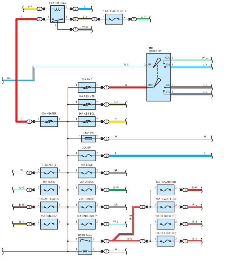
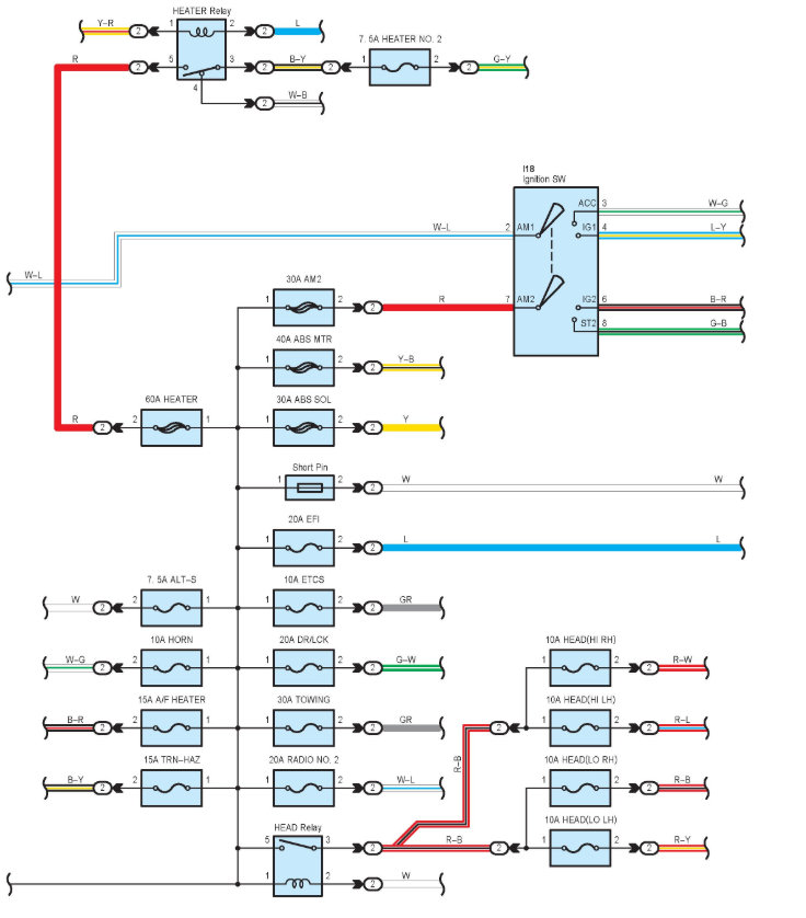
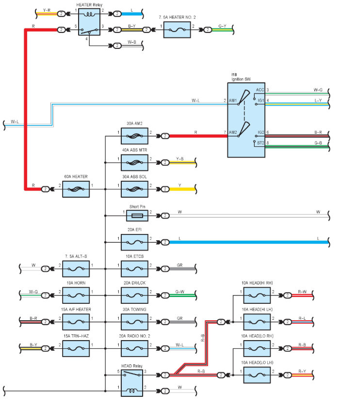
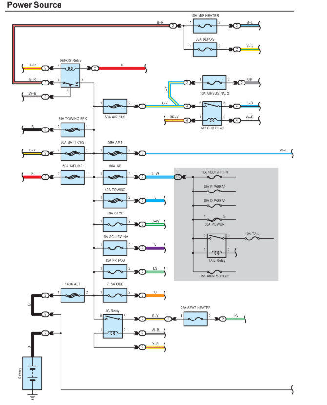
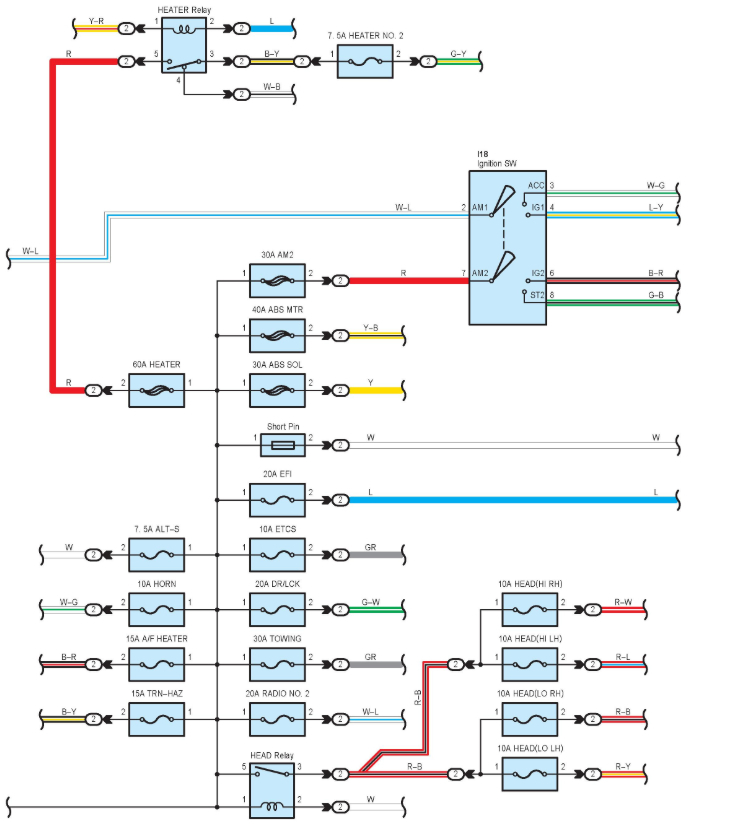
What fuse controls the rear window defroster/defogger? My book says it is #15 (30A fuse) in the engine compartment fuse box but I checked it and it looks fine. Trying to figure out why mine stopped working.













