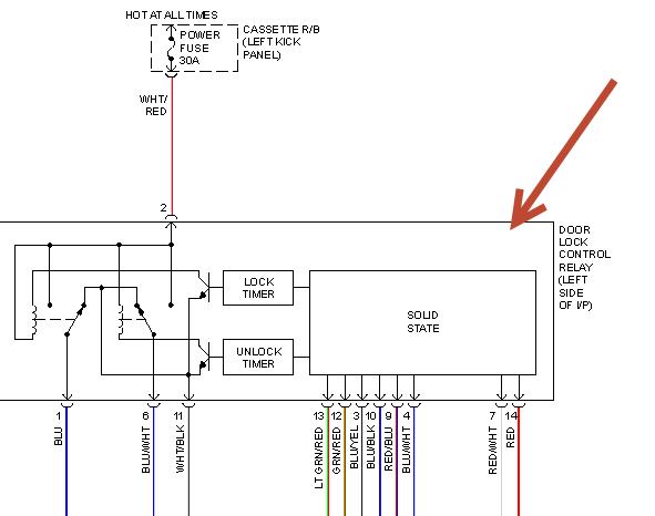
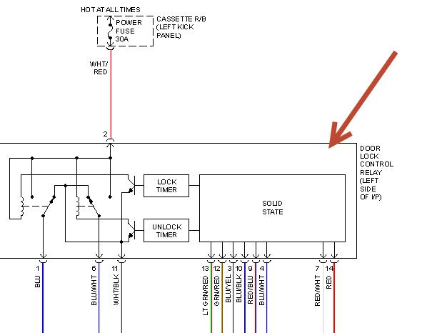
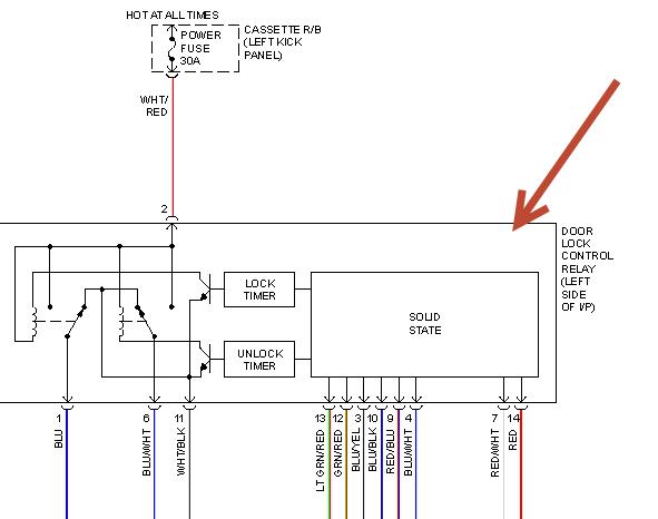
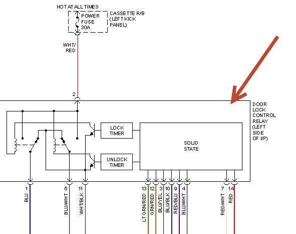
also no panal lights.
possible solutions?
all fuses good no visible damaged or disconnected wires.
thank u. This is my only vehicle and I am the single mother of an 8 & 5 yr old. Need it for transporting them to school and going to work. Also how do u replace front CV axles and besides the half shaft axle are there any bearings, parts, or special tools I need to do the job?
Friday, September 6th, 2013 AT 1:40 AM

