Fuse panel find the radio fuse?

Tiny
MYTAURUS77
  • MEMBER
  • 2007 PONTIAC GRAND PRIX
  • 91,137 MILES
I'm trying to find the radio fuse inside the fuse box?
Saturday, March 17th, 2012 AT 8:28 PM

21 Replies

Tiny
DANNY L
  • MECHANIC
  • 5,648 POSTS
Hello, I'm Danny.

The radio-amplifier fuse is located in the instrument panel fuse block on the right side of the dash board door jamb area. Here is a tutorial show how to test and replace a fuse:

https://www.2carpros.com/articles/how-a-car-fuse-works

https://www.2carpros.com/articles/how-to-check-a-car-fuse

I've attached a picture below of the instrument panel fuse block location and the location of the radio fuse circled in red. Hope this helps and thanks for using 2CarPros.
Was this
answer
helpful?
Yes
No
Friday, February 5th, 2021 AT 12:05 PM
Tiny
JMILLICHAMP
  • MEMBER
  • 3 POSTS
  • 2005 PONTIAC GRAND PRIX
Was driving the other day and realized that my automatic lights weren't coming on. Brights work as well as the fog lights, but not the regular headlights. I was told that it was probably a popped fuse. I don't have the owner's manual because when I bought the car it didn't have one. I opened the fuse panel on the passenger side but I don't see anything that looks like it pertains to the headlights. What fuse should I replace? Is it a fuse problem?
Was this
answer
helpful?
Yes
No
-1
Sunday, February 7th, 2021 AT 9:04 AM (Merged)
Tiny
CRZYDRVR
  • MEMBER
  • 432 POSTS
There may be a fuse panel in the engine compartment. Has that been checked yet?
Was this
answer
helpful?
Yes
No
Sunday, February 7th, 2021 AT 9:04 AM (Merged)
Tiny
JMILLICHAMP
  • MEMBER
  • 3 POSTS
Yeah, I found the fuse box under the hood. Both of the fuses appear to be fine. I guess the relay might be the issue?
Was this
answer
helpful?
Yes
No
Sunday, February 7th, 2021 AT 9:04 AM (Merged)
Tiny
CRZYDRVR
  • MEMBER
  • 432 POSTS
Check the power and grounds to make sure they are good. Have you tried another bulb to make sure that the low beams are not jusy burnt out? Sometimes people do not realize that they have a headlight burnt out, then the other blows. It sounds silly, but I have been doing repairs for quite some time and at this point in time not much can surprise me. But any way put a test light to the fuse when it is in the panel. If good, test for power & grounds out to the plug in.
Was this
answer
helpful?
Yes
No
Sunday, February 7th, 2021 AT 9:04 AM (Merged)
Tiny
JMILLICHAMP
  • MEMBER
  • 3 POSTS
Ok, I checked my fuses and they were fine. I went to O'Reillys to get a new relay, but they don't carry the relay for my model but they told me that the relay for the A/C unit is the same, so if I wanted to test it I could just swap them, so that's what I did and the lights still didn't work, but my A/C did. So it's not the relay either. The guy at O'Reilly's asked me if my lights had possibly burnt out, but unless they both went at exacty the same time I doubt that. I know that I didn't have a burnt out bulb because I always end up parking behind a car on my street at night and I can see the reflection of both of my headlights.
So now I'm really puzzled. I'd rather not drive the car to the dealership because they love to charge ridiculous amounts for petty things.
Was this
answer
helpful?
Yes
No
Sunday, February 7th, 2021 AT 9:04 AM (Merged)
Tiny
WIZBOWL
  • MEMBER
  • 1 POST
  • 2002 PONTIAC GRAND PRIX
  • 6 CYL
  • FWD
  • AUTOMATIC
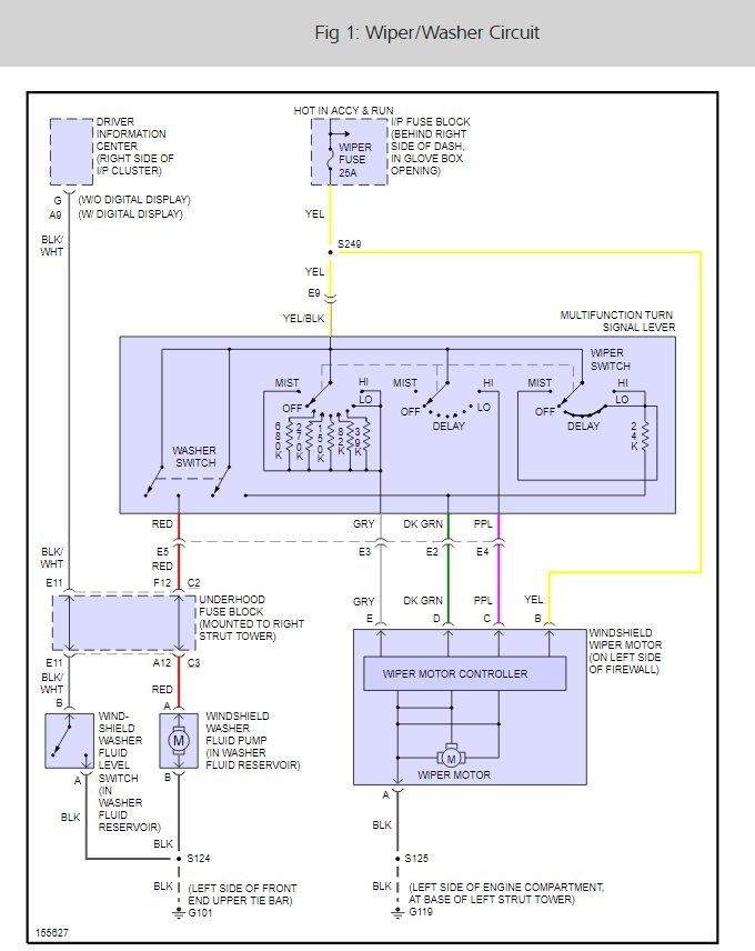
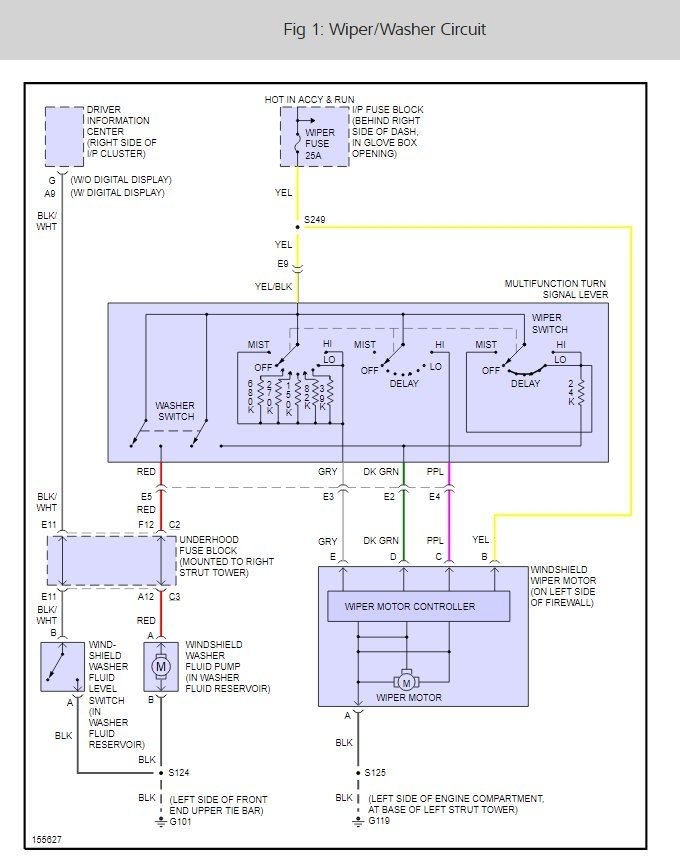
Have replaced the washer motor but still does not work. All connections are good. Need to know where to locate the fuse for the pump.
Was this
answer
helpful?
Yes
No
Sunday, February 7th, 2021 AT 9:05 AM (Merged)
Tiny
JDL
  • MECHANIC
  • 16,098 POSTS
Not only check the fuse, use a voltage tester on the fuse circuit, goes hot when you turn on the key.

Here is a guide to help with the fuse panel location and identifications below.

https://www.2carpros.com/articles/how-to-check-a-car-fuse

Check out the diagrams (Below). Please let us know if you need anything else to get the problem fixed.

Was this
answer
helpful?
Yes
No
+1
Sunday, February 7th, 2021 AT 9:05 AM (Merged)
Tiny
SWEET_N_SASSY
  • MEMBER
  • 5 POSTS
  • 2002 PONTIAC GRAND PRIX
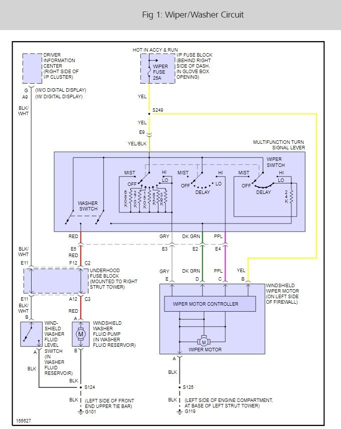
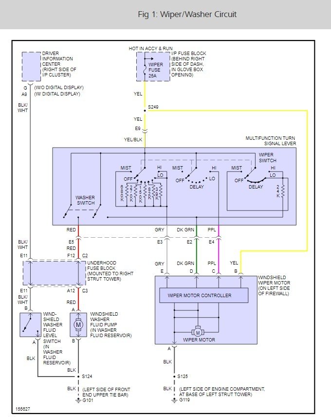
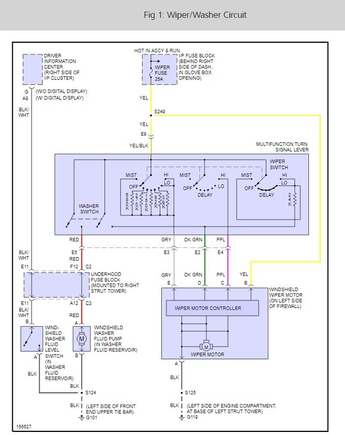
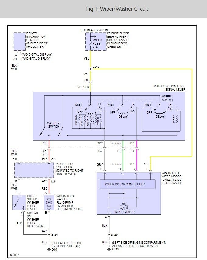
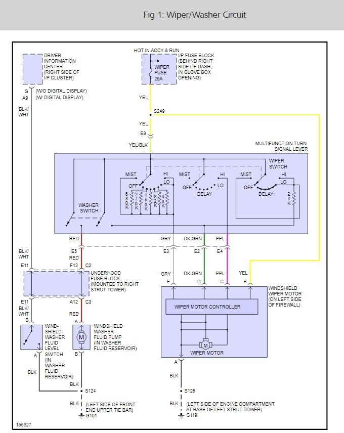
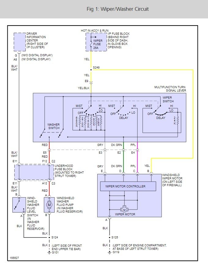
My car has 57650 miles. Earlier this year I had a leak on the passenger side floor board the leak originated from the left hand side and traveled (it was caused by the drains by the wipers being clogged) it seems since then my windshield washer has not worked.

It makes no noise when activated. I am starting with the small stuff first before I take it in to get fixed.

It is full of washer fluid.

I cant find the fuses and I didn't find one for the washer pump.

It makes no noise at all?

There are two little panels on each side that can be removed and I have done so, but the only thing there is (drivers side) is some kind of wiring that plugs into outlets and on the passenger side there is nothing there.

I have looked in my owners manual and it don't say anything about a fuse for the washer pump and people say there is AND THIS IS WHY I AM CONFUSED

Please help I am at my wits end with this!
Was this
answer
helpful?
Yes
No
Sunday, February 7th, 2021 AT 9:05 AM (Merged)
Tiny
KEN L
  • MASTER CERTIFIED MECHANIC
  • 55,281 POSTS
Hello,

Here are some guides and wiring diagrams to help you find the fuse as well as the wiring diagrams for the windshield washer.

https://www.2carpros.com/articles/how-to-check-a-car-fuse

and

https://www.2carpros.com/articles/how-to-use-a-test-light-circuit-tester

If the pump motor is bad here is a guide that will show you what you are in for when doing the job.

https://www.2carpros.com/articles/how-to-replace-a-windshield-washer-pump

Please let us know if you need anything else to get the problem fixed.

Cheers, Ken
Was this
answer
helpful?
Yes
No
Sunday, February 7th, 2021 AT 9:05 AM (Merged)
Tiny
DHEBS
  • MEMBER
  • 1 POST
  • 2002 PONTIAC GRAND PRIX
Electrical problem 6 cyl Two Wheel Drive Automatic 105400 miles

i recently bought a small defrost heater to plug into the lighter but I have a dual outlet extension so I can use 2 outlets I plugged in the heater then my radar detector when I plugged in the radar the fuse blew I dont have the owners manual and the fuse panel has no diagram I dont know which fuse is blown can you help me or tell me where to find the diagram? Thanks Dave
Was this
answer
helpful?
Yes
No
Sunday, February 7th, 2021 AT 9:05 AM (Merged)
Tiny
KEN L
  • MASTER CERTIFIED MECHANIC
  • 55,281 POSTS
Hello,

Here is a guide and the fuse panel locations and identifications

https://www.2carpros.com/articles/how-to-check-a-car-fuse

Check out the diagrams (Below)

Please let us know if you need anything else to get the problem fixed.

Cheers, Ken
Was this
answer
helpful?
Yes
No
Sunday, February 7th, 2021 AT 9:05 AM (Merged)
Tiny
WILL BRAY BROWNDY
  • MEMBER
  • 1 POST
  • 1998 PONTIAC GRAND PRIX
  • 168,000 MILES
I am missing the fuse panel diagram under the dash. Where could I get a diagram of it? And also my dome lights have hanging plugs. I need to know where they plug into.
Was this
answer
helpful?
Yes
No
Sunday, February 7th, 2021 AT 9:05 AM (Merged)
Tiny
ASEMASTER6371
  • MECHANIC
  • 52,796 POSTS
Good evening.

Attached is the legend for the instrument panel fuse block. Can you post a picture and location of the wires? Check out the diagrams (Below). Please let us know if you need anything else to get the problem fixed.
Was this
answer
helpful?
Yes
No
Sunday, February 7th, 2021 AT 9:05 AM (Merged)
Tiny
ALVIN49
  • MEMBER
  • 3 POSTS
  • 1998 PONTIAC GRAND PRIX
  • 6 CYL
  • FWD
  • AUTOMATIC
  • 140,000 MILES
Yesterday I submitted a question and made a donation.I received email said I had a new message but am not seeing anything however I did receive a schematic on the wiring with no explanation.
I have 1 row of fuses out with no power to brake lights, cig. Lighter, dome lights. All the fuses in the fuse box and the bigger ones in the relay control center on the firewall are good.I do not have a lot of money to take to repair shop. This is the question I posed yesterday.I am being told that the problem is probably between the relay control box and the fuse
box. Any thoughts?
Was this
answer
helpful?
Yes
No
Sunday, February 7th, 2021 AT 9:05 AM (Merged)
Tiny
MERLIN2021
  • MECHANIC
  • 17,250 POSTS
Yes, you might have to ubolt the underhood fuse box, check the wires from that battery 1 fuse (60amp), it sounds like the power wire of that circuit is grounding on metal, or the other wire in the circuit(ground).
Was this
answer
helpful?
Yes
No
Sunday, February 7th, 2021 AT 9:06 AM (Merged)
Tiny
PRERUNNER
  • MEMBER
  • 1 POST
  • 1997 PONTIAC GRAND PRIX
  • 6 CYL
  • FWD
  • AUTOMATIC
  • 135,462 MILES
I need to know where to get a list of where my fuses are in the fuse block. I have one fuse that blows as soon as I put a new on in. Its on the top row and I cant remeber if its the first, second, or third one from the left. All help would be great! Thank you for your time. Oh sorry one more thing. Icant get my obd 2 scanner to read. It says it needs to be hooked to the car. I have it hook up but dont know why it would say that.
Was this
answer
helpful?
Yes
No
Sunday, February 7th, 2021 AT 9:06 AM (Merged)
Tiny
BLUELIGHTNIN6
  • MECHANIC
  • 16,542 POSTS
Probably a fuse blown that is causing the scanner not to be reading the computer.

Below is your fuse panel(s) legend/description:

INSTRUMENT PANEL


https://www.2carpros.com/forum/automotive_pictures/261618_Noname_83.jpg




https://www.2carpros.com/forum/automotive_pictures/261618_Noname2_32.jpg



UNDERHOOD ELECTRICAL CENTER


https://www.2carpros.com/forum/automotive_pictures/261618_Noname_84.jpg




https://www.2carpros.com/forum/automotive_pictures/261618_Noname2_33.jpg



Images are little small. If you can't read some/all, let me know and I will e-mail the image to you.

Hope this helps..
Thanks for using 2carpros.com!
Was this
answer
helpful?
Yes
No
Sunday, February 7th, 2021 AT 9:06 AM (Merged)
Tiny
LADYREBEL4
  • MEMBER
  • 2 POSTS
  • 1995 PONTIAC GRAND PRIX
  • 200,000 MILES
Modle SE with 3.1L engine
The positive cable into the auxillary jump point has overheated and melted the plastic underneath it and there is scarring on the protective cap.
The morning I noticed this the car started freaking out while I was driving, the instrument panel lights and radio fading in and out and the speedometer would just take off without and increase in power and the car sputtered like it was going to die, though thankfully it kicked back in and I made it to my destination.
I went to the salvage yard and was able to acquire a replacement part. It looks like it should be simple enough to replace, however I am concerned as common sense does not appear to have been an ingredient in the design of this car.
Will I be able to simply unplug the many wires and insert them into the new box? Or is it going to be more difficult than that?
Also is there potentially another problem that would have caused this cable to overheat causing the melting and subsequent issues.
Any help here is greatly appreciated as the repair manual does not address the replacement of such parts or any information about these components at all.
Thank you
Was this
answer
helpful?
Yes
No
Sunday, February 7th, 2021 AT 9:06 AM (Merged)
Tiny
CARADIODOC
  • MECHANIC
  • 34,463 POSTS
It sounds like you're planning on replacing the entire under-hood fuse box. Is that right? Would it be possible to just use pieces of the replacement to replace just what's burned? The burning / melting occurs when there's a poor or corroded electrical connection. Current through the bad connection generates heat, and that heat degrades the connection further. It's a viscous circle. To prevent a repeat failure, use sandpaper or a wire brush to shine up all terminals and connections so they make good contact.
Was this
answer
helpful?
Yes
No
Sunday, February 7th, 2021 AT 9:06 AM (Merged)

Please login or register to post a reply.