Engine Wont start

Tiny
TECHNOLOGYSUCKS
  • MEMBER
  • 2007 PONTIAC G5
  • 2.2L
  • 4 CYL
  • FWD
  • MANUAL
  • 195,000 MILES
I just had my ignition switch changed about a week ago, now my car wont start. I have charged the battery and tested it and it says its fine. The light come on it the car but it wont start I have had it on diagnostics but still couldn't tell me why it wouldn't start alternator and starter are fine. Can someone please tell me things the try to fix it before I have to take it into the gm dealer. I'll try anything before I take it in there
Please.
Saturday, November 1st, 2014 AT 3:22 PM

1 Reply

Tiny
KEN L
  • MASTER CERTIFIED MECHANIC
  • 55,428 POSTS
This sounds like a classic crankshaft angle sensor that has gone bad. To be sure let's check to see if the engine has ignition spark.

https://www.2carpros.com/articles/how-to-test-an-ignition-system

and

https://www.2carpros.com/articles/car-cranks-but-wont-start

If no spark I would change the sensor here is a guide to give you an idea of how the job is done.

https://www.2carpros.com/articles/crankshaft-angle-sensor-replacement

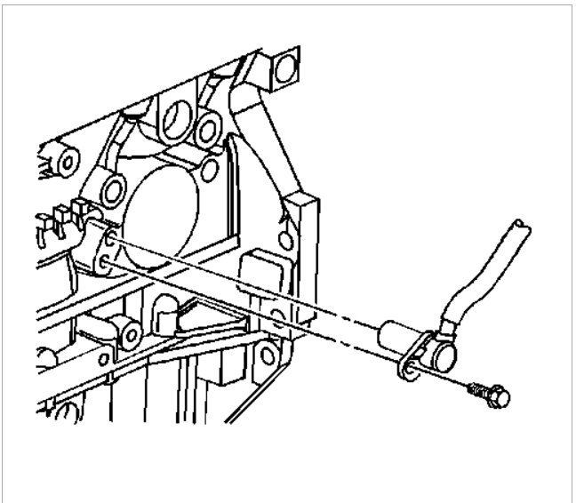
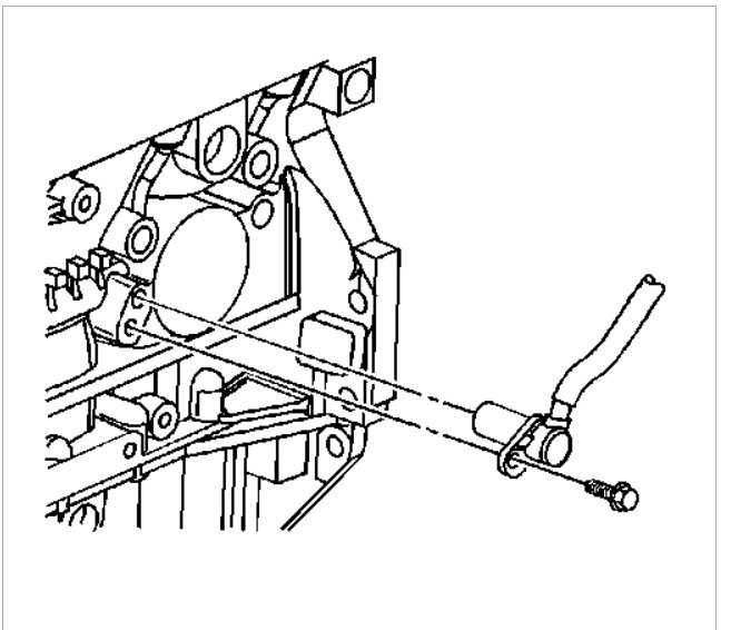
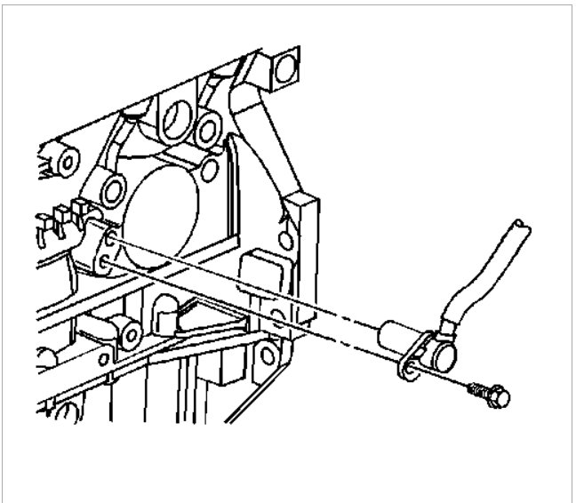
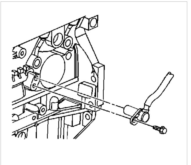
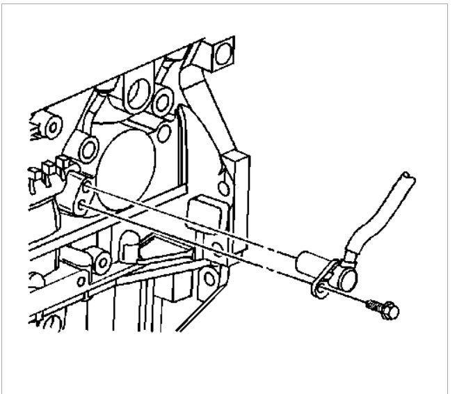
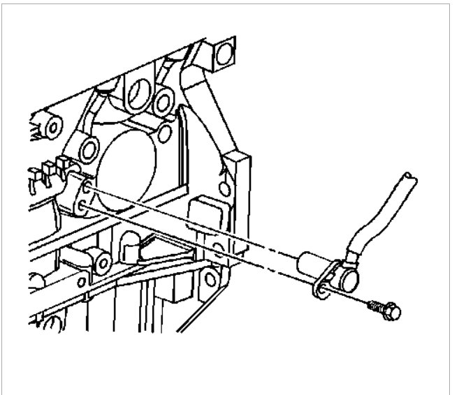
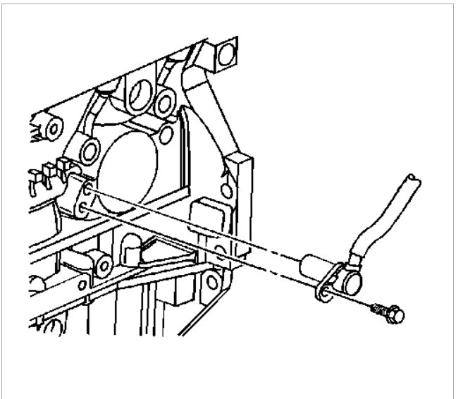
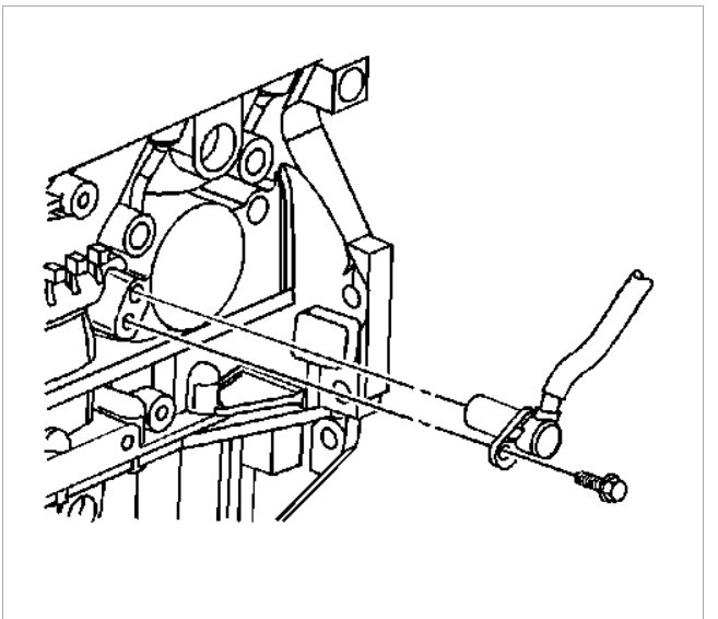
Here is how the sensor is changed on your car (below) I included both engines just in case.

Please let us know what you find.

Cheers, Ken
Was this
answer
helpful?
Yes
No
+1
Wednesday, November 8th, 2017 AT 6:11 PM

Please login or register to post a reply.