No Starter

Tiny
BILBOBAGGENS
  • MEMBER
  • 2007 CHEVROLET MALIBU
  • 2.2L
  • 4 CYL
  • 2WD
  • AUTOMATIC
  • 100 MILES
Car will turn over from starter but not from the switch. My car is the LT model.
Friday, February 23rd, 2018 AT 2:13 PM

1 Reply

Tiny
STEVE W.
  • MECHANIC
  • 15,706 POSTS
What does/does not it do when you use the switch? Do the dash lights come on when you put the switch in the run position? What do they do when you move to the start position?
What does the security light do? If it stays on you have a security issue and will need a good scan tool to test that part of the system.

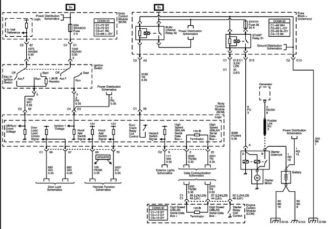
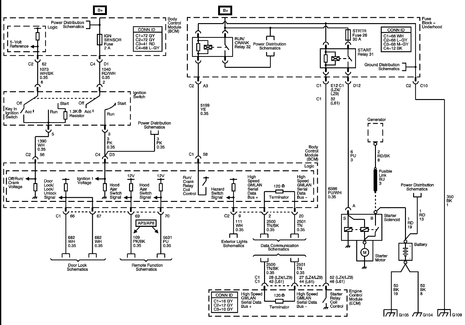
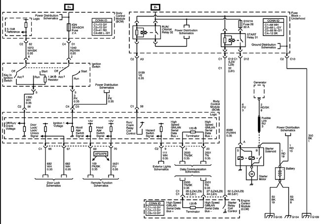
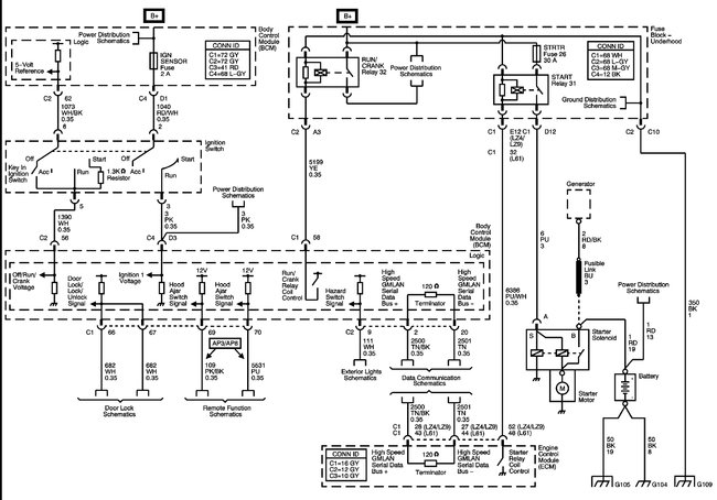
If no security light, Check fuse 26, it provides power to the starter through the starter relay. Check to see if the starter relay is operating, does it click when the key is turned to the start position? If it does then check the socket it is in for power using a test light. It is possible the fuse is good but there is a fault in the fuse box itself and the power is not getting to or through the relay. Try swapping the relay with a spare (if you still have one, many do not)
If the relay is clicking disconnect the wire from the S terminal (this is the small wire on the solenoid not the larger battery wires) See if you are getting battery voltage there when you try to start it. If you get nothing follow the wire back up to the fuse panel looking for damage/bad connections.
Was this
answer
helpful?
Yes
No
Friday, January 29th, 2021 AT 9:52 AM

Please login or register to post a reply.