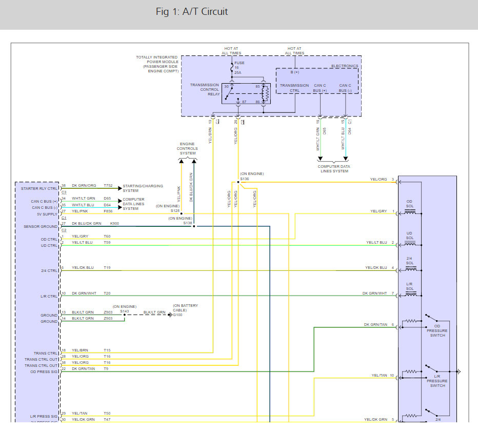
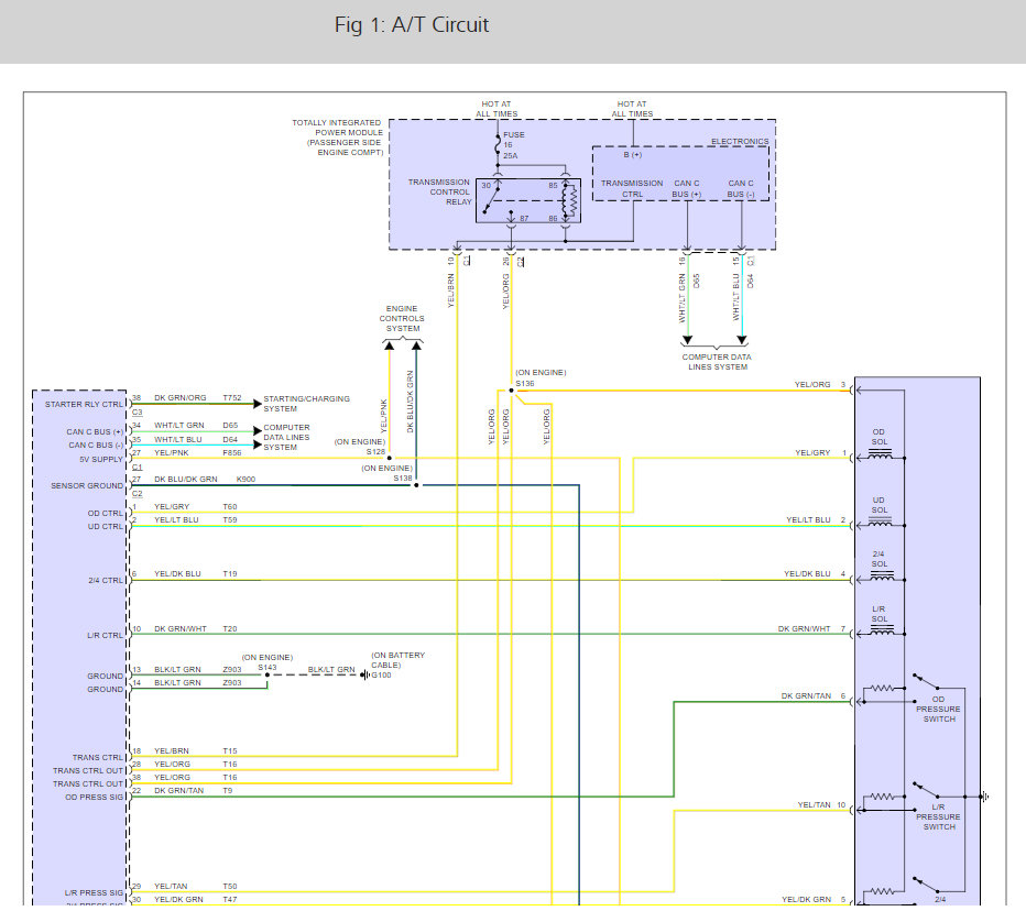
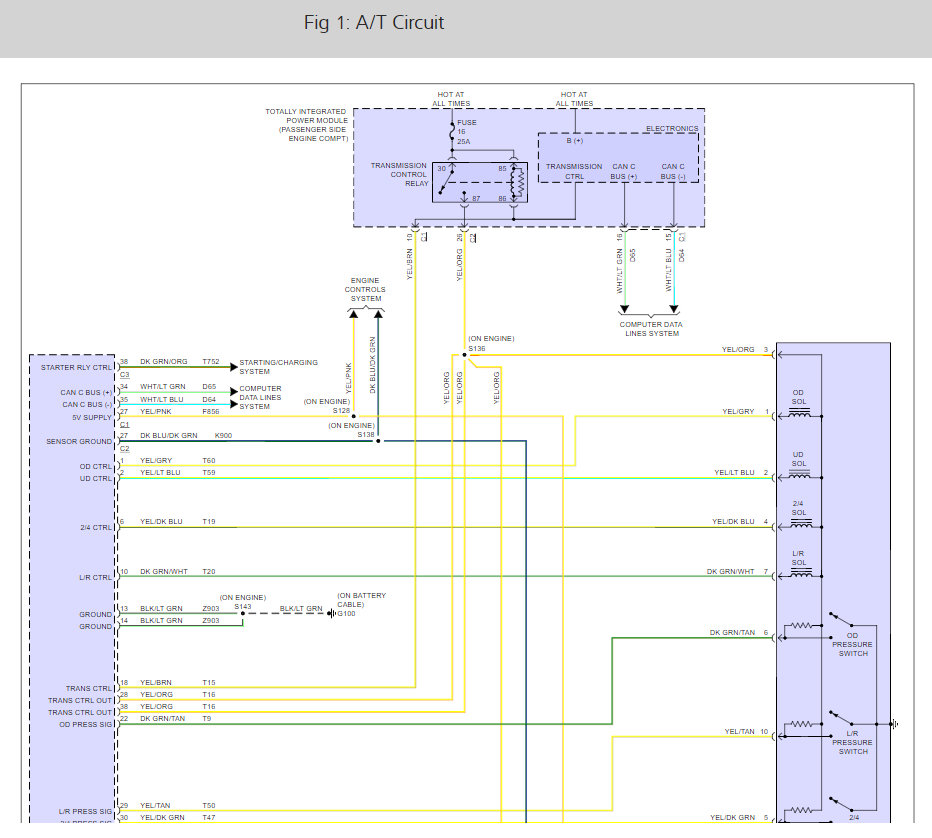
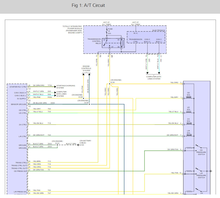
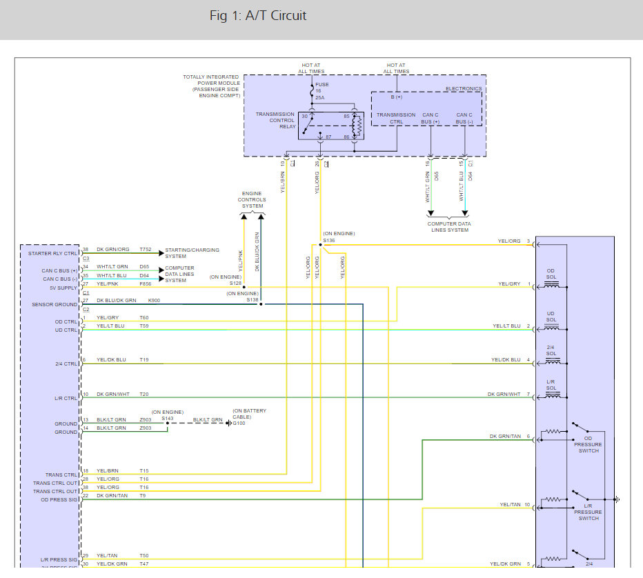
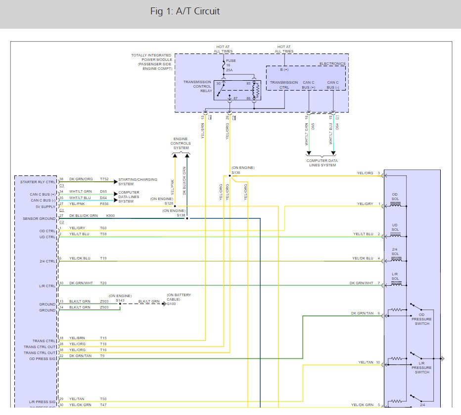
This is resulting in my Automatic transmission going into “limp in mode” (per Chrysler), which means the transmission will never shift out of second gear.
Is this a common problem, or is there a most likely cause?
Thursday, August 9th, 2012 AT 9:01 PM









