Dash lights not working?

Tiny
MNEMENTH
  • MEMBER
  • 2007 HYUNDAI SANTA FE
  • 6 CYL
  • AWD
  • AUTOMATIC
  • 140,000 MILES
Dash/instrument lights don't work. Switch, rheostat, fuses all seem to check out. Recently replaced CD player, but lights worked after that. No other obvious electrical problems.
Saturday, November 23rd, 2013 AT 5:02 PM

12 Replies

Tiny
SATURNTECH9
  • MECHANIC
  • 30,869 POSTS
Hello,

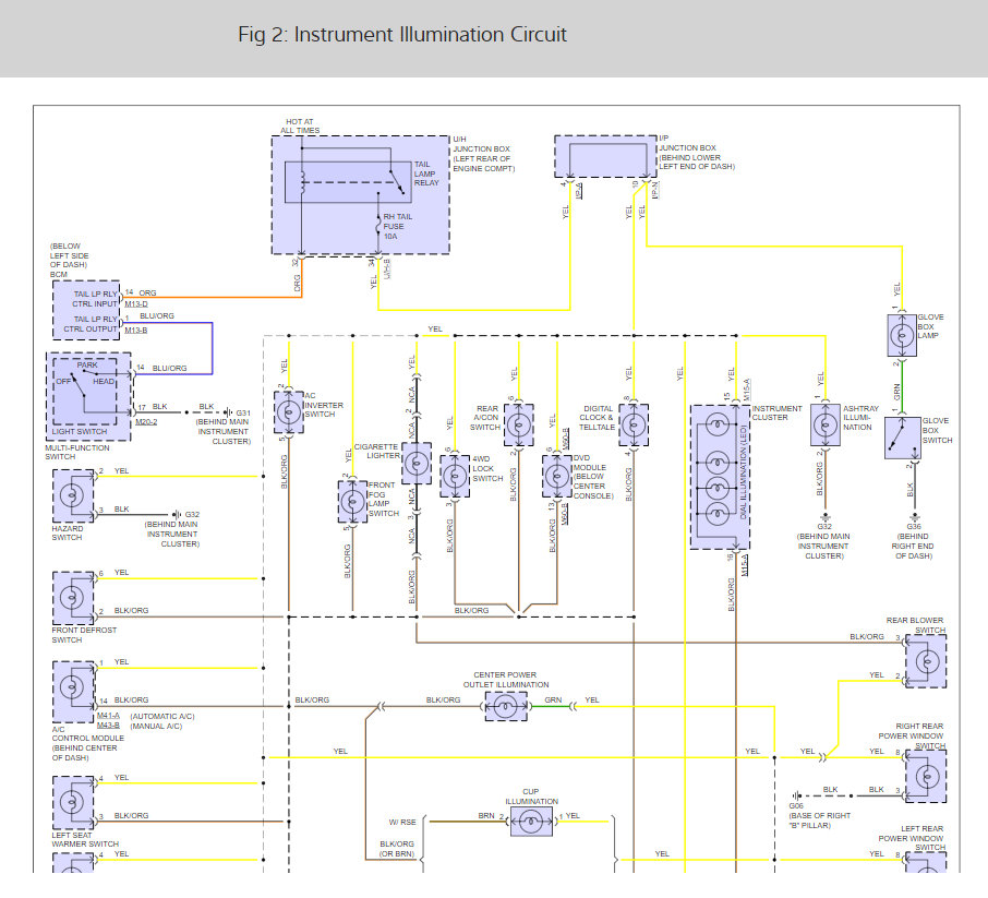
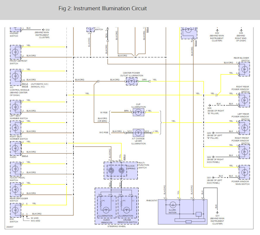
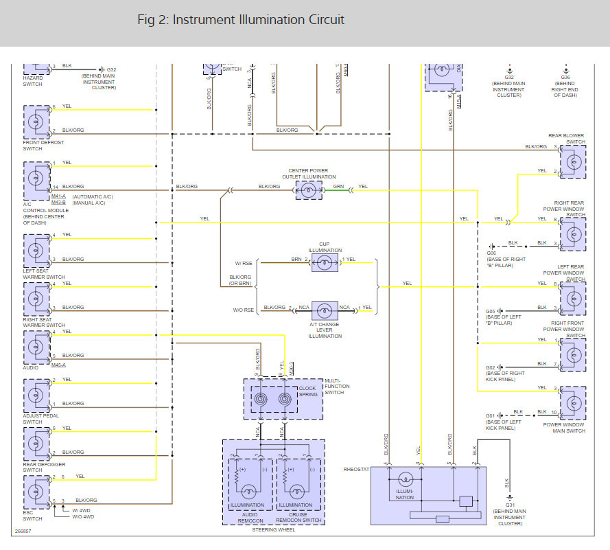
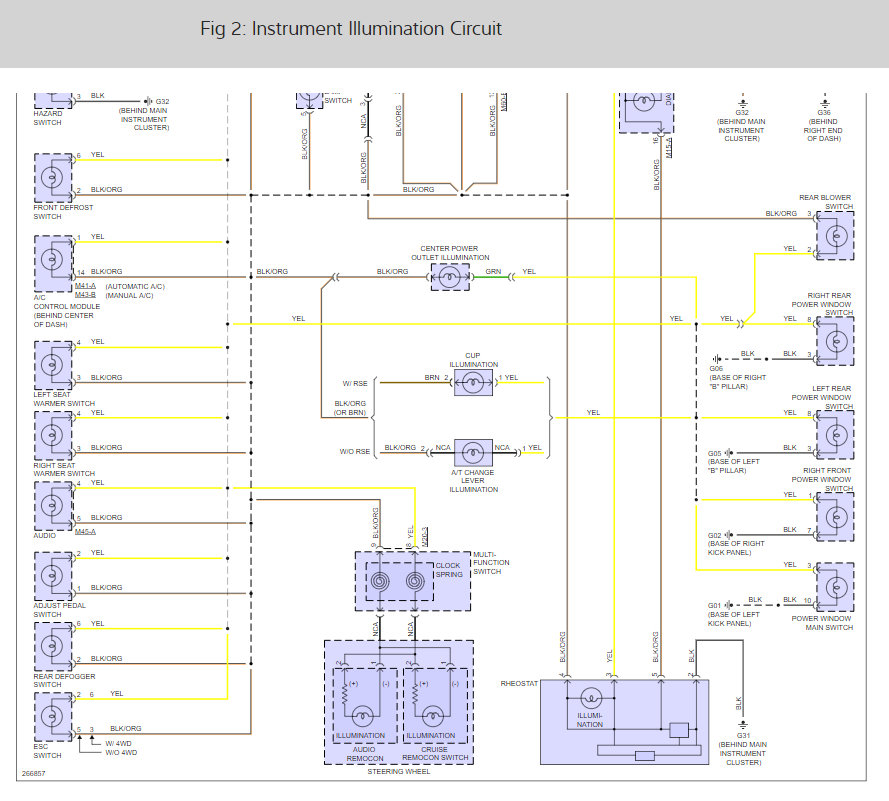
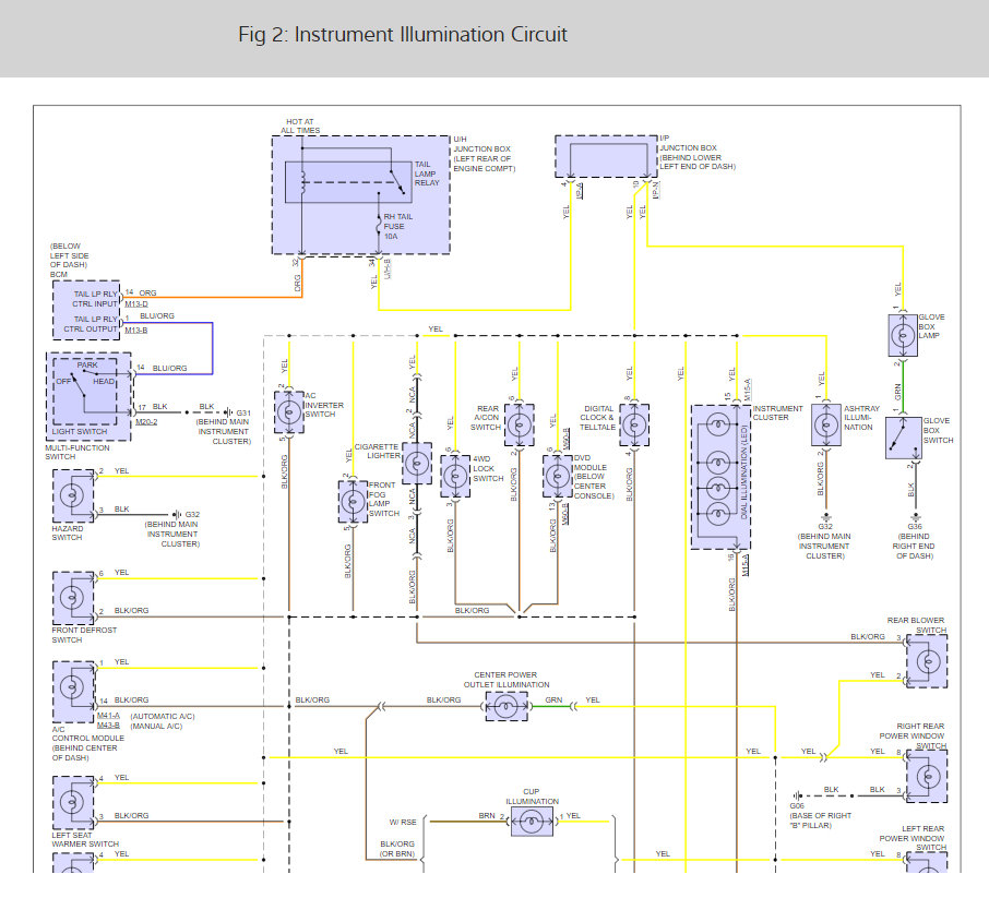
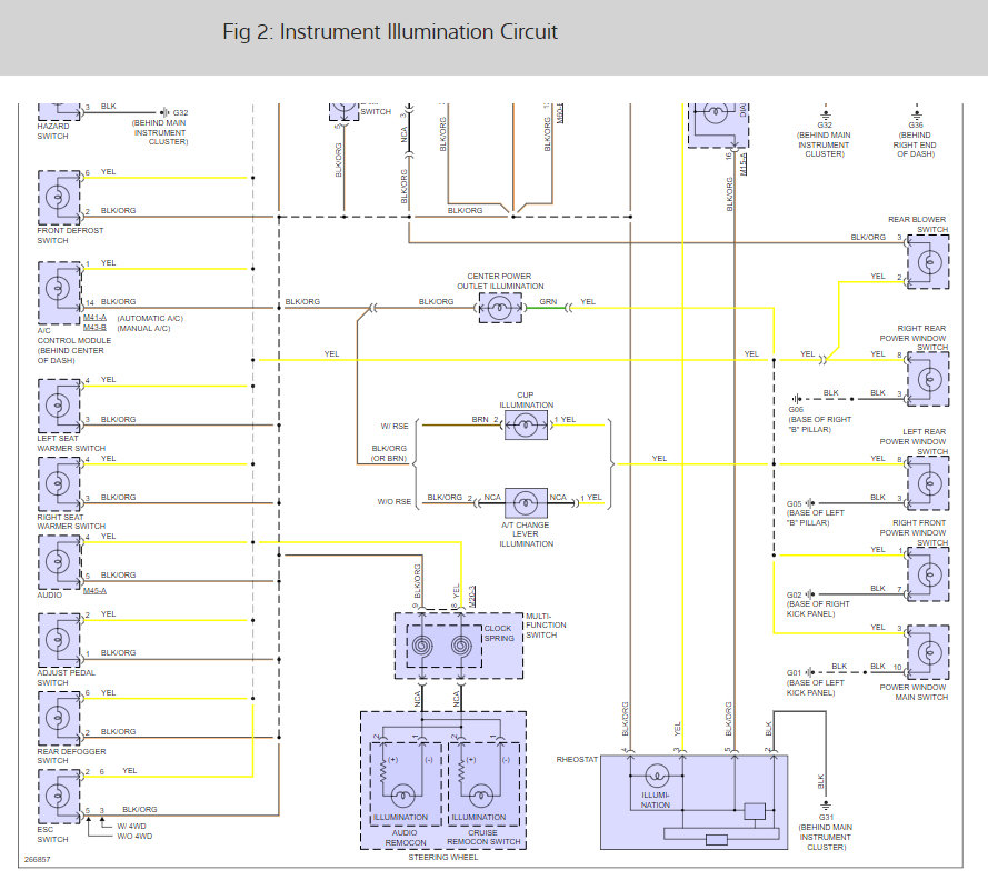
There is a tail lamp relay that needs to be checked here is a guise to help us get started and the location of the relay in the diagrams below with wiring diagrams so you can see how the system works.

https://www.2carpros.com/articles/how-to-check-an-electrical-relay-and-wiring-control-circuit

Check out the diagrams (Below). Please let us know what you find. We are interested to see what it is.
Was this
answer
helpful?
Yes
No
Tuesday, November 26th, 2013 AT 8:51 AM
Tiny
SHANNON_PRIV
  • MEMBER
  • 1 POST
Get a new relay for $34.00 fixed it
Was this
answer
helpful?
Yes
No
+1
Thursday, February 7th, 2019 AT 7:12 PM
Tiny
ZARREYES
  • MEMBER
  • 1 POST
  • 2006 HYUNDAI SANTA FE
  • 3.7L
  • V6
  • AWD
  • AUTOMATIC
  • 130,000 MILES
My 2006 Hyundai Santa fe Limited approx 130000 miles. When I turn on the headlights the interior cluster lights wont turn on. I checked the fuses and they are good. I did notice that the radio lights didn't dim down though. The fog lights also won't turn own. I looked at the owner's manual and I notice it doesn't identify the 2 blue relays on the bottom of the fuse box is one of these 2 relays causing my problem.
Was this
answer
helpful?
Yes
No
Thursday, February 7th, 2019 AT 7:12 PM (Merged)
Tiny
TY ANDERSON
  • MECHANIC
  • 719 POSTS
The rheostat (instrument cluster illumination dimmer knob) controls the instrument cluster illumination and the radio illumination. If this dimmer is not working or the ground supplied to this dimmer is open will cause the lights no to work. So, if the relay (titled tail lamp relay") under the driver side dash is good and fuses are good. That leaves a wiring issue, instrument cluster or dimmer switch.

As for the fog lamps.
Check the 15a fuse in the under hood fuse block and relay. If these are good suspect burnt out bulbs, bad ground circuit, or an open circuit.
There is small black diode (a diode is a electrical one way gate, allows current to flow from point A to point B but not from point B to point A) for the fog lamp circuit. It is located under the driver side dash close to the fuse block it is usually taped up on one of the wiring harnesses under there.
I've seen more of these diodes stop working more than any thing else effecting the exterior and interior illumination.
Let me know what you find.
Was this
answer
helpful?
Yes
No
+2
Thursday, February 7th, 2019 AT 7:12 PM (Merged)
Tiny
GARYJENNIFER REBSCH
  • MEMBER
  • 1 POST
Hyundai did not put this information in the handbook and I have not seen it in manuals. The fog, gloive box, and dash lights are controlled via a fuse inside the interior fuse box on a fuse marked "Tail RH". I have seen a post saying it was under the "LH" as well. It is not marked fog, glove box or dash. Only Tail.
'
Was this
answer
helpful?
Yes
No
+12
Thursday, February 7th, 2019 AT 7:12 PM (Merged)
Tiny
KEN L
  • MASTER CERTIFIED MECHANIC
  • 55,450 POSTS
Hey GARY!

Nice input have a great new year buddy!

Best, Ken
Was this
answer
helpful?
Yes
No
+3
Thursday, February 7th, 2019 AT 7:12 PM (Merged)
Tiny
ROBFROMSC
  • MEMBER
  • 2 POSTS
GaryJennifer Rebsh nailed it. I had same problem. Looked at his post, found blown fuse for RH Tail Fog, et al. Fixed in a jiffy. Probably cost 40 cents for the fuse instead of mucho dinero for diagnosis and who knows what Thanks a bunch !
Was this
answer
helpful?
Yes
No
+1
Thursday, February 7th, 2019 AT 7:12 PM (Merged)
Tiny
STEVE W.
  • MECHANIC
  • 15,691 POSTS
Good to hear. You probably have an intermittent problem that blew the fuse. FYI most cars have the tail lights linked to the instrument panel lights in some way. The idea is that you would notice that the dash lights were out and realize that the tail lights are out as well.
Sadly they don't bother telling people this. Or that you can usually tell if a turn signal is out by the way the dash indicator and flasher work. If the dash indicator is flashing faster or slower on one side than the other (depends on if you have a mechanical or electronic flasher unit). Check the rear turn signal for that side. If you can hear the flasher but the dash indicator is out check the front bulb for that side.
Was this
answer
helpful?
Yes
No
+1
Thursday, February 7th, 2019 AT 7:12 PM (Merged)
Tiny
ROBFROMSC
  • MEMBER
  • 2 POSTS
Will do. Thanks
Was this
answer
helpful?
Yes
No
Thursday, February 7th, 2019 AT 7:12 PM (Merged)
Tiny
PAULINOZ
  • MEMBER
  • 1 POST
+1 for Gary. Wanted to post thanks and also on 2009 Santa Fe RHD this fuse is located under the bonnet/hood not inside. Hope this helps someone.
Was this
answer
helpful?
Yes
No
+1
Tuesday, August 16th, 2022 AT 9:38 PM
Tiny
GLENN MARASIGAN
  • MEMBER
  • 2 POSTS
I just registered to say thanks to Gary! Very helpful! I was looking at the manuals and kept looking at the fuse box both inside and under the hood. Never in a million years would I think that the taillight fuse would be tied with then instrument cluster lights and front clearance lights! Great community. Thank you again!
Was this
answer
helpful?
Yes
No
Saturday, January 27th, 2024 AT 2:43 AM
Tiny
KEN L
  • MASTER CERTIFIED MECHANIC
  • 55,450 POSTS
You are welcome, please use 2CarPros anytime we are here to help.
Was this
answer
helpful?
Yes
No
Saturday, January 27th, 2024 AT 10:43 AM

Please login or register to post a reply.