The battery light on?

Tiny
WILSONCREEKRD
  • MEMBER
  • 2007 FORD F-150
  • 11,000 MILES
The alternator needed to be replaced however after replacing the alternator twice, and also installing a new battery, the "idiot light", battery icon on the dash still blinks on for short periods while driving. The voltage gauge on the dash shows that the alternator is charging, and the truck has been starting and running fine. Is there a way to reset the battery icon light?
Thursday, October 4th, 2012 AT 12:21 AM

26 Replies

Tiny
DRCRANKNWRENCH
  • MECHANIC
  • 3,380 POSTS
Hello,

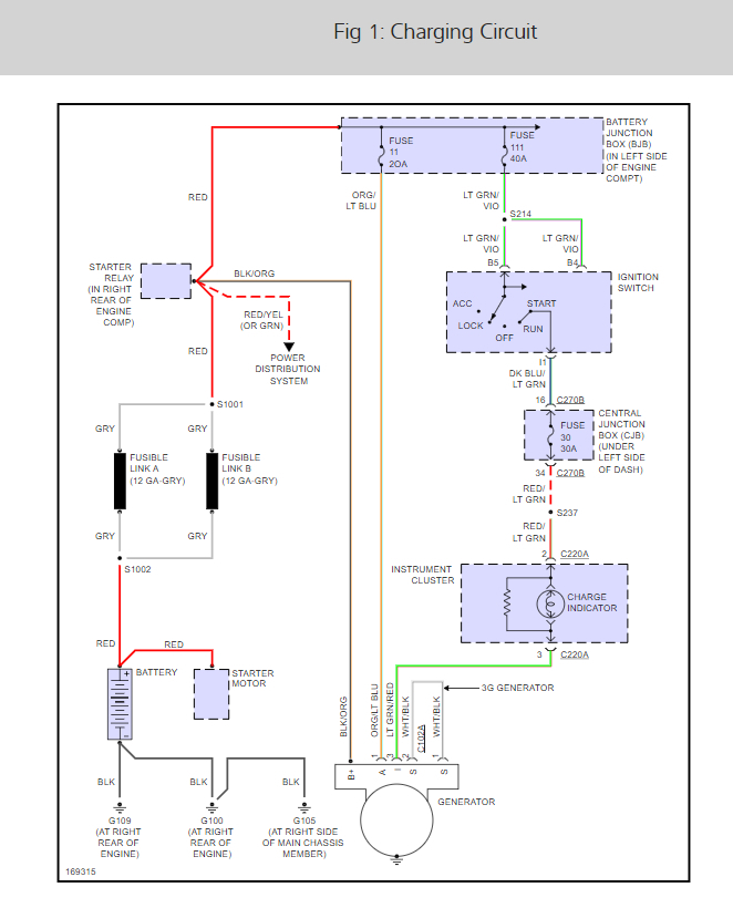
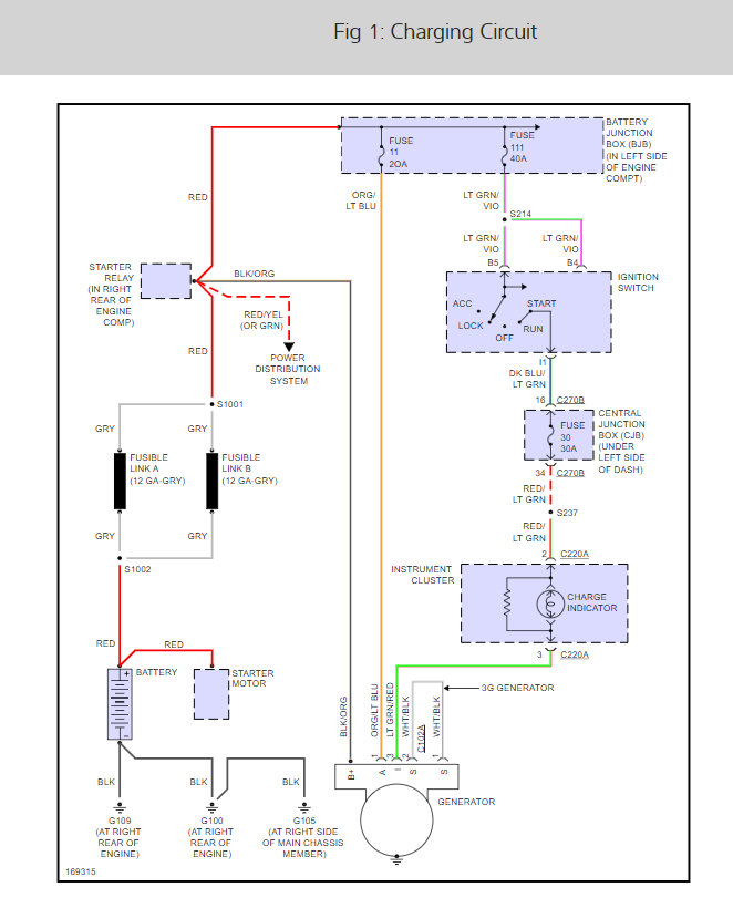
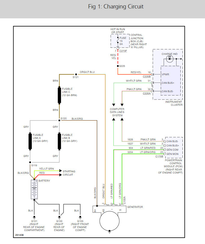
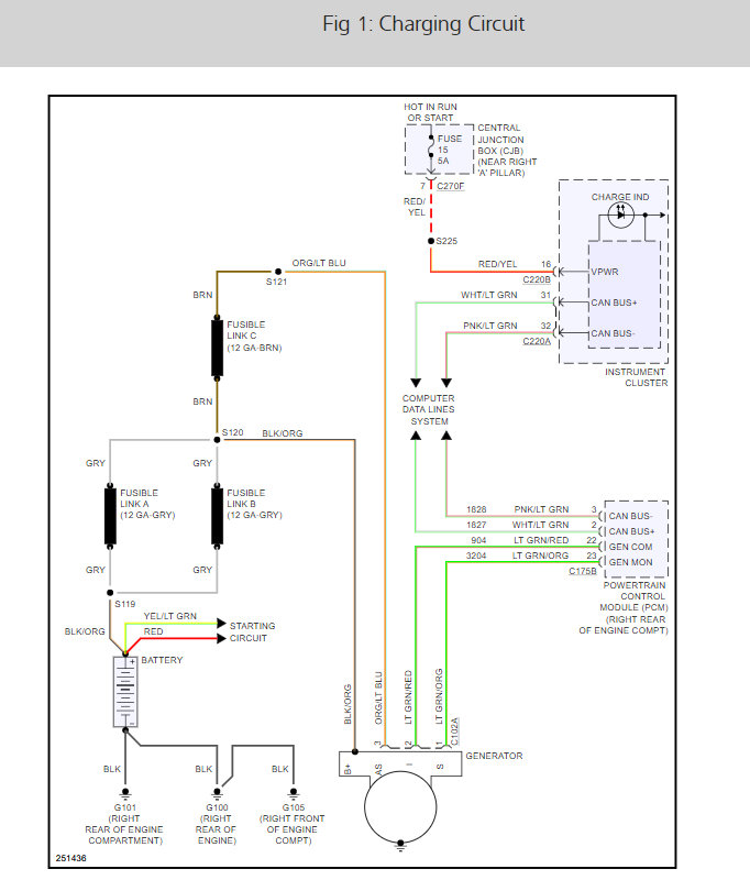
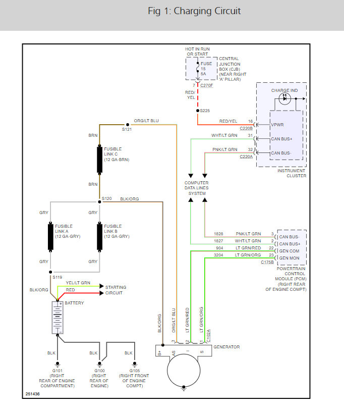
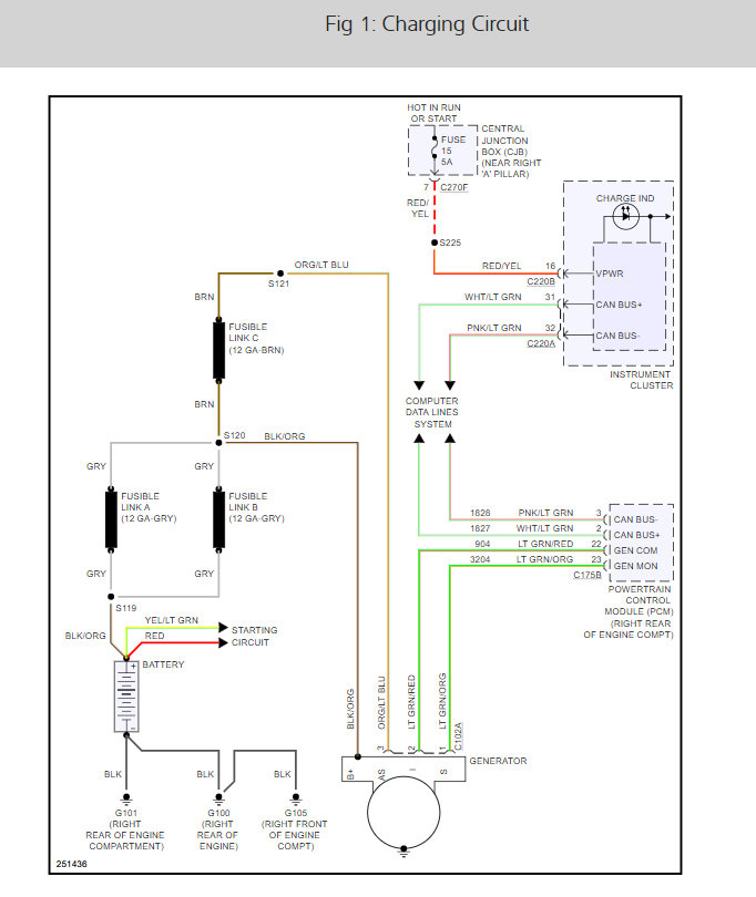
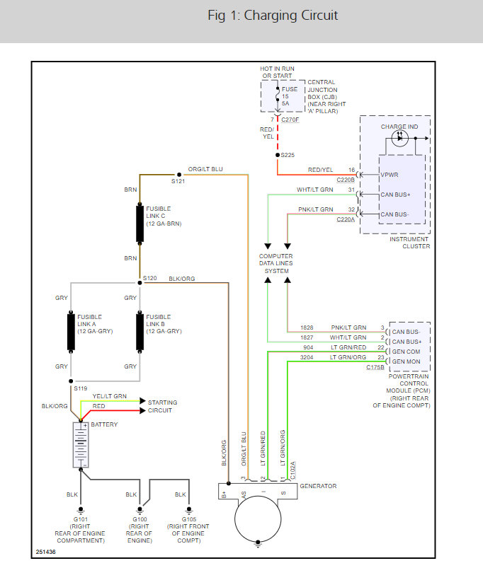
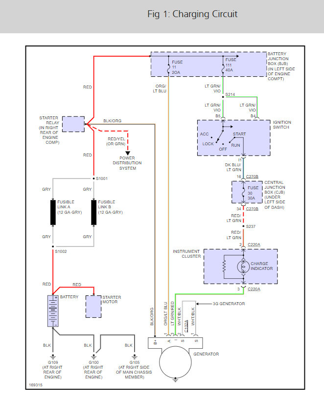
What happens is you need to use Motorcraft or AC Delco replacement parts in order for the truck to operate correctly. Here is a guide to help walk you through the steps of change the alternator and the wiring diagrams below so you can see how it works and a guide to help you test the connections as well.

https://www.2carpros.com/articles/how-to-replace-an-alternator

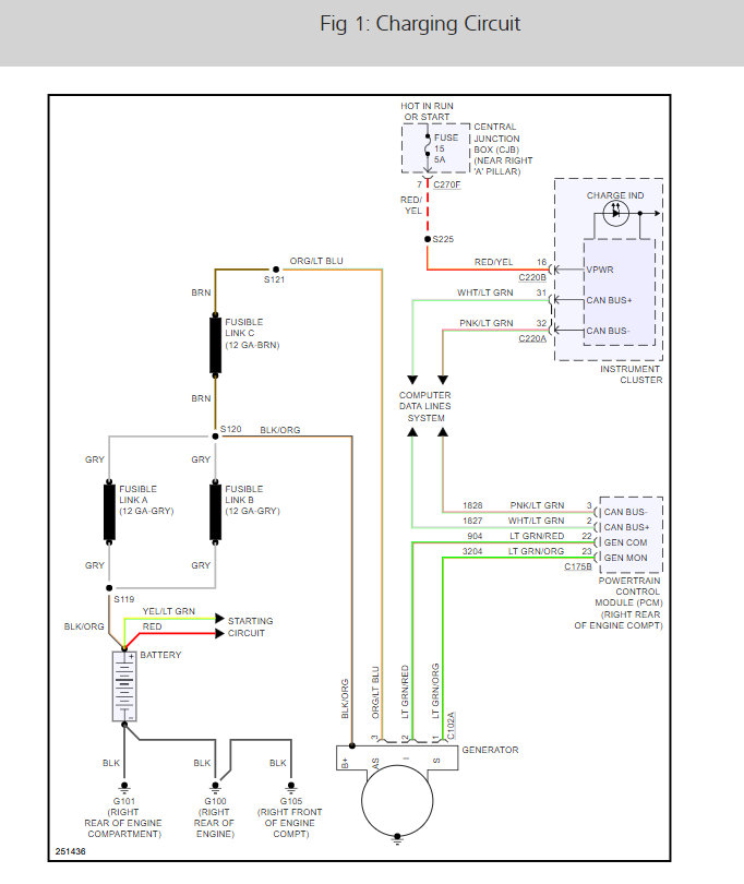
Check for power at the fuse as well. Check out the diagrams (Below). Please let us know what happens.
Was this
answer
helpful?
Yes
No
-1
Thursday, October 4th, 2012 AT 1:21 AM
Tiny
EMCHAVARRIA1
  • MEMBER
  • 1 POST
Thanks for this post I had this problem and the dealer had to replace the alternator with a factory unit. Cost me $298.00 Great site BTW.
Was this
answer
helpful?
Yes
No
-1
Saturday, August 17th, 2019 AT 12:17 PM
Tiny
JACOBANDNICKOLAS
  • MECHANIC
  • 110,192 POSTS
Welcome to 2CarPros.

Here is a link that explains how to check for alternator output. Take a look through it and see if it helps.

https://www.2carpros.com/articles/how-to-replace-an-alternator

Let me know if you have questions.

Joe
Was this
answer
helpful?
Yes
No
Sunday, August 18th, 2019 AT 7:00 PM
Tiny
RICK TIMMERMEYER
  • MEMBER
  • 2 POSTS
Overcharging 06 Taurus, 17vdc at battery terminals at 2000 rpm
HELP!
Was this
answer
helpful?
Yes
No
Wednesday, October 16th, 2019 AT 12:23 PM
Tiny
JACOBANDNICKOLAS
  • MECHANIC
  • 110,192 POSTS
Hi:
That is certainly a problem. However, I need more information. Please start a new link specific to your vehicle's problems (over charging) and include the engine size and any information you feel is relevant to the problem.

I will watch for your reply.

Joe
Was this
answer
helpful?
Yes
No
Wednesday, October 16th, 2019 AT 6:36 PM
Tiny
KEN L
  • MASTER CERTIFIED MECHANIC
  • 55,266 POSTS
Please post your new question here, you must be logged in.

https://www.2carpros.com/questions/new

Cheers, Ken
Was this
answer
helpful?
Yes
No
Saturday, October 19th, 2019 AT 10:15 AM
Tiny
DORILEIGH SCOTT
  • MEMBER
  • 1 POST
  • 2006 FORD F-150
  • 0.5L
  • V6
  • 2WD
  • AUTOMATIC
  • 170,000 MILES
Dose a alternator have to have a degree of tilt? My alternator was replaced and my battery light is still on.
Was this
answer
helpful?
Yes
No
Wednesday, January 20th, 2021 AT 6:43 PM (Merged)
Tiny
CARADIODOC
  • MECHANIC
  • 34,463 POSTS
If you mean the pulley is not perfectly parallel and square to the belt and the other pulleys, that is not correct. It is one of the things we have to look for when diagnosing a belt squeal problem. Ford has up to six service bulletins to try to solve belt squeals on their trucks, and I am told they do not help. If you can see that a pulley is turned or tipped, that is a real lot and must be corrected.

As for the "battery" light, that means the charging system is not recharging the battery while you are driving. The generator is just one part of that system. The person who replaced the generator should be figuring out why his diagnosis was wrong or was only part of the problem. We do not just change a part, then send you on your way with the problem still there. The most overlooked cause is a blown 15-amp fuse feeding the voltage regulator. A few voltage tests at the regulator's plug will verify that.
Was this
answer
helpful?
Yes
No
+1
Wednesday, January 20th, 2021 AT 6:43 PM (Merged)
Tiny
AJOHNSON2
  • MEMBER
  • 1 POST
  • 2004 FORD F-150
Electrical problem
2004 Ford F150 V8 Two Wheel Drive Automatic 89k miles

I recently changed my alternator and replaced the battery. The battery light is still on
Was this
answer
helpful?
Yes
No
Wednesday, January 20th, 2021 AT 6:44 PM (Merged)
Tiny
DAVE H
  • MECHANIC
  • 13,384 POSTS
TEST D: WARNING INDICATOR IS ON WITH ENGINE RUNNING, SYSTEM IS CHARGING
Check Fault Codes In PCM

Connect New Generation Star (NGS) tester to Data Link Connector (DLC). Turn ignition on. Using NGS tester, perform Powertrain Control Module (PCM) self-test. If no DTCs are retrieved, go to next step. If any Diagnostic Trouble Codes (DTC) are retrieved, perform appropriate test in accordance with DTC retrieved. See appropriate SELF-DIAGNOSTICS article in ENGINE PERFORMANCE.
Check System For Overcharging

Start engine. With the engine running and all accessories off, measure the voltage at the battery terminals while varying the engine RPM. Is the voltage greater than 15.5 volts? If yes, go to TEST C: SYSTEM OVERCHARGES. If no, go to next step.
Check PCM PIDs

Enter the MONITOR PCM PIDS diagnostic mode on NGS tester. With the engine running, monitor the generator output fault PID in the PCM. Does the PID read YES? If yes, go to next step. If no, see appropriate ANALOG INSTRUMENT PANELS article in ACCESSORIES & EQUIPMENT.
Check Generator Output

Check generator output. Perform GENERATOR LOAD TEST and GENERATOR NO-LOAD TEST under ON-VEHICLE TESTING. Is the generator okay? If yes, go to next step. If no, install a new generator. See GENERATOR under REMOVAL & INSTALLATION.
Check For Correct PCM Operation

Turn ignition off. Disconnect PCM connector. Check for corrosion and pushed-out pins. Connect any disconnected connectors. Make sure all other system connectors are fully seated. Operate the system and verify the concern is still present. Is the concern still present? If yes, install a new PCM. See COMPUTERIZED ENGINE CONTROLS in appropriate REMOVAL & INSTALLATION article in ENGINE PERFORMANCE. Repeat the PCM self-test. If no, the system is operating correctly at this time. Concern may have been caused by a loose or corroded connector. Clear the DTCs. Repeat the self-test.
Was this
answer
helpful?
Yes
No
+1
Wednesday, January 20th, 2021 AT 6:44 PM (Merged)
Tiny
MARY BROWN2
  • MEMBER
  • 1 POST
  • 2003 FORD F-150
  • 5.4L
  • V8
  • 4WD
  • 142,000 MILES
Hi all,
My battery light came on and went right off again. I drove the truck several times and everything was fine. It came on again a couple days ago. The truck started and ran fine. I used a volt meter at the battery with the engine off and at idle and readings were within normal limits. The next day I started the truck and the light did not come back on. I live on a very rough road and the truck is an off-road model with a very stiff suspension. The light came on at the same place on the road both times and I think I went through a puddle both times as well. I then discovered a loose wire to the turn signal as it was working on and off as well. Water had also gotten in due to a bad seal on the lens. Finally it fried the bulb so the turn signal did not work at all. I installed a new bulb and lens and fixed the loose connection. Before I fixed the wires, I noticed that the turn signal would only work with the wire in a certain position. My question is; could the turn signal issues cause the "battery" light go on and off? Thanks for any help.
Was this
answer
helpful?
Yes
No
Wednesday, January 20th, 2021 AT 6:44 PM (Merged)
Tiny
STEVE W.
  • MECHANIC
  • 15,671 POSTS
Not real likely, but it could easily be a bad connection up front on the battery or alternator or even at the main junction box. I would go over each one, clean it and tighten them down with a dab of dielectric grease to keep corrosion at bay. Also, before you remove the connections give each a firm tug. I have seen a lot of wire connections that look "perfect" that were corroded internally and fell apart when pulled.
Was this
answer
helpful?
Yes
No
Wednesday, January 20th, 2021 AT 6:44 PM (Merged)
Tiny
JBROMLEY
  • MEMBER
  • 2 POSTS
  • 2003 FORD F-150
  • V8
  • 4WD
  • AUTOMATIC
  • 12,500 MILES
Why would a battery light be on if the battery level shows good? What do I need to check? Thanks for your help.
Was this
answer
helpful?
Yes
No
Wednesday, January 20th, 2021 AT 6:44 PM (Merged)
Tiny
JACOBANDNICKOLAS
  • MECHANIC
  • 110,192 POSTS
If the light is on, that indicates there is a charging problem. Have the alt tested at a parts store. Most will do it for free.

Let me know what you find.
Was this
answer
helpful?
Yes
No
Wednesday, January 20th, 2021 AT 6:44 PM (Merged)
Tiny
JBROMLEY
  • MEMBER
  • 2 POSTS
Thanks for your help. My husband installed a new alternator last night and it works like a charm this morning. Thanks so much!
Was this
answer
helpful?
Yes
No
-1
Wednesday, January 20th, 2021 AT 6:44 PM (Merged)
Tiny
JACOBANDNICKOLAS
  • MECHANIC
  • 110,192 POSTS
You are very welcome. I'm glad to have helped. Let us know if you have questions in the future.

Joe
Was this
answer
helpful?
Yes
No
-1
Wednesday, January 20th, 2021 AT 6:44 PM (Merged)
Tiny
JAMES3980
  • MEMBER
  • 17 POSTS
  • 2003 FORD F-150
  • 5.4L
  • V8
  • 4WD
  • AUTOMATIC
  • 315,000 MILES
I replaced my battery and alternator with brand new parts, but the battery light remains on and battery is not keeping a normal operating voltage. Checked fuses and wires all good. Looking for more ideas.
Was this
answer
helpful?
Yes
No
Wednesday, January 20th, 2021 AT 6:44 PM (Merged)
Tiny
JIS001
  • MECHANIC
  • 3,412 POSTS
Your first step is to make sure battery terminals are clean and shiny. If good then next step is to do a voltage drop test. Here is a link to performe the test.

Voltage Drop Testing the Charging System" on YouTube.
https://youtu.be/_B0LjwQbUbg

Normal readings on positive side is 0.02 volts and ground side 0.01 volts. The side with the highest voltage will be the problem area.

So for example, if ground cable measures 3 volts then your ground cable has high resistance. Trace the other end of the ground cable and check for burn marks or corrosion, loose connections and correct the problem. Same for positive side. Let us know what your readings are.
Was this
answer
helpful?
Yes
No
+4
Wednesday, January 20th, 2021 AT 6:44 PM (Merged)
Tiny
CANDICE BRANSFORD
  • MEMBER
  • 4 POSTS
JAMES3980
I'm having the same exact problem. How did you end up fixing it? What was the problem?
Was this
answer
helpful?
Yes
No
+2
Wednesday, January 20th, 2021 AT 6:44 PM (Merged)
Tiny
KEN L
  • MASTER CERTIFIED MECHANIC
  • 55,266 POSTS
Hello,

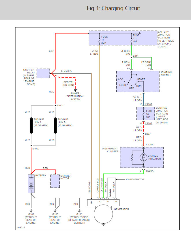
They did not get back to us but I can say if you have replaced both the battery and alternator let's check the fuses ( #11, and #111) that control the system. Here is a guide to help us get started and the alternator wiring diagrams so you can see how the system works:

https://www.2carpros.com/articles/how-to-check-a-car-fuse

Check out the diagrams (below). Please run this test and get back to us.
Was this
answer
helpful?
Yes
No
+1
Wednesday, January 20th, 2021 AT 6:44 PM (Merged)

Please login or register to post a reply.