Saturday, April 9th, 2011 AT 1:28 AM
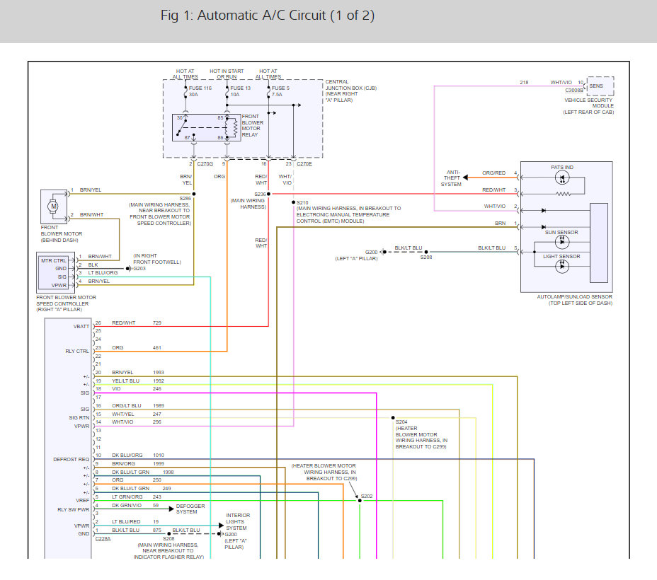
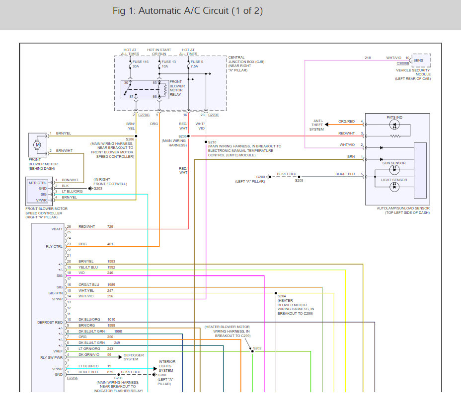
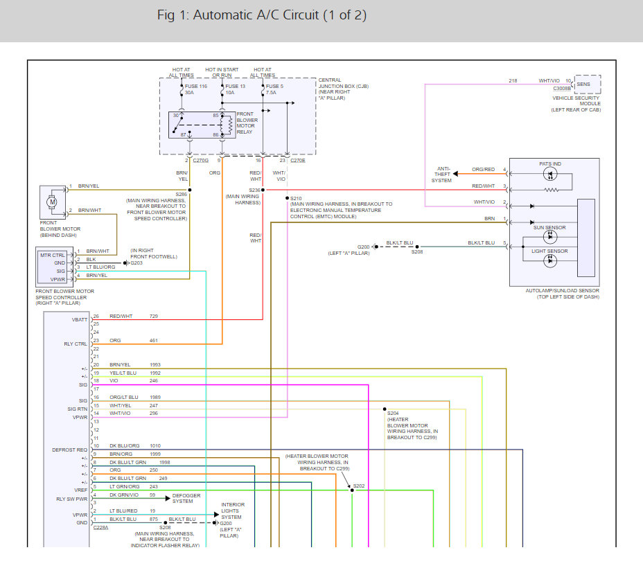
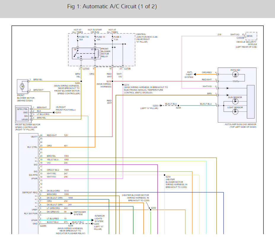
Ac not working, no power going to low pressure switch. Fuse seems to be good. Can put power to compressor side of low pressure switch and it functions properly by all switches











