License plate light and back left light fuse keeps blowing?

Tiny
BRADLEYSALLEN
  • MEMBER
  • 2007 DODGE NITRO
  • 4WD
  • AUTOMATIC
  • 80,000 MILES
The license plate light and back left light fuse keeps blowing. I have replaced twice and it lasts for about 30 seconds before blowing again.
Saturday, January 24th, 2015 AT 10:37 AM

1 Reply

Tiny
SQM
  • MECHANIC
  • 6,383 POSTS
Hello,

If the light and the fuses keep blowing it could be due to a short in the circuit.
Best way to go about it is to trace the wires and find the issue. It could be that you have two uninsulated wires touching or has corrosion in the connectors.

In order to check the wirings you will need to use a multimeter. This will allow you to check voltage as well as resistance for the wires.

Here are couple of helpful articles:

https://www.2carpros.com/articles/how-to-use-a-voltmeter
https://www.2carpros.com/articles/how-to-check-wiring

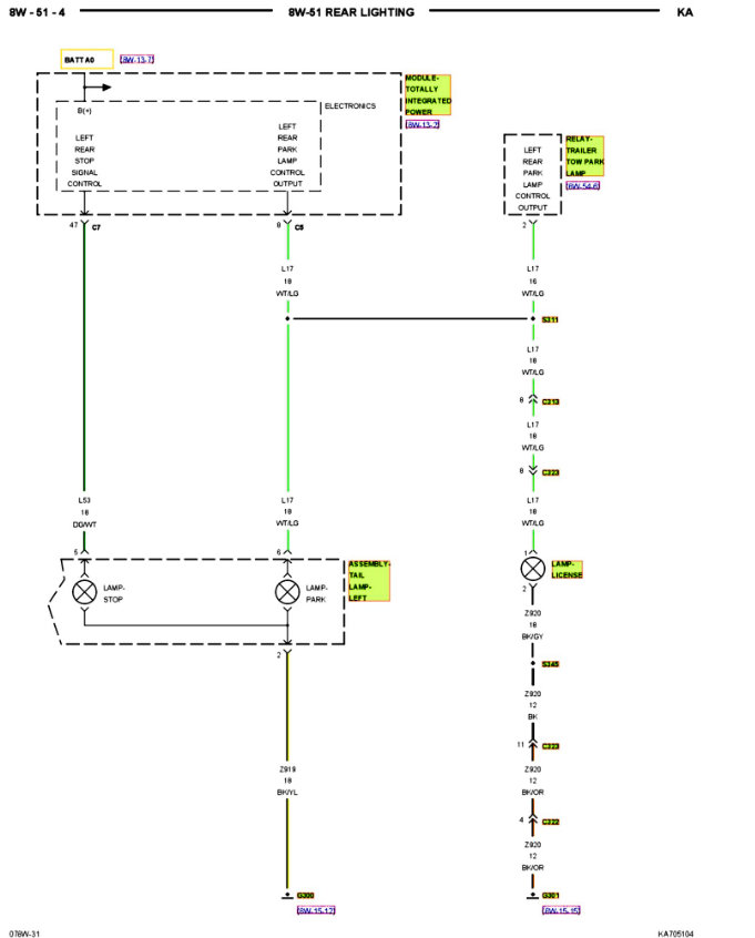
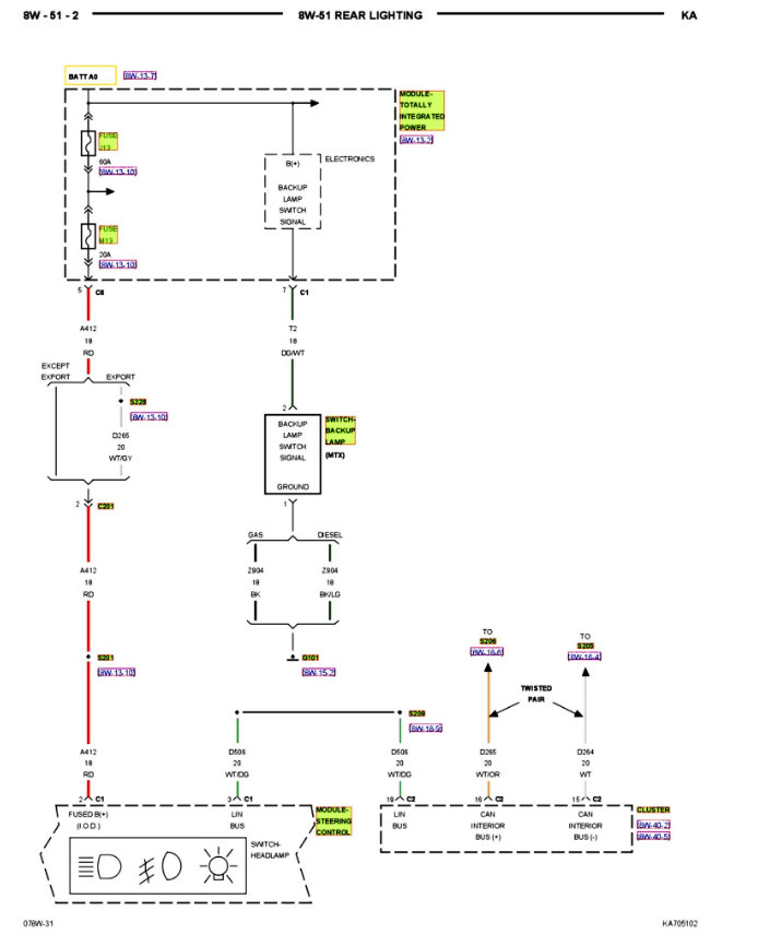
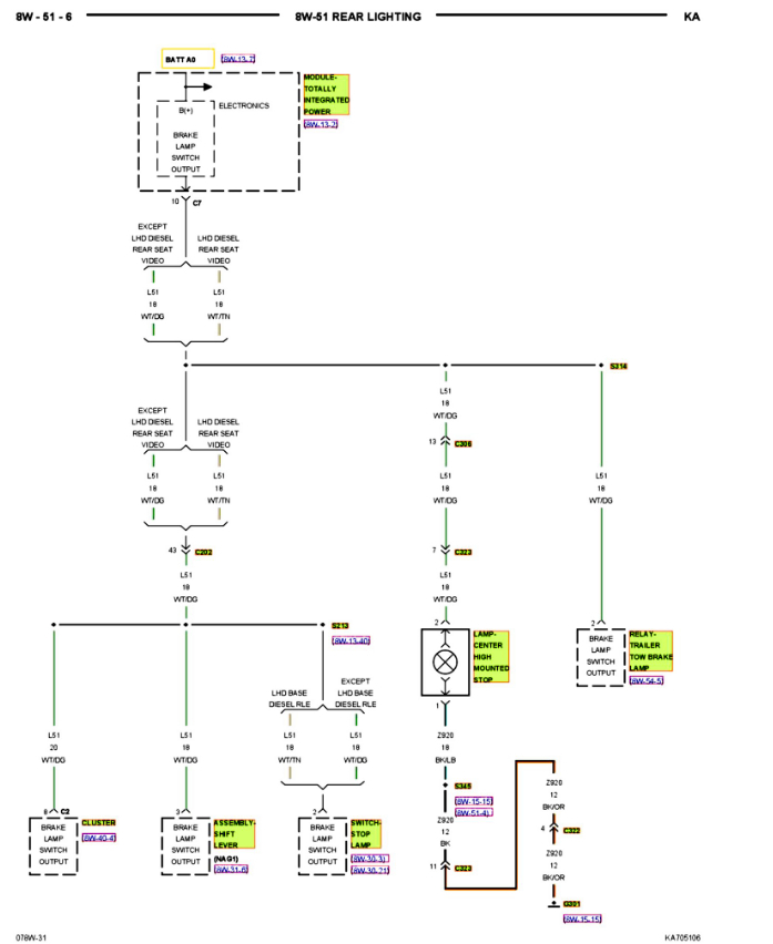
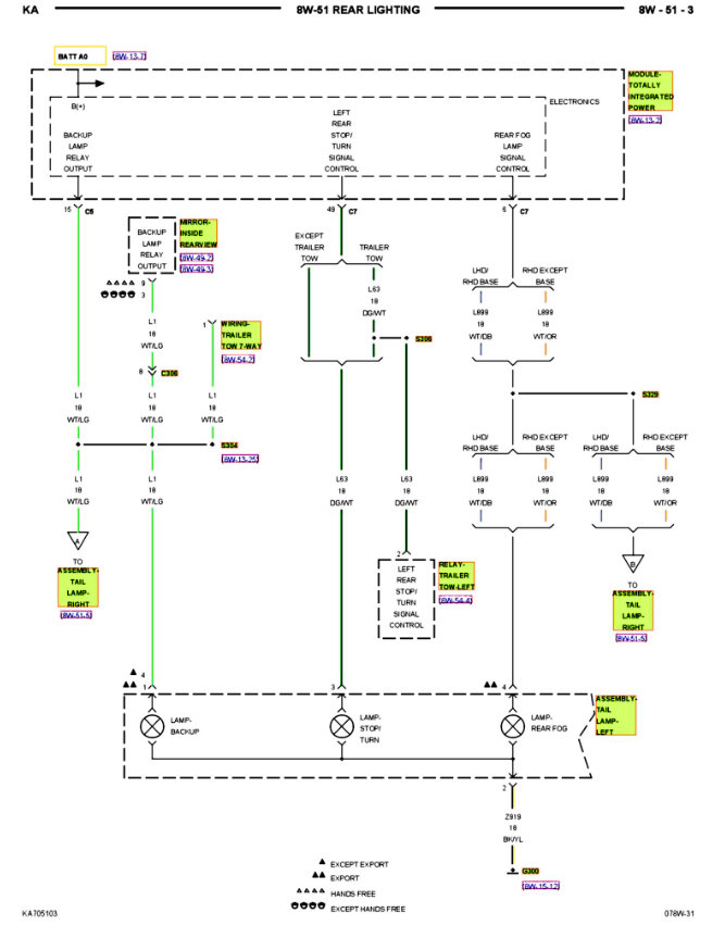
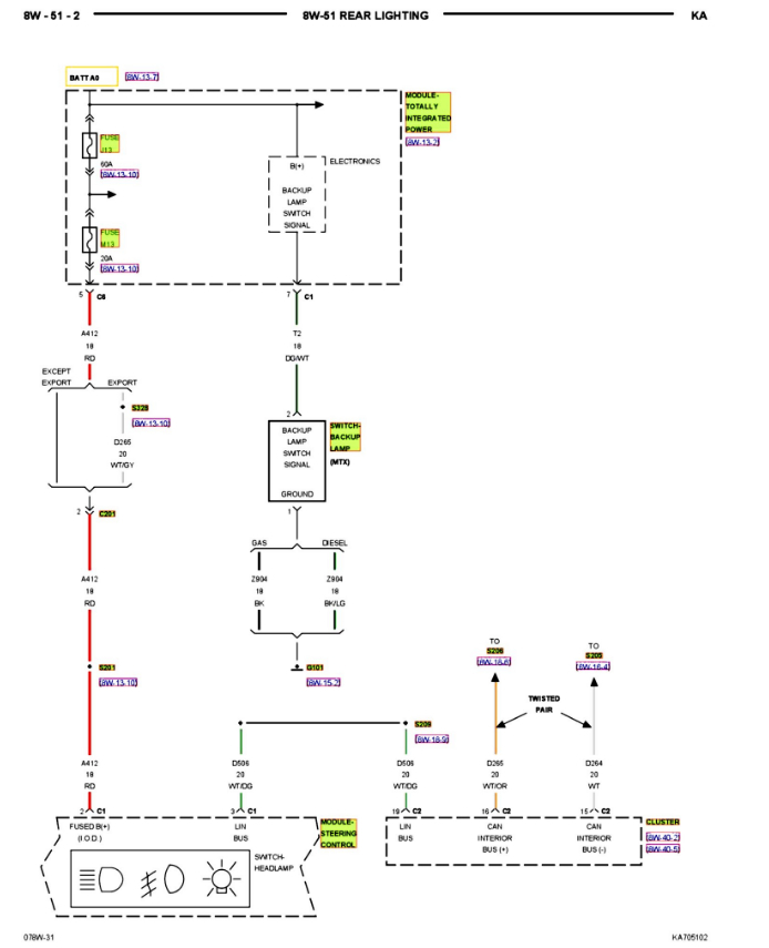
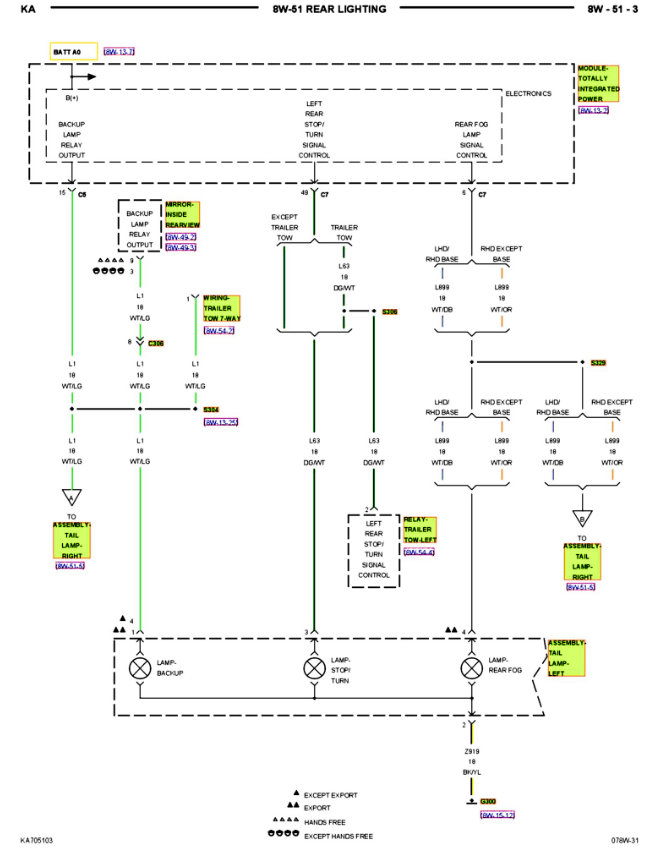
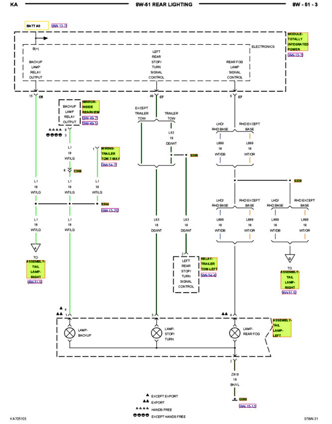
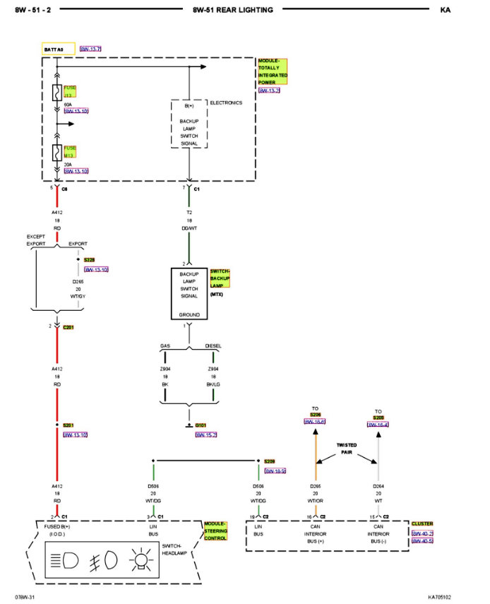
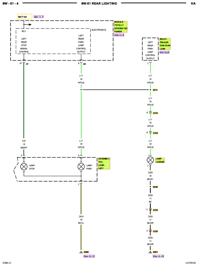
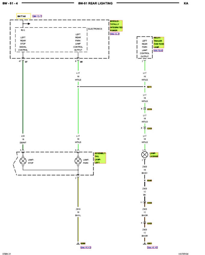
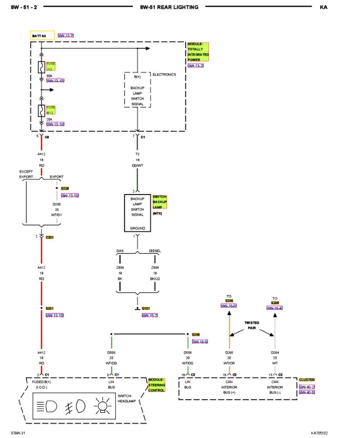
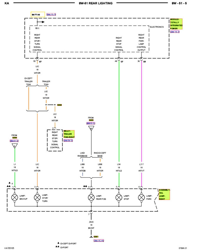
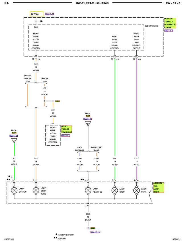
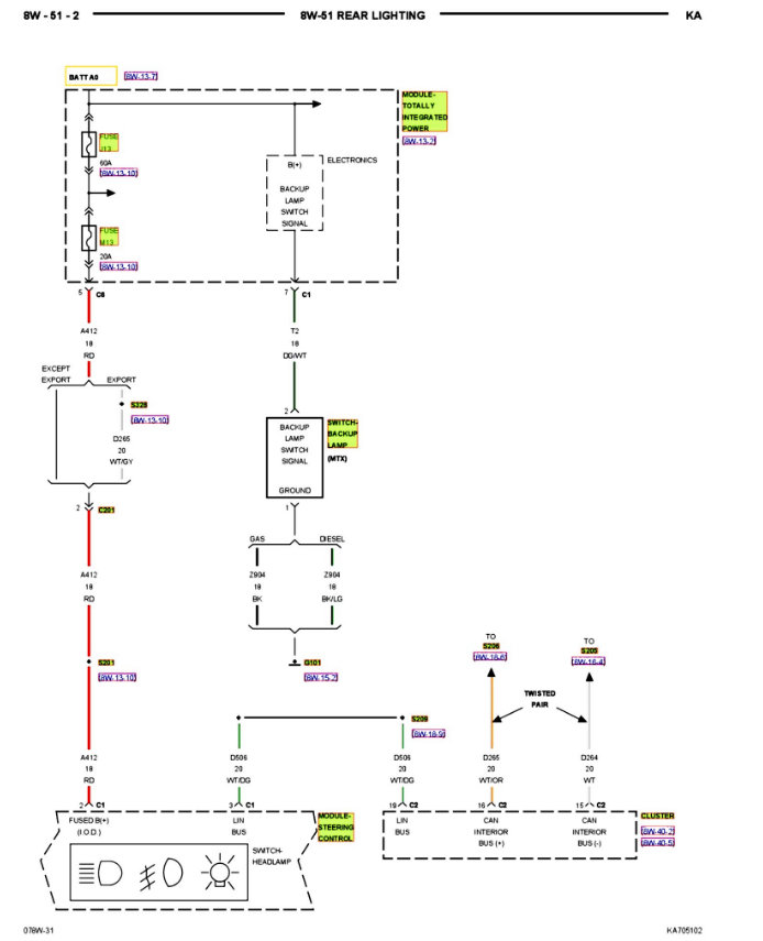
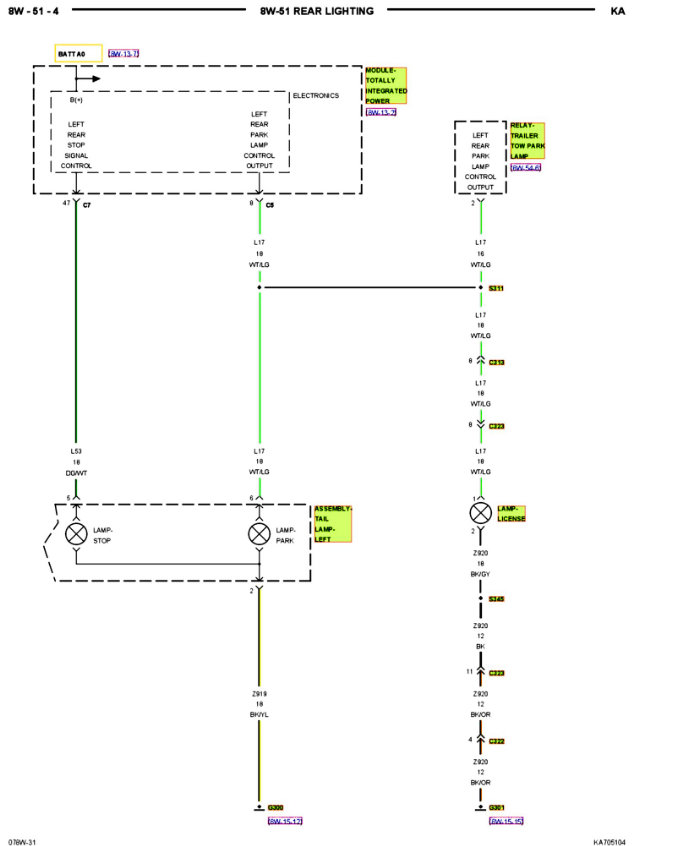
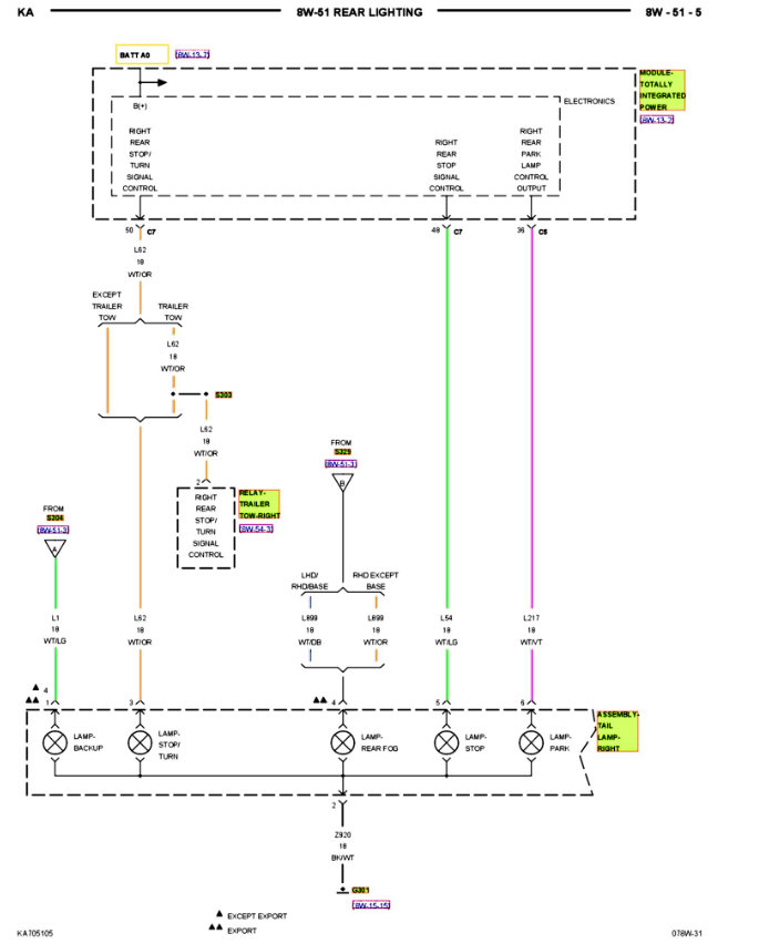
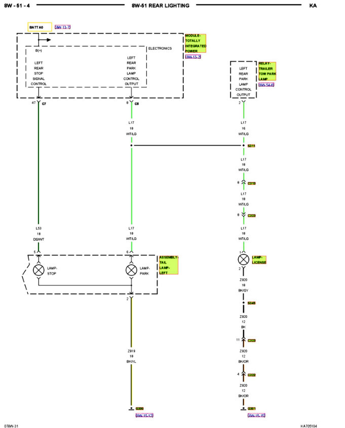
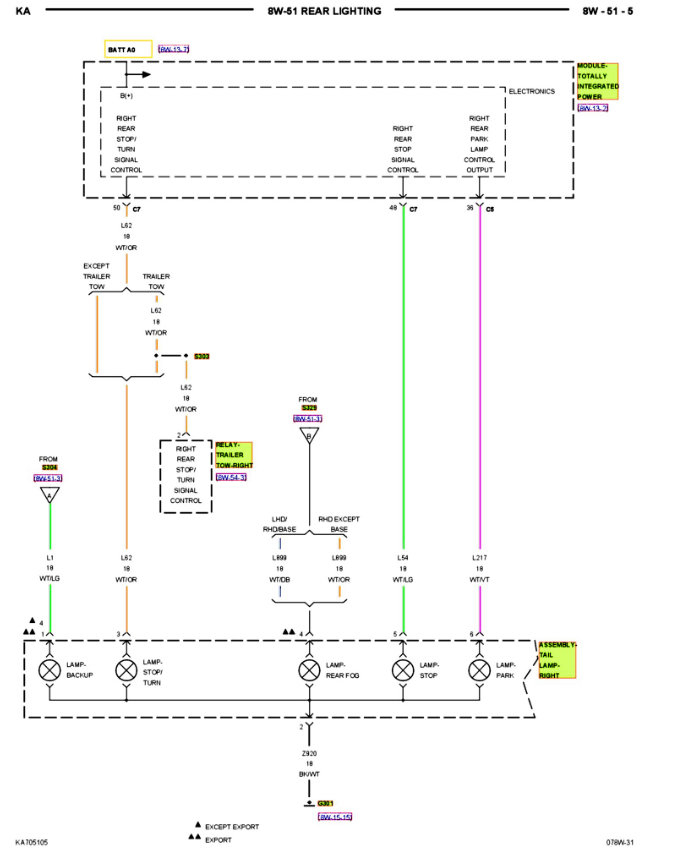
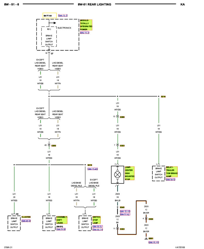
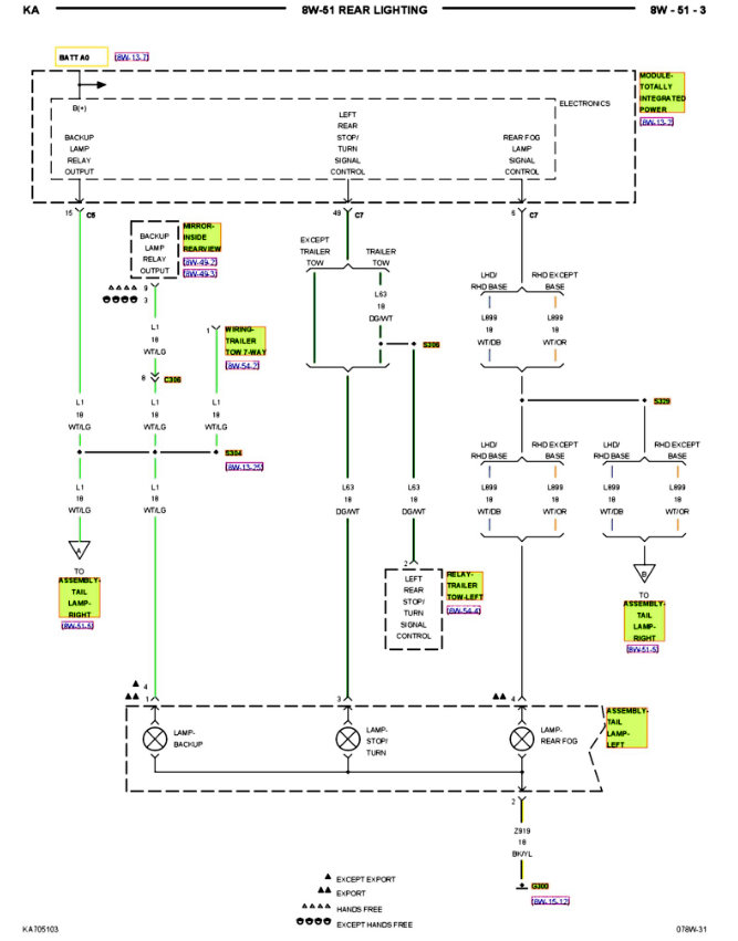
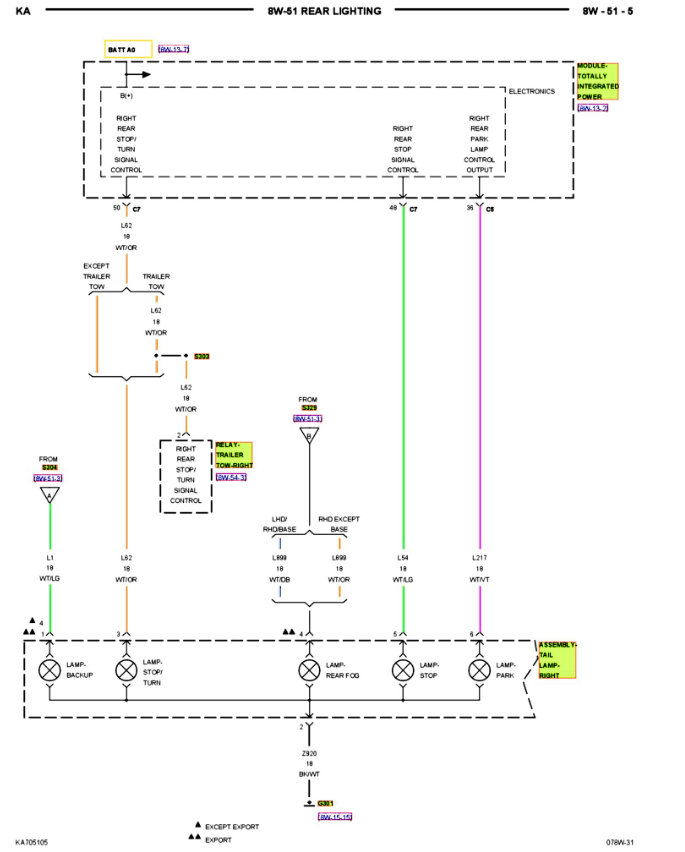
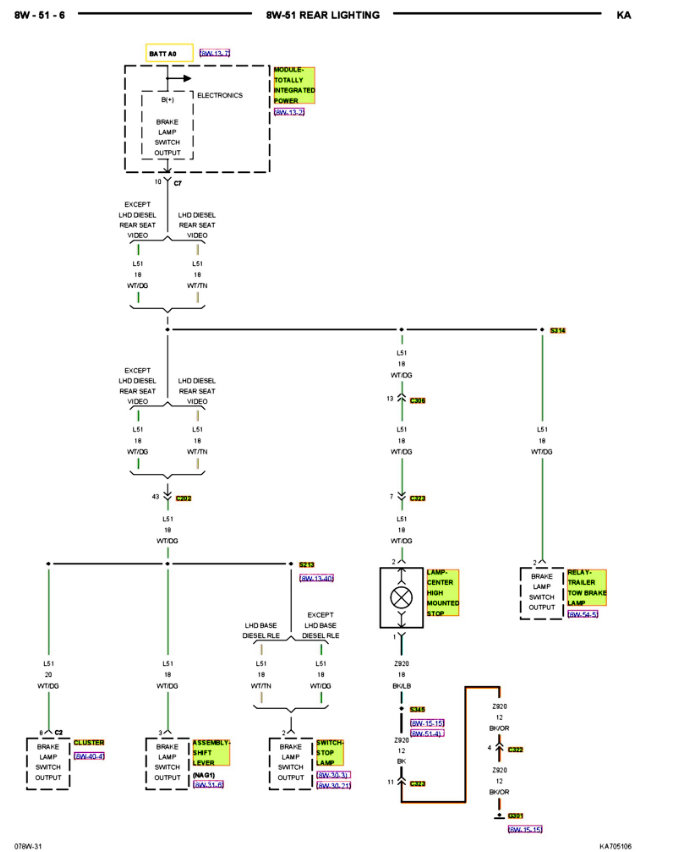
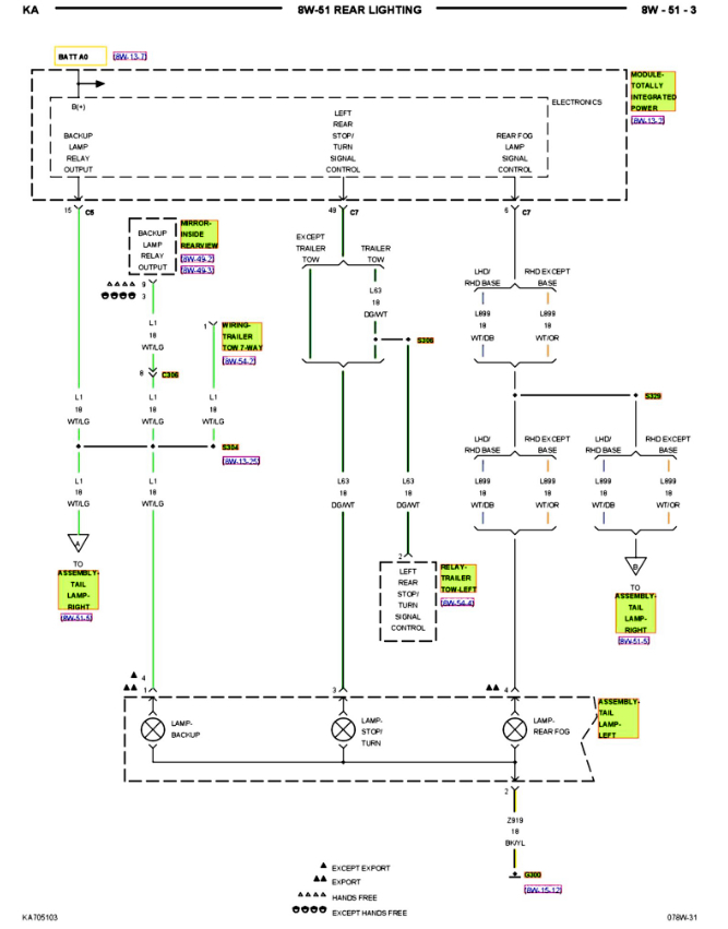
I have attached the rear light wiring harness schematics for your reference.

Please let me know of any questions.
Was this
answer
helpful?
Yes
No
Friday, September 10th, 2021 AT 2:05 PM

Please login or register to post a reply.