Stuck in 4WD

Tiny
HARMLESS
  • MEMBER
  • 2007 CHEVROLET AVALANCHE
When rotary dial is set to 2wd indicator goes to 2wd, but feels like it is in 4wd. When set to auto, indicator moves to 4wd, when set to 4wd, indicator goes to 4wd, what could be wrong?
Saturday, January 8th, 2011 AT 12:55 PM

1 Reply

Tiny
WENDY W
  • MECHANIC
  • 86 POSTS
Hello!

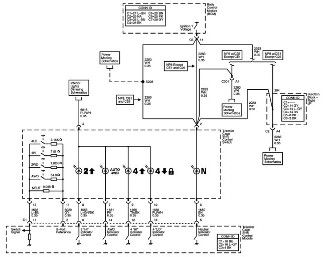
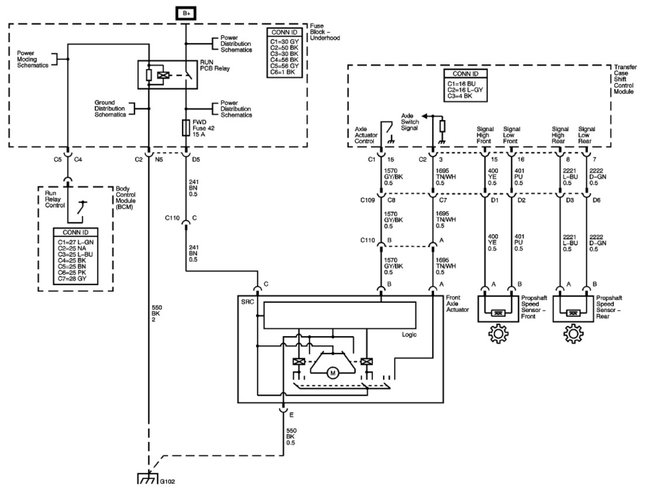
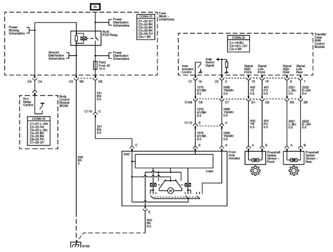
It sounds like either the transfer case is not getting the signal from the selector switch, or there could be a mechanical fault that is preventing it from shifting out of four-wheel-drive.

The owner's manual gives the following procedure for shifting out of four-wheel-drive low:

First, the vehicle needs to be stopped or moving less than 3 MPH with the transmission in neutral and the ignition in the run position. Turn the knob to four-wheel-drive high, auto, or two-wheel drive high. Please note that you'll need to wait for the indicator light to stop flashing and remain on before shifting into gear.

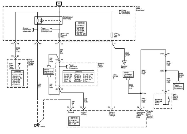
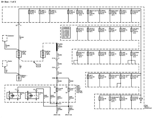
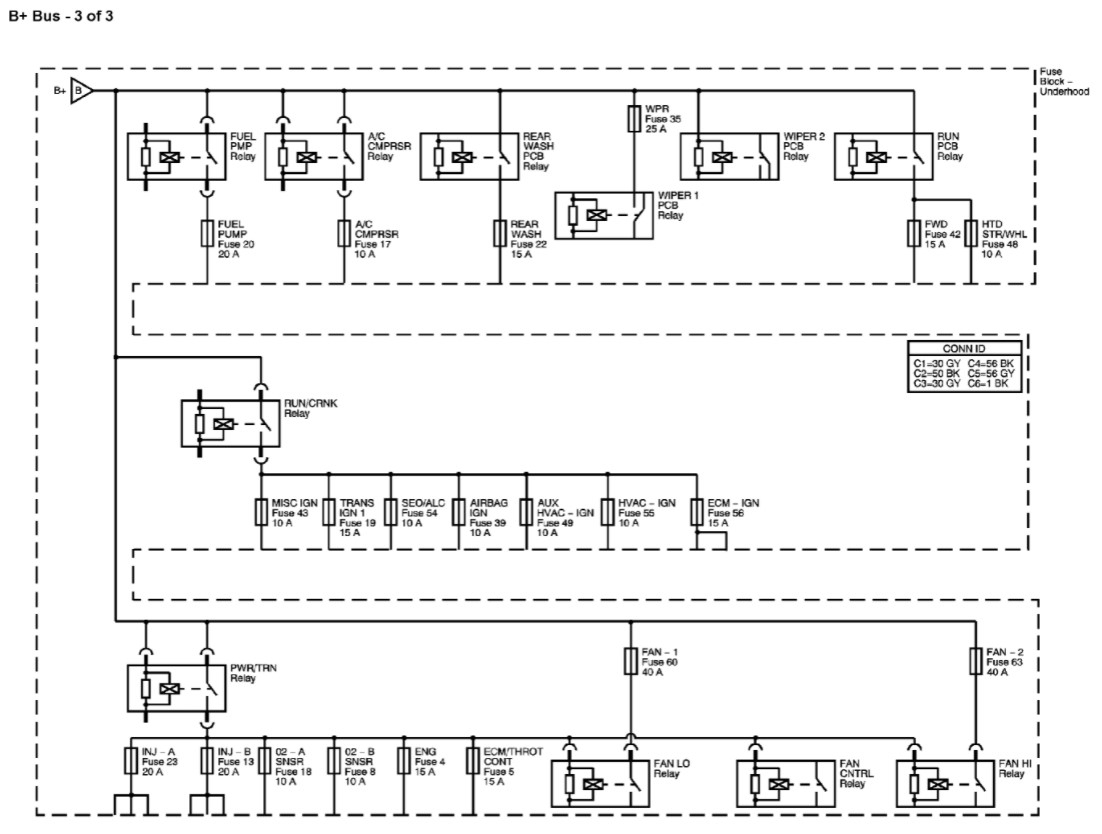
If that doesn't work, you may want to see if you have power at the TCM-Batt fuse, (fuse# 14, 10 AMP) in the under-hood fuse box. The following repair guide gives some nice tips on how to check the fuses:

https://www.2carpros.com/articles/how-to-check-a-car-fuse

If the fuse is good and is receiving power, you might check to see if the vehicle has set any codes. The following video explains how to use an OBDII scanner, and the repair guide may help you decipher any codes that might be present:

https://youtu.be/YV3TRZwer8k

https://www.2carpros.com/trouble_codes/obd2

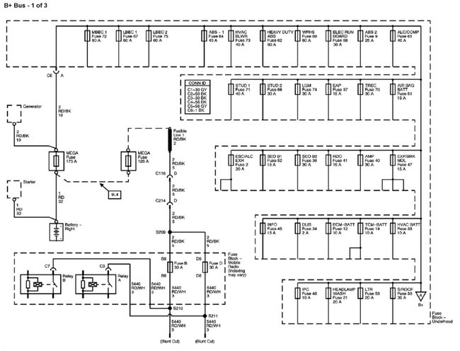
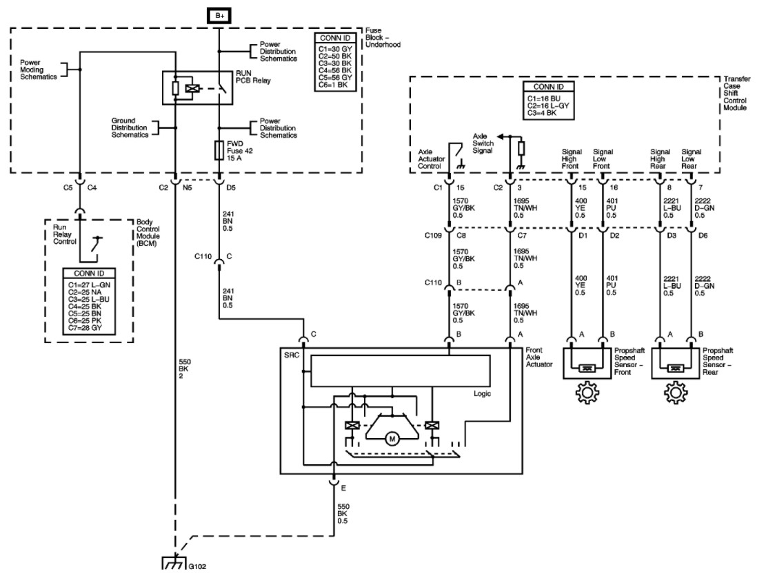
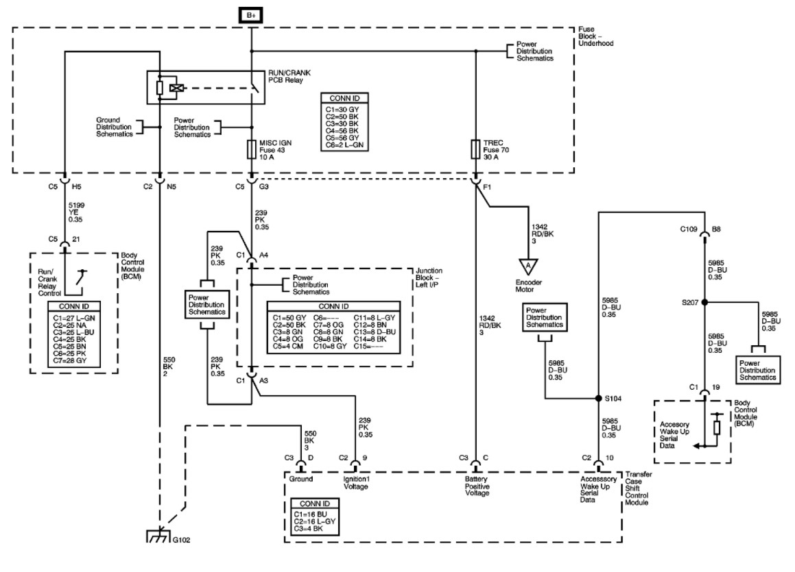
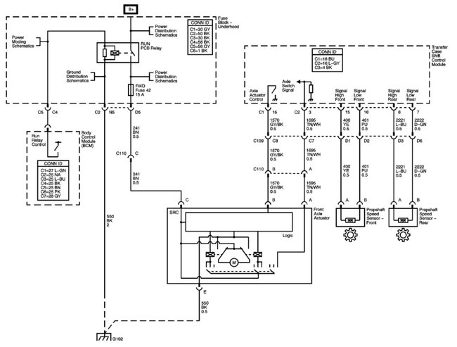
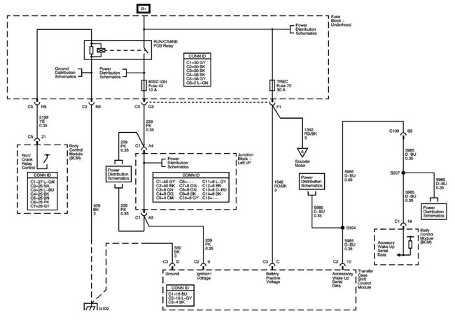
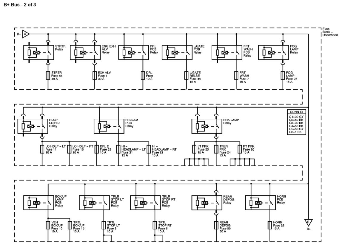
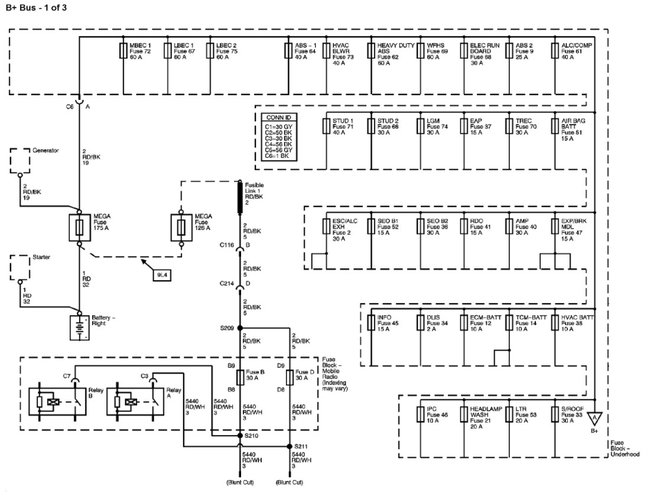
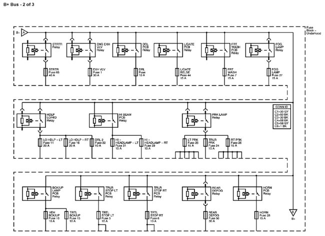
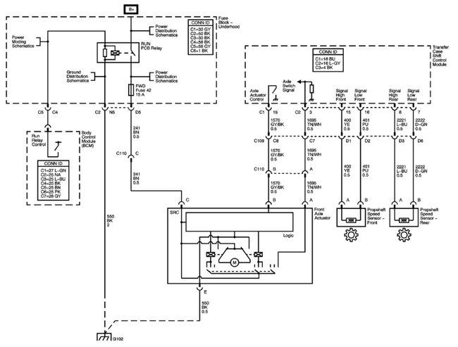
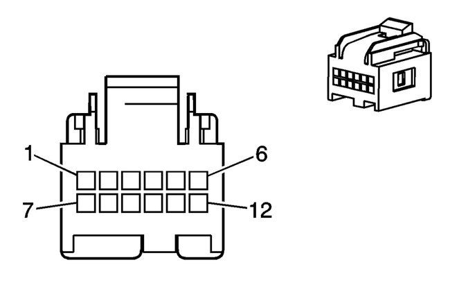
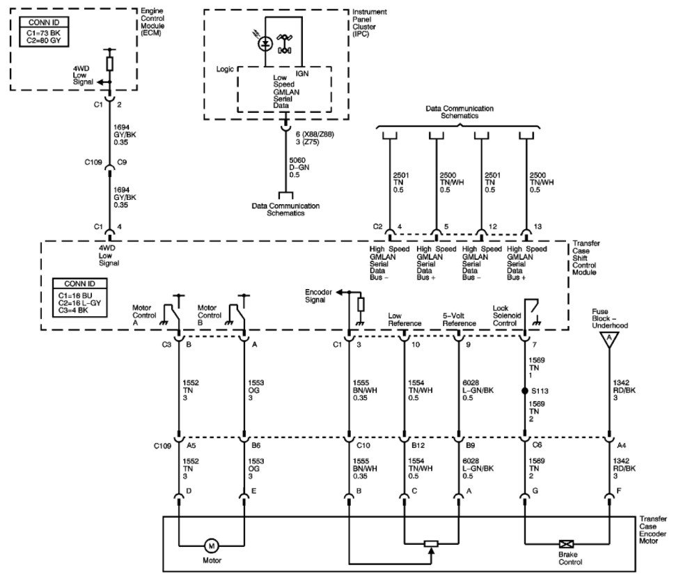
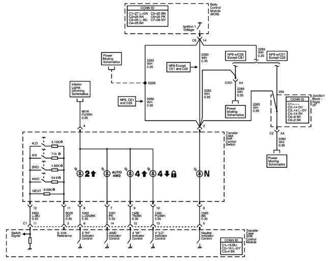
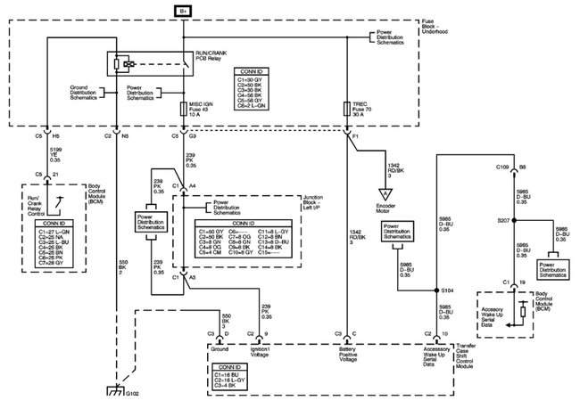
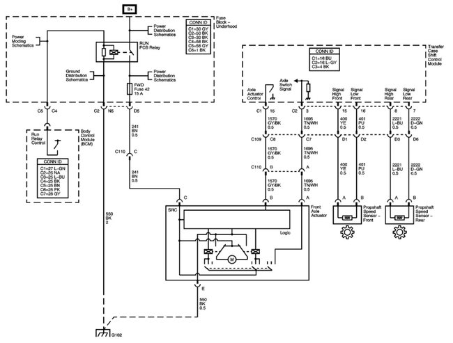
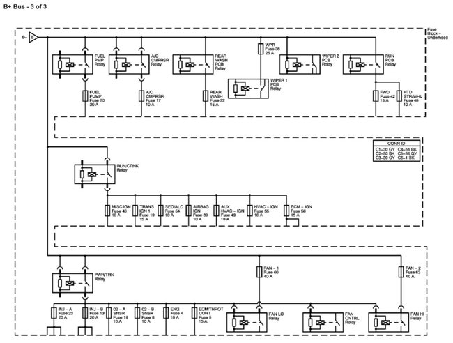
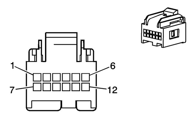
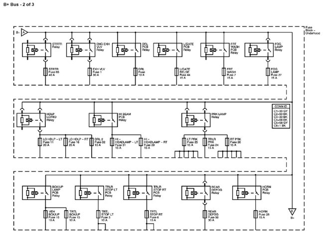
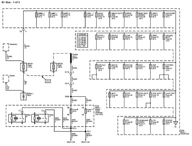
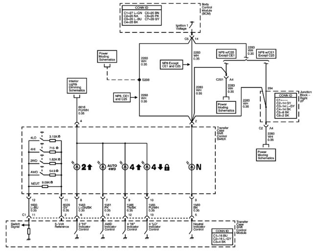
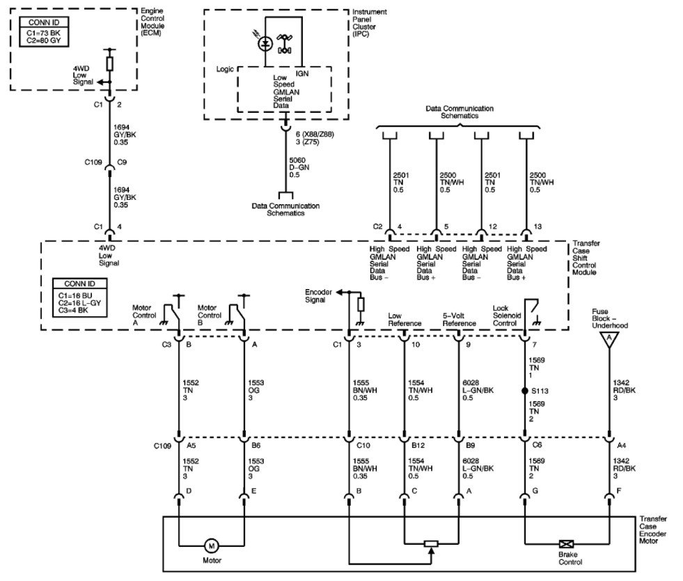
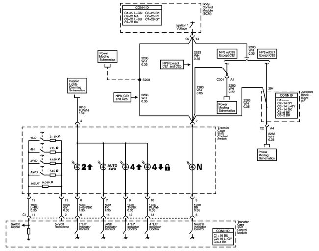
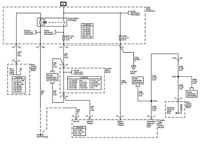
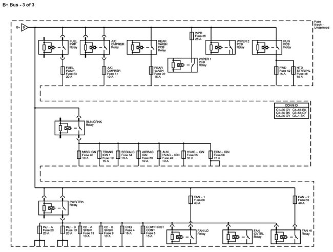
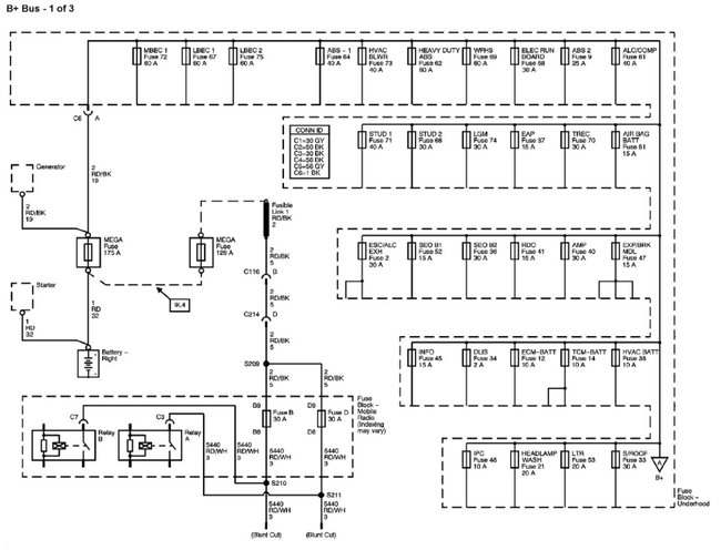
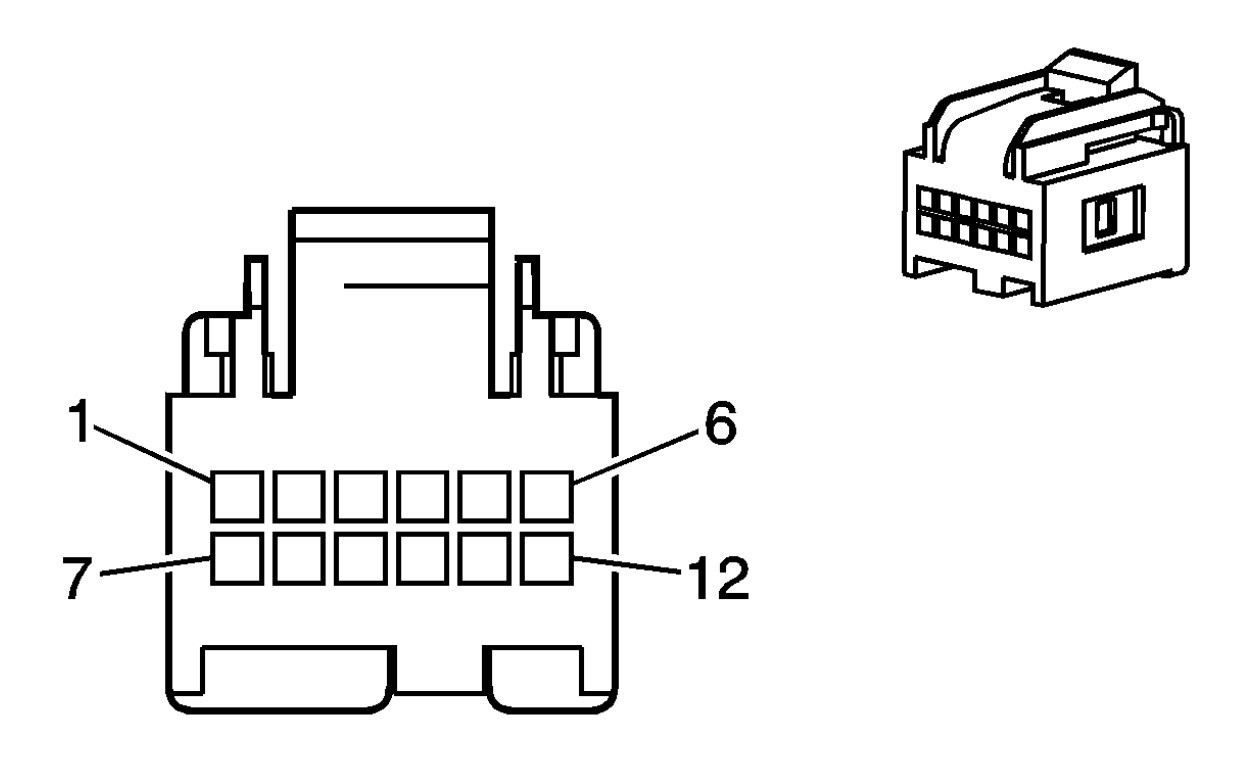
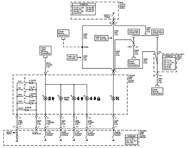
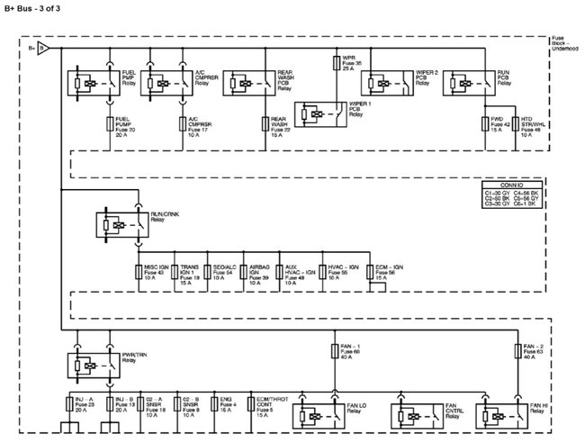
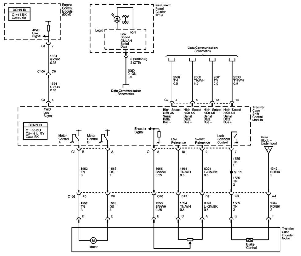
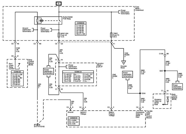
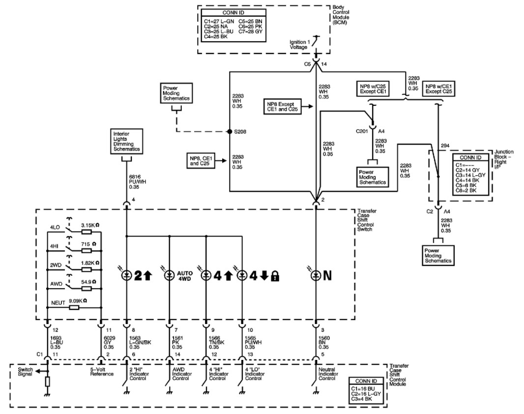
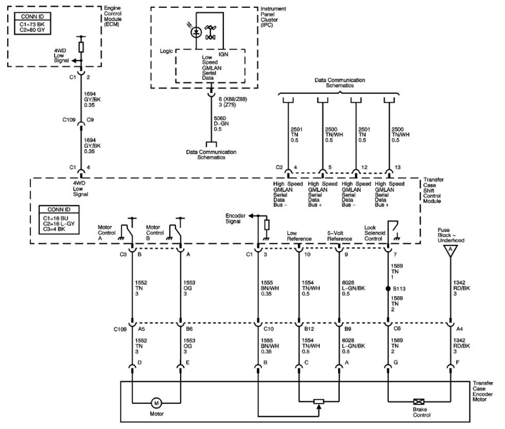
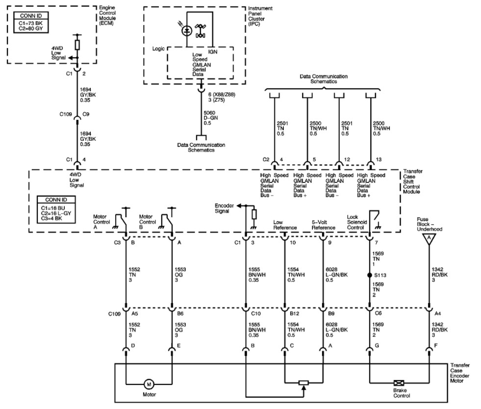
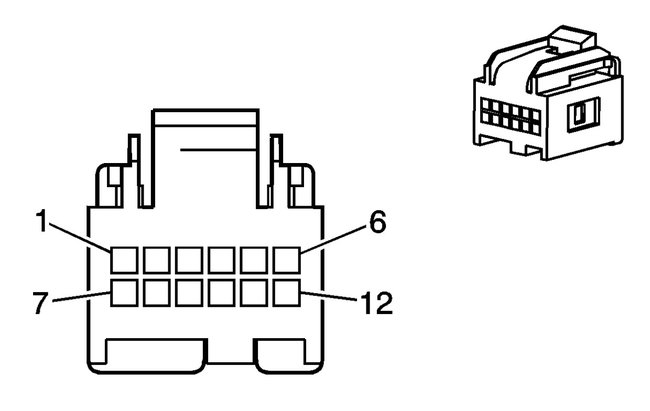
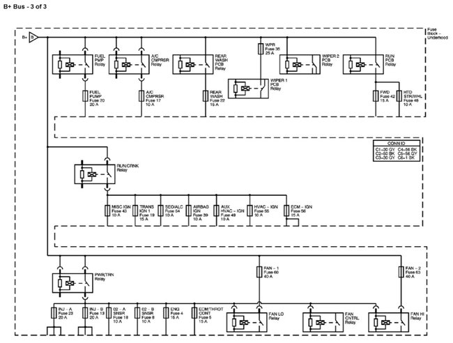
If you retrieve any codes from the vehicle, you can check out the diagrams (below) to access the wiring schematics for testing purposes.

If there's anything else that we can help with, please let us know.

Thanks! Wendy W.
Was this
answer
helpful?
Yes
No
+1
Wednesday, February 9th, 2022 AT 5:37 AM

Please login or register to post a reply.