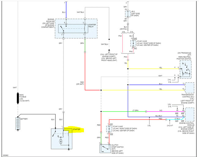
Yesterday morning before going to work, I wasn't sure if there was a problem with my car, so I ran around the neighborhood where I live. After running for about 10 minutes, I've tried shutting down the engine for about five minutes then restarting it to see if there's any problem, totally fine, I turned off the engine. About thirty minutes later, I got in the car and started the engine to go to work, but the engine was completely unresponsive (no crank, no start, only a click in the starter relay is heard when the ignition is turned on).
Good battery tested about 12.78 volts, headlights, air conditioning, radio, door clock, everything on the car is working fine except the engine start doesn't work.
Saturday, April 16th, 2022 AT 9:57 AM














