Wednesday, December 7th, 2011 AT 12:05 AM
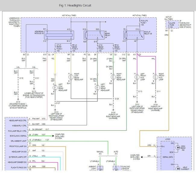
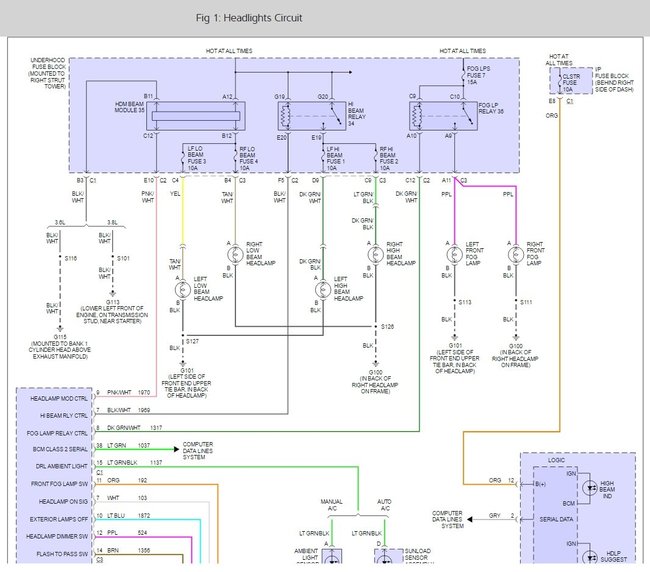
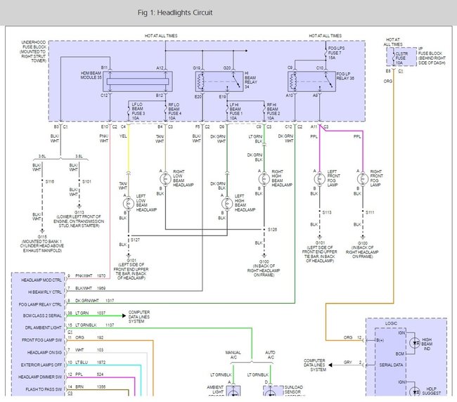
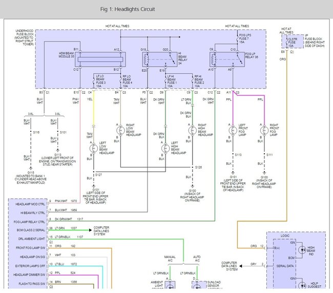
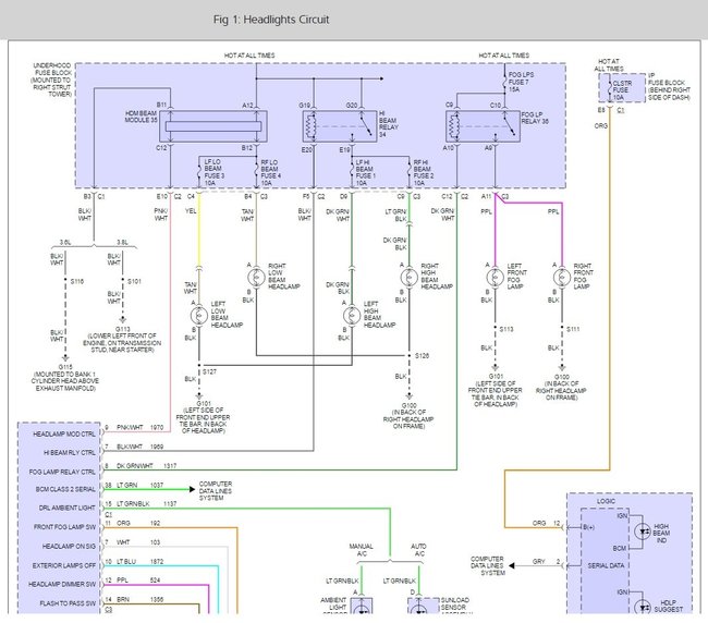
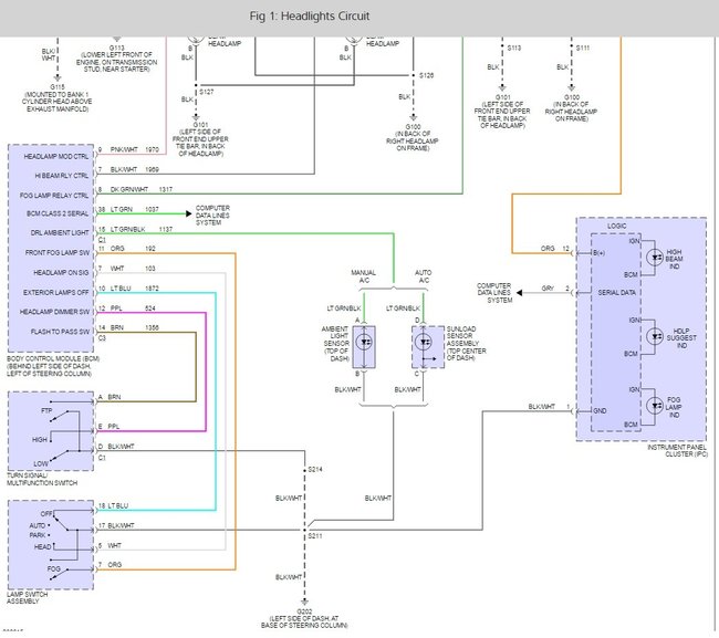
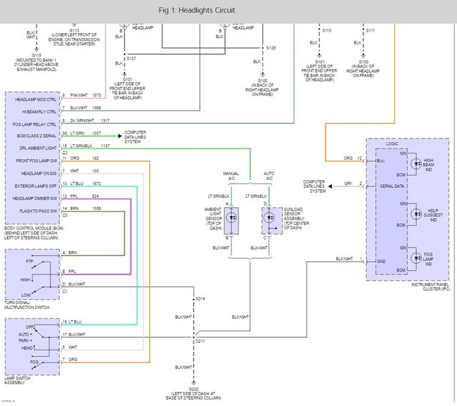
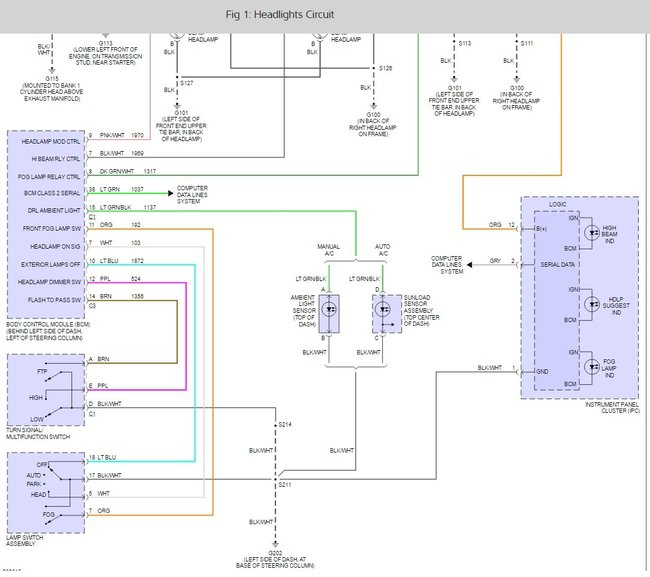
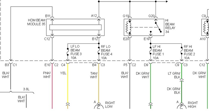
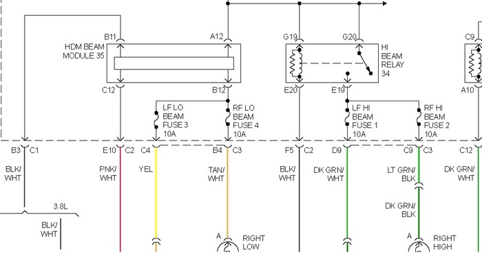
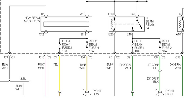
My low beam headlights don't work, high beam works and running lights work. I replaced the low beam bulbs they still do not come on. I checked the old bulbs with a meter and they are ok. Can you tell me why they are not working and how much it will cost approx. To get it fixed?





