Saturday, February 12th, 2022 AT 12:19 PM
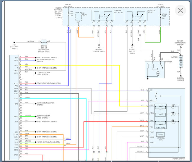
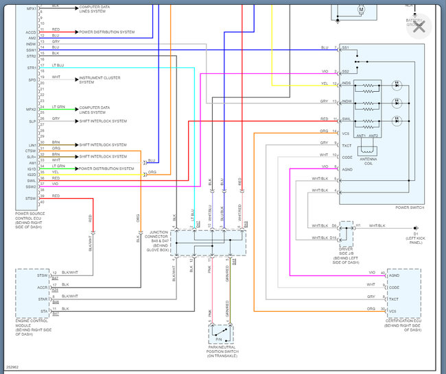
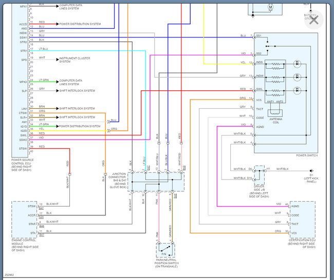
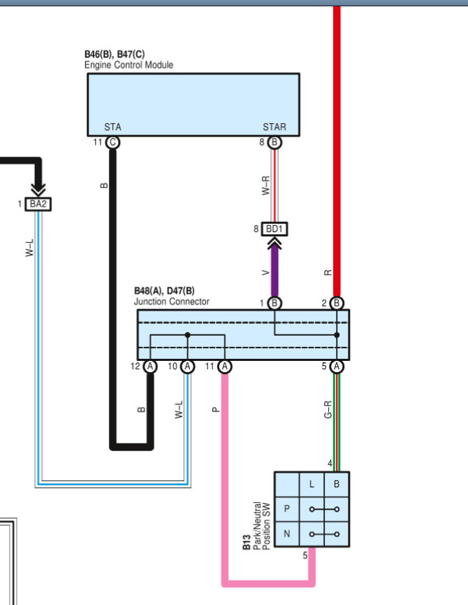
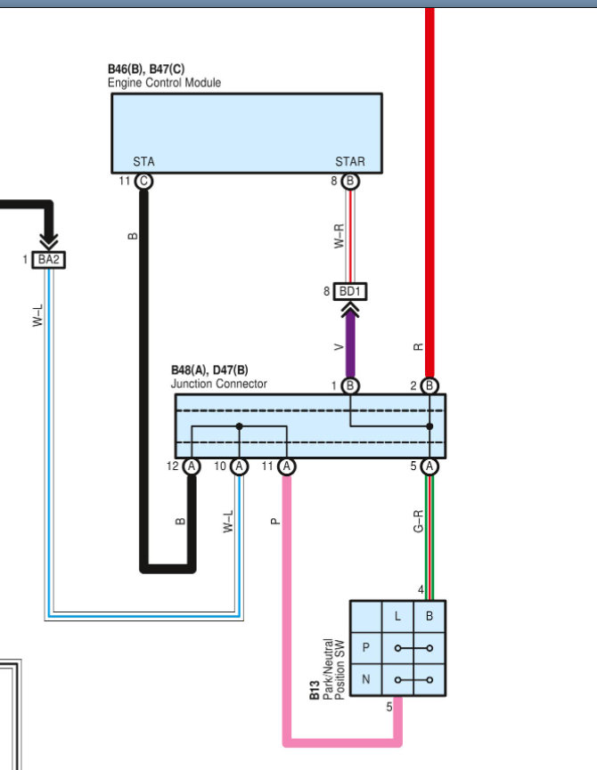
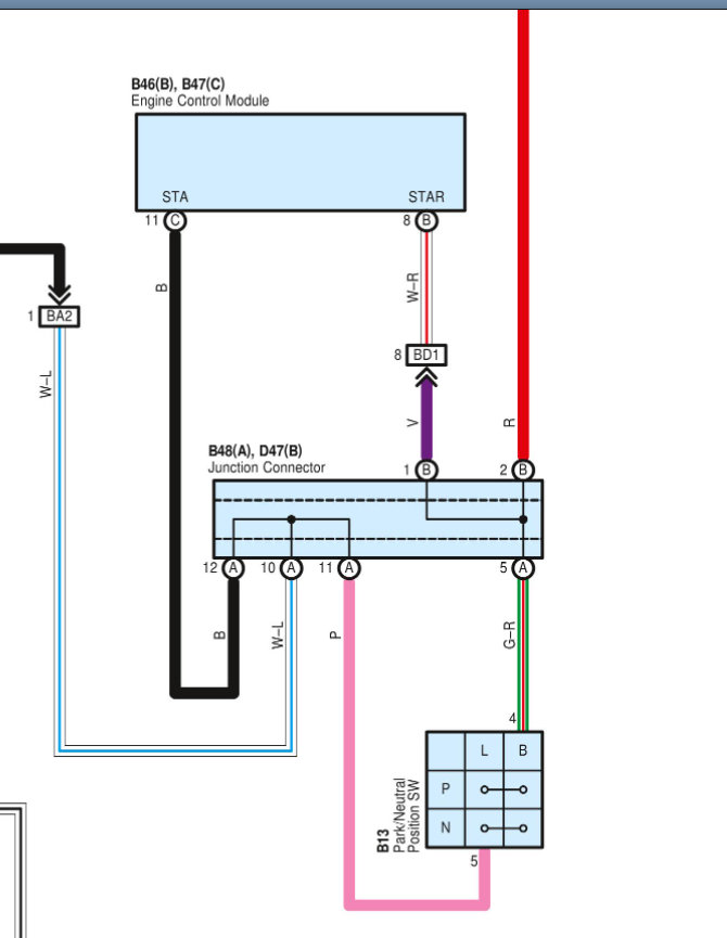
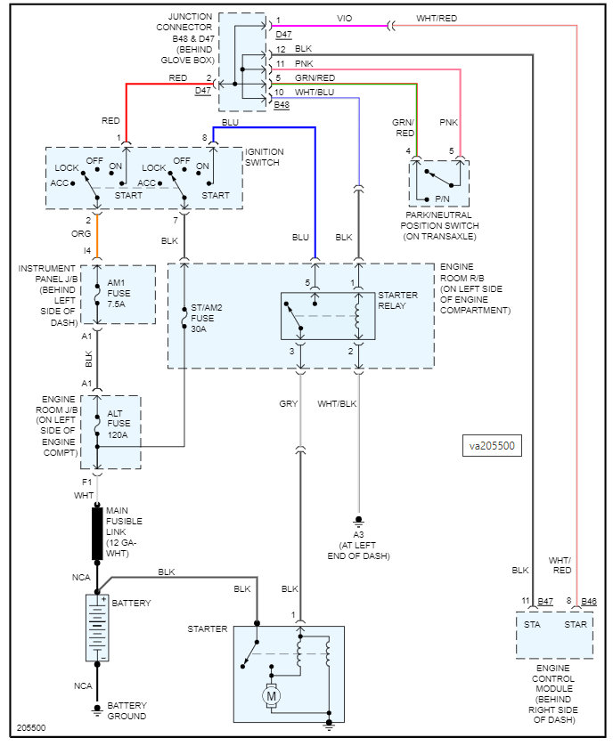
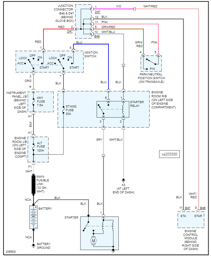
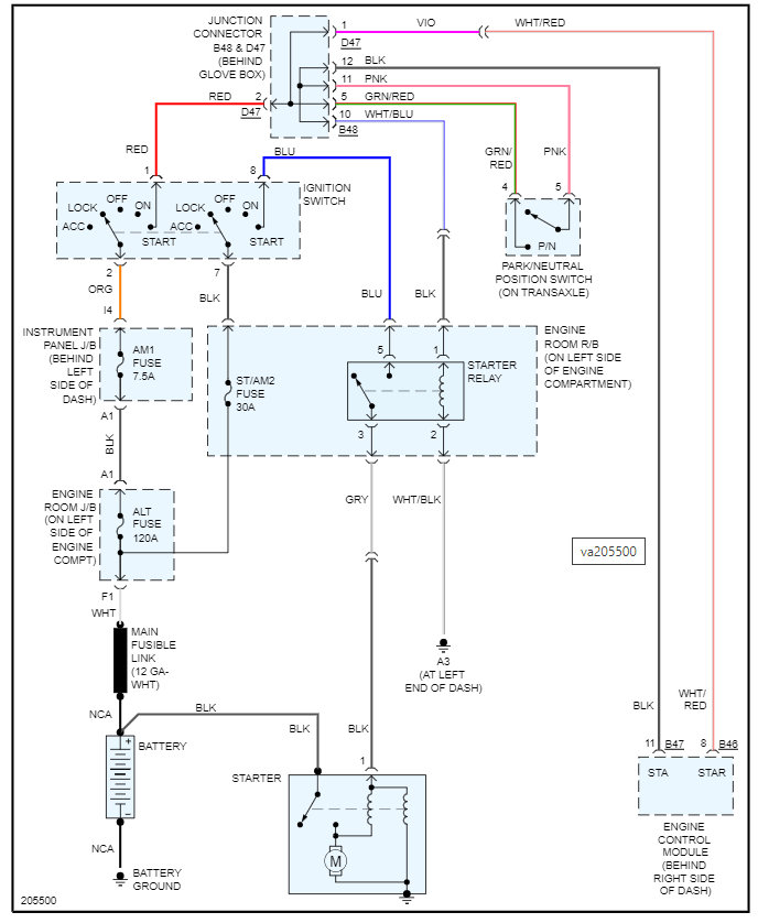
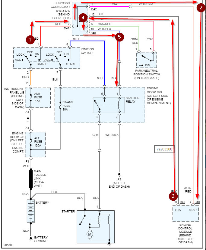
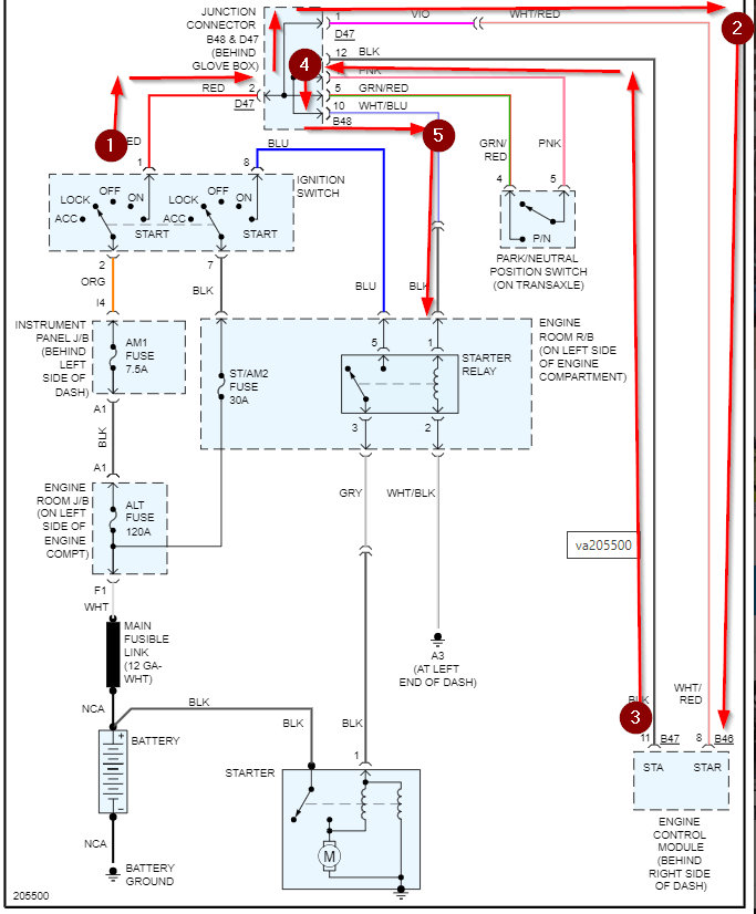
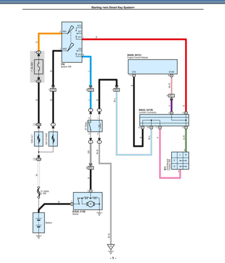
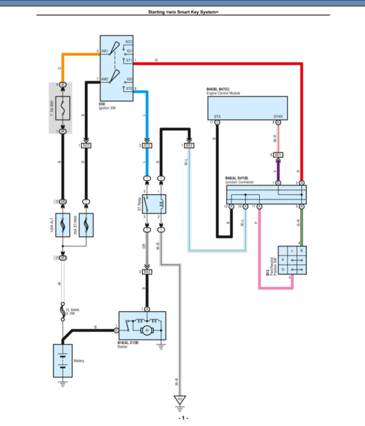
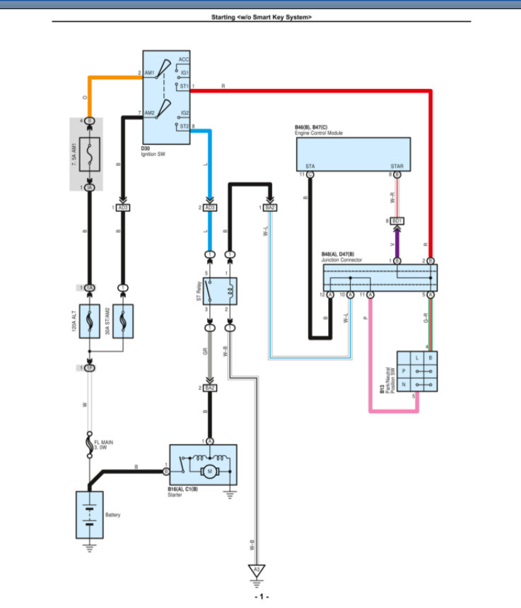
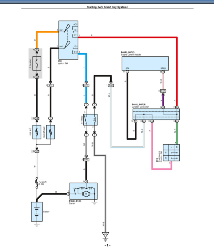
I replaced a bad alternator and battery. When I got everything back together, the starter would run but the car would not start. I did not seem to be getting fuel or spark, I wasn't sure which. I finally found that I had broken the black wire on the crankshaft position sensor while getting the alternator around the wiring harness. I soldered that wire and put everything back together. Now the starter is not turning over. I have a charged battery. There is no power to the starter. I also found that there is no power to the OBD port. I checked all my fuses, and they are good. I'm not sure what to check next. I will try checking relays next. Does anybody have thoughts on what else I might test or try?















