The driver window is giving me problems

Tiny
WALLACE4
  • MEMBER
  • 2006 PONTIAC GRAND PRIX
  • 126,000 MILES
I have a 2006 Pontiac Grand Prix with power windows the driver window is giving me problems it will roll down with no problems but will not go up in the past you get it to go back up but now it will now any help would be appreciated?
Thank you in advance!
Wednesday, January 29th, 2014 AT 4:25 PM

4 Replies

Tiny
KNOWLEDGE IS POWER
  • MECHANIC
  • 1,136 POSTS
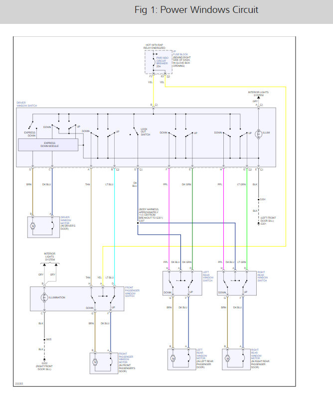
It sounds like you need to replace the window regulator but to be sure let's use these guides and diagrams below to fix the problem. This video shows the job being done on a similar car but the process is the same. There are diagrams below to show you how on your car.

https://youtu.be/oNxstjcA25k

and

https://www.2carpros.com/articles/electric-window-repair

and

https://www.2carpros.com/articles/how-to-check-and-replace-a-electric-power-window-motor

Check out the diagrams (Below). Let us know what happens and please upload pictures or videos of the problem.
Was this
answer
helpful?
Yes
No
-1
Wednesday, January 29th, 2014 AT 4:30 PM
Tiny
WALLACE4
  • MEMBER
  • 2 POSTS
That is a good ideal I did run a hot and ground from the battery to the motor on the regulator and the window goes up and down with no issues that is kinda why I was thinking it may be the switch just figured I would check the switch is 75 so figure I would ask.
Was this
answer
helpful?
Yes
No
Saturday, February 1st, 2014 AT 6:30 PM
Tiny
KNOWLEDGE IS POWER
  • MECHANIC
  • 1,136 POSTS
Youre doin great. Doesn't seem like you needed my help at all. Shout if you need though
Was this
answer
helpful?
Yes
No
+1
Saturday, February 1st, 2014 AT 6:51 PM
Tiny
ASEMASTER6371
  • MECHANIC
  • 52,796 POSTS
Just to add, if you replaced the pump, you should have flushed the tank of all the old fuel.

At this time, you may have contaminated to new pump with all the dirt and debris from the old fuel.

I would start by dropping the tank and flushing the tank and installing a new pump.

https://www.2carpros.com/articles/how-to-replace-an-electric-fuel-pump

https://www.2carpros.com/articles/how-to-change-a-fuel-filter

Roy

NOTE: The fuel tank is located under the rear seat of the vehicle.

REMOVAL:

1. Relieve the fuel system pressure. See: Fuel Delivery and Air Induction > Procedures > Fuel System Pressure Relief Procedure
2. Drain fuel tank.
3. Support the fuel tank and disconnect the two fuel tank retaining straps. Loosen the exhaust heat shield at the rear (5 screws) and lower exhaust at the rear hanger.
4. Lower the tank enough to disconnect the sending unit wire, hoses, and ground strap if equipped.
5. Remove the tank from the vehicle.
6. Remove the sending unit.

INSTALLATION:

1. Using a new O-ring, replace the fuel sending unit.
2. Raise the fuel tank into position enough to connect the sending unit wire, hoses, and ground strap if equipped.
3. Install the fuel tank retaining straps and tighten the bolts.
4. Install lower exhaust at the hanger, and the exhaust heat shield.
5. Refill the tank with fuel and check for leaks.
Was this
answer
helpful?
Yes
No
Monday, March 22nd, 2021 AT 5:55 AM

Please login or register to post a reply.