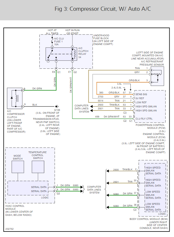
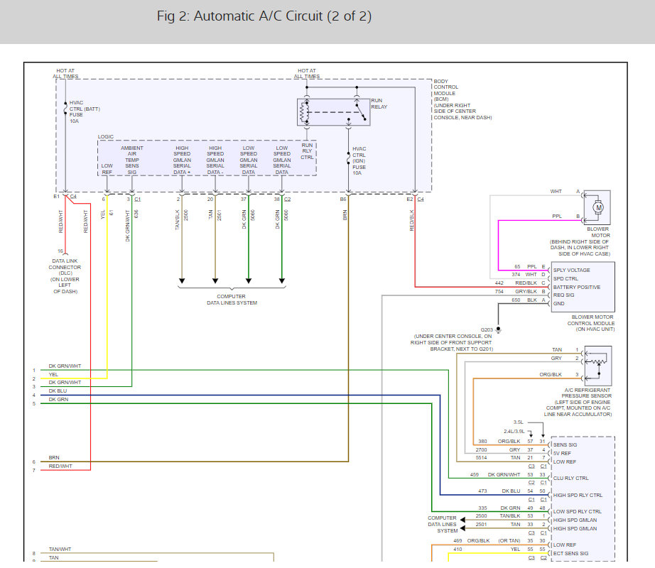
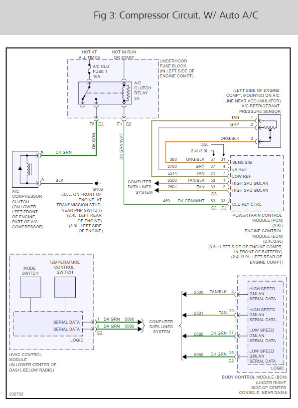
Monday, July 6th, 2015 AT 4:36 PM
My ac is blowing warm air sometimes semi cool to luke warm to hot I've tried charging it twice with134a and it still blows warm air to hot air, it can't be my compressor because it does kick on. What else could it be? I have 2 toddlers and it's just frustrating that I can't get it to operate correctly in this horrible TX weather. Thanks in advance for any advice you may have.







