Friday, November 26th, 2010 AT 6:05 PM
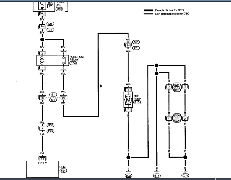
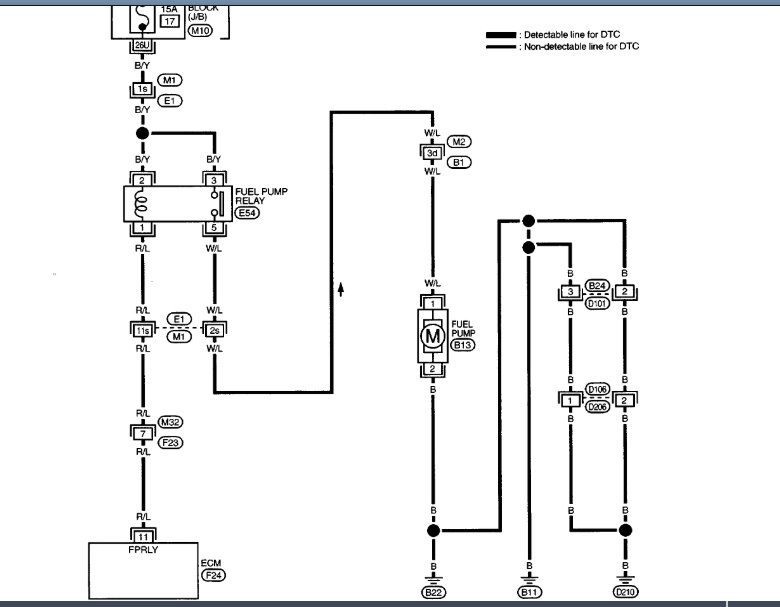
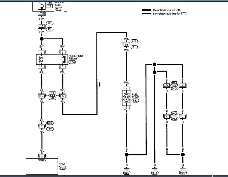
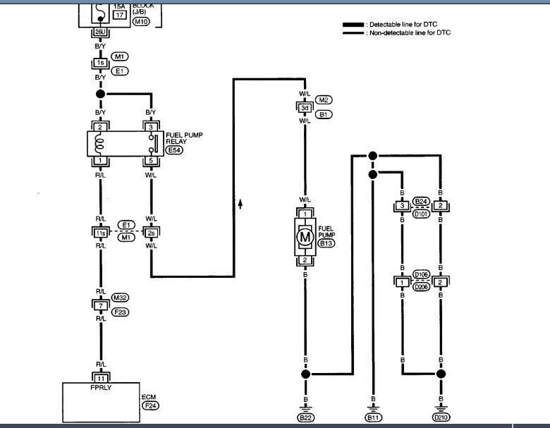
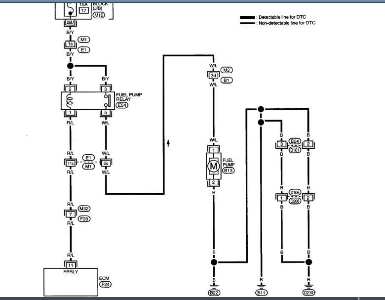
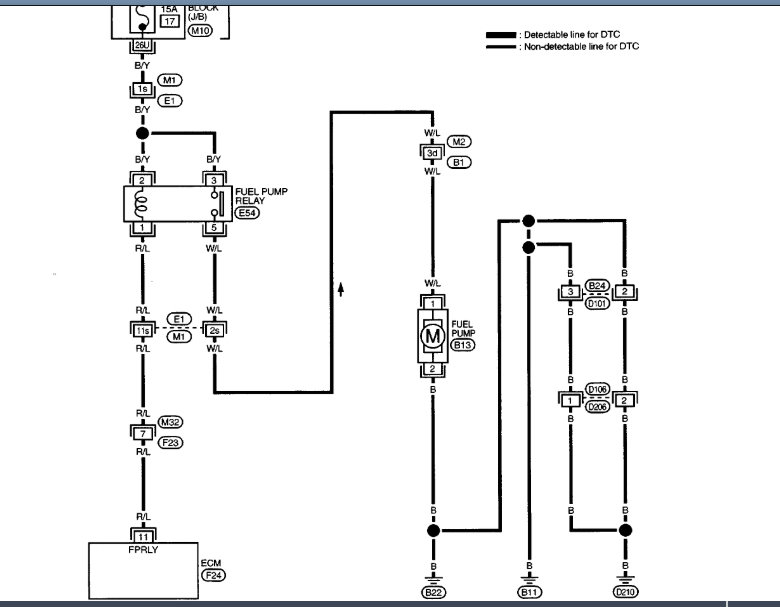
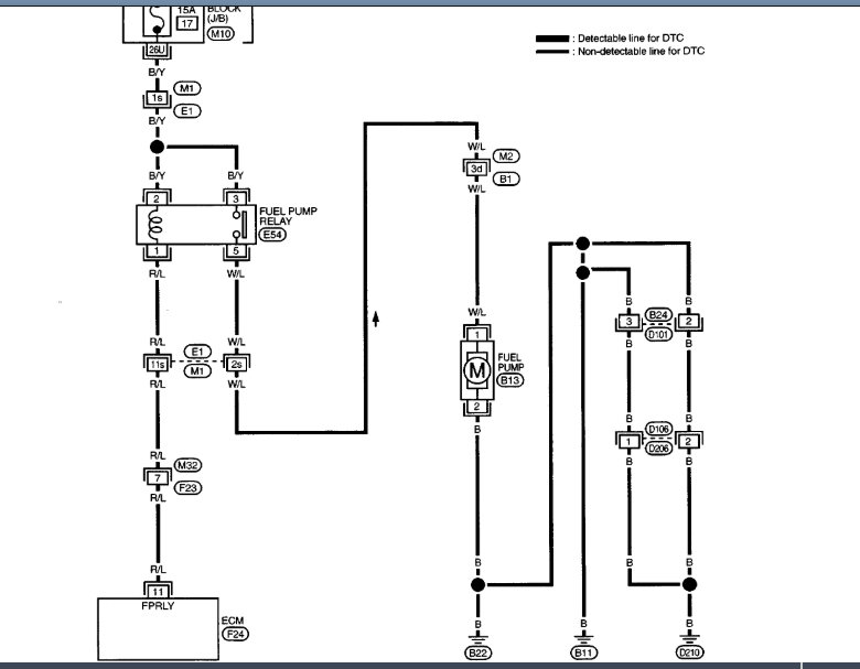
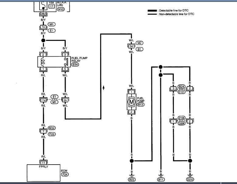
I have a 2006 Pathfinder V6 Le. The engine all of a sudden the car just would not start. It would turn over but wouldn't start. The next day it started right up. Later that day it wouldn't start. I'm told this could either be the fuel pump or the relay. Does this sound about right. Starter fluid was sprayed in the air intake to test, and it started right up but died shortly after.










