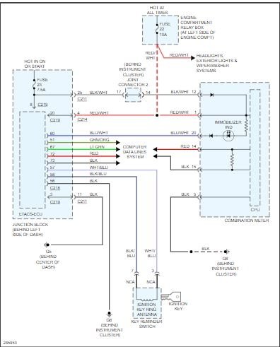
Since then, the fuses were put back in directly afterward and checked to make sure none of them were blown - they're all in the correct place and in working order. However, now the car won't start no matter what I do. It cranks but does not start under any circumstances. I believe the car thinks that someone is trying to steal it so it may be an anti theft/immobilizer issue. However, from what I can see, there is no light on the dash indicating that the anti theft is engaged (as long as this light would still come on when not being able to start the car).
Over the last several days I have tried just about anything I could find. It seemed as though some progress was being made because things that weren't working before had started working. In the beginning, no lights inside the car would come on any longer, the key fob wouldn't work to lock/unlock the vehicle, the car would not make the dinging sound it often makes when the door is open and the keys are in the ignition and so on. Eventually, (sometimes due to trying to jump start the car), the lights inside came on, the key started to work to at least lock/unlock the vehicle etc - however, the key has stopped working again but all the lights still come on inside the car - I don't believe the day light running lights come on though. Also, just so you're aware I only have 1 key that is a key fob with the transmitter inside it and then the other key I was given by the used car dealer I bought it from is just a normal key with no buttons/fob or anything like that - neither key will start the car.
So anyway, a friend of mine has a friend who's a mechanic and he offered to come take a quick look at it as a favor. They double checked that all the fuses were in properly/not blown, they checked the relays and the fuel pump everything seems to be just fine. After that, my friend offered to have it towed up to a shop not far from where I am to have it looked at by a mechanic there. My friend came by today and told me that the shop supposedly said that my car's computer is fried and that I should just junk it otherwise it will cause $1,000.00 to fix. I wasn't told in detail what the mechanic had told my friend, as far as what all they checked or any error codes the car gave when hooked up (if any). I plan to call myself tomorrow to find out more but I don't quite trust the answer that I received.
I am in no way acting as if I know more about cars than a mechanic however, the shop was doing this as a favor to my friend so I also can't be sure whether or not they truly tried that hard to determine the issue. Is there any suggestions that you might have and do you happen to know if it's actually plausible that the computer in my car is completely fried, even though prior to all this the car was running just fine and what started it all was the alarm going off.
Please let me know if there's any thing at all you can suggest. I cannot afford to get another car at all, even a $1,000.00 car. Nor do I have $1,000.00 to fix my car as the mechanic suggested the computer would cost.
Thursday, May 23rd, 2019 AT 12:56 AM






