Thursday, August 29th, 2013 AT 7:19 PM
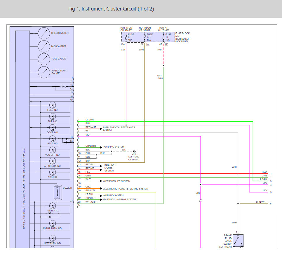
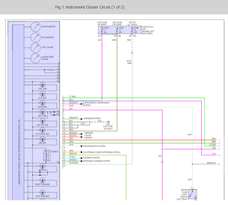
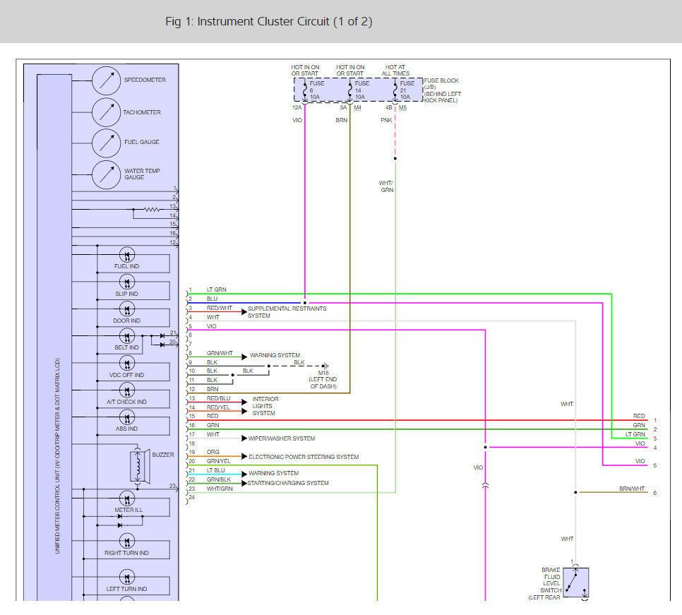
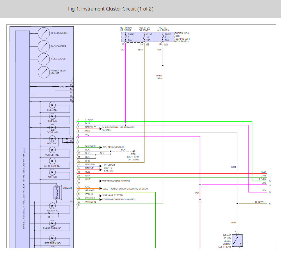
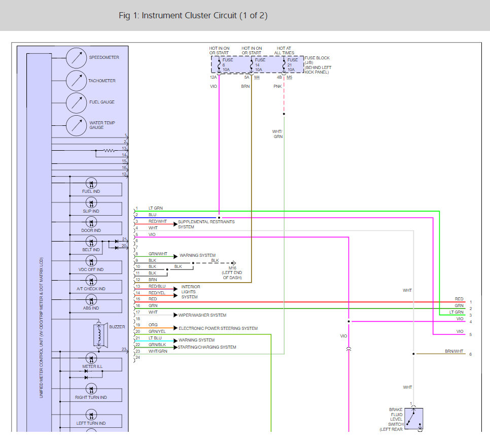
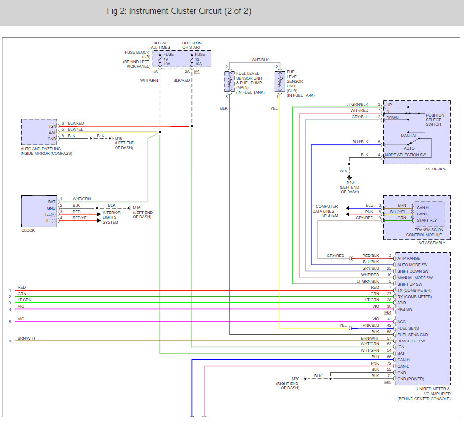
I have a 2006 m45. All the gauges in the cluster light up but don't work. The electronic prndl lock won't disengage unless I use the manual press button. The climate control and blowers stopped working too. I do have radio. What fuse blew and where is it located?





















