Rear speakers quit working

Tiny
LARNELSON3
  • MEMBER
  • 2006 HUMMER H3
  • 3.5L
  • 5 CYL
  • 4WD
  • AUTOMATIC
  • 192,000 MILES
Suddenly with no apparent reason the rear speakers in my 2006 H3 quit working?
Sunday, September 21st, 2014 AT 7:59 AM

2 Replies

Tiny
HMAC300
  • MECHANIC
  • 48,601 POSTS
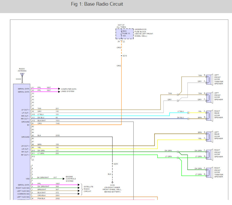
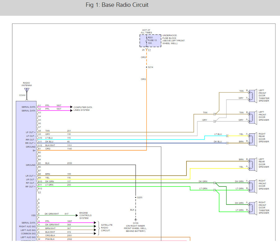
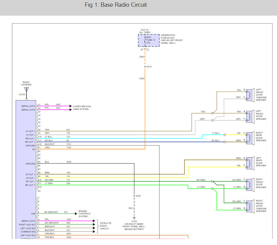
Hello, there is an AMP fuse #38 that needs to be checked here is a guide to help you and the fuse location with the radio wiring diagrams to help you see how the system works.

https://www.2carpros.com/articles/how-to-check-a-car-fuse

Check out the diagrams (Below). Please let us know what happens.

Cheers
Was this
answer
helpful?
Yes
No
+3
Sunday, September 21st, 2014 AT 2:50 PM
Tiny
BOOPERIII
  • MEMBER
  • 1 POST
Thank you for this post I had this problem it was the fuse because the amp blew out! Lol
Was this
answer
helpful?
Yes
No
Monday, September 24th, 2018 AT 2:01 PM

Please login or register to post a reply.