
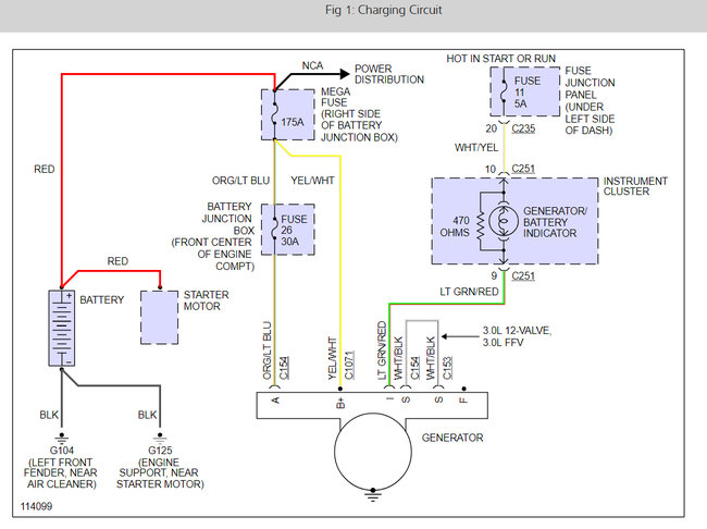
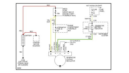
You have 3 fuses
one on the right side of the battery junction box 175A
one # 26 front center of engine compartment its 30A
one is under left side of dash
check for battery power at the big wire back of alternator
Wednesday, July 28th, 2021 AT 2:31 PM
(Merged)