Parking light fuse keeps blowing?

Tiny
DEBORAH STRANGE
  • MEMBER
  • 2006 FORD FOCUS
  • 4 CYL
  • AUTOMATIC
  • 79,000 MILES
The fuse for my parking lamp s keeps blowing out what is wrong.
Monday, January 31st, 2011 AT 2:41 AM

8 Replies

Tiny
DOCFIXIT
  • MECHANIC
  • 18,828 POSTS
Hello,

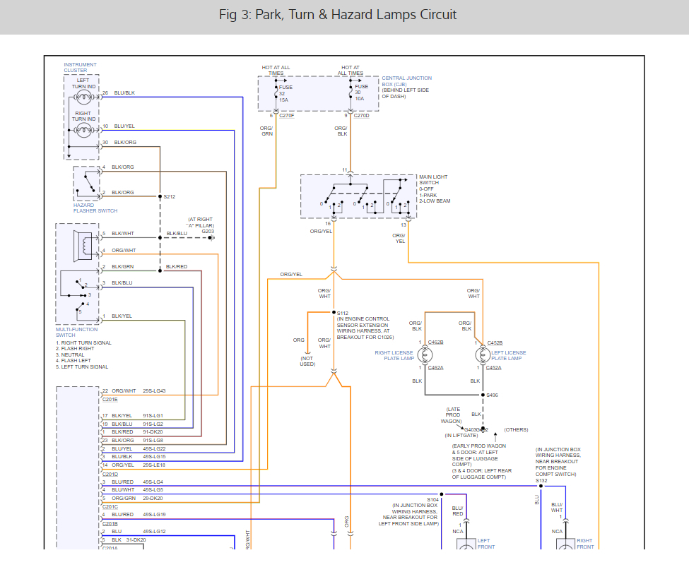
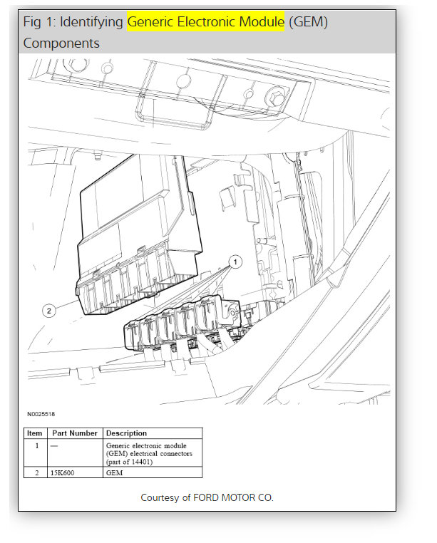
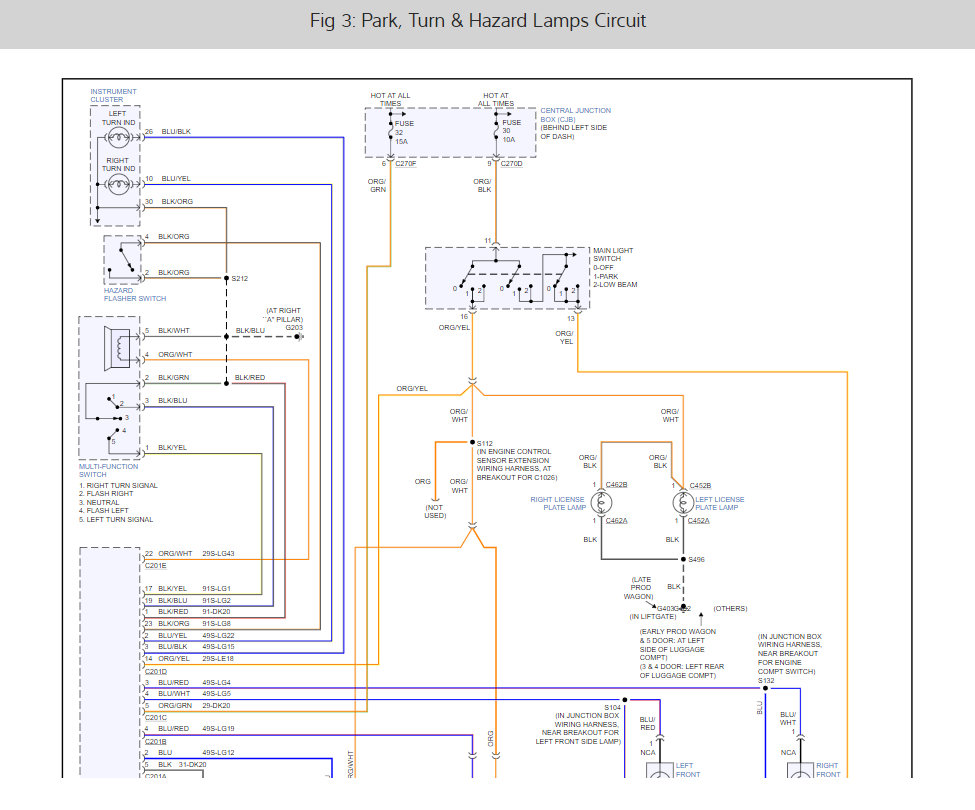
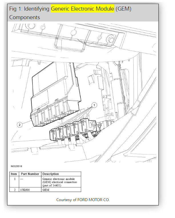
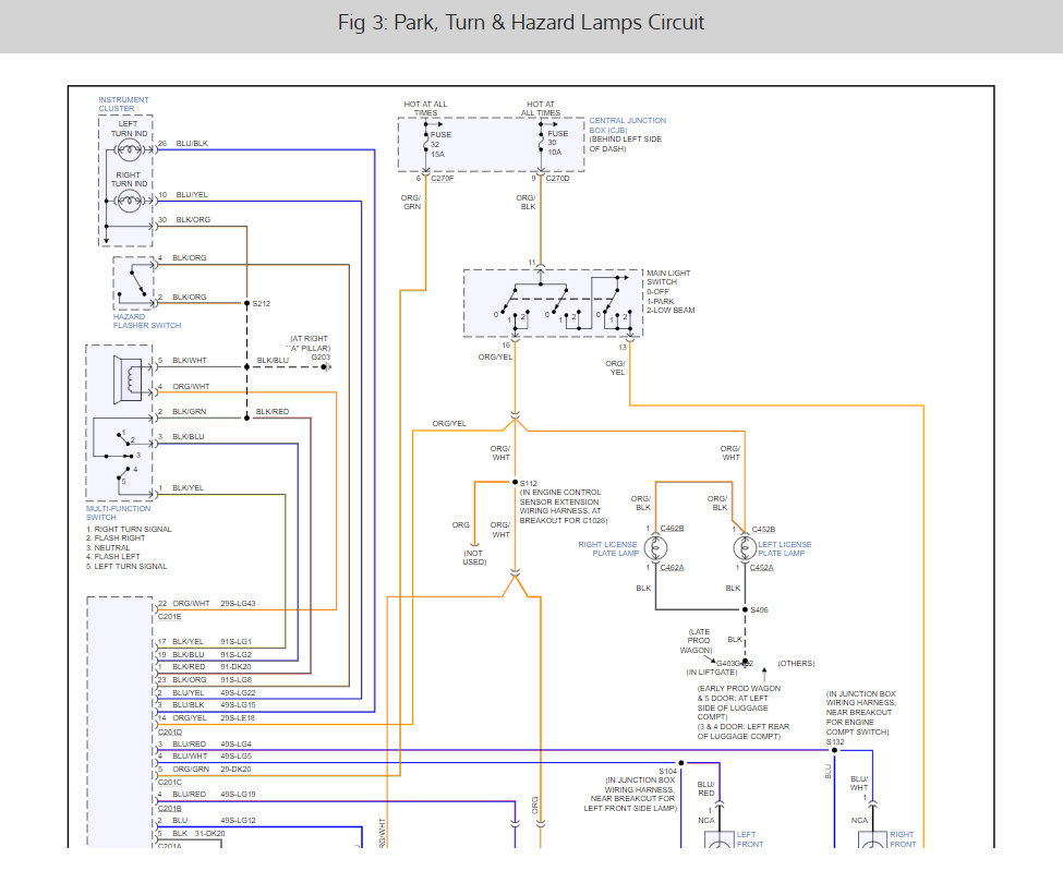
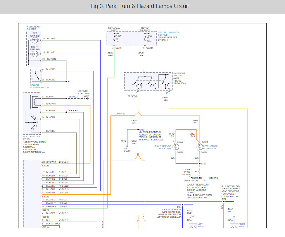
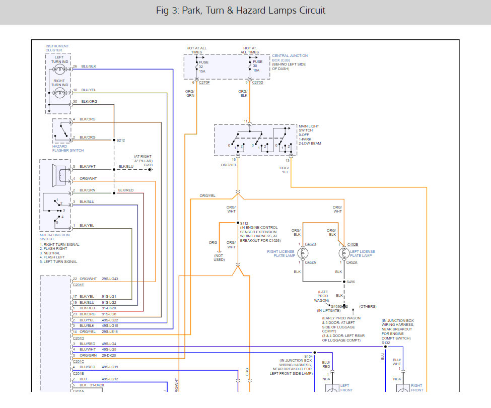
There is GEM module that could be out but first remove all running light bulbs to see if any of the sockets are melted. here is the running light wiring diagrams so you can see how the system works and a guide to help you test for a short.

https://www.2carpros.com/articles/how-to-check-wiring

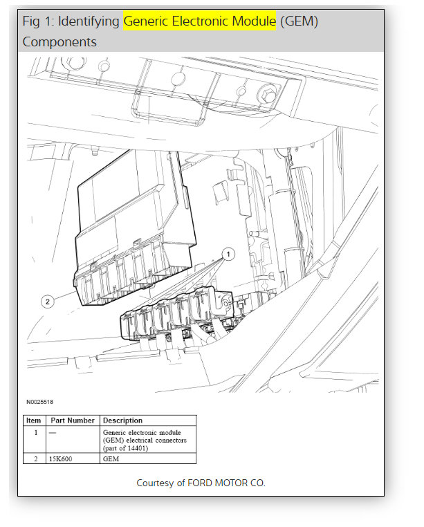
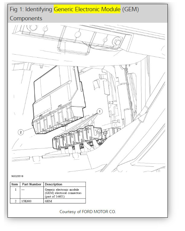
Here is the GEM module location in case it needs to be replaced. Check out the diagrams (Below). Please let us know what you find. We are interested to see what it is.

Was this
answer
helpful?
Yes
No
Monday, January 31st, 2011 AT 6:27 PM
Tiny
DEBORAH STRANGE
  • MEMBER
  • 2 POSTS
You nailed it, the front running light socket on the drivers side was melted causing the fuse to blow thank you so much for you time have a blessed day.
Was this
answer
helpful?
Yes
No
+1
Tuesday, February 1st, 2011 AT 2:12 AM
Tiny
DOCFIXIT
  • MECHANIC
  • 18,828 POSTS
Faulty bulbs can cause the socket to melt as well BTW. Nice work, we are here to help, please use 2CarPros anytime.
Was this
answer
helpful?
Yes
No
Wednesday, February 2nd, 2011 AT 4:26 PM
Tiny
JOHN GRACE
  • MEMBER
  • 4 POSTS
Make sure wires are not trapped in tail light like my car did the same thing.
Was this
answer
helpful?
Yes
No
Friday, April 15th, 2011 AT 2:19 AM
Tiny
RANDY SHARP
  • MEMBER
  • 165 POSTS
  • 2003 FORD FOCUS
  • 2.3L
  • 4 CYL
  • FWD
  • AUTOMATIC
  • 85,000 MILES
Does any one know where the fuse for the tail lights is located? Tail lights and license plate and middle light above hatch back not working. Does the license plate and tail lights use the same fuse?
Was this
answer
helpful?
Yes
No
Tuesday, March 24th, 2020 AT 1:13 PM (Merged)
Tiny
CJ MEDEVAC
  • MECHANIC
  • 11,005 POSTS
Not familiar with your rig.

HOWEVER!

I was able to screenshot (3 shots) from "Prodemand" the stop lights diagram

I guessed at it being an "LX" (This particular diagram may be the same for all sub models)

If you see something that just ain't right, send back all of the info you can on your car I'll search again for the correct diagram.

I insured my shots overlapped so nothing is missing. Locations of stuff is usually noted on the diagram, as well as fuse numbers and amp rating.

See my pics below,

1st is the top/ 2nd is middle/ 3rd is bottom

Let us know how progress is coming.

The Medic
Was this
answer
helpful?
Yes
No
Tuesday, March 24th, 2020 AT 1:13 PM (Merged)
Tiny
THARWOODSD
  • MEMBER
  • 1 POST
  • FORD FOCUS
I have a 2001 focus. The taillight bulb was broken - I replaced it and it still doesn't work. The brake light comes on - so the fuse is good? What is the problem. These lights eem to burn out quite often as well. Thanks Tom
Was this
answer
helpful?
Yes
No
Tuesday, March 24th, 2020 AT 1:13 PM (Merged)
Tiny
AEONEOS
  • MEMBER
  • 6 POSTS
The bulb itself was broken or the lens (the red part) was broken? If the lens itself is broken or has a crack in it, moisture can get in which will shorten the life of a bulb. Also check the socket. Often times if the bulb doesn't work after replacing it, it means that the socket is having issues such as corrosion or a short. Generally, the best bet to determine if power is getting to the end of a circuit is to start at the end with a light tester and work your way back down the wiring harness for the taillights.
Was this
answer
helpful?
Yes
No
Tuesday, March 24th, 2020 AT 1:13 PM (Merged)

Please login or register to post a reply.