Jun 23, 2021 at 7:01 PM
(Merged)
Why does the battery drain down?
2006 DODGE RAM
Advertisement
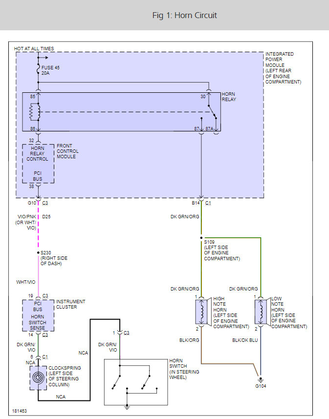
Hi, this is Steve S. I re-registered under a new username because I am trying to cut down on how much information Facebook takes from me and mine. The horn issue is not related to the alarm system other than that system does use the horn when activated. The battery drain is due to the PCM getting a horn engaged signal from the faulty pad and sending a signal to the horn relay to blow the horn. That relay then stays closed, ad infinitum, drawing power, even if the fuse that delivers power to the actual horn has been removed- the horn fuse is downstream from the horn relay, which is only fused indirectly by 51, which fuses the PCM. Now that I actually think about it, it is related to the alarm in that this goofy circuiting is probably the way they get the horn to blast and chirp when the alarm needs it as well as when you, the driver, lays on the horn pad.
I see where it would be but it is the truck. Not the van.
Jun 23, 2021 at 7:01 PM
(Merged)
Thank you Steve S (RammaJamma). My point was: is the alarm causing the horn to blow (that appears as a short). I am guessing probably not now that I think of it because there would be other indications that the system is alarming. Again thanks for your insight.
Jun 23, 2021 at 7:01 PM
(Merged)
Here is a description of the odometer functions.
ODOMETER
DESCRIPTION
An odometer and trip odometer are standard equipment in all instrument clusters. The odometer, trip odometer, and engine hours information are displayed in a common electronic, blue-green Vacuum -Fluorescent Display (VFD). The VFD is soldered onto the cluster electronic circuit board and is visible through a window with a smoked clear lens located on the lower edge of the tachometer gauge dial face of the cluster overlay. The dark lens over the VFD prevents it from being clearly visible when it is not illuminated. However, the odometer, trip odometer, and engine hours information are not displayed simultaneously. The trip odometer reset switch on the instrument cluster circuit board toggles the display between odometer and trip odometer modes by depressing the odometer/trip odometer switch button that extends through the lower edge of the cluster lens, just left of the odometer VFD. When the trip odometer information is displayed, the word "TRIP" is also illuminated in the upper right corner of the VFD in a blue -green color and at the same lighting level as the trip odometer information. The engine hours information replaces the selected odometer or trip odometer information whenever the ignition switch is in the On position and the engine is not running.
The odometer, trip odometer, and engine hours information is stored in the instrument cluster memory. This information can be increased when the proper inputs are provided to the instrument cluster, but the information cannot be decreased. The odometer can display values up to 999,999 kilometers (999,999 miles). The odometer latches at these values, and will not roll over to zero.
The trip odometer can display values up to 9,999.9 kilometers (9,999.9 miles) before it rolls over to zero. The odometer display does not have a decimal point and will not show values less than a full unit (kilometer or mile), while the trip odometer display does have a decimal point and will show tenths of a unit (kilometer or mile). The unit of measure (kilometers or miles) for the odometer and trip odometer display is not shown in the VFD. The unit of measure for the instrument cluster odometer/trip odometer is selected at the time that it is manufactured, and cannot be changed. Engine hours are displayed in the format, "hr9999". The cluster will
accumulate values up to 9,999 hours before the display rolls over to zero.
The odometer has a "Rental Car" mode, which will illuminate the odometer information in the VFD whenever the driver side front door is opened with the ignition switch in the Off or Accessory positions. During daylight hours (exterior lamps are Off) the VFD is illuminated at full brightness for clear visibility. At night (exterior lamps are On) the VFD lighting level is adjusted with the other cluster illumination lamps using the panel lamps dimmer thumbwheel on the headlamp switch. However, a "Parade" mode position of the panel lamps dimmer thumbwheel allows the VFD to be illuminated at full brightness if the exterior lamps are turned On during daylight hours.
The VFD, the trip odometer switch, and the trip odometer switch button are serviced as a unit with the instrument cluster.
OPERATION
The odometer and trip odometer give an indication to the vehicle operator of the distance the vehicle has traveled. The engine hours give an indication of the cumulative engine-on time. This indicator is controlled by the instrument cluster circuitry based upon cluster programming and electronic messages received by the cluster from the Powertrain Control Module (PCM) over the Programmable Communications Interface (PCI) data bus. The odometer, trip odometer and engine hours information is displayed by the instrument cluster Vacuum Fluorescent Display (VFD). The VFD will display the odometer information whenever any door is opened with the ignition switch in the Off or Accessory positions, and will display the last previously selected odometer or trip odometer information when the ignition switch is turned to the On or Start positions. The instrument cluster circuitry controls the VFD and provides the following features:
• Odometer/Trip Odometer Display Toggling - Actuating the trip odometer reset switch button momentarily with the VFD illuminated will toggle the display between the odometer and trip odometer information. Each time the VFD is illuminated with the ignition switch in the On or Start positions, the display will automatically return to the last mode previously selected (odometer or trip odometer).
• Engine Hours Display Toggling - When the trip odometer reset switch button is pressed and held for longer than about six seconds with the ignition switch in the On position and the engine speed message from the PCM is zero, the trip odometer information will be momentarily displayed, then the engine hours information will be displayed. The VFD must be displaying the odometer information when the trip odometer reset switch button is pressed in order to toggle to the engine hours display. The engine hours will remain displayed for about thirty seconds, until the engine speed message is greater than zero, or until the ignition switch is turned to the Off position, whichever occurs first.
• Trip Odometer Reset - When the trip odometer reset switch button is pressed and held for longer than about two seconds with the ignition switch in the On or Start positions, the trip odometer will be reset to 0.0 kilometers (miles). The VFD must be displaying the trip odometer information in order for the trip odometer information to be reset.
• Communication Error - If the cluster fails to receive a distance message during normal operation, it will hold and display the last data received until the ignition switch is turned to the Off position. If the cluster does not receive a distance message within one second after the ignition switch is turned to the On position, it will display the last distance message stored in the cluster memory. If the cluster is unable to display distance information due to an error internal to the cluster, the VFD display will be dashes.
• Actuator Test - Each time the cluster is put through the actuator test, the odometer VFD will display all of its segments simultaneously during the VFD portion of the test to confirm the functionality of each of the VFD segments and the cluster control circuitry.
• The PCM continually monitors the vehicle speed pulse information received from the vehicle speed sensor and engine speed pulse information received from the crankshaft position sensor, then sends the proper distance and engine speed messages to the instrument cluster. For further diagnosis of the odometer/trip odometer or the instrument cluster circuitry that controls these functions. For proper
diagnosis of the vehicle speed sensor, the crankshaft position sensor, the PCM, the PCI data bus, or the electronic message inputs to the instrument cluster that control the odometer/trip odometer, a DRBIII(R) scan tool is required.
© 2008 Mitchell Repair Information Co., LLC.
Since the odometer is showing all the time, something should be staying on.
Is vehicle equipped with any ex-factory accessories?
ODOMETER
DESCRIPTION
An odometer and trip odometer are standard equipment in all instrument clusters. The odometer, trip odometer, and engine hours information are displayed in a common electronic, blue-green Vacuum -Fluorescent Display (VFD). The VFD is soldered onto the cluster electronic circuit board and is visible through a window with a smoked clear lens located on the lower edge of the tachometer gauge dial face of the cluster overlay. The dark lens over the VFD prevents it from being clearly visible when it is not illuminated. However, the odometer, trip odometer, and engine hours information are not displayed simultaneously. The trip odometer reset switch on the instrument cluster circuit board toggles the display between odometer and trip odometer modes by depressing the odometer/trip odometer switch button that extends through the lower edge of the cluster lens, just left of the odometer VFD. When the trip odometer information is displayed, the word "TRIP" is also illuminated in the upper right corner of the VFD in a blue -green color and at the same lighting level as the trip odometer information. The engine hours information replaces the selected odometer or trip odometer information whenever the ignition switch is in the On position and the engine is not running.
The odometer, trip odometer, and engine hours information is stored in the instrument cluster memory. This information can be increased when the proper inputs are provided to the instrument cluster, but the information cannot be decreased. The odometer can display values up to 999,999 kilometers (999,999 miles). The odometer latches at these values, and will not roll over to zero.
The trip odometer can display values up to 9,999.9 kilometers (9,999.9 miles) before it rolls over to zero. The odometer display does not have a decimal point and will not show values less than a full unit (kilometer or mile), while the trip odometer display does have a decimal point and will show tenths of a unit (kilometer or mile). The unit of measure (kilometers or miles) for the odometer and trip odometer display is not shown in the VFD. The unit of measure for the instrument cluster odometer/trip odometer is selected at the time that it is manufactured, and cannot be changed. Engine hours are displayed in the format, "hr9999". The cluster will
accumulate values up to 9,999 hours before the display rolls over to zero.
The odometer has a "Rental Car" mode, which will illuminate the odometer information in the VFD whenever the driver side front door is opened with the ignition switch in the Off or Accessory positions. During daylight hours (exterior lamps are Off) the VFD is illuminated at full brightness for clear visibility. At night (exterior lamps are On) the VFD lighting level is adjusted with the other cluster illumination lamps using the panel lamps dimmer thumbwheel on the headlamp switch. However, a "Parade" mode position of the panel lamps dimmer thumbwheel allows the VFD to be illuminated at full brightness if the exterior lamps are turned On during daylight hours.
The VFD, the trip odometer switch, and the trip odometer switch button are serviced as a unit with the instrument cluster.
OPERATION
The odometer and trip odometer give an indication to the vehicle operator of the distance the vehicle has traveled. The engine hours give an indication of the cumulative engine-on time. This indicator is controlled by the instrument cluster circuitry based upon cluster programming and electronic messages received by the cluster from the Powertrain Control Module (PCM) over the Programmable Communications Interface (PCI) data bus. The odometer, trip odometer and engine hours information is displayed by the instrument cluster Vacuum Fluorescent Display (VFD). The VFD will display the odometer information whenever any door is opened with the ignition switch in the Off or Accessory positions, and will display the last previously selected odometer or trip odometer information when the ignition switch is turned to the On or Start positions. The instrument cluster circuitry controls the VFD and provides the following features:
• Odometer/Trip Odometer Display Toggling - Actuating the trip odometer reset switch button momentarily with the VFD illuminated will toggle the display between the odometer and trip odometer information. Each time the VFD is illuminated with the ignition switch in the On or Start positions, the display will automatically return to the last mode previously selected (odometer or trip odometer).
• Engine Hours Display Toggling - When the trip odometer reset switch button is pressed and held for longer than about six seconds with the ignition switch in the On position and the engine speed message from the PCM is zero, the trip odometer information will be momentarily displayed, then the engine hours information will be displayed. The VFD must be displaying the odometer information when the trip odometer reset switch button is pressed in order to toggle to the engine hours display. The engine hours will remain displayed for about thirty seconds, until the engine speed message is greater than zero, or until the ignition switch is turned to the Off position, whichever occurs first.
• Trip Odometer Reset - When the trip odometer reset switch button is pressed and held for longer than about two seconds with the ignition switch in the On or Start positions, the trip odometer will be reset to 0.0 kilometers (miles). The VFD must be displaying the trip odometer information in order for the trip odometer information to be reset.
• Communication Error - If the cluster fails to receive a distance message during normal operation, it will hold and display the last data received until the ignition switch is turned to the Off position. If the cluster does not receive a distance message within one second after the ignition switch is turned to the On position, it will display the last distance message stored in the cluster memory. If the cluster is unable to display distance information due to an error internal to the cluster, the VFD display will be dashes.
• Actuator Test - Each time the cluster is put through the actuator test, the odometer VFD will display all of its segments simultaneously during the VFD portion of the test to confirm the functionality of each of the VFD segments and the cluster control circuitry.
• The PCM continually monitors the vehicle speed pulse information received from the vehicle speed sensor and engine speed pulse information received from the crankshaft position sensor, then sends the proper distance and engine speed messages to the instrument cluster. For further diagnosis of the odometer/trip odometer or the instrument cluster circuitry that controls these functions. For proper
diagnosis of the vehicle speed sensor, the crankshaft position sensor, the PCM, the PCI data bus, or the electronic message inputs to the instrument cluster that control the odometer/trip odometer, a DRBIII(R) scan tool is required.
© 2008 Mitchell Repair Information Co., LLC.
Since the odometer is showing all the time, something should be staying on.
Is vehicle equipped with any ex-factory accessories?
Jun 23, 2021 at 7:01 PM
(Merged)
Advertisement
Correct, it is caused not exactly by a short, but by poor design of the horn pad. Think of those old Sinclair computers with the key-less keyboards- that is the kind of contact the horn switch is, and they are obviously prone to failure either from thermal or poor manufacturing issues. The micro-button gets compressed and activates the horn permanently. Alarm not involved at all.
Jun 23, 2021 at 7:01 PM
(Merged)
power keeps being drained,have checked fuses, new battery, alt., can not find problem any ideas?
Jun 23, 2021 at 7:01 PM
(Merged)
There is nothing extra added to the truck. It is the basic work edition which has no power windows or power locks. I assumed something was staying on but would not know where to start to look for it.
Jun 23, 2021 at 7:01 PM
(Merged)
Here is a how to for checking electrical draws. What to do is follow the directions. Once you have determined there is a draw, remove one fuse at a time until the draw stops. At that point, you will know what circuit the problem is coming from.
Let me know what you find.
Joe
https://www.2carpros.com/first_things/why_is_my_car_battery_dead_over_night.htm
Let me know what you find.
Joe
https://www.2carpros.com/first_things/why_is_my_car_battery_dead_over_night.htm
Jun 23, 2021 at 7:01 PM
(Merged)
RammaJamma Perfect - you know your stuff!
Jun 23, 2021 at 7:01 PM
(Merged)
A power drain test would have to be performed to determine its circuit. Start with the fuses in Integrated Power Module, on left of engine compartment.
Disconnect batter negative terminal and attach an ammeter in between terminal and cable. Note the ampere drawn, anything more than 0.05 amp means there is a parasitic draw.
Remember to close all doors and disconnect hood switch if equipped.
If there is a draw, start pulling the fuses one by one ( reinstall if it does not affect the amperage). The fuse that drops the amperage reading should be the circuit that we should look into. Let me know which fuse has a drain and we can continue from there.
Disconnect batter negative terminal and attach an ammeter in between terminal and cable. Note the ampere drawn, anything more than 0.05 amp means there is a parasitic draw.
Remember to close all doors and disconnect hood switch if equipped.
If there is a draw, start pulling the fuses one by one ( reinstall if it does not affect the amperage). The fuse that drops the amperage reading should be the circuit that we should look into. Let me know which fuse has a drain and we can continue from there.
Jun 23, 2021 at 7:01 PM
(Merged)
I had the same issue with the battery drain. It ended up being the remote car starter was bad causing the drain as well as ignition switch frying every few months which caused my A.C. not to work. I drove around for a while with that fuse pulled out. Hope this helps someone else.
Jun 23, 2021 at 7:01 PM
(Merged)
Sorry. It has taken a few days. So all I had was a multi-meter and what I have found is fuses 19 and 20 effect output. A standard reading with the negative cable off reads 1.25. I am not sure what normal is supposed to be reading.
When I take those two fuses out they go down their corresponding amount of course (#19 is 10 and #20 is 25)
The fuse labels show #19 says "SKIM, PCM". I have no idea what that is.
#20 shows "IGNITION - UNLOCK RUN/START"
A couple other things to throw in here. My truck is a basic work truck. No power windows/locks. No hood light. Pretty standard.
So that is what I have come up with on the test. If you can continue to help me out I would appreciate it. If you can show me how to send some more cash your way I would be more than willing.
When I take those two fuses out they go down their corresponding amount of course (#19 is 10 and #20 is 25)
The fuse labels show #19 says "SKIM, PCM". I have no idea what that is.
#20 shows "IGNITION - UNLOCK RUN/START"
A couple other things to throw in here. My truck is a basic work truck. No power windows/locks. No hood light. Pretty standard.
So that is what I have come up with on the test. If you can continue to help me out I would appreciate it. If you can show me how to send some more cash your way I would be more than willing.
Jun 23, 2021 at 7:01 PM
(Merged)
Problem solved!
Replaced steering wheel skin (about $200.00 from dealer) with integrated horn switch and horn works and battery keeps a charge. I changed it a couple months ago and I am having no problems what so ever. My truck is no longer possessed!
Replaced steering wheel skin (about $200.00 from dealer) with integrated horn switch and horn works and battery keeps a charge. I changed it a couple months ago and I am having no problems what so ever. My truck is no longer possessed!
Jun 23, 2021 at 7:01 PM
(Merged)
Of course I would continue to help you in whatever way I can. The main aim of this site is to help anybody who has a problem and we would never give up without a fight. For now I am alone and if I run out of ideas, I have the whole gang of 2carpros technician behind me. We will get to the bottom of this, just that it might take some time and effort and since you are able to weild the DVOM, it should be achievable.
It is not our policy to request for additional cash. Any donations are always welcomed and we only deal through the site so if you wish to top up the amount, you can always send the donation through the donation link.
Back to the problem.
The 1.25, is it amp?
If yes, it is too high. As I mentioned in previous post, it should be less than 0.05 amp.
Fuse # 19 are for the PCM = Power Control Module ( engine computer) and security system if equipped.
Fuse # 20 = Ignition switch.
Try pulling both fuse together and testing the power drain.
Plug in fuse # 19 and see if the drain is still there.
I suspect # 20 to be the cause and when power is available at ignition switch, the PCM would be powered.
You might have a faulty ignition switch that is not cutting off completely when ignition switch is turned to OFF.
It is not our policy to request for additional cash. Any donations are always welcomed and we only deal through the site so if you wish to top up the amount, you can always send the donation through the donation link.
Back to the problem.
The 1.25, is it amp?
If yes, it is too high. As I mentioned in previous post, it should be less than 0.05 amp.
Fuse # 19 are for the PCM = Power Control Module ( engine computer) and security system if equipped.
Fuse # 20 = Ignition switch.
Try pulling both fuse together and testing the power drain.
Plug in fuse # 19 and see if the drain is still there.
I suspect # 20 to be the cause and when power is available at ignition switch, the PCM would be powered.
You might have a faulty ignition switch that is not cutting off completely when ignition switch is turned to OFF.
Jun 23, 2021 at 7:01 PM
(Merged)
Hey did you find out if that was the problem? Everything he wrote about his truck is the same problem with mine. exact same truck im pretty sure as well.
Jun 23, 2021 at 7:01 PM
(Merged)
Charged battery when i got the truck started, the gauge showed discharging and the gen light came on and truck shut off. Do you know what may be causing this? i haven't tried to stat the truck since.
Jun 23, 2021 at 7:01 PM
(Merged)
anyone reading this, for this model truck, you can shut off the truck and pull out the key and the odometer will stay on permanently on the dash. there is a grey popup button beside the key hole you have to press in and the key can turn further all the way back. that will shut off the odometer light as well. I think that was my problem I just figured out after spending $500 on diagnostics and a new battery after buying the truck from a used dealership. No one even noticed or figured that out until I realized that light showing the mileage never shut off.
Jun 23, 2021 at 7:01 PM
(Merged)
This sounds like it could be an alternator problem. Your vehicle uses the alternator to charge the battery and provide electrical power to run the electrical circuits that it needs in order to run properly. When the alternator isn't performing as it should, your battery will quickly be discharged, especially if there is a heavy load on it. I have included a couple of links below for you to go to below. The guides will need you to have a fully charged battery to run the diagnostic testing so you should charge your battery up, or if don't have access to a battery charger, you can take it to your local auto parts store, like AutoZone, and they will charge it for you for free.
https://www.2carpros.com/articles/how-to-check-a-car-alternator
https://www.2carpros.com/articles/car-battery-load-test
https://www.2carpros.com/articles/how-to-charge-your-car-battery
Please go through these guides and get back to us with what you are able to find out.
Thanks,
Alex
2Carpros
https://www.2carpros.com/articles/how-to-check-a-car-alternator
https://www.2carpros.com/articles/car-battery-load-test
https://www.2carpros.com/articles/how-to-charge-your-car-battery
Please go through these guides and get back to us with what you are able to find out.
Thanks,
Alex
2Carpros
Jun 23, 2021 at 7:01 PM
(Merged)
Repair Safety Notice: This information is for general instructional purposes only. Vehicle repair can be dangerous. Verify all information, follow manufacturer service procedures, use proper tools and safety equipment, and consult a qualified repair shop when needed.