Radiator fan not working

Tiny
SISCO707
  • MEMBER
  • 2006 CHRYSLER 300
  • 6 CYL
  • FWD
  • AUTOMATIC
  • 55,000 MILES
Why will my radiator fan not turn on? When I turn on the A/C it overheats and the fans do not turn on.
Wednesday, June 1st, 2011 AT 6:34 PM

8 Replies

Tiny
DOCFIXIT
  • MECHANIC
  • 18,828 POSTS
Maybe faulty temperature sensor, relay or fan motor. Come on with AC? Do you have a volt meter and some understanding of electronics?
Was this
answer
helpful?
Yes
No
+9
Wednesday, June 1st, 2011 AT 7:00 PM
Tiny
SISCO707
  • MEMBER
  • 4 POSTS
No I do not, but I can probably get one. And no I am not very good on electrical. I bought a cooling fan relay for $5.00 but it will not be available until tomorrow. Am I on the right track?
Was this
answer
helpful?
Yes
No
+1
Wednesday, June 1st, 2011 AT 7:09 PM
Tiny
DOCFIXIT
  • MECHANIC
  • 18,828 POSTS
Relay possible. However, for both fans not working not likely there are three fan relays.
Was this
answer
helpful?
Yes
No
+4
Wednesday, June 1st, 2011 AT 7:18 PM
Tiny
SISCO707
  • MEMBER
  • 4 POSTS
So should I buy all three? Are they all the same?
Was this
answer
helpful?
Yes
No
+3
Wednesday, June 1st, 2011 AT 7:27 PM
Tiny
WRENCHTECH
  • MECHANIC
  • 20,761 POSTS
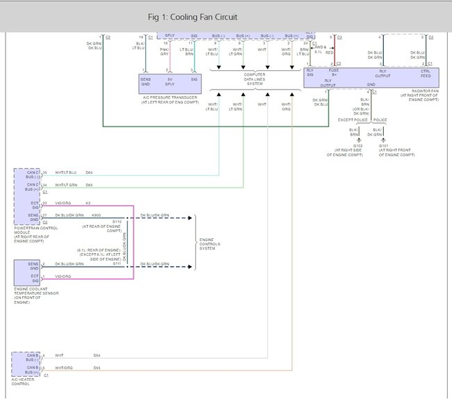
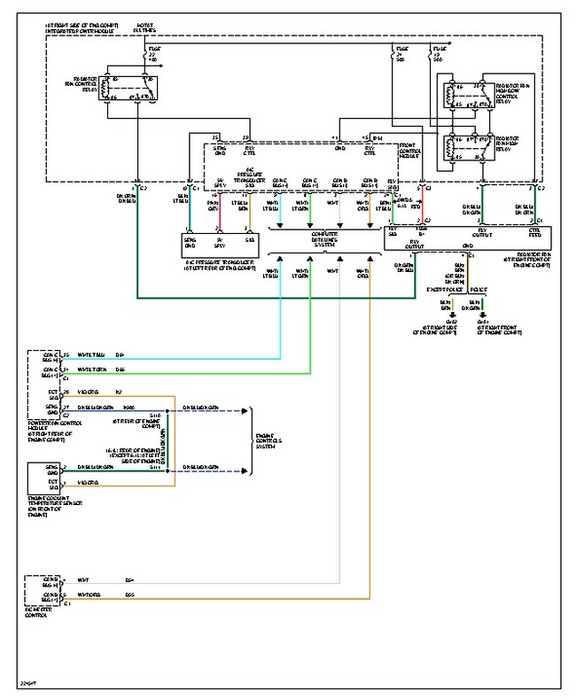
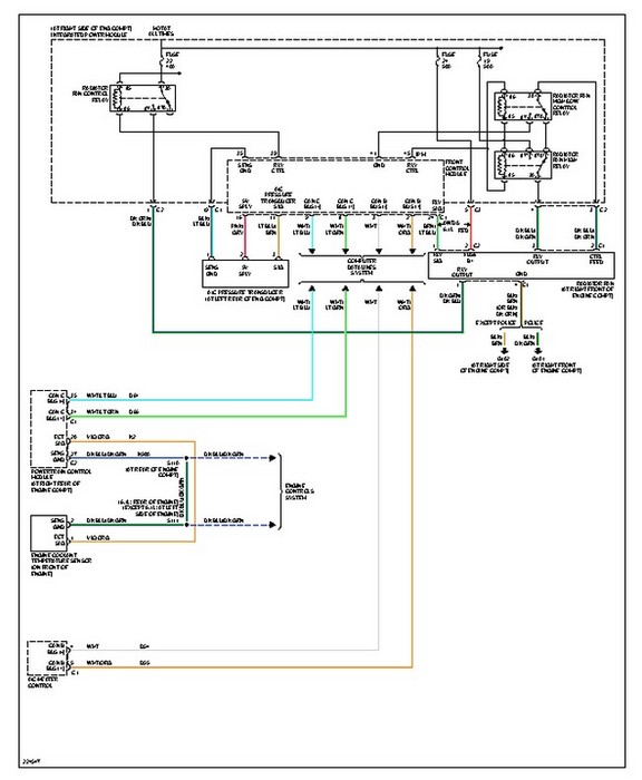
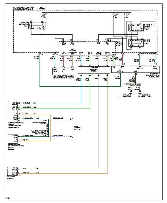
Here is the wiring diagram to help fix the problem:
Was this
answer
helpful?
Yes
No
+1
Wednesday, June 1st, 2011 AT 9:54 PM
Tiny
WRENCHTECH
  • MECHANIC
  • 20,761 POSTS
I would really be surprised if what you're getting even fits the car. 2 out of 3 of these relays are 5 wire relays and not your generic style. It's a 2 speed system so if you have a bad relay somewhere, chances are you'd have at least one speed working. Check all your fuses carefully and that's about as far as you'll be able to go yourself.
Was this
answer
helpful?
Yes
No
+1
Wednesday, June 1st, 2011 AT 10:29 PM
Tiny
SISCO707
  • MEMBER
  • 4 POSTS
Okay, thank you.
Was this
answer
helpful?
Yes
No
Wednesday, June 1st, 2011 AT 10:43 PM
Tiny
KEN L
  • MASTER CERTIFIED MECHANIC
  • 55,301 POSTS
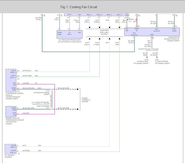
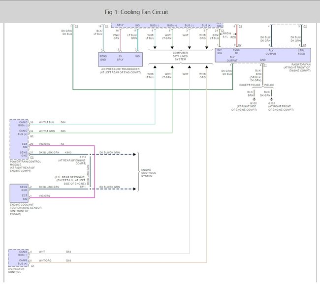
Hey SISCO707,

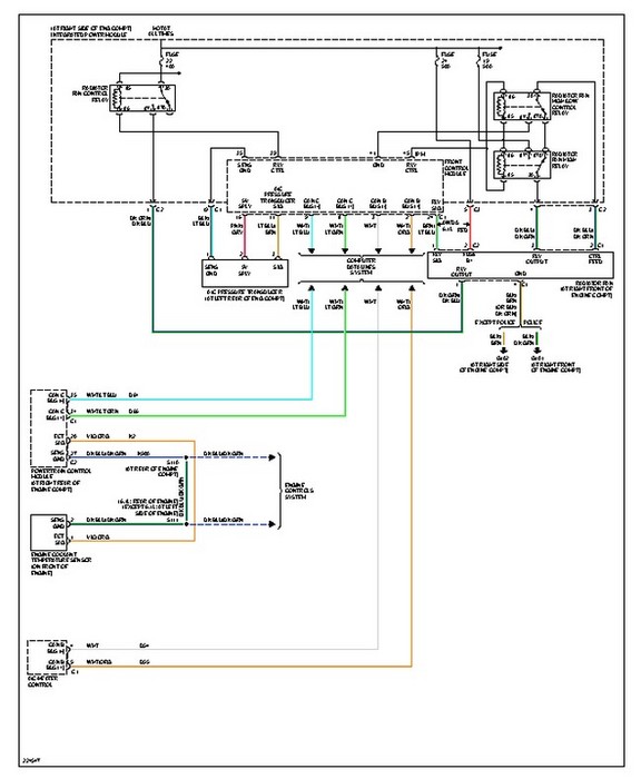
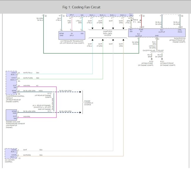
I found a better wiring diagram for you. it looks like the problem could be one of the relays or one of the two fuses. make sure you check them all.

Here are a couple of guides that can help you:

https://www.2carpros.com/articles/how-to-check-a-car-fuse

and

https://www.2carpros.com/articles/how-to-check-an-electrical-relay-and-wiring-control-circuit

Please run some tests and get back to us so we can continue helping you.

Best, Ken

Was this
answer
helpful?
Yes
No
+1
Wednesday, December 7th, 2016 AT 6:46 PM

Please login or register to post a reply.