Turn signals and hazard lights stopped working?

Tiny
STUCKLIKECHUCK
  • MEMBER
  • 2006 CHEVROLET EXPRESS
  • 2WD
  • AUTOMATIC
  • 200,000 MILES
Vehicle listed above is a one ton Duramax. Recently my vehicle's blinkers and hazard lights stopped working. I checked fuses and they were all good. I really have no idea where to look next.
Thursday, July 22nd, 2021 AT 12:13 PM

15 Replies

Tiny
SQM
  • MECHANIC
  • 6,383 POSTS
Hello,

Have you checked the flasher relay that is located under the center instrument panel?
That flasher relay controls your turn signal and hazard.

Here is a helpful article of how to test relays:

https://www.2carpros.com/articles/how-to-check-an-electrical-relay-and-wiring-control-circuit

I have attached some diagrams for that part and how to replace.

Please let me know if this was the issue.

Thank you.
Was this
answer
helpful?
Yes
No
-1
Thursday, July 22nd, 2021 AT 12:52 PM
Tiny
STUCKLIKECHUCK
  • MEMBER
  • 9 POSTS
Okay, that makes sense and I was checking that module. Is there a way to test the module to see if it's the problem issue?
Was this
answer
helpful?
Yes
No
Thursday, July 22nd, 2021 AT 1:22 PM
Tiny
STUCKLIKECHUCK
  • MEMBER
  • 9 POSTS
I replaced the module and the problem is still there.
Was this
answer
helpful?
Yes
No
+1
Friday, July 23rd, 2021 AT 2:23 PM
Tiny
JACOBANDNICKOLAS
  • MECHANIC
  • 110,192 POSTS
Hi,

I noticed you haven't been contacted in a couple of days. Has any progress been made?

If not, I have a few questions. First, when you turn on the signals, does anything happen? Is this a cutaway van? When you checked the fuses, did you also confirm there is power getting to them?

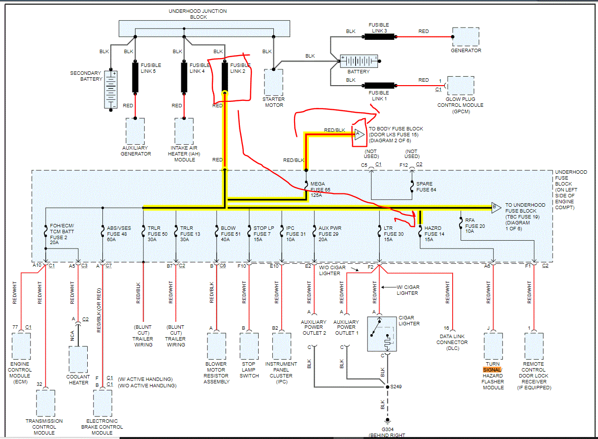
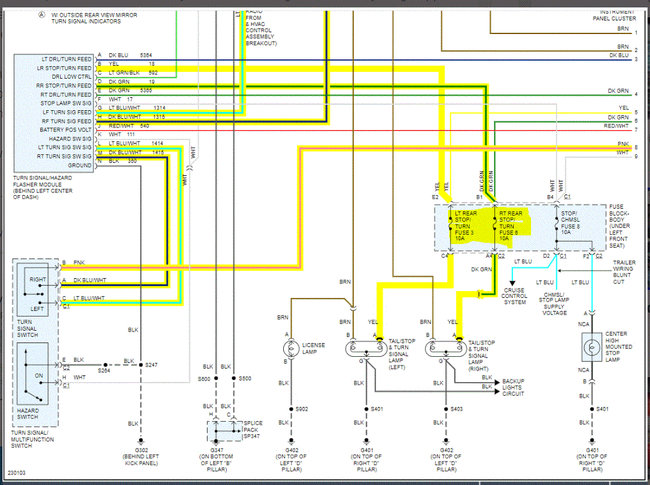
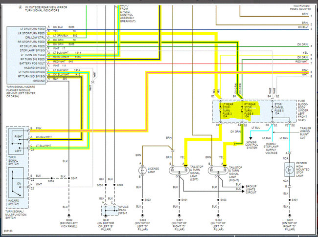
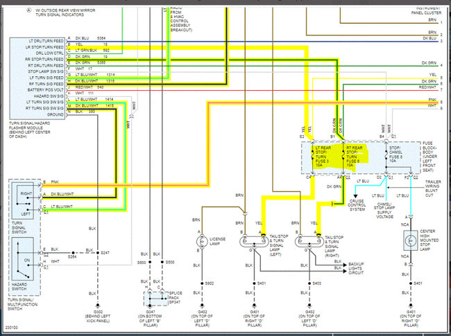
I attached the wiring schematic below for the exterior lighting for a non-cutaway van. If you look at pics 1 and 2, I highlighted fuses. Have they been checked? Do the brake lights work normally?

Let me know. Here is a link you may find helpful when testing the fuses:

https://www.2carpros.com/articles/how-to-check-a-car-fuse

Remember, we need to confirm power to and from the fuses. If the fuse is good and there is no power, we need to backtrack to see where power is lost.

Take care,

Joe

See pics below.
Was this
answer
helpful?
Yes
No
+1
Sunday, July 25th, 2021 AT 9:03 PM
Tiny
STUCKLIKECHUCK
  • MEMBER
  • 9 POSTS
Brakes lights and running light work just fine. There is no power to the fuses under the hood. The odd thing is when I turn on either turn signal or the hazards it illuminates the amber light that's part of the headlight switch. The van is a standard cargo van.
Was this
answer
helpful?
Yes
No
-2
Sunday, July 25th, 2021 AT 9:07 PM
Tiny
JACOBANDNICKOLAS
  • MECHANIC
  • 110,192 POSTS
Hi,

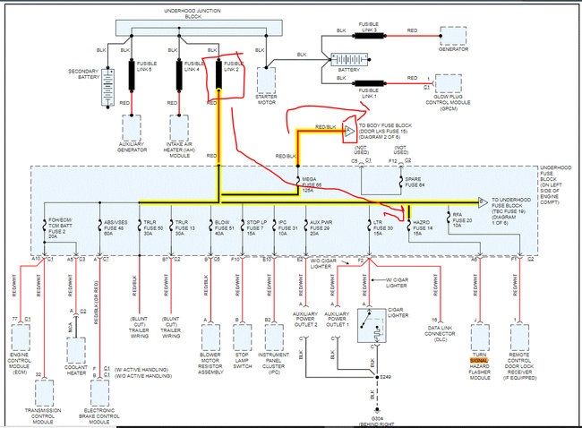
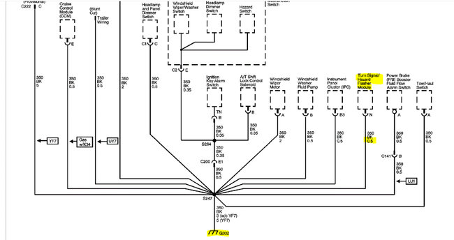
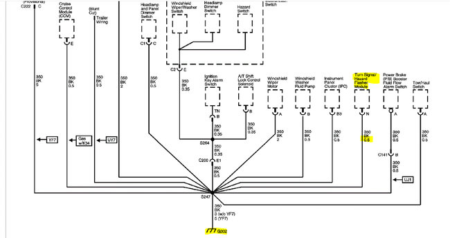
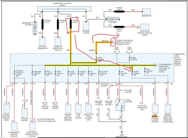
If you are not getting power, then we need to start at fusible link number 2. I attached a portion of the wiring schematic below and highlighted areas of importance.

A fusible link is basically a fuse that functions the same but looks different. In this case, it will likely look like a regular wire. If you look at pic 3 below, it explains where to find it.

I have a feeling either this is blown or the 125 amp mega fuse in the underhood fuse box is bad. However, my "guess" is the fusible link.

Let me know what you find or if you have other questions.

Take care,

Joe

See pics below.
Was this
answer
helpful?
Yes
No
Sunday, July 25th, 2021 AT 9:34 PM
Tiny
STUCKLIKECHUCK
  • MEMBER
  • 9 POSTS
Thanks, I will give it a good look and let you know. Either way thanks for the help.
Was this
answer
helpful?
Yes
No
Sunday, July 25th, 2021 AT 9:38 PM
Tiny
JACOBANDNICKOLAS
  • MECHANIC
  • 110,192 POSTS
You are very welcome. The idea that you are not getting power to the fuses you checked means there is a power loss before that point. I have a feeling it is the link I mentioned. When you check it, make sure to check both where it receives power and where power exits. If you have to remove it for any reason (if you want to check it for continuity), make sure the battery is disconnected first.

If that isn't the problem, hang in there. We will need to start tracing wiring to see where power is lost. Not a big deal.

Joe
Was this
answer
helpful?
Yes
No
Sunday, July 25th, 2021 AT 9:44 PM
Tiny
STUCKLIKECHUCK
  • MEMBER
  • 9 POSTS
Okay, tested all cables coming from the battery before and after the disable links and mega fuse and they all check out. I went on and tested the pins that the turn/ hazard module plugs into and have 11.5 volts running to the C pin (DRL Low) all other pins give me nothing.
Was this
answer
helpful?
Yes
No
Monday, July 26th, 2021 AT 12:46 PM
Tiny
STUCKLIKECHUCK
  • MEMBER
  • 9 POSTS
Fyi, I tested by checking for voltage at different spots along the wire.
Was this
answer
helpful?
Yes
No
Monday, July 26th, 2021 AT 12:48 PM
Tiny
STUCKLIKECHUCK
  • MEMBER
  • 9 POSTS
Also noticed when I turn on the daytime running lights on the PRND321 and mileage shuts off. Then when I turn the DRL off it comes back on.
Was this
answer
helpful?
Yes
No
Monday, July 26th, 2021 AT 3:13 PM
Tiny
JACOBANDNICKOLAS
  • MECHANIC
  • 110,192 POSTS
Hi,

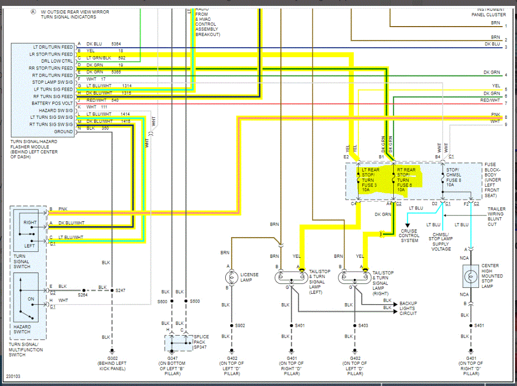
Okay, just so I understand. Power makes it to fuse 14 (signal/hazard module fuse), but there is no power to the red/white wire to the module? (See pic 1 above).

There is one more fuse I need you to check. Again, check the fuse and check for power. It is an ignition E fuse in the underhood fuse box. I attached a pic below to help you find it.

Here is how this system works. The ign e 10 A fuse in the underhood fuse block supplies battery positive voltage to the turn signal switch assembly. Ground for the hazard switch is from G302. The flasher 15 A fuse in the underhood fuse block supplies battery positive voltage to the turn/hazard flasher module. When the turn signal switch is placed in either the left or right position, a voltage signal is completed from the turn signal switch to the turn/hazard flasher module. When the hazard flasher switch is activated, a ground signal is completed from the hazard switch to the turn/hazard flasher module. The turn/hazard flasher module then sends an on-off voltage signal to the appropriate turn signal lamps, or to all turn signal lamps for hazard operation through fuses.

Since it may not be a power issue at all, I need you to check the black wire from the turn signal flasher module for continuity to ground. It is ground (G302). If you look at pic 2 below, notice a huge splice at the grounding location, which is the left front kick panel. That is where your left foot would rest when driving. Maybe we lost ground. If when checking there is no continuity to ground, see pic 4 for the splice location.

One last thought. When you checked for power at the module and found it in only one pin, were the components turned on? For example, when checking pin L, was the turn signal switch in the left position with the key on?

Sorry for so many questions. Wiring can be tricky.

Let me know.

Joe
Was this
answer
helpful?
Yes
No
+1
Monday, July 26th, 2021 AT 6:46 PM
Tiny
STUCKLIKECHUCK
  • MEMBER
  • 9 POSTS
I have gave up and sold the van. Thanks for all the help it was very much appreciated! Thanks
Was this
answer
helpful?
Yes
No
Monday, August 2nd, 2021 AT 2:54 PM
Tiny
JACOBANDNICKOLAS
  • MECHANIC
  • 110,192 POSTS
Hi,

You are very welcome, but I don't feel like I helped too much. It wasn't fixed. Also, sorry to hear you sold the van.

Regardless, please feel free to come back anytime in the future. You are always welcome here.

Take care,

Joe
Was this
answer
helpful?
Yes
No
Monday, August 2nd, 2021 AT 7:55 PM
Tiny
JACOBANDNICKOLAS
  • MECHANIC
  • 110,192 POSTS
Hi,

You are very welcome. I'm glad it was helpful. Too often, I never know if I help or not, but it is nice to hear it. So, thank you.

Take care of yourself and feel free to come back anytime in the future. You are always welcome.

Joe
Was this
answer
helpful?
Yes
No
Wednesday, May 3rd, 2023 AT 8:06 PM

Please login or register to post a reply.