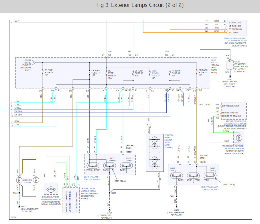
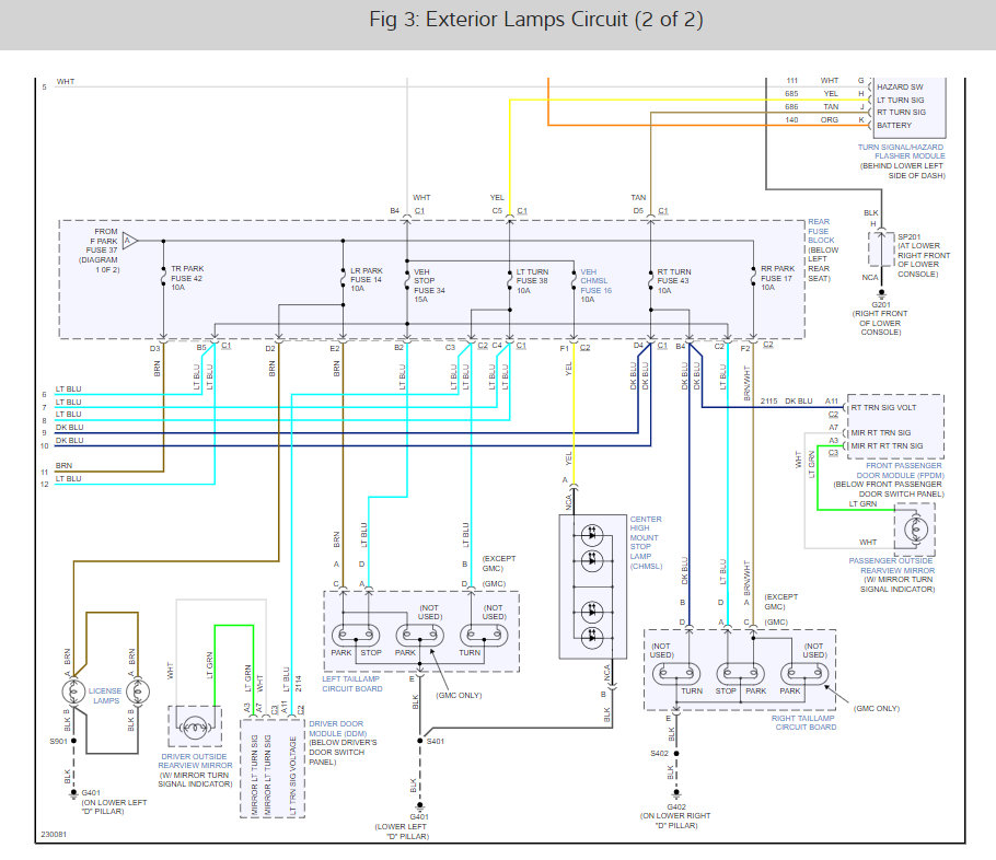
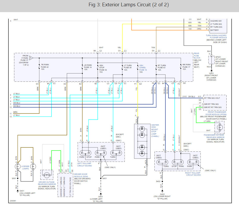
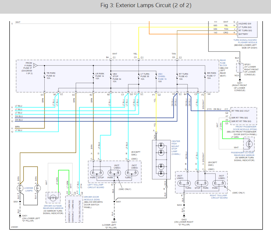
Thursday, April 23rd, 2015 AT 12:15 PM
Brake lights not working, checked fuses all good, checked bulbs all good, changed brake switch at pedal, but my third brake light is working
















