2006 Chevrolet Equinox Electrical

Tiny
INTRUDERA6E
  • MEMBER
  • 2006 CHEVROLET EQUINOX
  • 3.4L
  • 6 CYL
  • FWD
  • AUTOMATIC
  • 67,585 MILES
No turn signals, no emergency flasher, no brake lights. High mount brake light works. Fuse ok. Ignition switch ok.
Monday, March 10th, 2014 AT 8:12 PM

3 Replies

Tiny
KEN L
  • MASTER CERTIFIED MECHANIC
  • 55,499 POSTS
Hello,

This sounds like you have a parking light fuse that is out or the PRK relay is out here are two guides to help you test each to find the problem and fix it.

https://www.2carpros.com/articles/how-to-check-a-car-fuse

and

https://www.2carpros.com/articles/how-to-check-an-electrical-relay-and-wiring-control-circuit

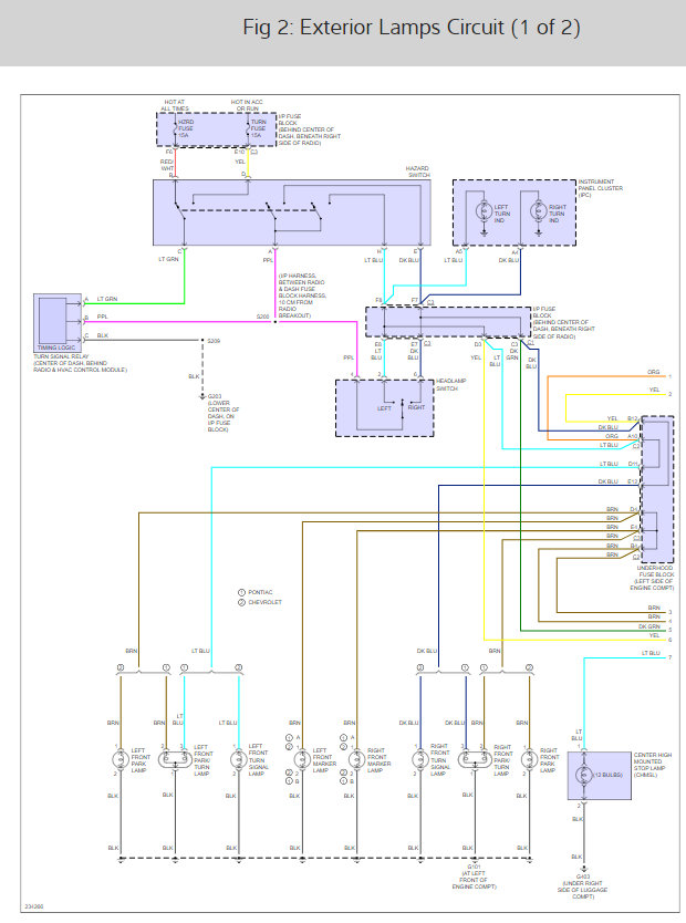
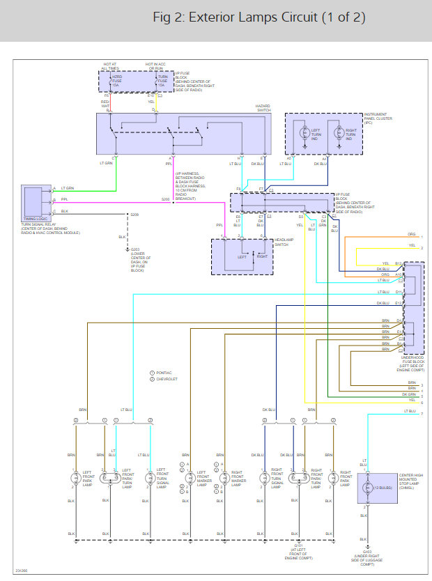
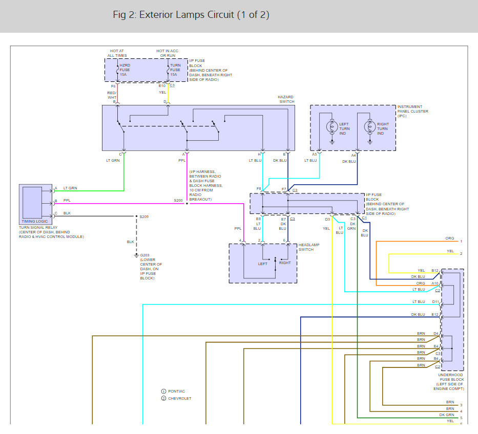
Here are the fuse and relay locations and the brake brake light wiring diagrams so you can see how the system works.

Thanks for using 2Carpros.com :-)
Was this
answer
helpful?
Yes
No
Monday, March 10th, 2014 AT 10:20 PM
Tiny
INTRUDERA6E
  • MEMBER
  • 2 POSTS
Yep I followed the guides you gave me and figured out the relay has bad so I replaced it now everything works my first repair it was so fun.

I love this site :)
Was this
answer
helpful?
Yes
No
+4
Wednesday, March 12th, 2014 AT 2:41 PM
Tiny
KEN L
  • MASTER CERTIFIED MECHANIC
  • 55,499 POSTS
Good to hear, please use 2CarPros anytime we are here to help.

Cheers, Ken
Was this
answer
helpful?
Yes
No
+2
Wednesday, March 12th, 2014 AT 2:58 PM

Please login or register to post a reply.