Possible Malfunctioning BCM (Body Control Module)?

Tiny
JIM SAAD
  • MEMBER
  • 2005 SATURN ION
  • 77,000 MILES
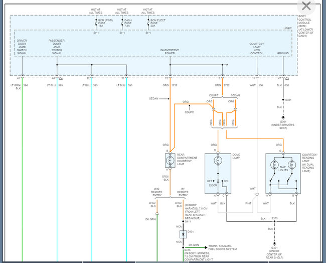
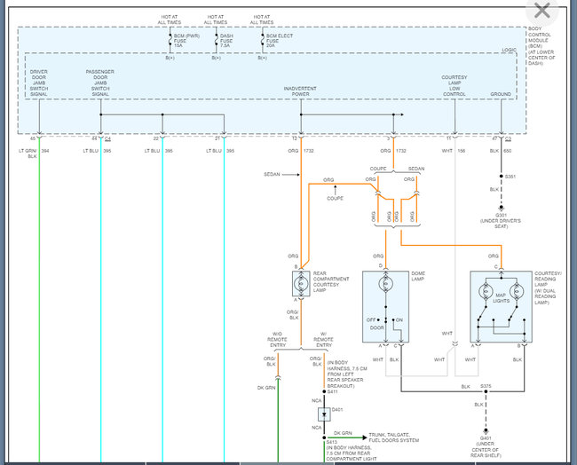
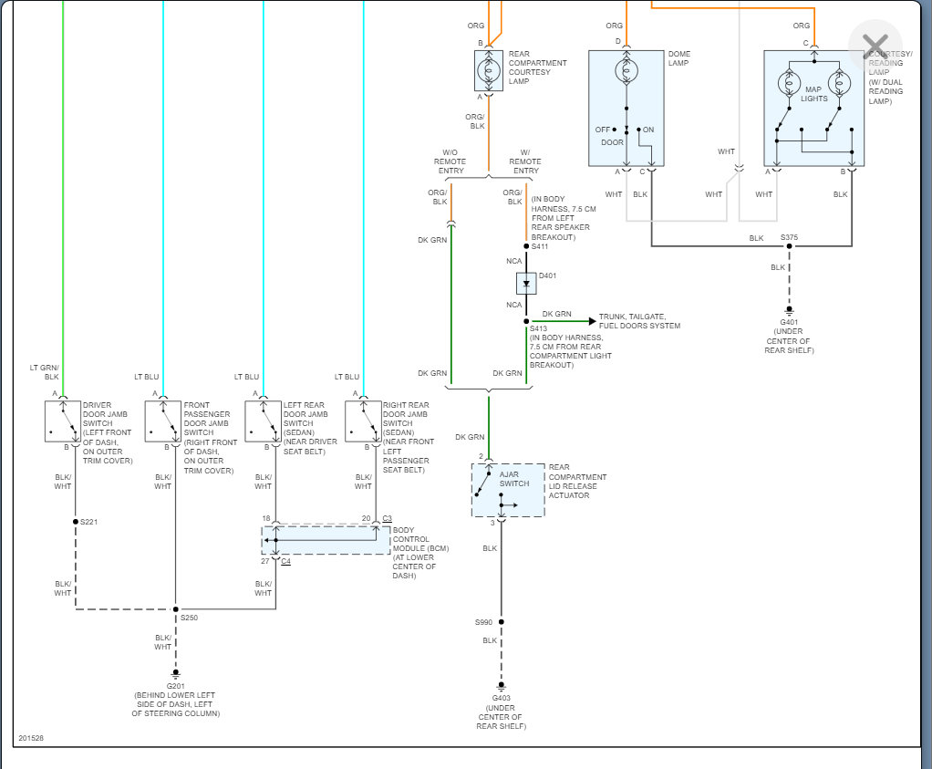
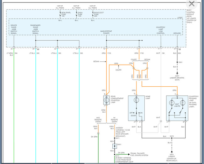
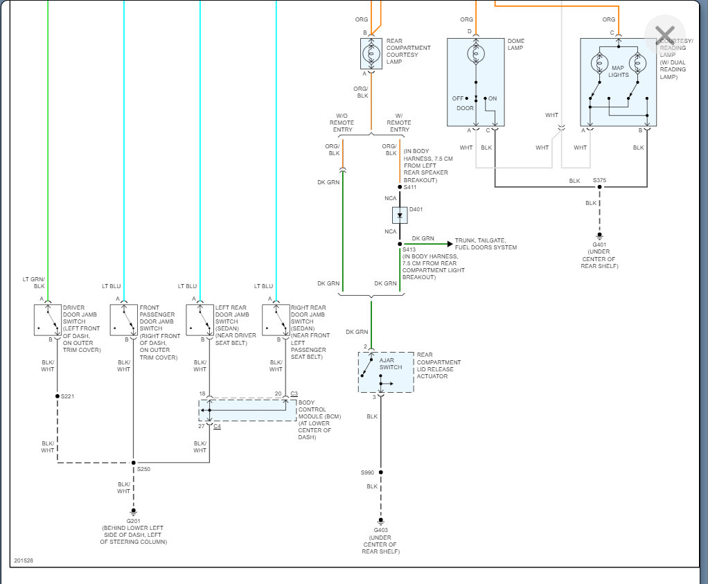
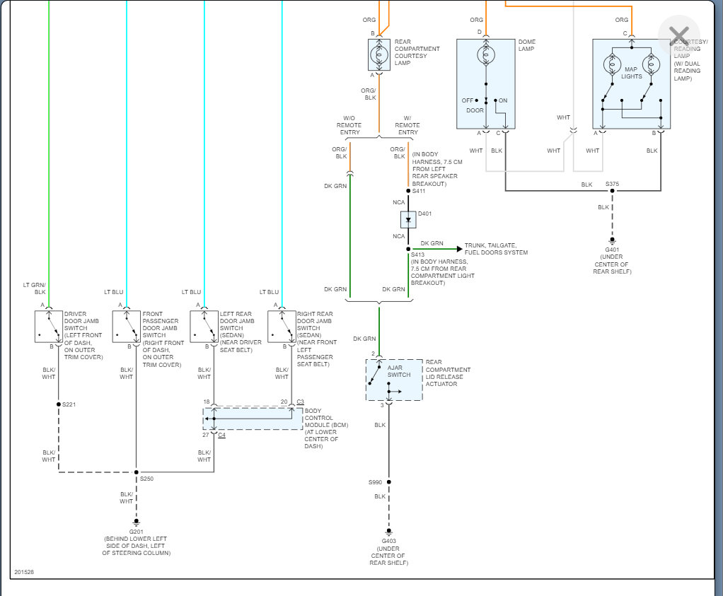
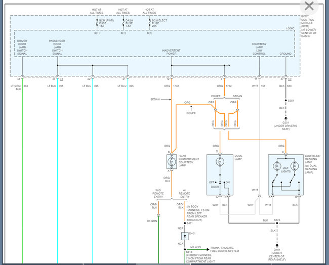
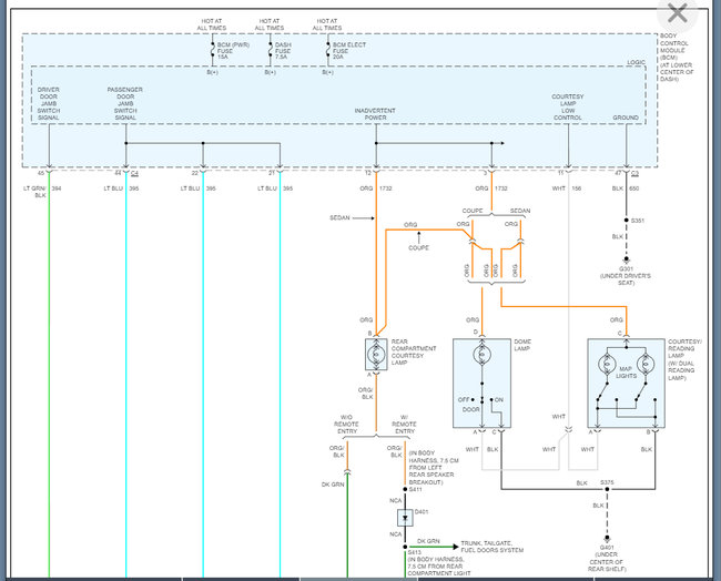
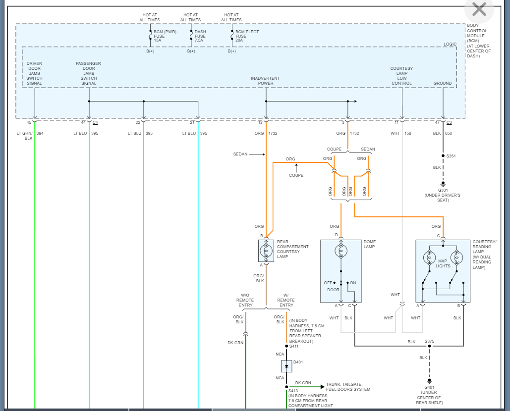
One of the vehicles in our family is a 2005 saturn Ion which has has approximately 77,000 miles. The reading lights and dome light on this Saturn Ion stay on most of the time and the car alarm will go off. The dome light can be manually turned off, but the reading lights will not turn off. One time the lights did turn off but came back on for no reason. The vehicle was taken it to one company and they thought it was a faulty door switch, which they replaced. This did not alleviate the problem. The only way to turn the lights off is to disconnect the battery. We would appreciate if someone could tell us how to solve this problem without replacing the BCM. Thank you.

Jim
Monday, November 18th, 2013 AT 10:02 AM

1 Reply

Tiny
KASEKENNY
  • MECHANIC
  • 18,907 POSTS
It does sound like the BCM is one of the possible issues. So, let's try and confirm this.

We need to start with checking to find out if the door switches are open of have a path to ground.

If they are open circuits then it is telling the door is open and it will keep the lights on.

However, if they are not then they are not the issue, and we need to check for voltage going to the lights from the BCM.

https://www.2carpros.com/articles/how-to-check-wiring

I am pretty sure you will find this so at that point you would replace the BCM.

As you will see the BCM is located under the console, so the normal cause of these failures is drinks spilling and they run down and short out the module.

Run through this info and let me know what questions you have.

Thanks
Was this
answer
helpful?
Yes
No
Thursday, January 13th, 2022 AT 3:50 PM

Please login or register to post a reply.