How can I fix my passenger air bag sensor and or wiring under the seat?

Tiny
PFA0961
  • MEMBER
  • 2005 NISSAN ALTIMA
  • 95,000 MILES
My passenger air bag sensor or wiring got flooded under the seat of my 2005 altima so that my airbag warning light goes on all of the time and my airbag disabled light is on whether or not someone is sitting in it. How can I fix it?
Tuesday, August 30th, 2011 AT 1:07 AM

1 Reply

Tiny
KASEKENNY
  • MECHANIC
  • 18,907 POSTS
This is something that we need to be very careful with because if you try to repair airbag wiring and are not successful then the airbags can go off with no warning, or not go off at all when the vehicle is in an accident.

Here is a guide that will help with this. While this is a different airbag it still has good info in it.

https://www.2carpros.com/articles/air-bag-removal-steering-wheel

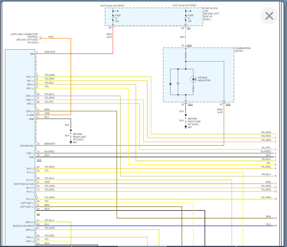
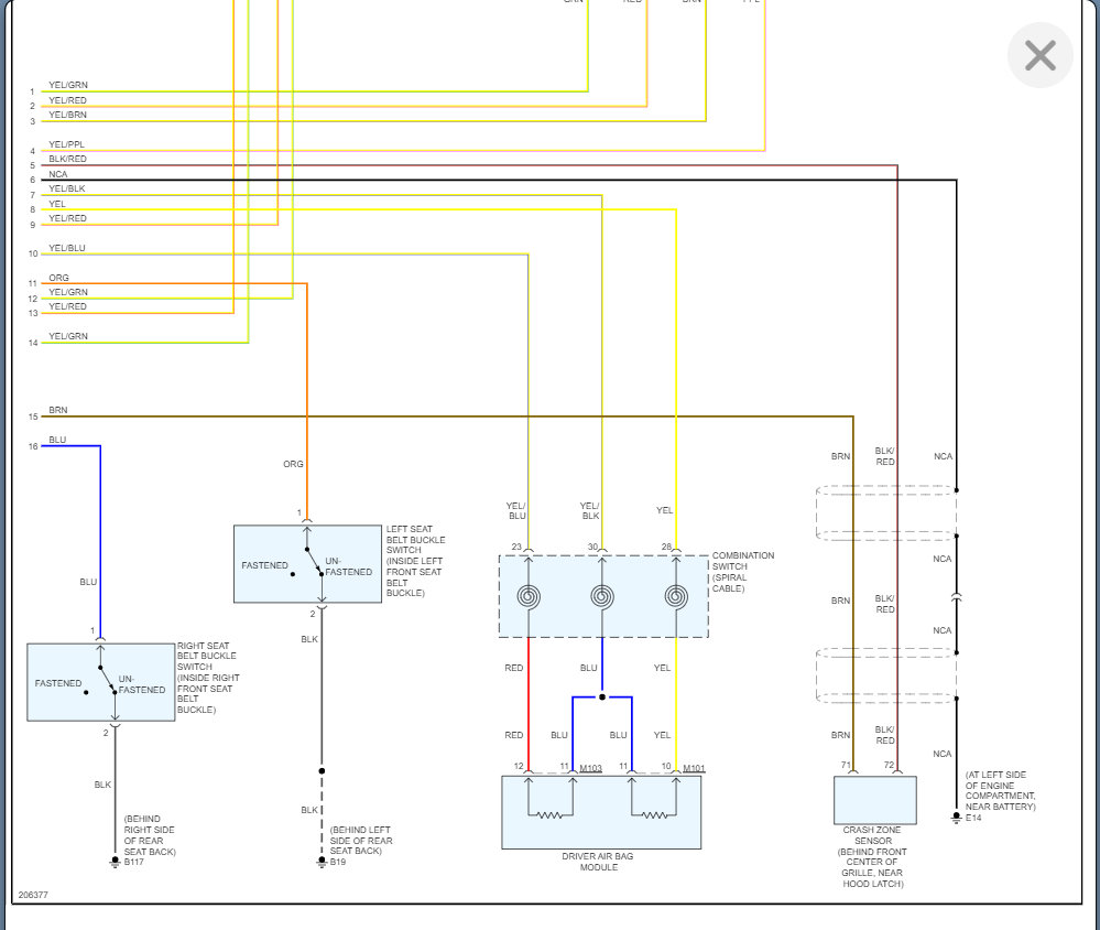
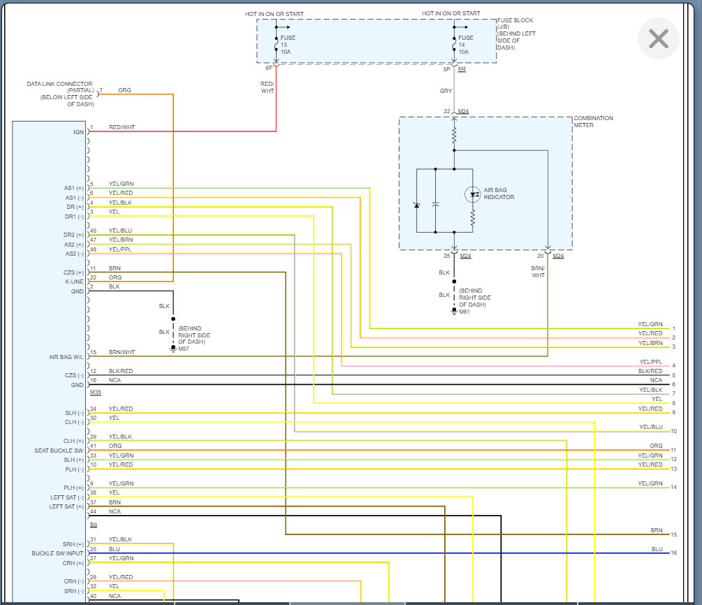
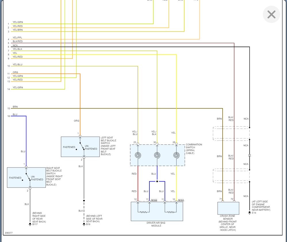
I am also attaching the wiring diagram below that we will need but the way to repair this is to get new connectors for these air bags and replace any that have corrosion on them.

You are going to need to solder the new connector on the wiring and here is a video that shows how to do this the proper way.

https://www.youtube.com/watch?v=PxA5wczsCVo

Obviously, this is of a head light socket but the process to replace connectors is the same.

Please run through this process and let us know what questions you have.

If you can get some pictures of the connectors, then that will help with determining if this is what we need to do. Lastly, if you have corrosion on the airbag connectors then you should replace the airbag because you are not going to be able to clean that out properly.
Was this
answer
helpful?
Yes
No
Thursday, January 27th, 2022 AT 1:47 PM

Please login or register to post a reply.