Cooling fans are not working

Tiny
MEMEMUNIZ
  • MEMBER
  • 2005 KIA SPECTRA
  • 97,000 MILES
My 2005 kia spectra 5 cooling fans are not working what can I check to eliminate possible reasons this is happening - I have check my fuses and I do not see a problem with them. It also appears that everything is connected properly. When the car starts to overheat, the fans do not kick on to cool the engine. This caused my radiator to crack.

No, the fans do not run when the air conditioning is on
Monday, April 16th, 2012 AT 6:08 PM

2 Replies

Tiny
LARRYHANCOCK
  • MEMBER
  • 1 POST
Did you ever get your problem fixed? My girlfriend is having the same issue. Also, how does one apply power directly to the fans? Please explain.
Was this
answer
helpful?
Yes
No
+1
Friday, September 4th, 2015 AT 11:44 AM
Tiny
KEN L
  • MASTER CERTIFIED MECHANIC
  • 55,440 POSTS
Hello,

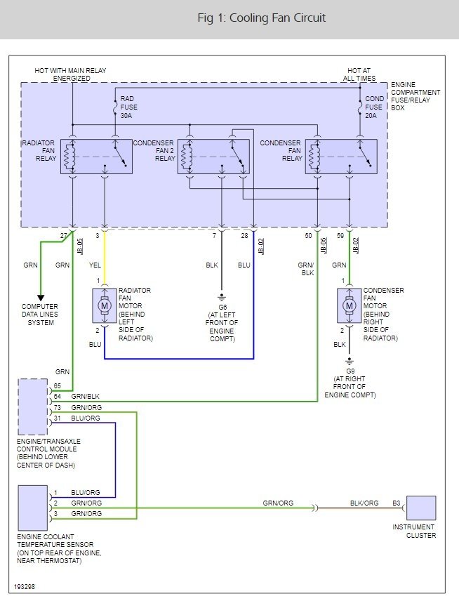
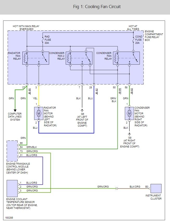
There are some fuses and a relay that you can test or swap for another close by. Here is a wiring diagram (below) and some guides to help you get the problem fixed.

https://www.2carpros.com/articles/how-to-check-a-car-fuse

and

https://www.2carpros.com/articles/how-to-check-an-electrical-relay-and-wiring-control-circuit

and

https://www.2carpros.com/articles/replace-electric-fan-motor

Was this
answer
helpful?
Yes
No
Friday, June 16th, 2017 AT 7:24 PM

Please login or register to post a reply.