Ignition

Tiny
JAB0530
  • MEMBER
  • 2005 INFINITI G35
  • 2.8L
  • 6 CYL
  • 2WD
  • AUTOMATIC
  • 90,000 MILES
I have problem sometime, getting the ignition out of the locked and to start the engine.
Monday, March 3rd, 2014 AT 12:06 PM

1 Reply

Tiny
KASEKENNY
  • MECHANIC
  • 18,907 POSTS
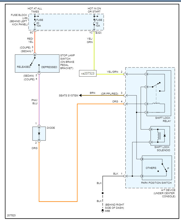
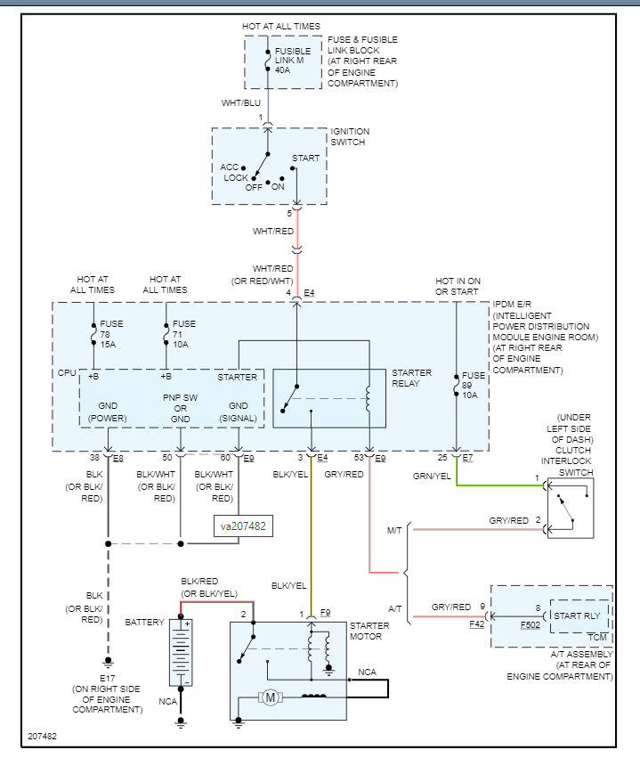
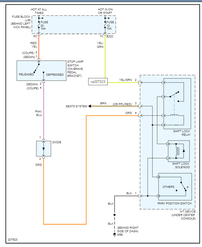
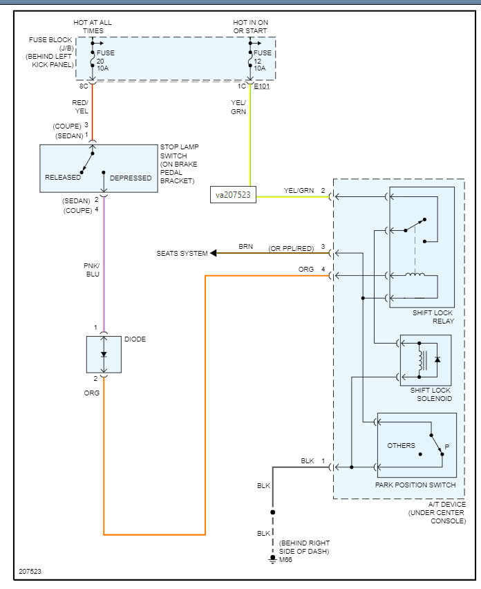
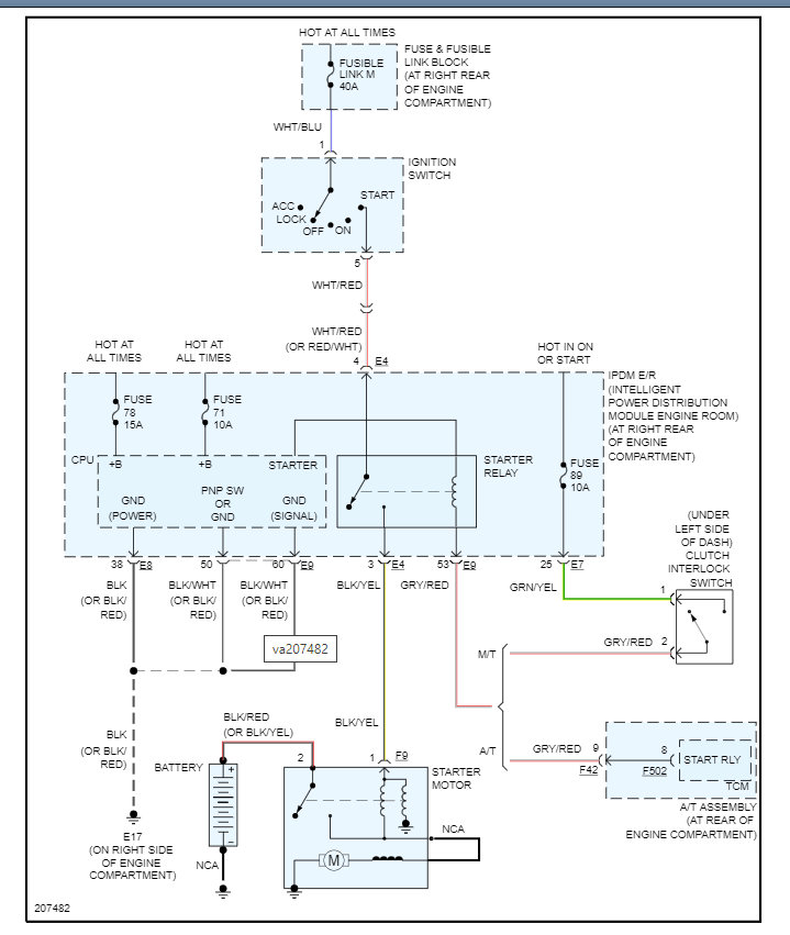
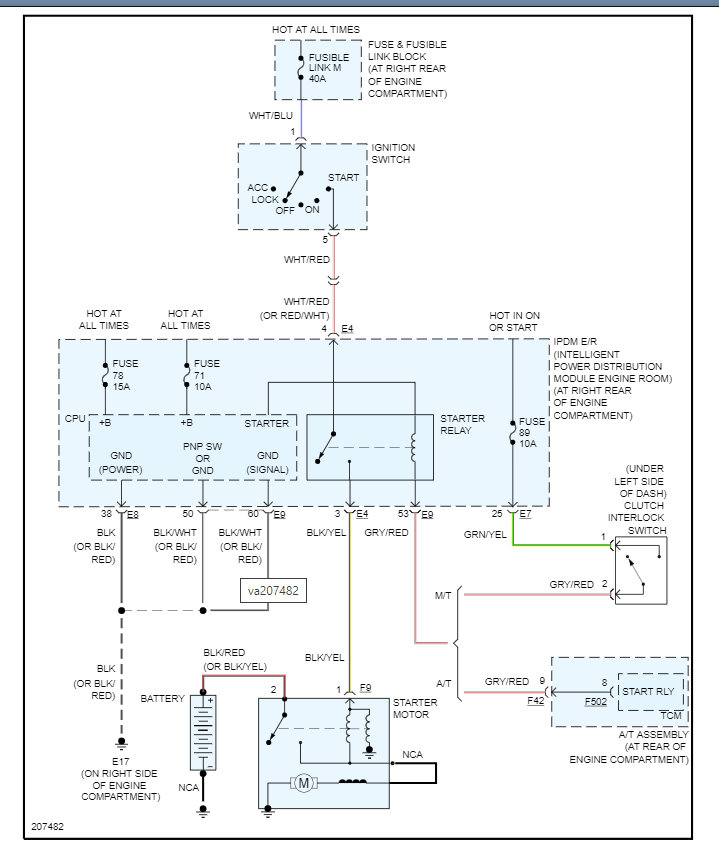
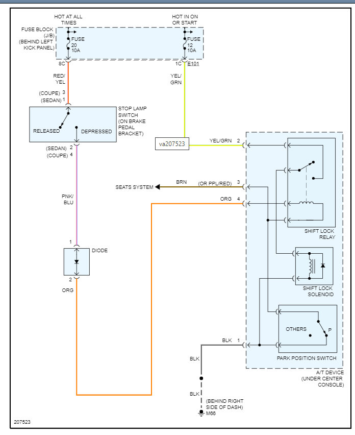
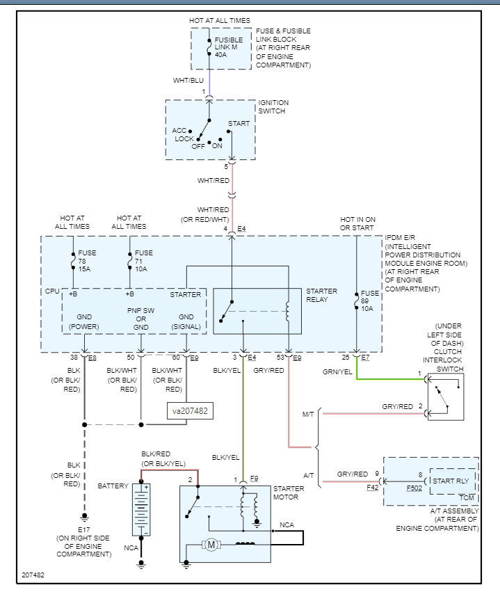
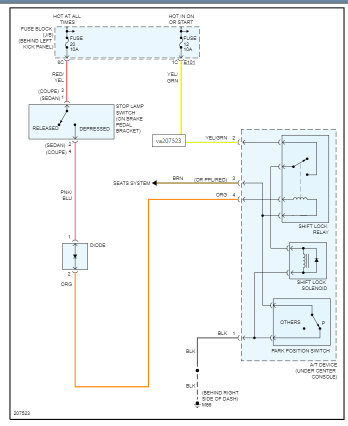
More than likely you have an issue with the ignition lock. Basically, when the shift interlock is not releasing the shifter, it can also lock the ignition.

There is a cable that goes from the shifter to the switch. A lot of times this cable gets locked, so we need to inspect it or even replace it.

Below are the instructions on how to do this.

We need to also check the voltage from the interlock relay just to make sure it is being commanded to release. If not, then that is a different issue and is the direction we need to go.

Here are a couple guides that will help with this testing:

https://www.2carpros.com/articles/how-to-check-wiring

https://www.2carpros.com/articles/how-to-use-a-voltmeter

Please see the info below and let us know what questions you have. Thanks
Was this
answer
helpful?
Yes
No
Thursday, November 18th, 2021 AT 3:15 PM

Please login or register to post a reply.