Fuel filter location

Tiny
PD
  • MEMBER
  • 2005 HONDA ODYSSEY
  • 6 CYL
  • FWD
  • AUTOMATIC
  • 60,000 MILES
Where is fuel filter located on my van?
Saturday, November 20th, 2010 AT 1:16 AM

16 Replies

Tiny
BLUELIGHTNIN6
  • MECHANIC
  • 16,542 POSTS
Fuel filter is part of the fuel pump unit at top of fuel tank. The fuel filter should be replaced only whenever the fuel pressure drops below the specified value, after making sure that the fuel pump and fuel pressure regulator are okay. The pressure should be 380-430 kPa (55-63 psi).
Was this
answer
helpful?
Yes
No
+15
Saturday, November 20th, 2010 AT 1:23 AM
Tiny
JACOBANDNICKOLAS
  • MECHANIC
  • 110,192 POSTS
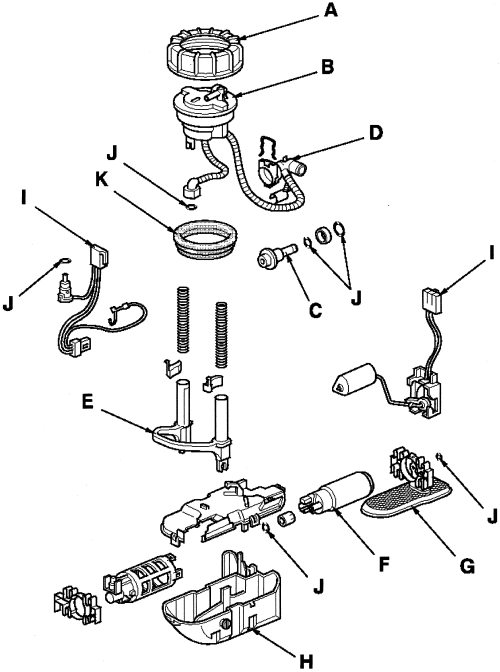
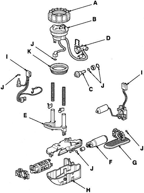
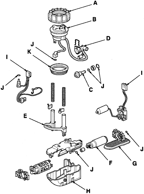
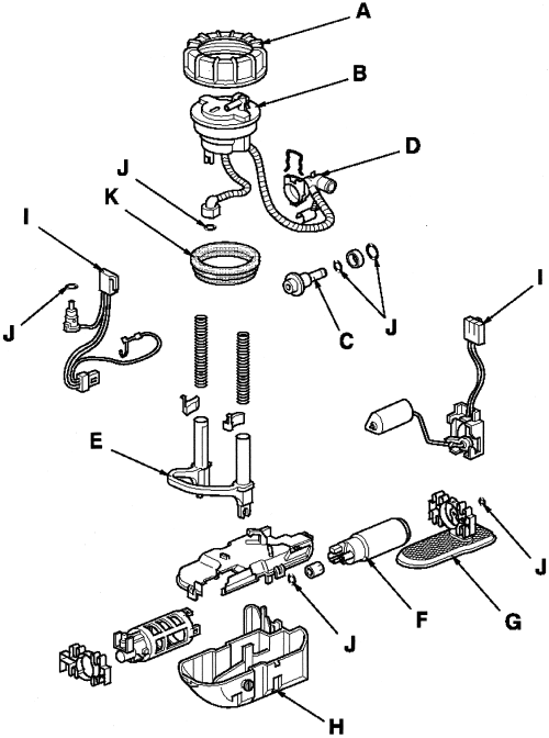
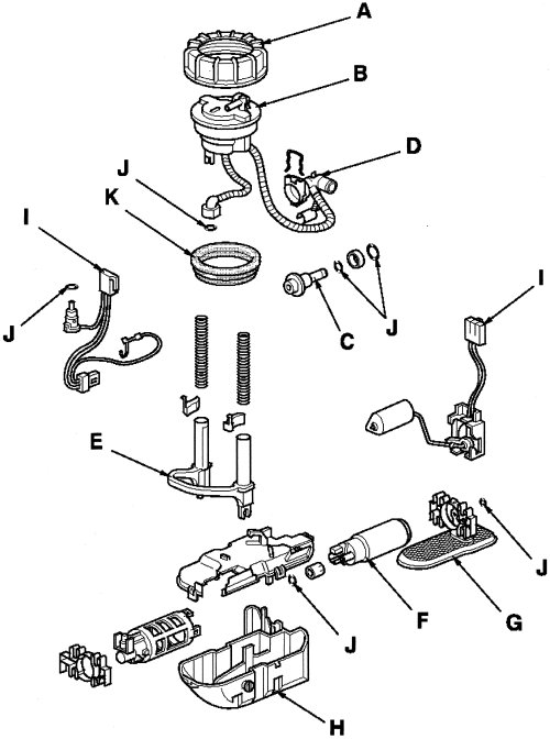
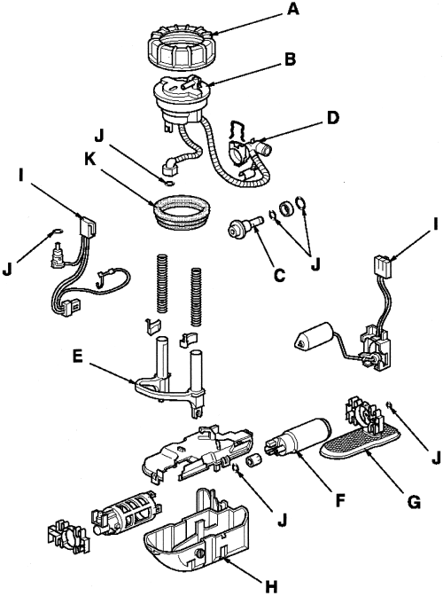
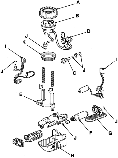
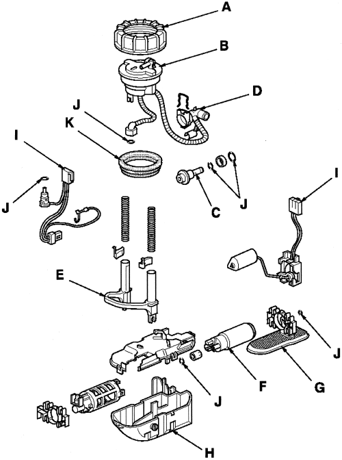
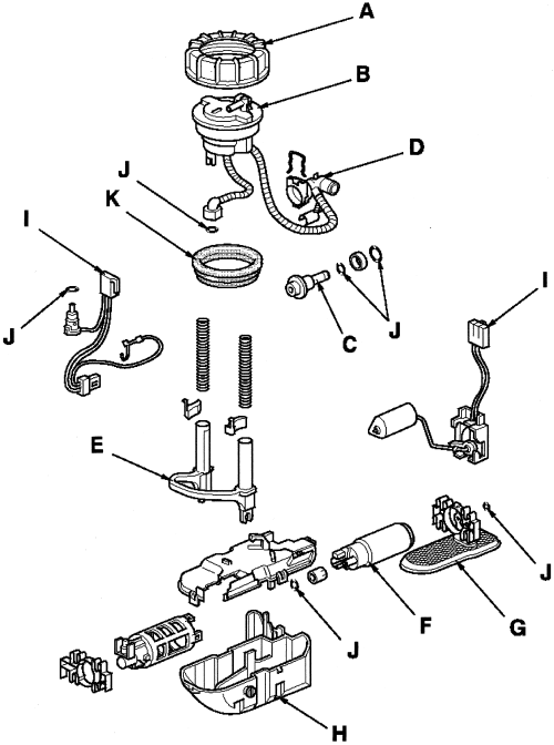
Letter B is the fuel filter. It is at the top of the fuel tank. To access it, remove the second row seating. Lift the carpet and you will find an access port. Remove the four screws, and you will gain access to the top of the tank. Review pictures and let me know if it helps.
Was this
answer
helpful?
Yes
No
+34
Saturday, November 20th, 2010 AT 1:24 AM
Tiny
AMERIRUM
  • MEMBER
  • 1 POST
  • 2003 HONDA ODYSSEY
  • 6 CYL
  • 2WD
  • AUTOMATIC
  • 85,000 MILES
Where the is the fuel Filter located? Car seems to be missing while driving. What could be the reason?
Was this
answer
helpful?
Yes
No
+4
Saturday, June 8th, 2019 AT 4:05 PM (Merged)
Tiny
KHLOW2008
  • MECHANIC
  • 41,814 POSTS
Hi amerirum,

The fuel filter is located in the fuel tank together with the fuel pump.

Misfiring, hesistation are usually associated with spark plugs rather than fuel filter which would show symptoms of power loss.

Is the CEL showing?

https://www.2carpros.com/articles/checking-a-service-engine-soon-or-check-engine-light-on-or-flashing

and

https://www.2carpros.com/articles/engine-misfires-or-runs-rough

Check out the diagrams (Below)

Please let us know if you need anything else to get the problem fixed.

Cheers
Was this
answer
helpful?
Yes
No
+1
Saturday, June 8th, 2019 AT 4:05 PM (Merged)
Tiny
LEE PAINTING
  • MEMBER
  • 9 POSTS
I think I have the problem that you would have answered to this fella if he answered you.I think you can help me.

With my 2003 Honda Oddy, it is misfiring.I had it coded at Autozone and there was random misfiring of the plugs.

Can you tell me if I just need a coil or new plugs, has about 133,000 on it. Or can you instruct me on how to repair or replace the necessary parts.I have an OLDER knowledge of mechanics.

Thanks, Lee
Was this
answer
helpful?
Yes
No
+3
Saturday, June 8th, 2019 AT 4:05 PM (Merged)
Tiny
KHLOW2008
  • MECHANIC
  • 41,814 POSTS
Hi Lee,

This sounds like you need to replace the spark plugs here is a guide to help you get the job done.

https://www.2carpros.com/articles/how-to-change-spark-plugs

Please let us know what happens.
Was this
answer
helpful?
Yes
No
+3
Saturday, June 8th, 2019 AT 4:05 PM (Merged)
Tiny
LEE PAINTING
  • MEMBER
  • 9 POSTS
Thanks for getting back to me so soon, your help is much appreciated.I know we can lick this problem. Now, where do I get the DTC for the CEL and the TCS.
Autozone stated: that the PCM has determined that multiple random misfires have occurred.

Lee
Was this
answer
helpful?
Yes
No
Saturday, June 8th, 2019 AT 4:05 PM (Merged)
Tiny
KHLOW2008
  • MECHANIC
  • 41,814 POSTS
What were the exact error codes retrieved at Autozone? P0300, P0301?

I am experiencing browsing problem from my ISP so might not be able to get the necessary data quickly.
Was this
answer
helpful?
Yes
No
-1
Saturday, June 8th, 2019 AT 4:05 PM (Merged)
Tiny
CULZACA
  • MEMBER
  • 1 POST
  • 2001 HONDA ODYSSEY
Engine Performance problem
2001 Honda Odyssey 6 cyl Two Wheel Drive Automatic

where is the fuel filter for this vehicle?
Was this
answer
helpful?
Yes
No
+4
Saturday, June 8th, 2019 AT 4:05 PM (Merged)
Tiny
LEE PAINTING
  • MEMBER
  • 9 POSTS
Autozone Troubleshooting P0300.
The TCS lamp is now on.
Lee
Was this
answer
helpful?
Yes
No
+1
Saturday, June 8th, 2019 AT 4:05 PM (Merged)
Tiny
WRENCHTECH
  • MECHANIC
  • 20,761 POSTS
It doesn't have a maintenance type filter. The only filter it has is inside the fuel tank and it doesn't need servicing.
Was this
answer
helpful?
Yes
No
+5
Saturday, June 8th, 2019 AT 4:05 PM (Merged)
Tiny
KHLOW2008
  • MECHANIC
  • 41,814 POSTS
Let us forget about the TCS problem first as misfiring can cause it to illuminate.

The following chart shows possible causes for P0300 and relevant items to check.


https://www.2carpros.com/forum/automotive_pictures/192750_P0300SymptomChart03Odyssey6cyl_1.jpg

Was this
answer
helpful?
Yes
No
+2
Saturday, June 8th, 2019 AT 4:05 PM (Merged)
Tiny
LEE PAINTING
  • MEMBER
  • 9 POSTS
Do I have to take the car to a dealer to check the fuel pressure, is that the wisest thing to do?
Or can a good mechanic do it?
Was this
answer
helpful?
Yes
No
+3
Saturday, June 8th, 2019 AT 4:05 PM (Merged)
Tiny
KHLOW2008
  • MECHANIC
  • 41,814 POSTS
Of course the dealer would be the ideal choice. However most shops can do the job without any problem.
Was this
answer
helpful?
Yes
No
+2
Saturday, June 8th, 2019 AT 4:05 PM (Merged)
Tiny
LEE PAINTING
  • MEMBER
  • 9 POSTS
I took the car to the dealer and they said that the coils and spark plugs need to be replaced at a cost of $1025.00 dollars.

So I got the plugs and tools and did the job myself using the guide you gave me and now the engine runs great. Nice work, saved me a bunch paid 3.80 each for the spark plugs. Thanks for you insight.

Lee
Was this
answer
helpful?
Yes
No
Saturday, June 8th, 2019 AT 4:05 PM (Merged)
Tiny
KHLOW2008
  • MECHANIC
  • 41,814 POSTS
Random misfire is something that is not easy to detect. If specific cylinder is misfiring, it would indicate a bad coil. If all or most of the cylinders are misfiring, it could be failing coil packs. They are still working but when under load, misfires occurs as the high voltage escapes through cracks or faults of the unit resulting in the misfiring.

Nice work on getting it fixed, we are here to help, please use 2CarPros anytime.

Cheers
Was this
answer
helpful?
Yes
No
Saturday, June 8th, 2019 AT 4:05 PM (Merged)

Please login or register to post a reply.