Wednesday, March 9th, 2011 AT 8:21 PM
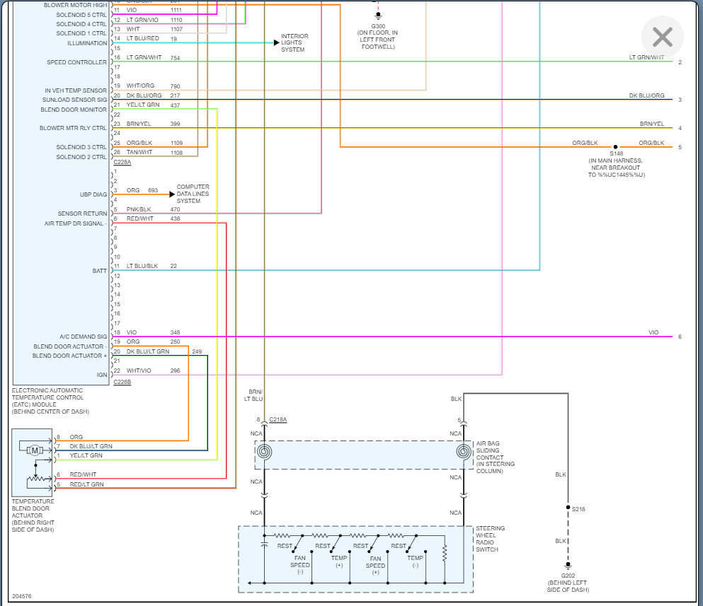
My 2005 Ford F350 Superduty has the automatic temperature control system. Today when I started the truck, the ATCM module in the dash had no lights or power come on, and no air blows at all. I've been figuring that it is a fuse gone somewhere, but cannot seem to find it. Any Ideas?






