not start after replacing battery?

2005 DODGE CARAVAN
Avatar
CCBURRS
  • MEMBER
  • 1 POST
Why would a Dodge Caravan not start after replacing battery?
Dec 29, 2010 at 4:56 AM
Repair Safety Notice: This information is for general instructional purposes only. Vehicle repair can be dangerous. Verify all information, follow manufacturer service procedures, use proper tools and safety equipment, and consult a qualified repair shop when needed.
Advertisement
Avatar
KASEKENNY
  • CAR REPAIR CONTRIBUTOR
  • 18,907 POSTS
More than likely you have the theft light on or flashing.

This is common after a battery replacement so you need to reset the system and see if that will allow it to start.

https://www.2carpros.com/articles/how-to-reset-a-security-system

Here is a video that shows how to replace the battery in this vehicle which may point to something you missed:

https://youtu.be/LmcqjV0snYg

Basically, you need to use the remote or unlock the driver door using the key.

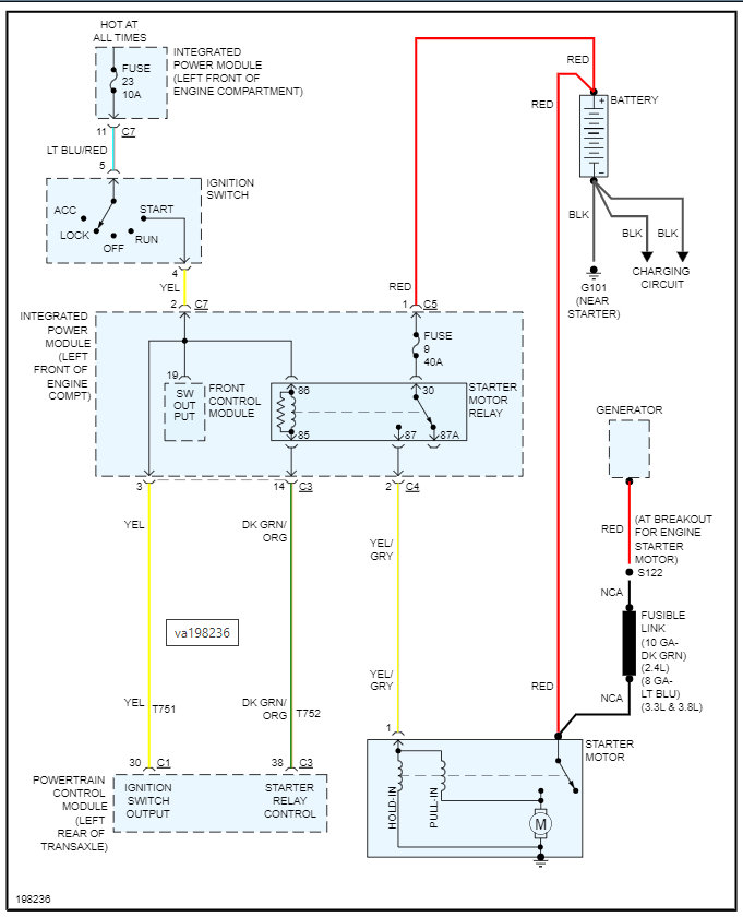
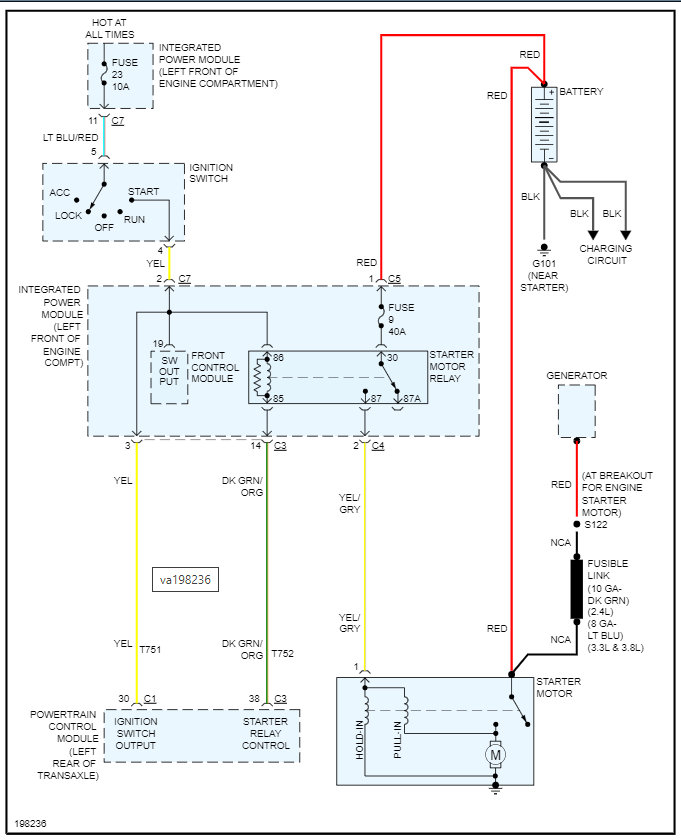
If the theft light is not on, then we need to check the voltage at the starter and find out if the relay is operating.

https://www.2carpros.com/articles/how-to-check-wiring

https://www.2carpros.com/articles/how-to-check-an-electrical-relay-and-wiring-control-circuit

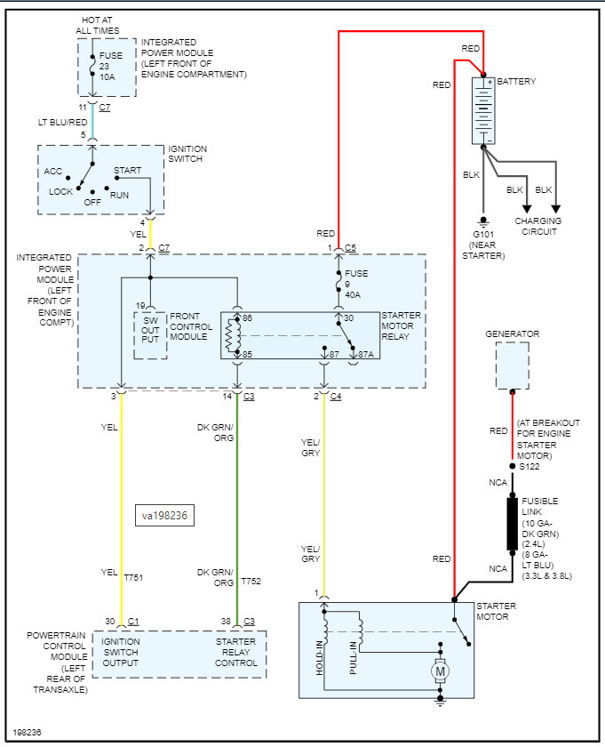
I am attaching the wiring diagram which will help with this.

Please let me know what questions you have. Thanks
Jan 19, 2022 at 6:36 PM
Advertisement