AC blower works intermittenly

Tiny
TOMSR123
  • MEMBER
  • 2005 CHEVROLET IMPALA
  • 112,000 MILES
The blower works only sometimes
Thursday, November 3rd, 2011 AT 5:48 PM

21 Replies

Tiny
FIXITMR
  • MECHANIC
  • 9,990 POSTS
Check plugs for melt/burn/corrode at blower and resistor. If good try tapping/banging on blower motor when it fails. If it comes on change it out for another 1.
Was this
answer
helpful?
Yes
No
+1
Thursday, November 3rd, 2011 AT 6:08 PM
Tiny
ERIC88
  • MEMBER
  • 1 POST
  • 2005 CHEVROLET IMPALA
  • 6 CYL
  • FWD
  • AUTOMATIC
  • 84,000 MILES
Air Conditioning problem
2005 Chevy Impala 6 cyl Front Wheel Drive Automatic 84000 miles

My blower motor stoped working and only works when I tap it also it is not up to speed and it surges when it runs
Was this
answer
helpful?
Yes
No
+5
Wednesday, November 1st, 2017 AT 7:54 PM (Merged)
Tiny
RHALL77
  • MECHANIC
  • 3,361 POSTS
Sounds like you need to replace the blower motor or you have a bad connection at it.
Was this
answer
helpful?
Yes
No
Wednesday, November 1st, 2017 AT 7:54 PM (Merged)
Tiny
CARFIXERLEO
  • MEMBER
  • 6 POSTS
  • 2004 CHEVROLET IMPALA
  • 3.8L
  • V6
  • FWD
  • AUTOMATIC
  • 130,000 MILES
Blower motor will not shut off, key off, car off, still running. Only way to shut it down is to pull battery cable.
Was this
answer
helpful?
Yes
No
+1
Wednesday, November 1st, 2017 AT 7:54 PM (Merged)
Tiny
CAR-MAN145
  • MECHANIC
  • 321 POSTS
It sounds like the blower motor resister shorted
Was this
answer
helpful?
Yes
No
Wednesday, November 1st, 2017 AT 7:54 PM (Merged)
Tiny
MICAH ROGERS
  • MEMBER
  • 1 POST
I have this same problem, Have replaced the resister and that did not help, what else could it be?
Was this
answer
helpful?
Yes
No
+2
Wednesday, November 1st, 2017 AT 7:54 PM (Merged)
Tiny
HMAC300
  • MECHANIC
  • 48,601 POSTS
On some earlier Chevrolets this was caused by either a sticky relay or the harness going to the blower motor wold melt together causing this problem. I cannot find any tsb's on this condition you might call dealer if there is one on this they may fix for free but don't hold your hopes up. Try a different relay for blower motor which is under hood fuse box.
Was this
answer
helpful?
Yes
No
+2
Wednesday, November 1st, 2017 AT 7:54 PM (Merged)
Tiny
MARKARI
  • MEMBER
  • 1 POST
  • 2003 CHEVROLET IMPALA
Heater problem
2003 Chevy Impala 6 cyl Front Wheel Drive Automatic

The blower motor will only operate on high, what could the problem be?
Was this
answer
helpful?
Yes
No
Wednesday, November 1st, 2017 AT 7:54 PM (Merged)
Tiny
SCOTT32
  • MEMBER
  • 8 POSTS
Most likely needs a blower motor resistor, located under passenger side dash. Check fuses first. Too much voltage blows resistor out. Common among all vehicles.
Was this
answer
helpful?
Yes
No
Wednesday, November 1st, 2017 AT 7:54 PM (Merged)
Tiny
RADIO81
  • MEMBER
  • 2 POSTS
  • 2003 CHEVROLET IMPALA
  • 96,000 MILES
I have 2003 impala and the blower when turned on makes thr Cruse light come on, the blower stoped working for few mins. Any idea whats going on?
Was this
answer
helpful?
Yes
No
+1
Wednesday, November 1st, 2017 AT 7:54 PM (Merged)
Tiny
RIVERMIKERAT
  • MECHANIC
  • 6,110 POSTS
Have it scanned for codes. Check the blower and cruise circuits. They're shorted together.
Was this
answer
helpful?
Yes
No
+1
Wednesday, November 1st, 2017 AT 7:54 PM (Merged)
Tiny
RADIO81
  • MEMBER
  • 2 POSTS
What area of car would I check those circuits?
Was this
answer
helpful?
Yes
No
Wednesday, November 1st, 2017 AT 7:54 PM (Merged)
Tiny
RIVERMIKERAT
  • MECHANIC
  • 6,110 POSTS
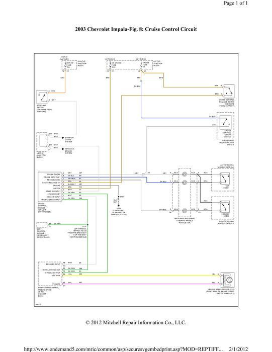
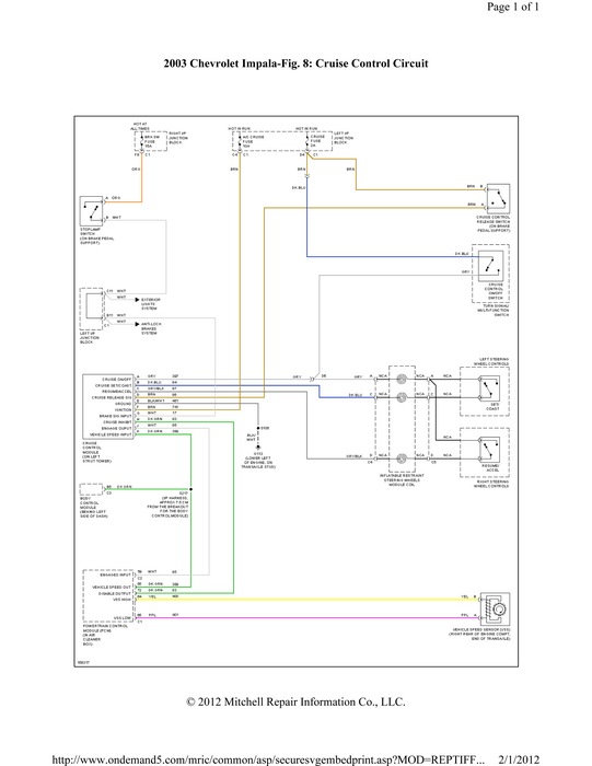
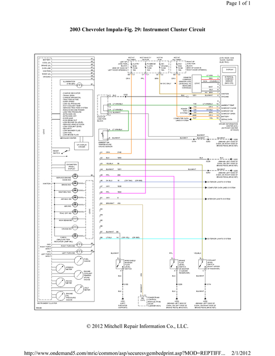
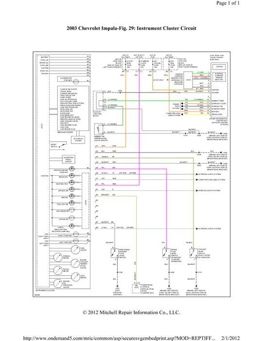
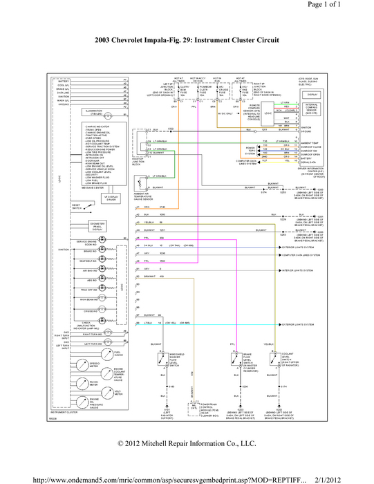
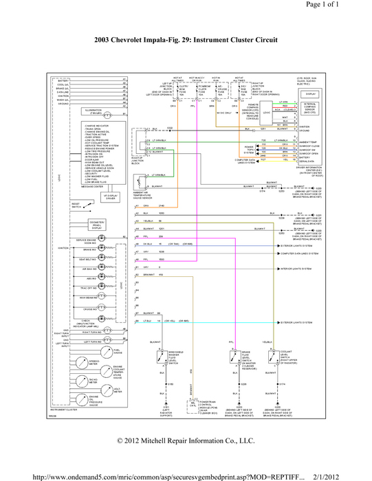
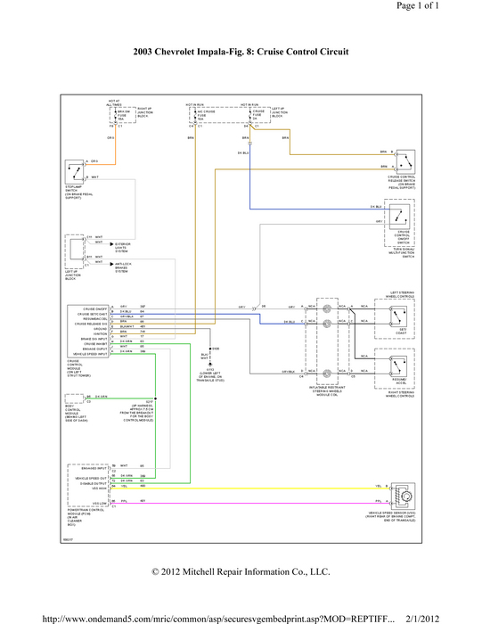
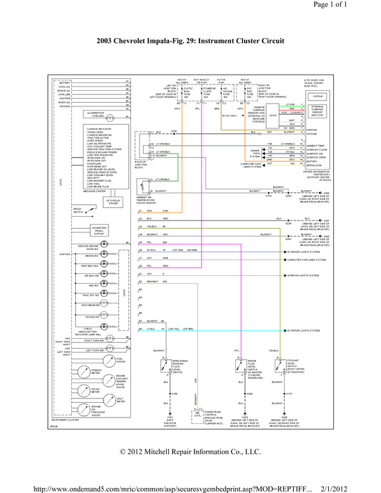
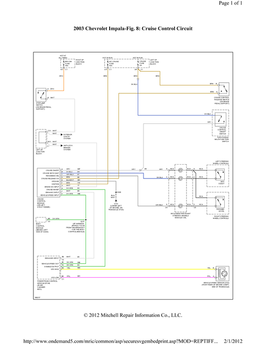
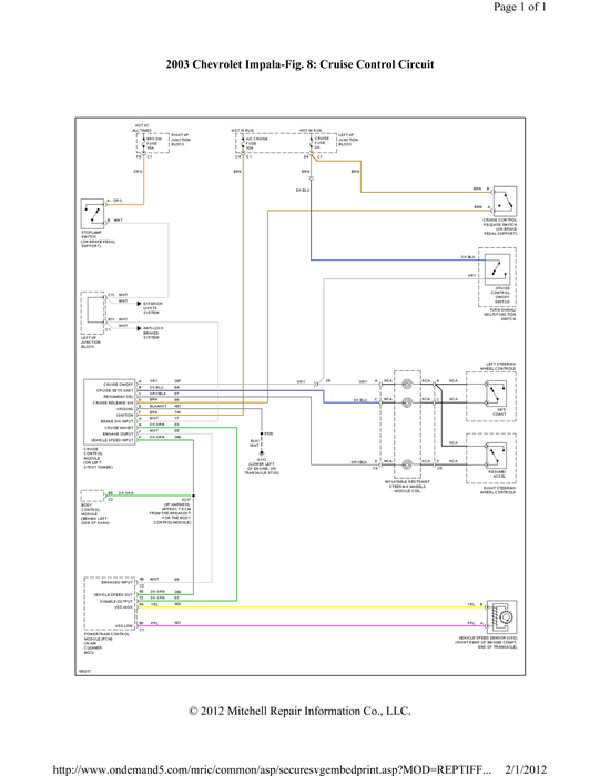
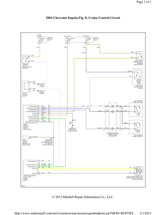
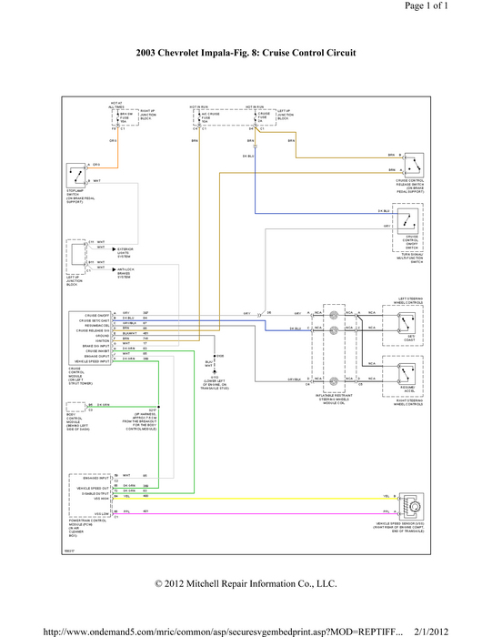
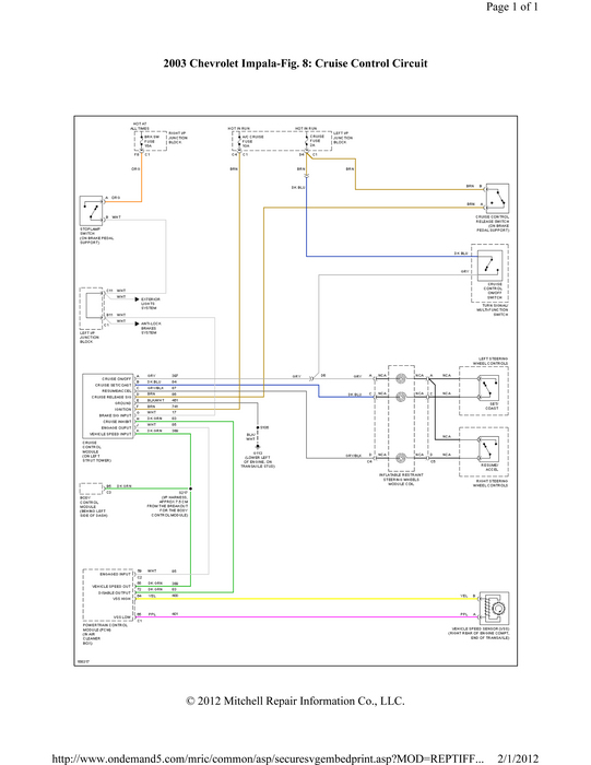
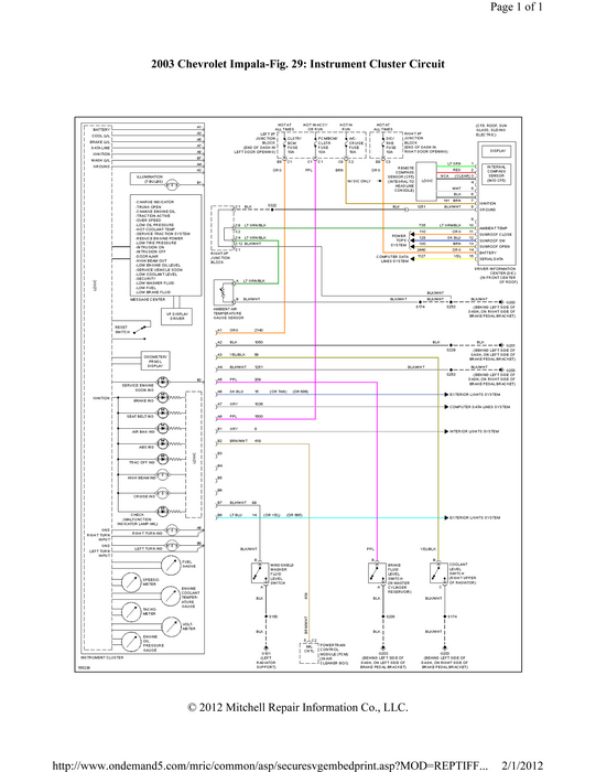
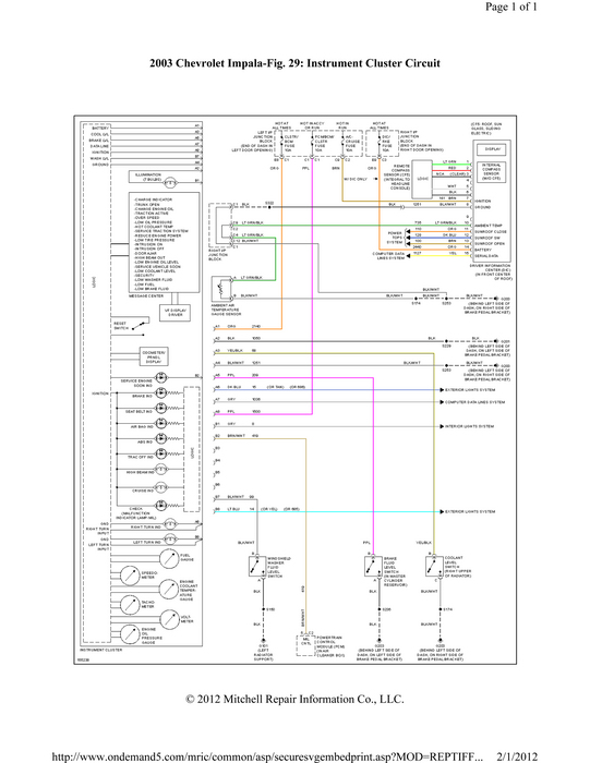
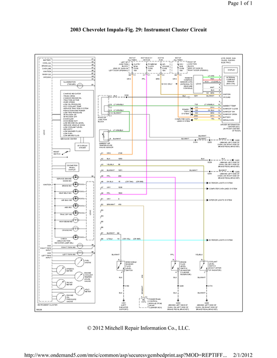
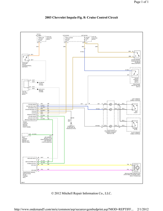
The blower is in the right front of the car. The switch is near the center of the dash. The cruise indicator is in the dash in front of the driver.

I have attached the cruise control and instrument cluster schematics. I've also attached the schematic for the heater/AC circuit.
Was this
answer
helpful?
Yes
No
Wednesday, November 1st, 2017 AT 7:54 PM (Merged)
Tiny
BRIAN51
  • MEMBER
  • 1 POST
  • 2002 CHEVROLET IMPALA
Electrical problem
2002 Chevy Impala 6 cyl Front Wheel Drive Automatic

There are 5 blower speeds on the car. There is no apparent volume on speeds #1 and #2. Blower workds fine on the three higher speeds. I haven't been able to find a wiring diagram to run this down. Any ideas?
Was this
answer
helpful?
Yes
No
Wednesday, November 1st, 2017 AT 7:54 PM (Merged)
Tiny
RHALL77
  • MECHANIC
  • 3,361 POSTS
You need a blower resistor. It is located on the passenger side at the bottom of the HVAC system
Was this
answer
helpful?
Yes
No
Wednesday, November 1st, 2017 AT 7:54 PM (Merged)
Tiny
RA433D
  • MEMBER
  • 1 POST
  • 2004 CHEVROLET IMPALA
Heater problem
2004 Chevy Impala

What do I need to do if when I cut off the car, the a/c or heater fan is still running?
Was this
answer
helpful?
Yes
No
Wednesday, November 1st, 2017 AT 7:54 PM (Merged)
Tiny
JACOBANDNICKOLAS
  • MECHANIC
  • 110,194 POSTS
Hi:
Good question. Power from the ignition switch isn't shutting down. I recommend having the ignition switch checked for problems.

Let me know what you find.

Joe
Was this
answer
helpful?
Yes
No
+1
Wednesday, November 1st, 2017 AT 7:54 PM (Merged)
Tiny
CROMAG
  • MEMBER
  • 1 POST
  • 2003 CHEVROLET IMPALA
  • 6 CYL
2003 Impala that has started to have a now and then power fade. While driving the lights will dim and blower for heat will slow, but after a couple miles all goes back to normal. Only seems to happen when I don't let it warm up enough before I start to drive. Am in Michigan so was wondering if the cold could have something to do with it. I'm thinking alternater but want another opinion before I spend the money.
Was this
answer
helpful?
Yes
No
Wednesday, November 1st, 2017 AT 7:54 PM (Merged)
Tiny
JACOBANDNICKOLAS
  • MECHANIC
  • 110,194 POSTS
Check the alternator and make sure the belt is tight enough. Most parts stores will check the alt for free while it is on the vehicle.
Was this
answer
helpful?
Yes
No
Wednesday, November 1st, 2017 AT 7:54 PM (Merged)
Tiny
CHARLES IVEY
  • MEMBER
  • 1 POST
  • 2005 CHEVROLET IMPALA
  • 3.8L
  • 6 CYL
  • 2WD
  • AUTOMATIC
  • 126,000 MILES
On this dash lights they do not come on most of the time at night, nothing during the day. Goes on and of and with the blower motor. Will not come on most of time unless I kick under dash around that area. Thank you
Was this
answer
helpful?
Yes
No
Wednesday, November 1st, 2017 AT 7:55 PM (Merged)

Please login or register to post a reply.