ECM no throttle

Tiny
STEELHED
  • MEMBER
  • 2005 CHEVROLET EQUINOX
  • 3.4L
  • 4 CYL
  • AWD
  • AUTOMATIC
  • 26,000 MILES
My chevy equinox will slow down with no throttle control. Both engine lights come on and book says get to the nearest dealer. We live in a remote area of Alaska, no roads to mainland. Occasionally the engine will run just fine. The engine scanner says, "lost contact with throttle actuator control module". Been like this for over six months. Wife is not happy. The car will run with no throttle control. It takes off very slowly and slowly gains rpm/speed. Speed will increase to about 35mph on level ground. When you brake the rpm drops, let off the brake and rpm increases. No throttle pedal control. Drove the car this past hour, made a slow uturn and the rpm dropped while in gear with no brake. I found earlier when that happens you can turn off the ignition, wait too the count of ten and the car will start/run normally.(Sometimes). I can go start the car now and it may or may not start normally. The car has run at reduced rpm for months with occasional normal operation. I could sure use some advice. Regg in Alaska
Friday, April 4th, 2014 AT 4:46 PM

13 Replies

Tiny
JACOBANDNICKOLAS
  • MECHANIC
  • 110,192 POSTS
Alaska? Too cold there for me. Lol We are finally starting to see spring and I can't wait till it gets warm.

Regardless, it sounds like the TPS (throttle position sensor) is bad. However, without having the computer scanned to get the trouble codes, that is a guess. Is there anywhere you could access a scanner to check the codes?
Was this
answer
helpful?
Yes
No
+1
Friday, April 4th, 2014 AT 7:10 PM
Tiny
MAXIMILIAM
  • ADMIN
  • 436 POSTS
Followed your advice. Purchased a new throttle actuator($264) installed it and no change. Scanner says "lost contact with throttle actuator". Checked all wiring and it looks in good shape. The car decided to run properly a few days ago. I drove to the store and around town. Parked the car overnight, would not run with throttle control the next morning. I have disconnected the battery and left it overnight. Re-connected the battery, car still will not run with throttle control. The car is in the driveway with the new throttle control actuator and will not run with throttle control.

You start the engine, its revs up and settles to idle. Put it in gear and it will very slowly gain rpm. As you gain speed it will accelerate to about 25-30 mph. No throttle control(foot feed). I noticed that before the car reverts to normal operation, it will decrease throttle to very low idle. I turn the engine off and wait ten seconds and the car will operate normally. The normal operation will not last long and the car reverts back to no throttle control. I am beginning to think I have a faulty ecm. Do you have any ideas?

Regg in Alaska
Was this
answer
helpful?
Yes
No
+1
Monday, April 14th, 2014 AT 3:16 AM
Tiny
JACOBANDNICKOLAS
  • MECHANIC
  • 110,192 POSTS
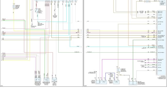
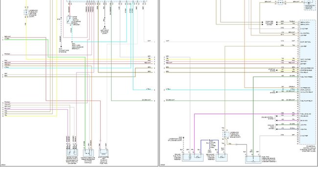
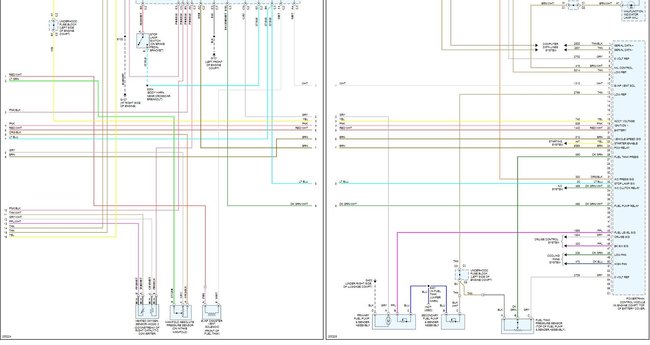
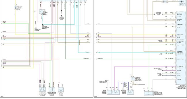
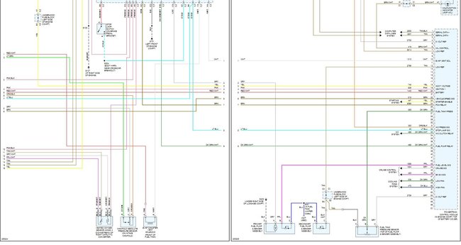
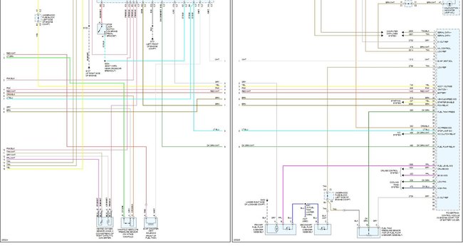
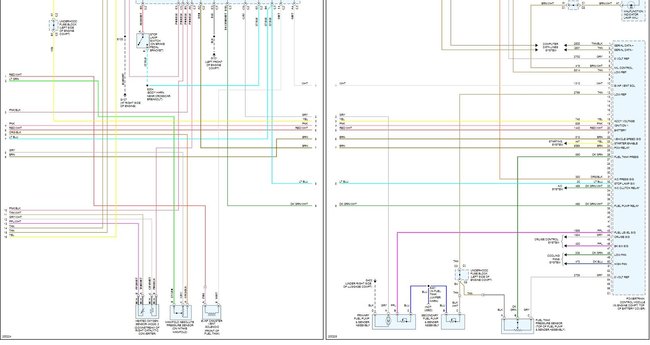
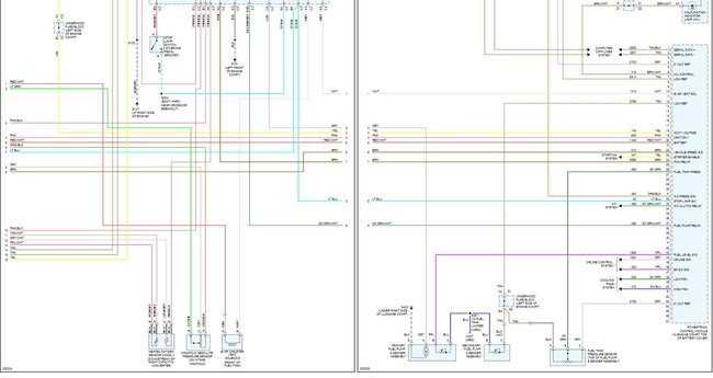
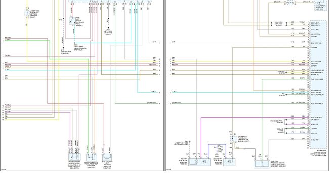
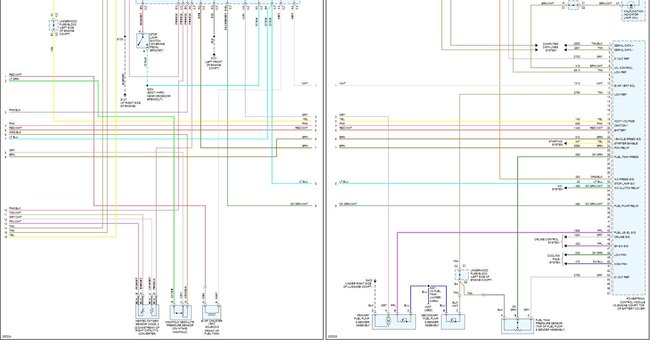
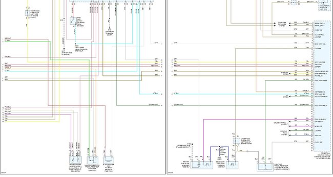
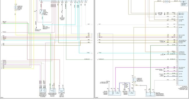
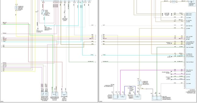
You also have a throttle actuator control module in there that could be bad. First I would check out the guide below on using a meter and do a pin-to-pin test to be sure you dont have bad wire first.

https://www.2carpros.com/articles/how-to-use-a-voltmeter

The wiring diagrams are attached below
Was this
answer
helpful?
Yes
No
+5
Thursday, April 18th, 2019 AT 6:07 PM
Tiny
KITCHAWAN KID
  • MEMBER
  • 2 POSTS
  • 2006 CHEVROLET EQUINOX
  • 1.5L
  • 6 CYL
  • 4WD
  • AUTOMATIC
  • 54,000 MILES
Computer will not reset after repairs were made
Was this
answer
helpful?
Yes
No
Thursday, April 18th, 2019 AT 6:08 PM (Merged)
Tiny
CARADIODOC
  • MECHANIC
  • 34,463 POSTS
What are you expecting to "reset"? What repairs were made? Don't make us guess.
Was this
answer
helpful?
Yes
No
Thursday, April 18th, 2019 AT 6:08 PM (Merged)
Tiny
KITCHAWAN KID
  • MEMBER
  • 2 POSTS
Some sensers were replaced, what they say is computer not ready, drove over 300 mi. To reset, still, not ready
Was this
answer
helpful?
Yes
No
Thursday, April 18th, 2019 AT 6:08 PM (Merged)
Tiny
CARADIODOC
  • MECHANIC
  • 34,463 POSTS
Dandy. The Engine Computer will learn the characteristics of new sensors right away, but that can take a little longer when two or more are replaced at exactly the same time. What you're referring to are "readiness" monitors for the emissions system. There are long lists of conditions that must be met for those to run, and it's frustrating because those conditions are different for every car model and year. Your best bet is to visit the dealer, but it's common for no one there to know the answer off the top of their head. Sometimes a mechanic will know one specific condition that is needed but hard to achieve unless you know it. At the dealership where I worked, the service advisers had the owner's blessings to photocopy a few pages out of the service manual if they weren't busy with customers, but things like this are often only found in specialty system diagnostic manuals. You might have to visit a few dealerships before you run into the person with the right answer.
Was this
answer
helpful?
Yes
No
Thursday, April 18th, 2019 AT 6:08 PM (Merged)
Tiny
HENDERSON8
  • MEMBER
  • 1 POST
  • 2005 CHEVROLET EQUINOX
  • 4.6L
  • 6 CYL
  • AWD
  • AUTOMATIC
  • 135,110 MILES
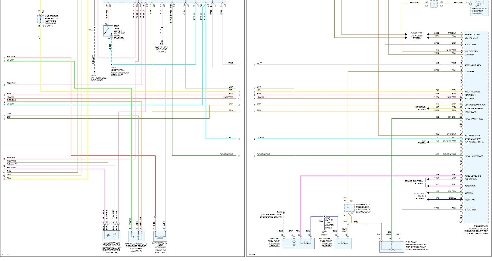
Does anyone have an EGR wiring diagram? I changed my EGR valve and wires now my check engine light is on. I believe I may have wired it wrong, can someone help?
Was this
answer
helpful?
Yes
No
Thursday, April 18th, 2019 AT 6:08 PM (Merged)
Tiny
MHPAUTOS
  • MECHANIC
  • 31,937 POSTS
Here is the EGR wiring diagrams and a guide to help you test the wiring.

https://www.2carpros.com/articles/how-to-check-wiring

Check out the diagrams (Below). Please let us know if you need anything else to get the problem fixed.
Was this
answer
helpful?
Yes
No
Thursday, April 18th, 2019 AT 6:08 PM (Merged)
Tiny
RUSTY02
  • MEMBER
  • 1 POST
  • 2007 CHEVROLET EQUINOX
  • 6 CYL
  • AWD
  • AUTOMATIC
  • 45,233 MILES
The engine light came on and I used a code reader and got a code P0604 which says a Probable cause is a faulty PCM, failed ECM Ram error detected the non-volatile random access memory failed. My question is: is the ECM /PCM part of the Power Train Control system and is it covered under the federal Emission Control system 8 years or 80,000 miles, my warranty says the 8 year 80,000 mile warranty covers the vehicle/powertrain control module (including emission-related software). So is my problem covered under this warranty? ECM/PCM is all greek to me!
Was this
answer
helpful?
Yes
No
Thursday, April 18th, 2019 AT 6:08 PM (Merged)
Tiny
FACTORYJACK
  • MECHANIC
  • 4,159 POSTS
Yes it should be covered as part of the 8/80. Here is the literature, it can also be found in your owners packet in the warranty and owner assistance manual.
Emission Control Systems Warranty
The emission warranty on your vehicle is issued in accordance with the U.S. Federal Clean Air Act. Defects in material or workmanship in GM emission parts may also be covered under the New Vehicle Limited Warranty Bumper-to-Bumper coverage. There may be additional coverage on GM diesel engine vehicles. In any case, the warranty with the broadest coverage applies.

What Is Covered
The parts covered under the emission warranty are listed under "Emission Warranty Parts List" later in this section.

How to Determine the Applicable Emissions Control System Warranty
State and Federal agencies may require different emission control system warranty depending on:

"Â Whether the vehicle conforms to regulations applicable to light duty or heavy duty emission control systems.

"Â Whether the vehicle conforms to or is certified for California regulations in addition to U.S. EPA Federal regulations.

To determine eligibility: Light Duty vehicles with a Gross Vehicle Weight Rating (GVWR) of 8,500 lbs. Or less; Heavy Duty vehicles with a GVWR of 8,500 lbs. Or greater.

All vehicles are eligible for Federal Emissions Control System Warranty Coverage. If the emissions control label contains language stating the vehicle conforms to California regulations, the vehicle is also eligible for California Emissions Control System Warranty Coverage.

Federal Emission Control System Warranty
Federal Warranty Coverage

"Â Car and Light Duty Truck equipped with Car and Light Duty Gasoline Engines

- 2 years or 24,000 miles and 8 years or 80,000 miles for the catalytic converter and the vehicle/powertrain control module (including emission-related software), whichever comes first.

"Â Light Duty Truck equipped with Heavy Duty Gasoline Engine

- 5 years or 50,000 miles, whichever comes first.

"Â Light Duty Truck equipped with Heavy Duty Diesel Engine

- 5 years or 50,000 miles, whichever comes first.

Federal Emission Defect Warranty
GM warrants to the owner the following:

"Â The vehicle was designed, equipped, and built so as to conform at the time of sale with the applicable regulations of the Federal Environmental Protection Agency (EPA).

"Â The vehicle is free from defects in material and workmanship which cause the vehicle to fail to conform with those regulations during the emission warranty period.

Emission related defects in the genuine GM parts listed under the Emission Warranty Parts List, including related diagnostic costs, parts, and labor are covered by this warranty.

Federal Emission Performance Warranty
Some states and/or local jurisdictions have established periodic vehicle Inspection and Maintenance (I/M) programs to encourage proper maintenance of your vehicle. If an EPA-approved I/M program is enforced in your area, you may also be eligible for Emission Performance Warranty coverage when all of the following three conditions are met:

"Â The vehicle has been maintained and operated in accordance with the instructions for proper maintenance and use set forth in the owner manual supplied with your vehicle.

"Â The vehicle fails an EPA-approved I/M test during the emission warranty period.

"Â The failure results, or will result, in the owner of the vehicle having to bear a penalty or other sanctions, including the denial of the right to use the vehicle, under local, state, or federal law.

GM warrants that your dealer will replace, repair, or adjust to GM specifications, at no charge to you, any of the parts listed under the "Emission Warranty Parts List" later in this section which may be necessary to conform to the applicable emission standards. Non-GM parts labeled "Certified to EPA Standards" are covered by the Federal Emission Performance Warranty.

California Emission Control System Warranty
This section outlines the emission warranty that GM provides for your vehicle in accordance with the California Air Resources Board. Defects in material or workmanship in GM emission parts may also be covered under the New Vehicle Limited Warranty Bumper-to-Bumper coverage. There may be additional coverage on GM diesel engine vehicles. In any case, the warranty with the broadest coverage applies.

This warranty applies if your vehicle meets both of the following requirements:

"Â Your vehicle is registered in California or other states adopting California emission and warranty regulations.

"Â Your vehicle is certified for sale in California as indicated on the vehicle's emission control information label.

Important: Massachusetts, Maine, and Vermont have California Emissions Warranty coverage. (New York adopted California emission standards, but not the California emissions warranty. The Federal Emissions Control Warranty applies to all vehicles in New York.)

Important: California, New York, Massachusetts, Vermont, Maine, Connecticut, Rhode Island, and New Jersey have PZEV Emission Warranty Coverage.

Your Rights and Obligations (For Vehicles Subject to California Exhaust Emission Standards)
In California, new motor vehicles must be designed, equipped, and built to meet the state's stringent anti-smog standards. GM must warrant your vehicle's emission control system for the periods of time and mileage listed provided there has been no abuse, neglect, or improper maintenance of your vehicle. Your vehicle's emission control system may include parts such as the fuel injection system, ignition system, catalytic converter, and engine computer. Also included are hoses, belts, connectors, and other emission related assemblies.

Where a warrantable condition exists, GM will repair your vehicle at no cost to you including diagnosis, parts, and labor.

California Emission Defect and Emission Performance Warranty Coverage
For cars and trucks with light duty or medium duty emissions:

"Â For 3 years or 50,000 miles, whichever comes first:

- If your vehicle fails a smog check inspection, GM will make all necessary repairs and adjustments to ensure that your vehicle passes the inspection. This is your Emission Control System Performance Warranty.

- If any emission related part on your vehicle is defective, GM will repair or replace it. This is your Short-term Emission Defects Warranty.

"Â For 7 years or 70,000 miles whichever comes first:

- If an emission related part listed in this booklet specially noted with coverage for 7 years or 70,000 miles is defective, GM will repair or replace it. This is your Long-term Emission Control System Defects Warranty.

"Â For 8 years or 80,000 miles, whichever comes first:

- If the catalytic converter, vehicle powertrain control module including emission related software is found to be defective, GM will repair or replace it under the Federal Emission Control System Warranty.

"Â For 8 years or 100,000 miles, whichever comes first for a Super Ultra Low Emission Vehicle (SULEV):

- If an emission related part listed in this booklet specially noted with 7 years/70,000 miles or 8 years/80,000 miles is defective, GM will repair or replace it. This is your Long-term Emission Control System Defect Warranty.

"Â For 15 years or 150,000 miles, whichever comes first for a Partial Zero Emission Vehicle (PZEV):

- If any emission related part listed in this booklet is defective GM will repair or replace it. This is your (PZEV) Emission Control System Defects Warranty.

"Â For light and medium duty trucks with heavy duty engines, the emission warranty period is 5 years or 50,000 miles, whichever comes first.

"Â For heavy duty diesel engine vehicles, the emission warranty period is 5 years or 100,000 miles, whichever comes first.

Any authorized Chevrolet dealer will, as necessary under these warranties, replace, repair, or adjust to GM specifications any genuine GM parts that affect emissions.

The applicable warranty period shall begin on the date the vehicle is delivered to the first retail purchaser or, if the vehicle is first placed in service as a demonstrator or company vehicle prior to sale at retail, on the date the vehicle is placed in such service.

Owner's Warranty Responsibilities
As the vehicle owner, you are responsible for the performance of the scheduled maintenance listed in your owner manual. GM recommends that you retain all maintenance receipts for your vehicle, but GM cannot deny warranty coverage solely for the lack of receipts or for your failure to ensure the performance of all scheduled maintenance.

You are responsible for presenting your vehicle to a GM dealer selling your vehicle line as soon as a problem exists. The warranted repairs should be completed in a reasonable amount of time, not to exceed 30 days.

As the vehicle owner, you should also be aware that GM may deny warranty coverage if your vehicle or a part has failed due to abuse, neglect, improper or insufficient maintenance, or modifications not approved by GM.

If you have any questions regarding your rights and responsibilities under these warranties, you should contact the Customer Assistance Center at 1-800-222-1020 or, in California, write to:

State of California Air Resources Board
Mobile Source Operations Division
P.O. Box 8001
El Monte, CA 91731-2990

Emission Warranty Parts List
The emission parts listed here are covered under the Emission Control System Warranty. The terms are explained previously in this section under the "Federal Emission Control System Warranty" and the "California Emission Control System Warranty".

Important: Certain parts may be covered beyond these warranties if shown with asterisk(s) as follows:

"Â (*) 7 years/70,000 miles or Super Low Emission Vehicle (SULEV) 8 years/100,000 miles, whichever comes first, California Emission Control System Warranty coverage.

"Â (**) 8 years/80,000 miles, whichever comes first, Federal emission coverage. (Also applies to California certified light duty and medium duty vehicles.) Or California Super Ultra Low Emission Vehicle (SULEV) 8 years/100,000 miles.

The Emission Control System Warranty obligations do not apply to conditions resulting from tampering, abuse, neglect, or improper maintenance; or any other item listed under "What Is Not Covered" under General Motors Corporation New Vehicle Limited Warranty. The "Other Terms" presented under General Motors Corporation New Vehicle Limited Warranty also apply to the emission related warranties.

Powertrain Control System

ABS Control Module (Except 4-cylinder passenger cars) **

Camshaft Position Actuator *

Camshaft Position Actuator Valve

Coolant Level Sensor

Data Link Connector

Electronic Throttle Control (ETC) Motor

Engine Control Module (ECM) **

Engine Coolant Temp. Sensor

Fast Idle Solenoid

Flexible Fuel Sensor *

Intake Air Temperature Sensor

Malfunction Indicator Lamp

Manifold Absolute Pressure Sensor

Mass Air Flow Sensor

Oil Pressure Sensor (DoDà † only)

Oxygen Sensors

Powertrain Control Module (PCM) **

Programmable Read Only Memory (PROM)

Throttle Position Sensor

Throttle Position Switch

Vehicle Control Module (VCM) **

Vehicle Speed Sensor

Wheel Speed Sensor (Except 4-cylinder passenger cars)

Transmission Controls and Torque Management

Manual Transmission Clutch Switch

Park/Neutral Switch

Torque Converter Clutch Solenoids

Torque Converter Clutch Switch

Transmission Control Module **

Transmission Fluid Temperature Sensor

Transmission Gear Selection Switch (Diesel)

Transmission Internal Mode Switch

Transmission Pressure Switches

Transmission Shift Solenoids A & B

Transmission Speed Sensors

Fuel Management System

Common Rail Assembly (6.6L DURAMAX Â Diesel) *

Diesel Fuel Injection Pump *

Diesel Fuel Injection Pump Timing Adjust

Diesel Fuel Injector Control Module - EDU (6.6L DURAMAX Â Diesel) *

Diesel Fuel Temperature Sensor

Direct Fuel Injector Assembly (6.6L DURAMAX Â Diesel) *

Function Block (6.6L DURAMAX Â Diesel)

Fuel Injector

Fuel Pressure Regulator

Fuel Rail Assembly *

Fuel Rail Pressure Sensor (6.6L DURAMAX Â Diesel)

Air Management System

Air Cleaner

Air Cleaner Diaphragm Motor

Air Cleaner Resonator

Air Cleaner Temp. Compensator Valve

Air Intake Ducts

Charge Air Control Actuator

Charge Air Control Solenoid Valve

Charge Air Control Valve

Charge Air Cooler (6.6L DURAMAX Â Diesel) *

Charge Air Cooler Fan

Idle Air Control Valve

Idle Speed Control Motor

Intake Manifold *

Intake Manifold Gasket

Intake Manifold Gasket (7/70 Only Terraza, Uplander, Montana SV6, RELAY and DURAMAX Â Diesel) *

Intake Manifold Heater

Intake Manifold Tuning Valve

Intake Manifold Tuning Valve Relay

Supercharger Assembly *

Throttle Body * (Replacement Only)

Throttle Body Heater

Throttle Closing Dashpot

Turbocharger Assembly *

Turbocharger Boost Sensor (6.6L DURAMAX Â Diesel)

Turbocharger Oil Separator

Turbocharger Thermo Purge Switch

Vacuum Pump (6.6L DURAMAX Â Diesel)

Ignition System

Camshaft Position Sensor(s)

Crankshaft Position Sensor(s)

Distributor

Distributor Cap

Distributor Pick Up Coil

Distributor Rotor

Glow Plug(s) (Diesel)

Glow Plug Controller (Diesel)

Glow Plug Relay (Diesel)

Ignition Coil(s)

Ignition Control Module

Ignition Timing Adjustment

Knock Sensor

Spark Plug Wires

Spark Plugs

Catalytic Converter System

Catalytic Converter(s) and Muffler if attached as assembly **

Exhaust Manifold (7/70 Only Corvette 7.0L, Equinox, Torrent, Rendezvous, Terraza, Uplander, RELAY, Cadillac DTS 4.6L, (Monte Carlo, Impala, Grand Prix 5.3L right side) and C/K Trucks < 14,000 GVWR 8.1L)

Exhaust Manifold with Catalytic Converter attached as assembly **

Exhaust Manifold Gasket

Exhaust Pipes and/or Mufflers (when located between catalytic converters and exhaust manifold)

Positive Crankcase Ventilation System

Oil Filler Cap

PCV Filter

PCV Oil Separator

PCV Valve

Exhaust Gas Recirculation System

EGR Feed and Delivery Pipes or Cast-in Passages

EGR Valve

EGR Valve Cooler (6.6L DURAMAX Â Diesel)

EGR Vacuum Pump Assembly (6.6L DURAMAX Â Diesel)

Secondary Air Injection System

Air Pump

Check Valves

Evaporative Emission Control System (Gasoline Engines)

Canister

Canister Purge Solenoid Valve

Canister Vent Solenoid

Fuel Feed and Return Pipes and Hoses

Fuel Filler Cap

Fuel Level Sensor

Fuel Limiter Vent Valve *

Fuel Tank Filler Pipe (with restrictor)

Fuel Tank(s) *

Fuel Tank Vacuum or Pressure Sensor

Hybrid

Auxiliary Transmission Pump, Relay, and Circuit

Battery Pack Current Sensor and Circuit

Battery Pack 12V Modules (3)

Brake Pedal Switch (PCM ZAB Switch)

Energy Storage Control Module **

GMLAN (CAN) Communications Circuit

Hood Ajar Switch and Circuit

Hybrid Control Module **

SGCM Coolant Circuit (fan and fan relay and pump)

Starter Generator Control Module **

Wheel Speed Sensor and Circuits (left and right front)

Miscellaneous Items Used with Above Components are Covered

Belts

Boots

Clamps

Connectors

Ducts

Fittings

Gaskets

Grommets

Hoses

Housings

Mounting Hardware

Pipes

Pulleys

Sealing Devices

Springs

Tubes

Wiring

Parts specified in your maintenance schedule that require scheduled replacement are covered up to their first replacement interval or the applicable emission warranty coverage period, whichever comes first. If failure of one of these parts results in failure of another part, both will be covered under the Emission Control System Warranty.

For detailed information concerning specific parts covered by these emission control systems warranties, ask your dealer.

Replacement Parts
The emission control systems of your vehicle were designed, built, and tested using genuine GM parts* and the vehicle is certified as being in conformity with applicable federal and California emission requirements. Accordingly, it is recommended that any replacement parts used for maintenance or for the repair of emission control systems be new, genuine GM parts.

The warranty obligations are not dependent upon the use of any particular brand of replacement parts. The owner may elect to use non-genuine GM parts for replacement purposes. Use of replacement parts which are not of equivalent quality may impair the effectiveness of emission control systems.

If other than new, genuine GM parts are used for maintenance replacements or for the repair of parts affecting emission control, the owner should assure himself/herself that such parts are warranted by their manufacturer to be equivalent to genuine GM parts in performance and durability.

* "Genuine GM parts, " when used in connection with GM vehicles means parts manufactured by or for GM, designed for use on GM vehicles, and distributed by any division or subsidiary of GM.

Maintenance and Repairs
Maintenance and repairs can be performed by any qualified service outlet; however, warranty repairs must be performed by an authorized dealer except in an emergency situation when a warranted part or a warranty station is not reasonably available to the vehicle owner.

In an emergency, where an authorized dealer is not reasonably available, repairs may be performed at any available service establishment or by the owner, using any replacement part. Chevrolet will consider reimbursement for the expense incurred, including diagnosis, not to exceed the manufacturer's suggested retail price for all warranted parts replaced and labor charges based on Chevrolet's recommended time allowance for the warranty repair and the geographically appropriate labor rate. A part not being available within 10 days or a repair not being completed within 30 days constitutes an emergency. Retain receipts and failed parts in order to receive compensation for warranty repairs reimbursable due to an emergency.

If, in an emergency situation, it is necessary to have repairs performed by other than a Chevrolet dealer and you believe the repairs are covered by emission warranties, take the replaced parts and your receipt to a Chevrolet dealer for reimbursement consideration. This applies to both the Federal Emission Defect Warranty and Federal Emission Performance Warranty.

Receipts and records covering the performance of regular maintenance or emergency repairs should be retained in the event questions arise concerning maintenance. These receipts and records should be transferred to each subsequent owner. GM will not deny warranty coverage solely on the absence of maintenance records. However, GM may deny a warranty claim if a failure to perform scheduled maintenance resulted in the failure of a warranty part.

Claims Procedure
As with the other warranties covered in this booklet, take your vehicle to any authorized Chevrolet dealer facility to obtain service under the emission warranty. This should be done as soon as possible after failing an EPA-approved I/M test or a California smog check test, or at any time you suspect a defect in a part.

Those repairs qualifying under the warranty will be performed by any Chevrolet dealer at no charge. Repairs which do not qualify will be charged to you. You will be notified as to whether or not the repair qualifies under the warranty within a reasonable time, not to exceed 30 days after receipt of the vehicle by the dealer, or within the time period required by local or state law.

The only exceptions would be if you request or agree to an extension, or if a delay results from events beyond the control of your dealer or GM. If you are not so notified, GM will provide any required repairs at no charge.

In the event a warranty matter is not handled to your satisfaction, refer to the "Customer Satisfaction Procedure" under Owner Assistance.

For further information or to report violations of the Emission Control System Warranty, you may contact the EPA at:

Manager, Certification and Compliance
Division (6405J)
Warranty Claims
Environmental Protection Agency
Ariel Rios Building
1200 Pennsylvania Avenue, N.W.
Washington, DC 20460

For a vehicle subject to the California Exhaust Emission Standards, you may contact the:

State of California Air Resources Board
Mobile Source Operations Division
P.O. Box 8001
El Monte, CA 97131-2990
Was this
answer
helpful?
Yes
No
Thursday, April 18th, 2019 AT 6:08 PM (Merged)
Tiny
2CP-ARCHIVES
  • MEMBER
  • 4,540 POSTS
  • 2006 CHEVROLET EQUINOX
  • 80,500 MILES
What would cause the throttle body to go bad?
Was this
answer
helpful?
Yes
No
Thursday, April 18th, 2019 AT 6:08 PM (Merged)
Tiny
CARADIODOC
  • MECHANIC
  • 34,463 POSTS
Do you have the dangerous "throttle-by-wire" system that put Toyota in the news? That system replaces the common sense throttle cable with two throttle position sensors, a computer, a motor-drive throttle plate, and lots of electrical wire and connectors. Anytime you add an unreliable computer to a formerly trouble-free system, you add complexity and problems. Most of the throttle bodies are not serviceable because any hands that get into it will be a potential party to the future lawsuits. Those units are replaced, not fixed.

If you still have the trouble-free older throttle body, all that can go wrong with them is a small passage becomes blocked with carbon affecting the idle speed of the engine, or the throttle shaft's bushings wear and create a vacuum leak. Neither of those problems is dangerous, common, or expensive to repair. Makes you wonder why they stopped using them.
Was this
answer
helpful?
Yes
No
Thursday, April 18th, 2019 AT 6:08 PM (Merged)

Please login or register to post a reply.