Friday, August 2nd, 2013 AT 9:54 PM
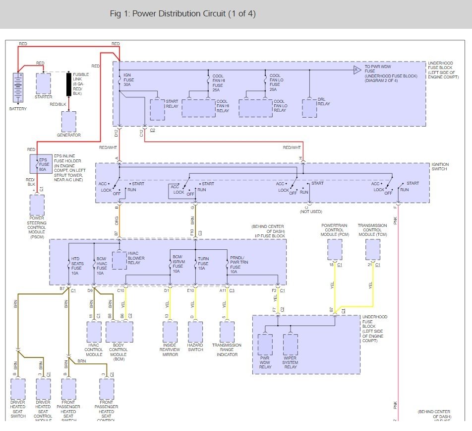
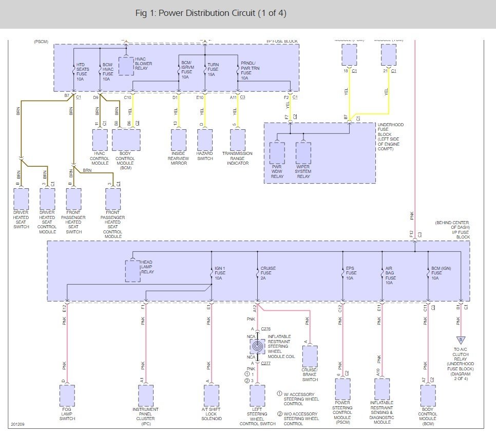
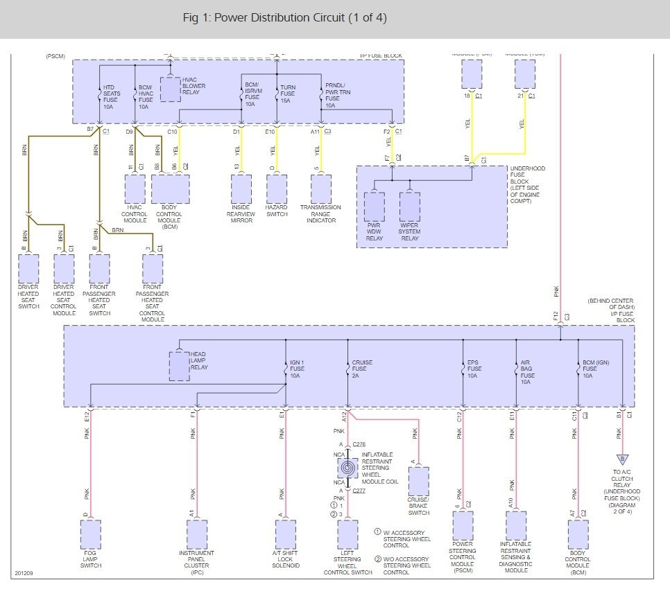
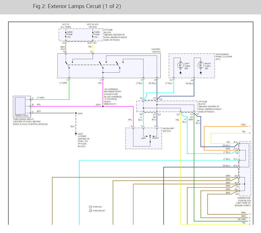
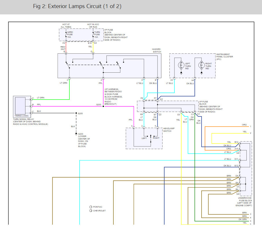
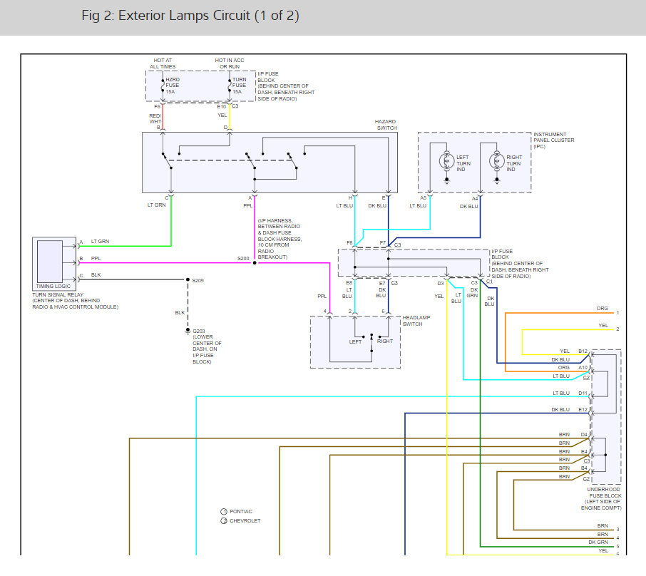
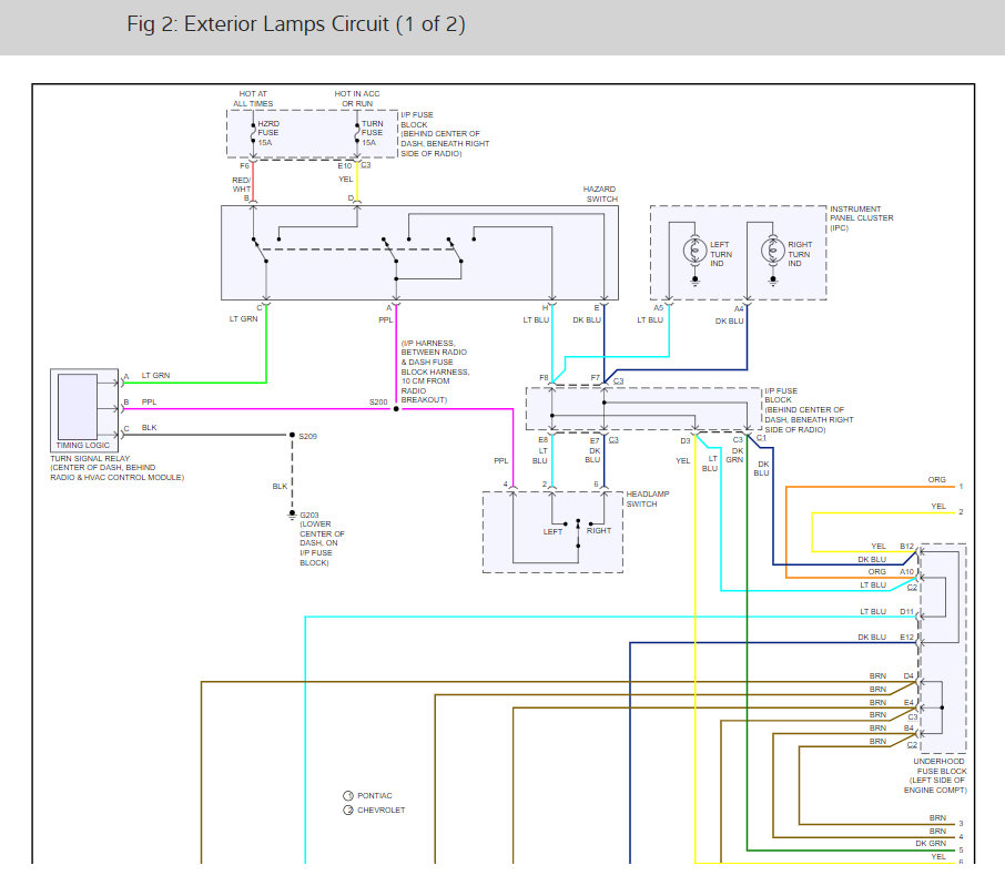
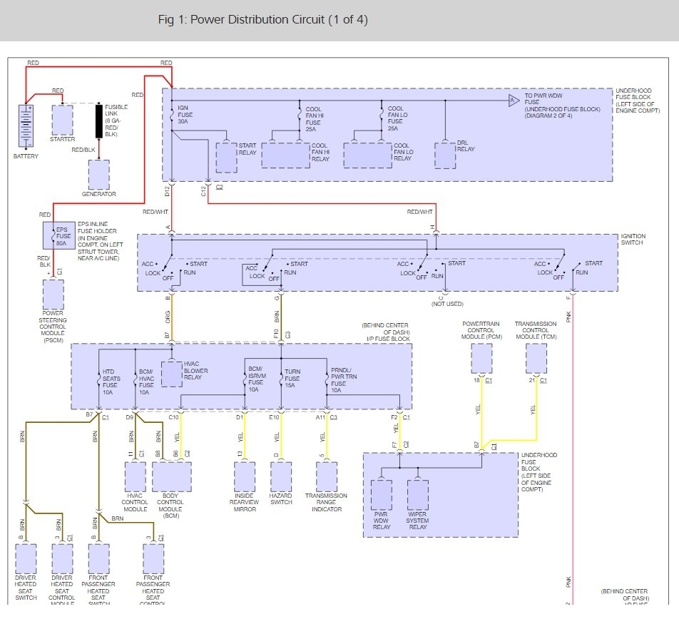
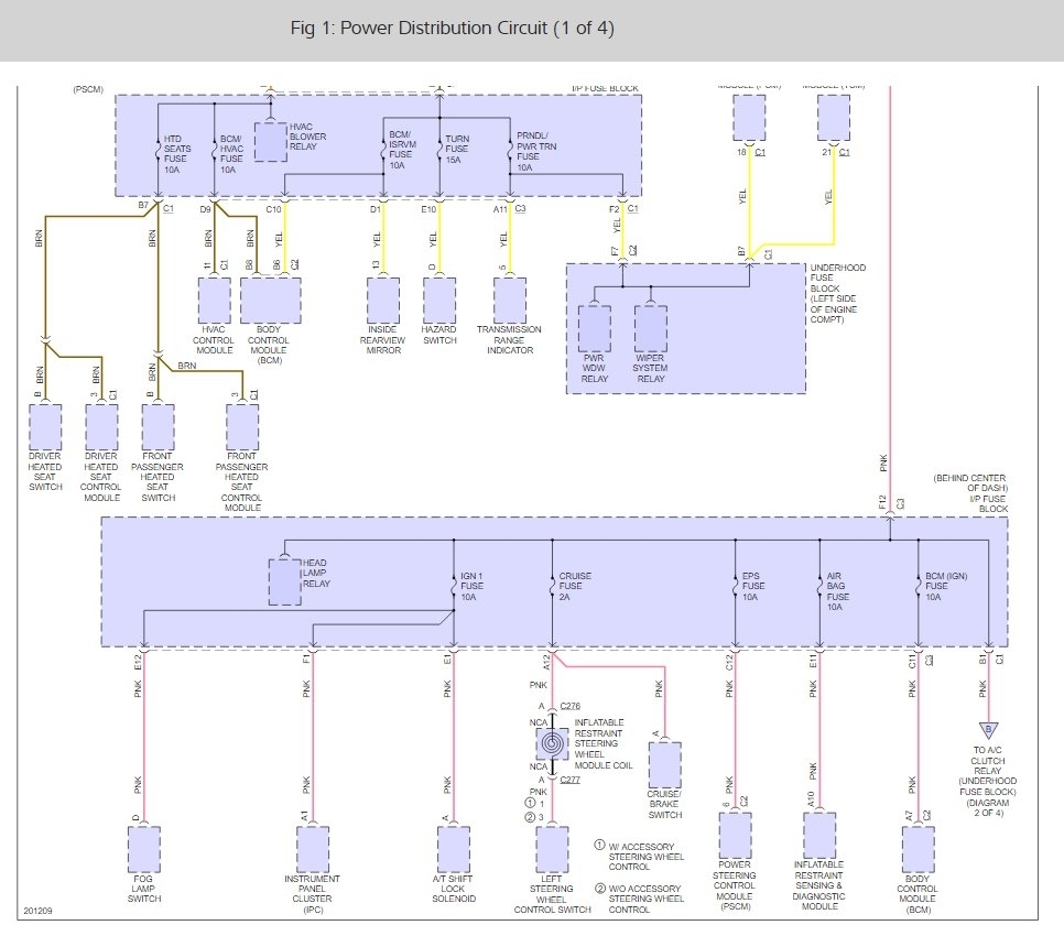
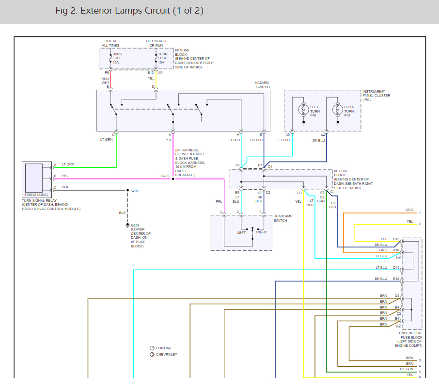
My dash lights, brake lights, parking lights, and fog lights are not working. The head lights, interior lights, and turn signals front and back are working. Is it all on the same fuse and which one is it then?















