Tuesday, December 27th, 2011 AT 2:15 PM
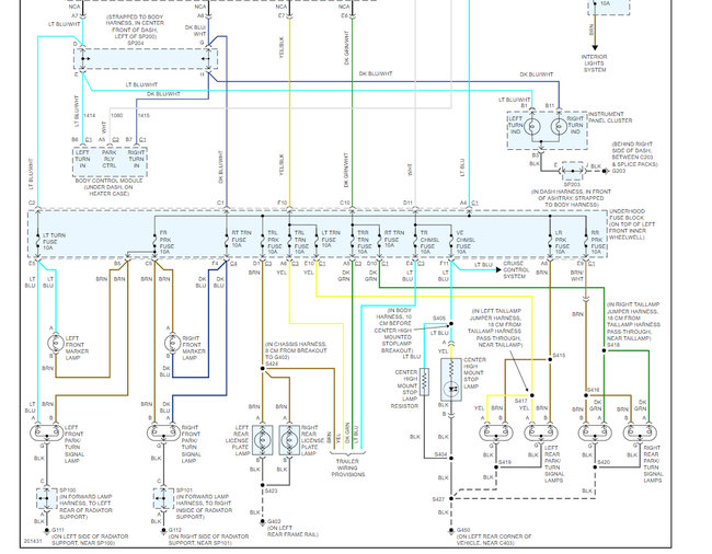
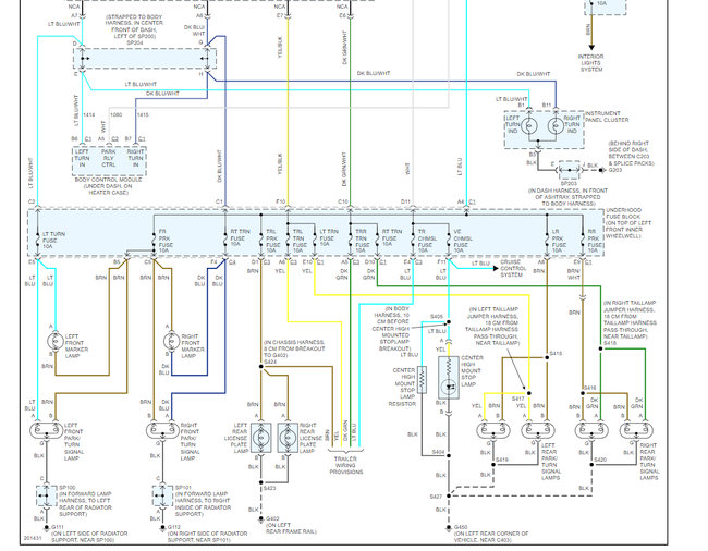
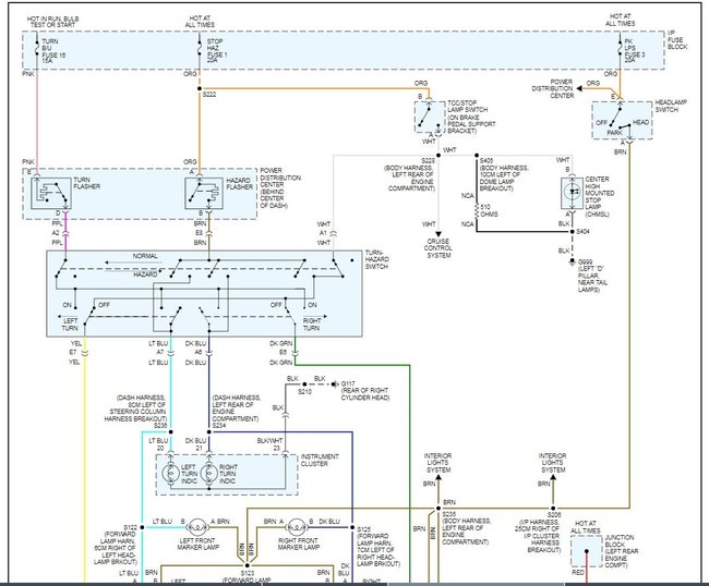
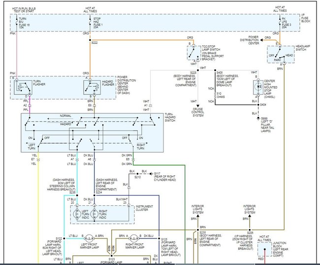
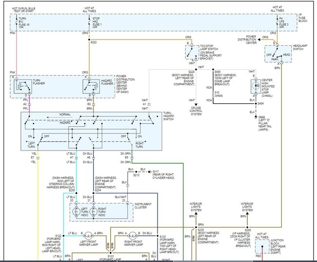
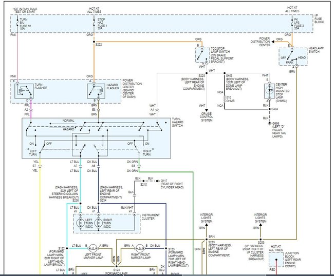
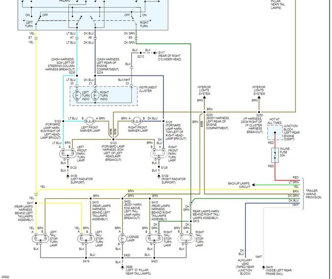
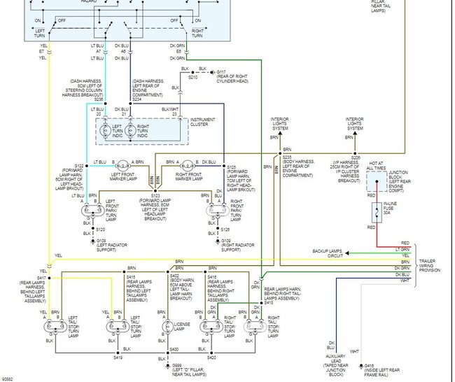
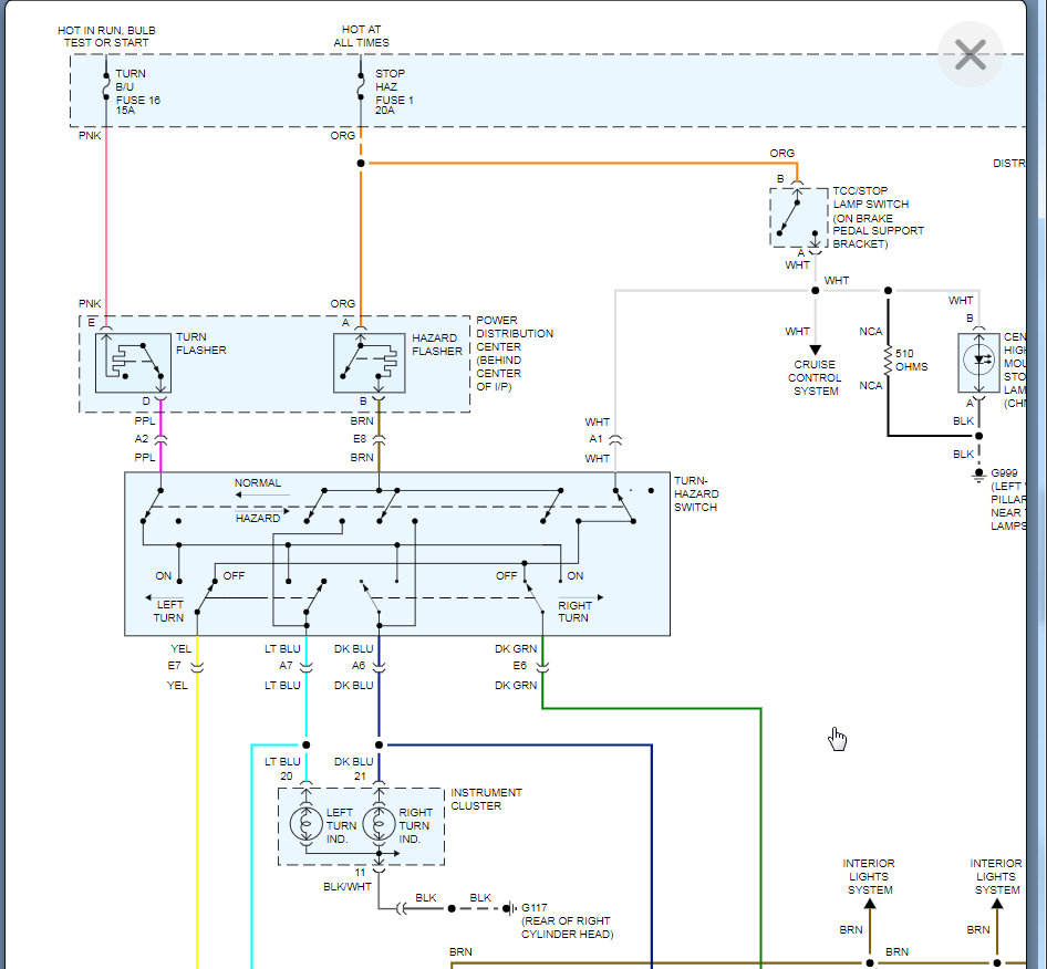
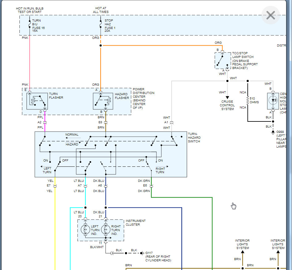
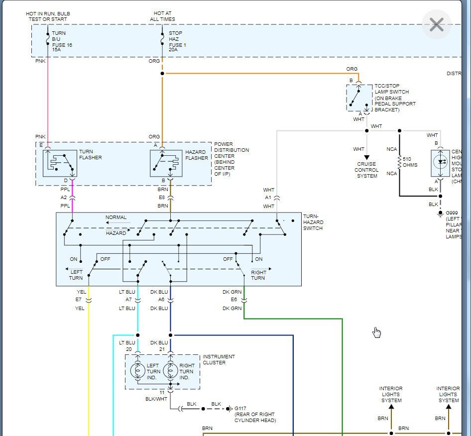
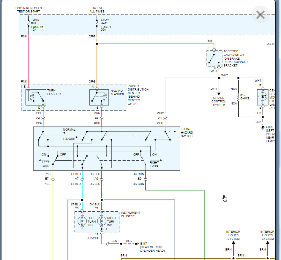
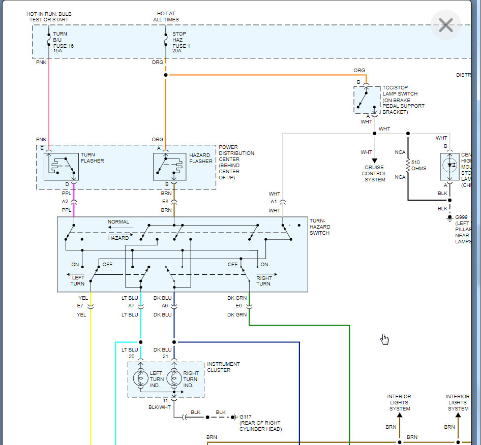
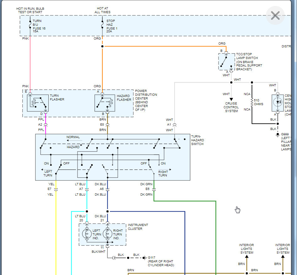
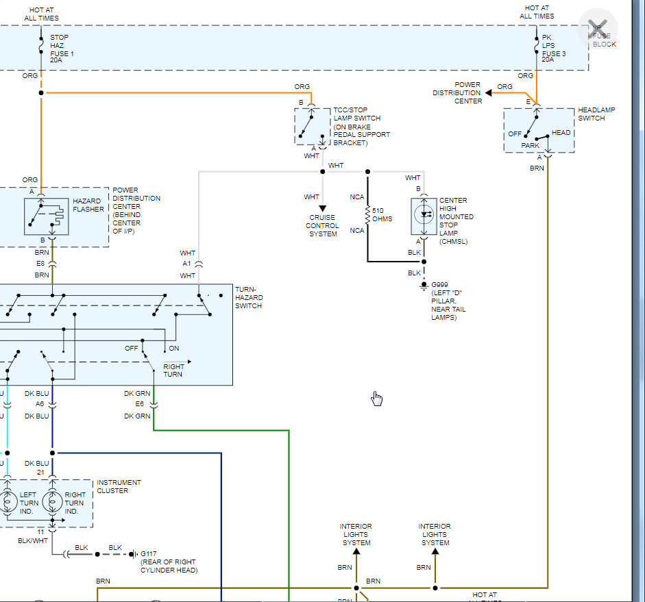
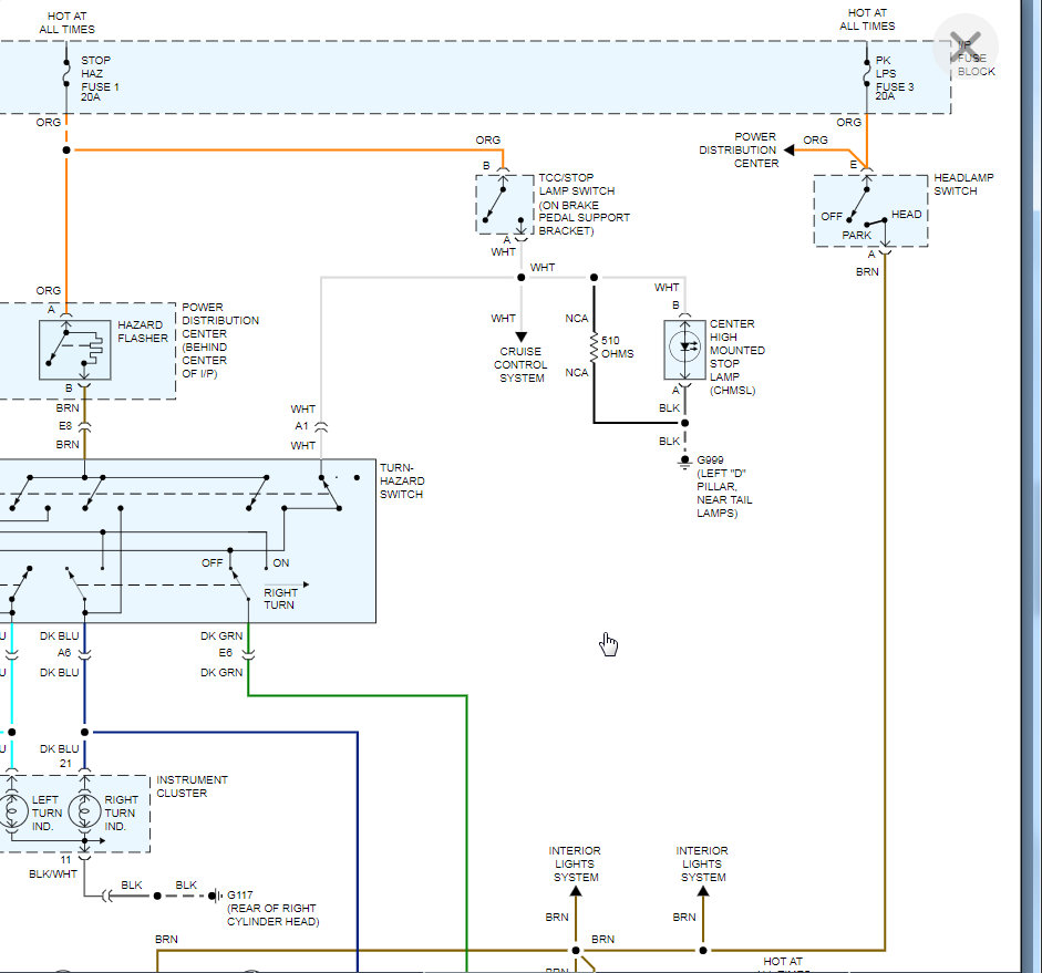
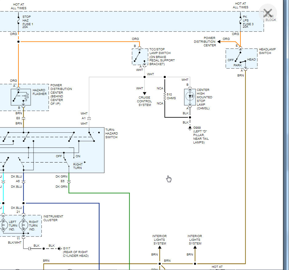
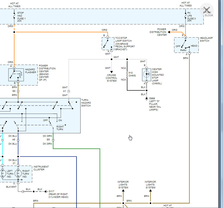
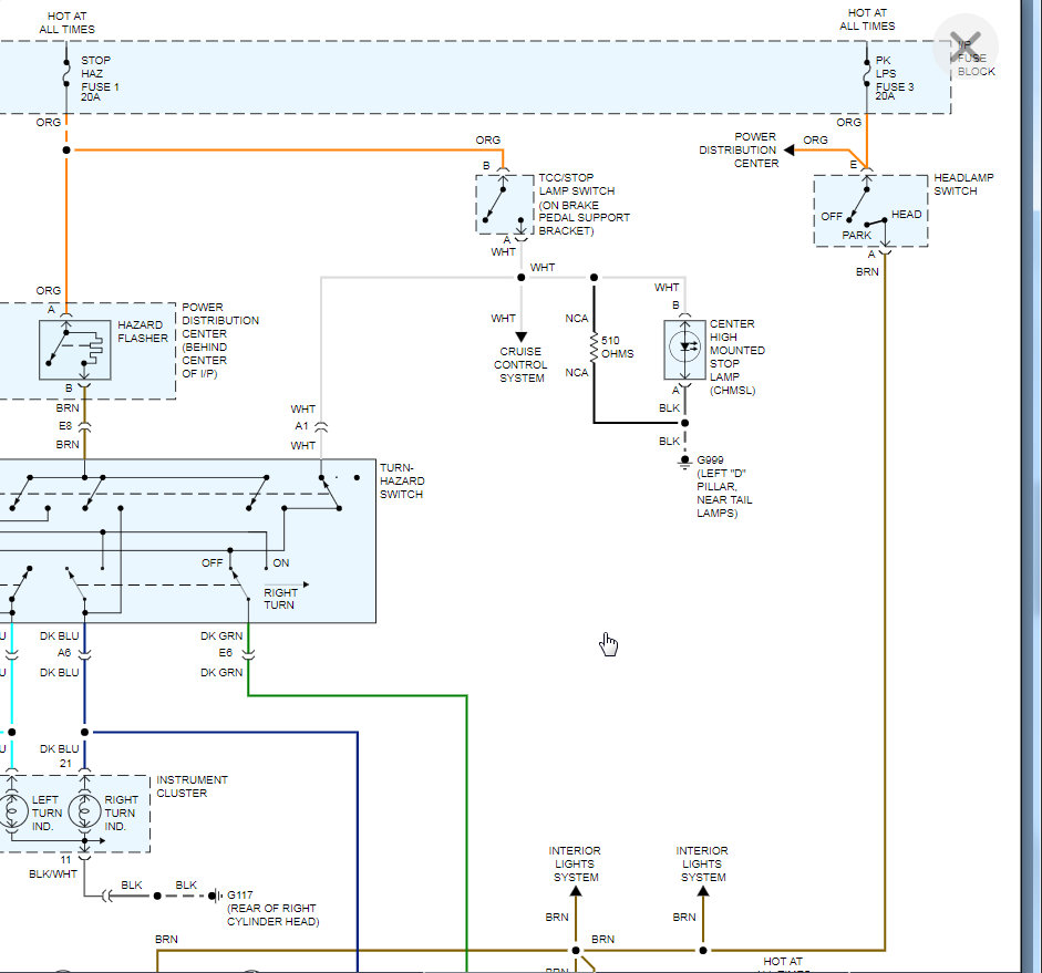
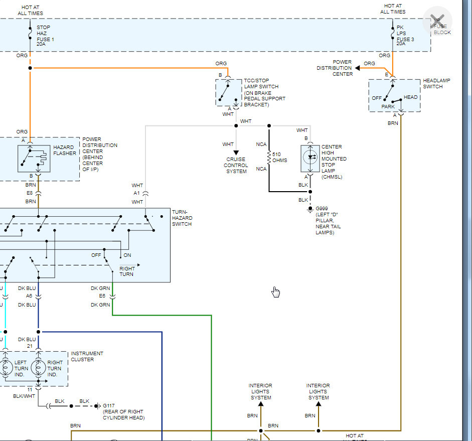
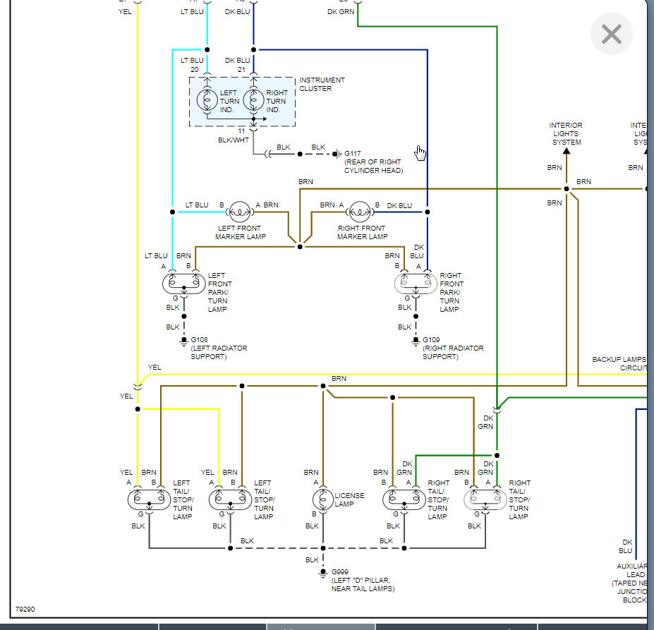
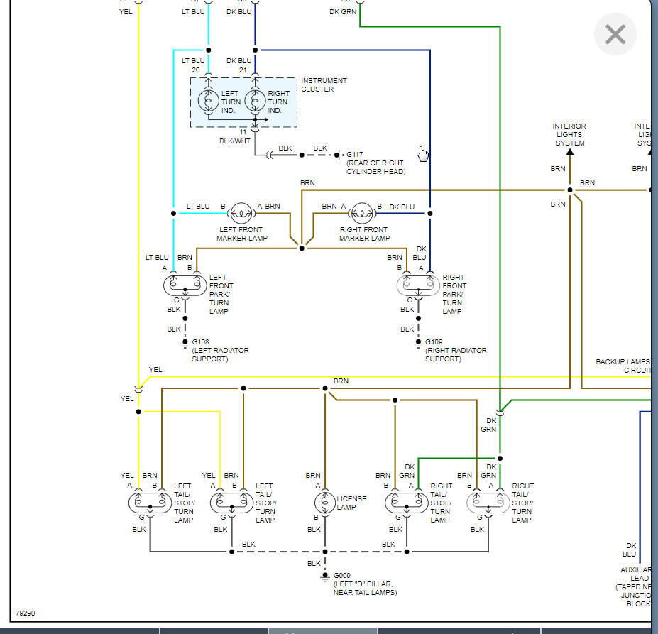
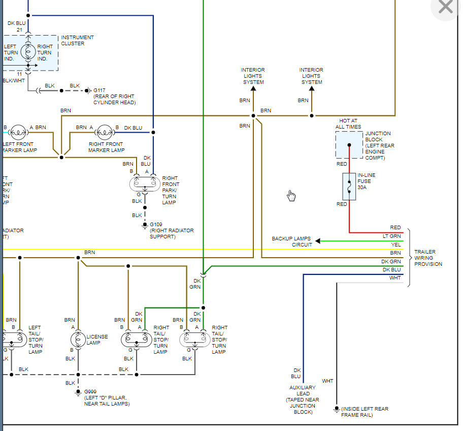
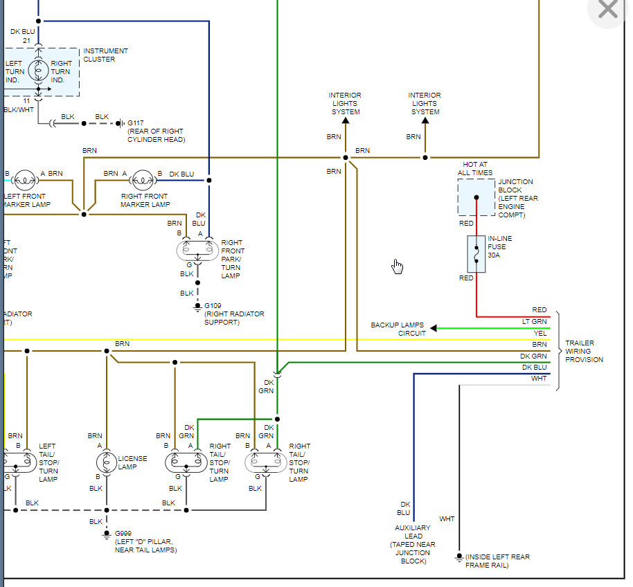
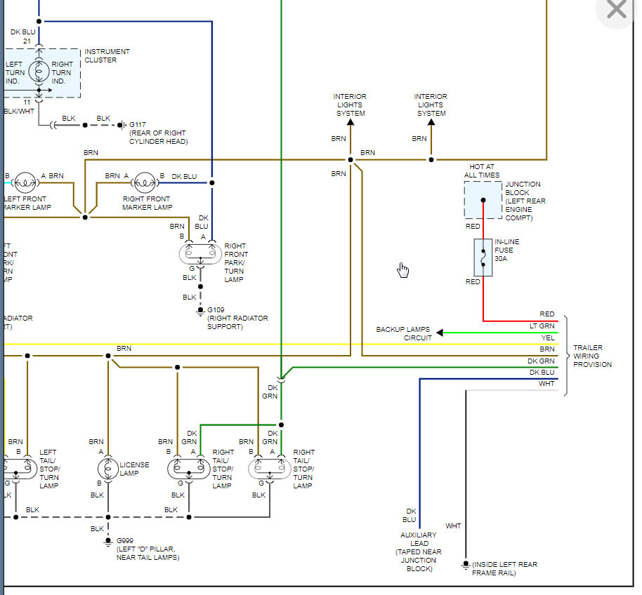
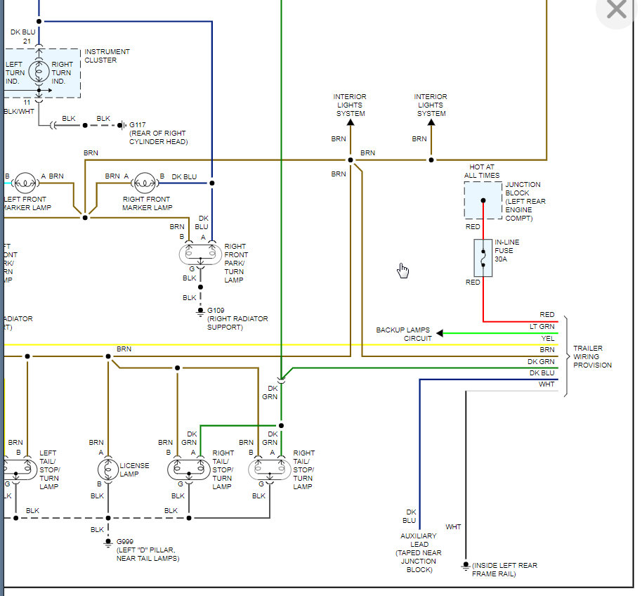
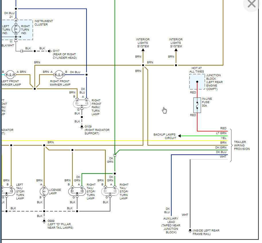
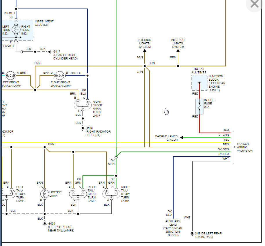
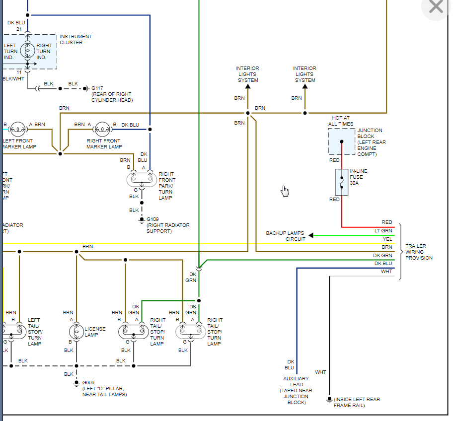
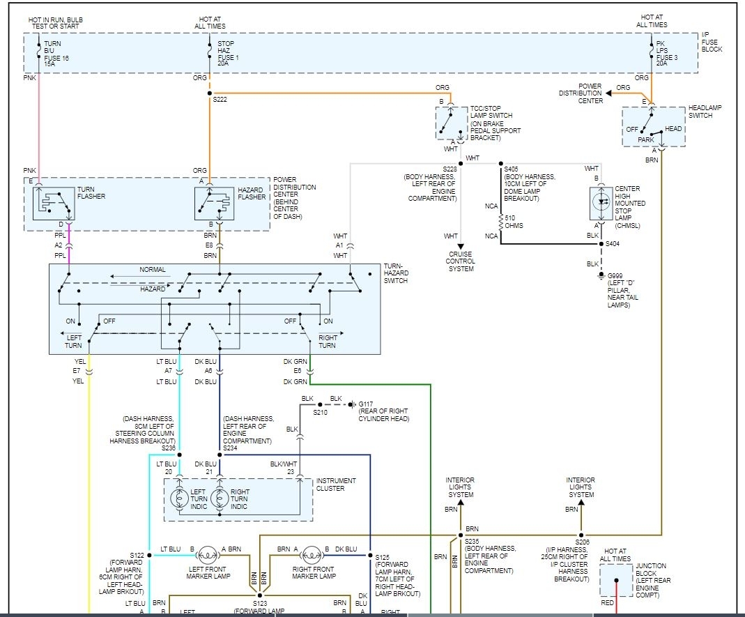
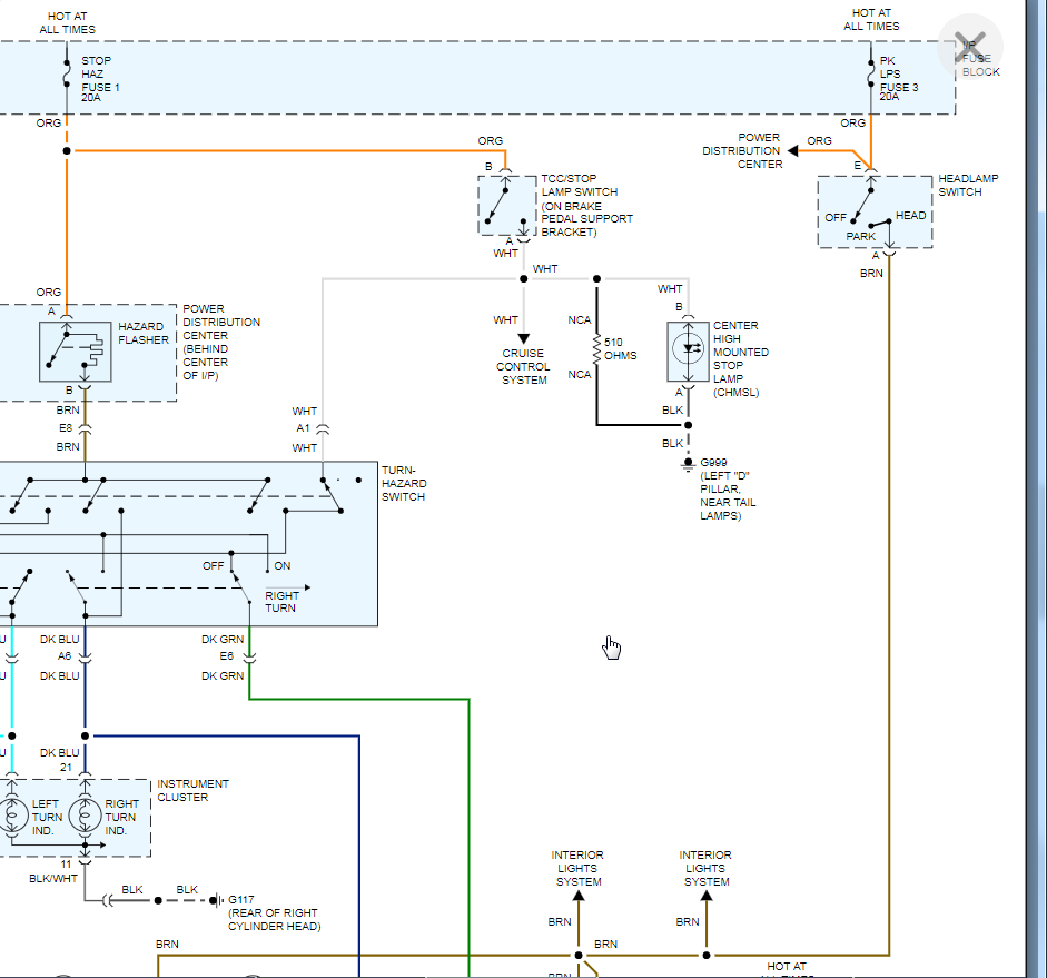
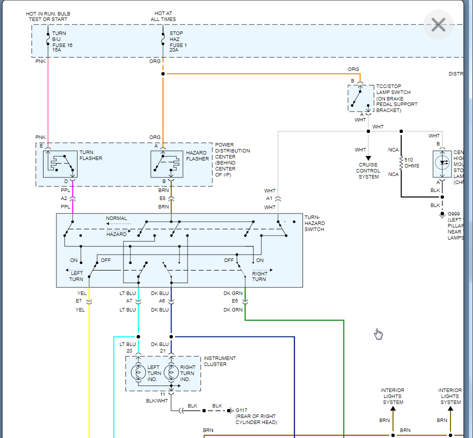
The high mounted stop lamp does not work. Checked to see if there was power going to it and there is no power. Need the Wiring Diagram to check to see if everything is hooked up?





















