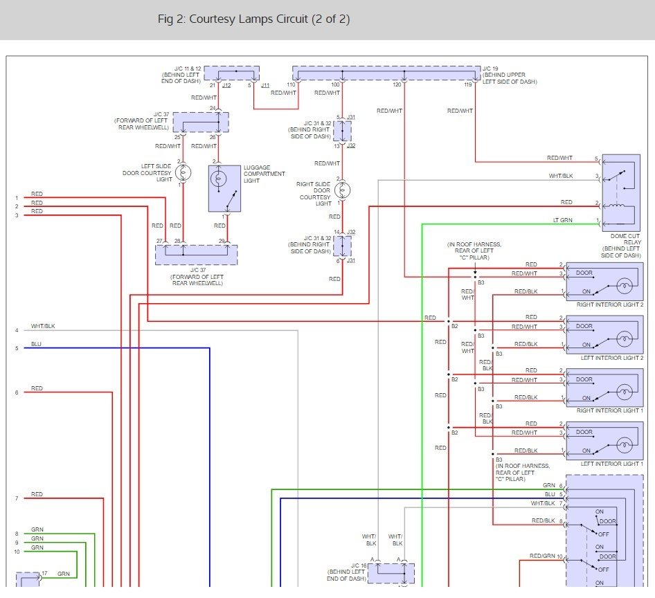
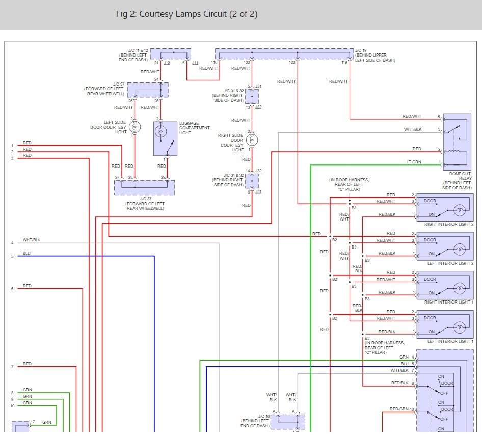
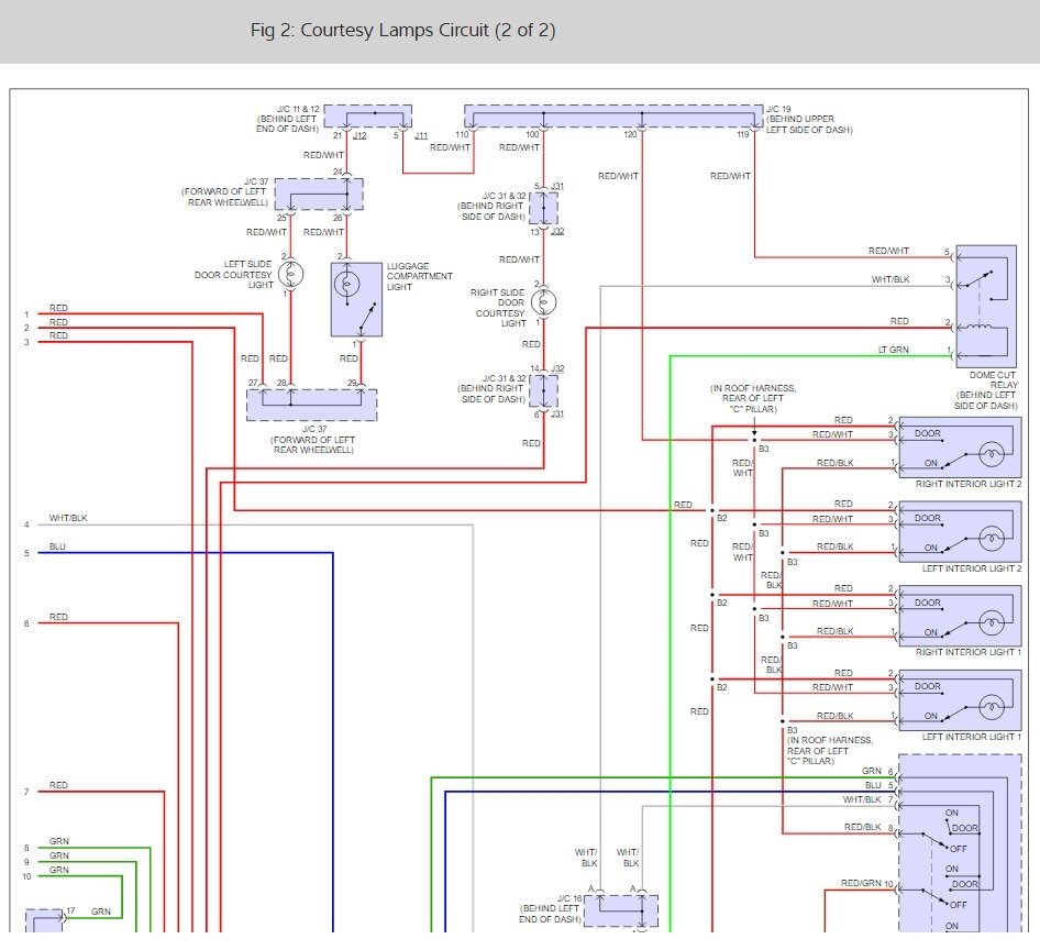
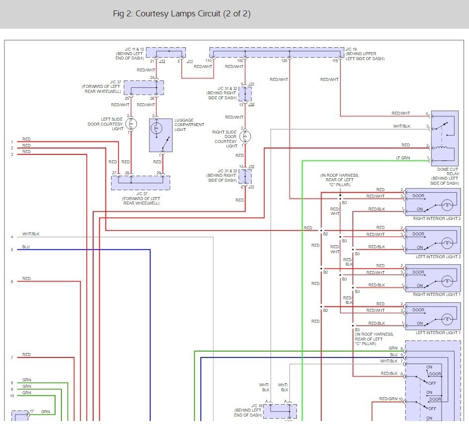
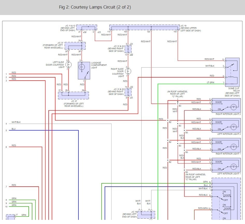
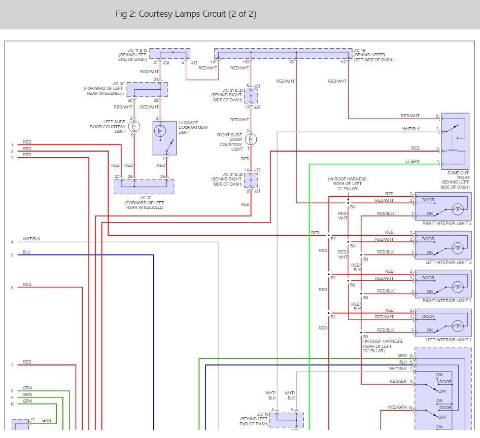
When either the passenger or driver's sliding side doors are opened, no middle seat or rear interior lights come on. Very occasionally, the lights flicker and I can hear a noise similar to a contact trying to connect. Where would I look for this contact or switch that controls the interior lights? For reference, all lights turn on when I use the inside 'all lights' switch, and the light illuminate when individually pressed with the doors closed, so I know they all work
Thanks
Sunday, December 13th, 2009 AT 3:37 PM









