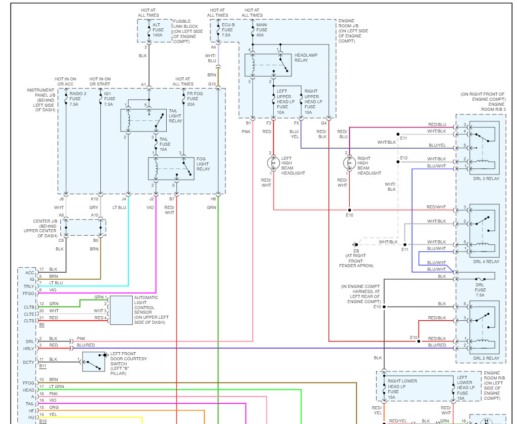
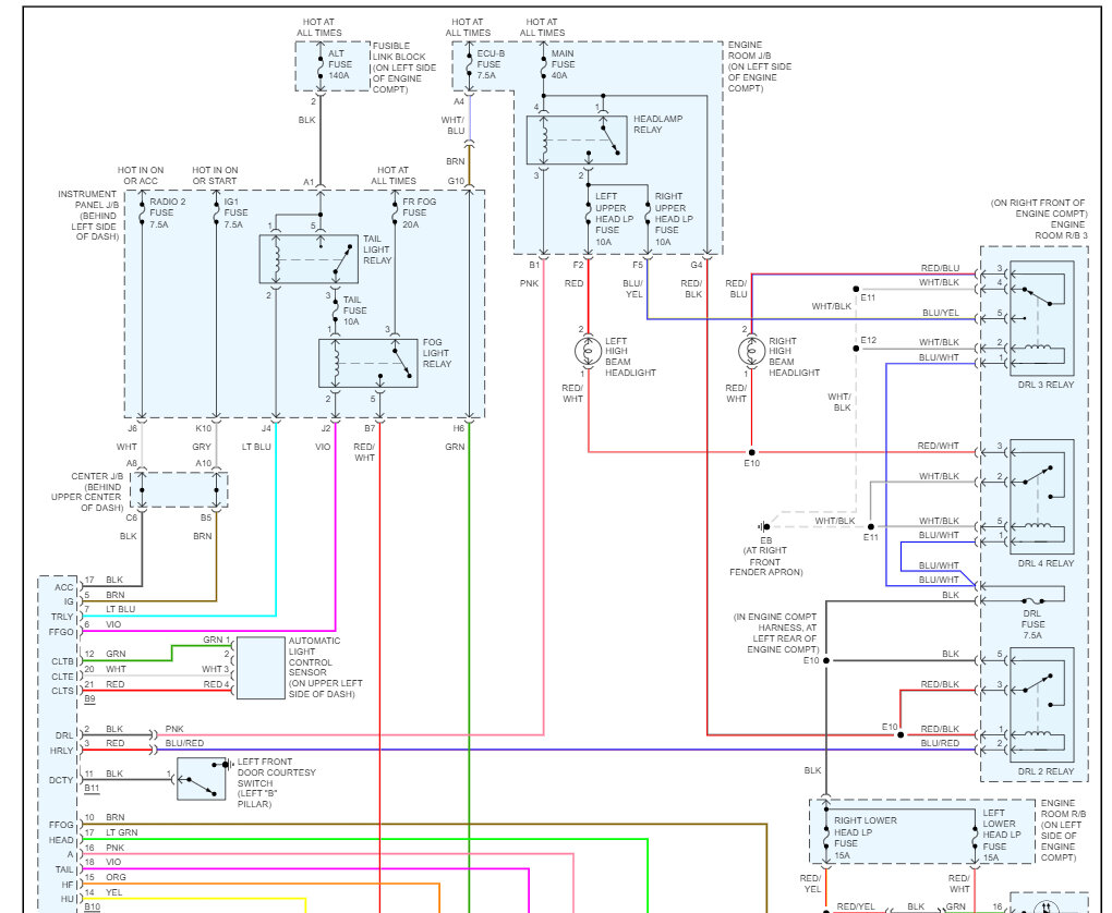
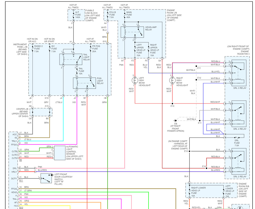
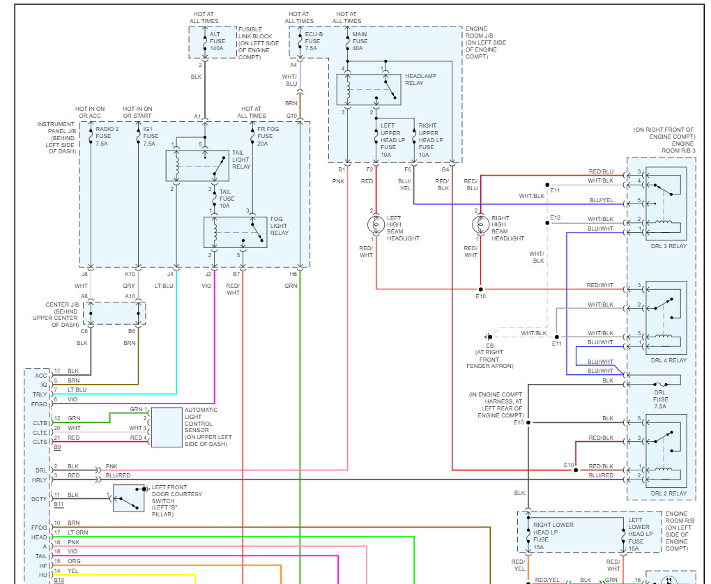
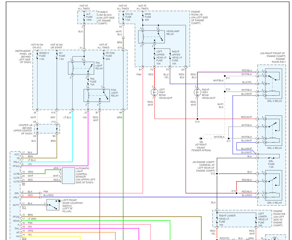
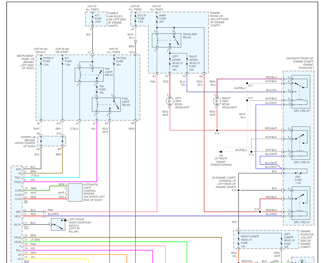
Tuesday, January 1st, 2013 AT 2:29 AM
The low beam suddenly went out. The high beams work fine. I checked the bulbs and fuses. They are ok. Could the problem be the relay? I have not checked the switch. I do not know how to get into it.


