Wednesday, February 15th, 2012 AT 11:49 PM
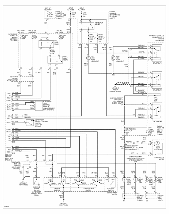
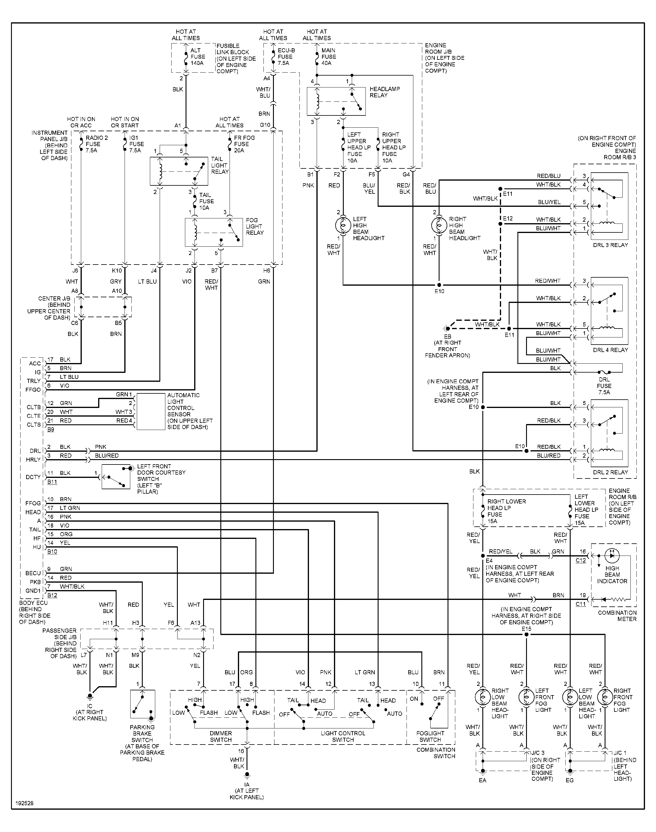
2004 Toyota Highlander v6; Driver side head light is not working, checked fuses all ok, replaced bulb still does not work, pulled out the relay next to the fuse named Head lights and reinstalled it. Still nothing on the drivers side other head light works. What is my next step?


