Monday, August 23rd, 2021 AT 5:02 AM
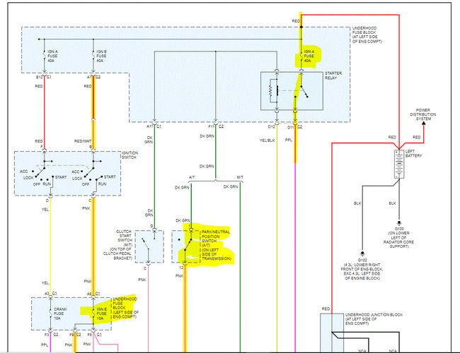
I just swapped engines in my truck. I went to crank it up and got nothing. I'm getting power at the starter but not to the starter solenoid wire (S). I can jump the relay and it will turn over. The crank fuse is getting power when I turn the key but I'm out getting any power to the Neutral safety switch. Truck also doesn't have the (key in the ignition door open) buzzer going off. What could be the problem?





